CN203368322U - 低损耗串联电容均压装置 - Google Patents

低损耗串联电容均压装置 Download PDF

Info

Publication number
CN203368322U
CN203368322U CN 201320385561 CN201320385561U CN203368322U CN 203368322 U CN203368322 U CN 203368322U CN 201320385561 CN201320385561 CN 201320385561 CN 201320385561 U CN201320385561 U CN 201320385561U CN 203368322 U CN203368322 U CN 203368322U
Authority
CN
China
Prior art keywords
switching tube
electrically connected
voltage
grid
resistance
Prior art date
Legal status (The legal status is an assumption and is not a legal conclusion. Google has not performed a legal analysis and makes no representation as to the accuracy of the status listed.)
Expired - Fee Related
Application number
CN 201320385561
Other languages
English (en)
Inventor
杜强
沈煜
张晋茂
Current Assignee (The listed assignees may be inaccurate. Google has not performed a legal analysis and makes no representation or warranty as to the accuracy of the list.)
ZHEJIANG ENERGY AND NUCLEAR TECHNOLOGY APPLICATION RESEARCH INSTITUTE
Original Assignee
ZHEJIANG ENERGY AND NUCLEAR TECHNOLOGY APPLICATION RESEARCH INSTITUTE
Priority date (The priority date is an assumption and is not a legal conclusion. Google has not performed a legal analysis and makes no representation as to the accuracy of the date listed.)
Filing date
Publication date
Application filed by ZHEJIANG ENERGY AND NUCLEAR TECHNOLOGY APPLICATION RESEARCH INSTITUTE filed Critical ZHEJIANG ENERGY AND NUCLEAR TECHNOLOGY APPLICATION RESEARCH INSTITUTE
Priority to CN 201320385561 priority Critical patent/CN203368322U/zh
Application granted granted Critical
Publication of CN203368322U publication Critical patent/CN203368322U/zh
Anticipated expiration legal-status Critical
Expired - Fee Related legal-status Critical Current

Links

Images

Landscapes

  • Direct Current Feeding And Distribution (AREA)

Abstract

本实用新型涉及一种低损耗串联电容均压装置。本实用新型的目的是提供一种结构简单、可靠性高、成本低的低损耗串联电容均压装置。本实用新型的技术方案是:低损耗串联电容均压装置,它包括串联于直流母线正负极之间的电容器组C1和C2,以及分别与电容器组C1和C2并联的开关管Q1和Q2;所述开关管Q1为N沟道MOS管,其漏极接直流母线的正极,源极电连接有用于限制放电电流的电阻R1,该电阻R1另一端与电容器组C1和C2的串联中点电连接,栅极与源极之间电连接有电阻R2;所述开关管Q2为P沟道MOS管,其漏极接直流母线的负极,源极与开关管Q1的源极电连接,栅极与漏极之间电连接有电阻R3;所述开关管Q1的栅极与开关管Q2的栅极电连接,且电阻R2和R3的阻值相同。

Description

低损耗串联电容均压装置
技术领域
本实用新型涉及一种低损耗串联电容均压装置。
背景技术
电容器的耐压受材料及结构的限制是有限的,尤其是大量使用的铝电解电容,通常最高耐压为450V。在很多应用中,直流母线电压会超过600V或更高,这时就必须将电容串联使用,以保证单个电容器承受电压不超过最高耐压值。但由于电子器件必然存在离散差异性,导致串联后两组电容器的电压不一定相等。如果电容数量增加,或使用不同批次的电容,这种差异将愈实用新型显。并且这种差异是动态的,无法通过器件筛选来保证系统寿命期间电容特性始终保持不变。如果直接串联,则电容器可能会承受超过其耐受的电压,产生不可恢复的损害,导致整个系统失效。因此必须用一种装置来保持电容器组的电压基本相等。传统的方法是在每一个电容器组的两端并联大小相等的电阻器,该电阻器的阻值由电容组的特性决定,流过电阻器的电流必须远大于电容器组的漏电流,否则无法起到均压作用。使用这种方法,均压电阻始终承受直流母线的高电压,会产生很大的功耗和热量。这不仅影响系统效率,也使整体可靠性降低。在已公开的专利中也有一些相关技术方案,但或结构复杂,成本高可靠性差;或无法实际应用。
发明内容
本实用新型要解决的技术问题是:针对上述存在的问题提供一种结构简单、可靠性高、成本低的低损耗串联电容均压装置。
本实用新型所采用的技术方案是:低损耗串联电容均压装置,其特征在于:它包括串联于直流母线正负极之间的电容器组C1和C2,以及分别与电容器组C1和C2并联的开关管Q1和Q2;所述开关管Q1为N沟道MOS管,其漏极接直流母线的正极,源极电连接有用于限制放电电流的电阻R1,该电阻R1另一端与电容器组C1和C2的串联中点电连接,栅极与源极之间电连接有电阻R2;所述开关管Q2为P沟道MOS管,其漏极接直流母线的负极,源极与开关管Q1的源极电连接,栅极与漏极之间电连接有电阻R3;所述开关管Q1的栅极与开关管Q2的栅极电连接,且电阻R2和R3的阻值相同。
所述均压装置还包括一双向电压控制装置1,其一端直接与开关管Q1和Q2的栅极电连接,另一端直接与开关管Q1和Q2的源极电连接,并且其阈值电压小于开关管Q1和Q2的栅极最高允许电压。
所述双向电压控制装置1为双向TVS管。
本实用新型的有益效果是:1、本装置可以使用在任意类型、任意容量的电容器组中,电容器的容量不影响开关管的选型,且开关管不需要承受大电流,从而降低了成本。2、放电限流电阻R1只在开关管导通时才承受电压,工作时间很短,功耗极小,不需要使用大功率电阻。3、相比于传统的电阻均压方式,本实用新型功耗得到了显著降低,且不增加成本。4、相比于已公开的其他专利,本实用新型不需要使用比较器、微处理器或变压器等复杂器件,不需要外部电源,结构极为简单,可靠性和实用性更高。
附图说明
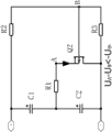
图1是本实用新型的电路示意图。
图2是本实用新型电容器组C1电压偏高,执行均压时的等效电路图。
图3是本实用新型电容器组C2电压偏高,执行均压时的等效电路图。
具体实施方式
如图1所示,本实施例包括串联于直流母线正负极之间的电容器组C1和C2,以及分别与电容器组C1和C2并联的开关管Q1和Q2(负责释放较高电压的电容器组的能量);所述电容器组C1的正极与直流母线正极电连接,电容器组C2的正极与电容器组C1的负极电连接,负极与直流母线的负极电连接;所述开关管Q1为N沟道MOS管,其漏极接直流母线的正极,源极电连接有电阻R1,该电阻R1另一端与电容器组C1和C2的串联中点电连接,用于将电容器组C1 和C2放电时的电流限制在开关管Q1和Q2的安全范围之内,栅极与源极之间电连接有电阻R2;所述开关管Q2为P沟道MOS管,其漏极接直流母线的负极,源极与开关管Q1的源极电连接,栅极与漏极之间电连接有电阻R3;所述开关管Q1的栅极与开关管Q2的栅极电连接,且电阻R2和R3的阻值相同,用以保证两个开关管Q1和Q2的栅极电压等于二分之一的直流母线电压。
所述均压装置还包括一双向电压控制装置1,作为开关管Q1和Q2的保护器件,将开关管Q1和Q2驱动端(栅极)的电压限制在安全范围内。本例中,该双向电压控制装置采用双向TVS管(瞬态电压抑制器,开通的相应时间短至微秒级),其一端直接与开关管Q1和Q2的栅极电连接,另一端直接与开关管Q1和Q2的源极电连接,并且其阈值电压小于开关管Q1和Q2的栅极最高允许电压。
本实施例的工作原理如下:
假设直流母线上的电压为Ubus,电容器组C1两端的电压U1和电容器组C2两端的电压U2必然满足:U1+U2=Ubus。电路中A点电压UA=U2,由于电阻R2和R3阻值相等,因此B点电压UB=1/2Ubus。本实施例选择栅极开启阈值大致相等的MOS管,开关管Q1开启阈值电压记为Uth,开关管Q2开启阈值电压记为-Uth
如果电容器组C1和C2的电压完全相等,则A点电压UA=U2=U1=1/2Ubus,AB两点电压差为0,则开关管Q1和Q2保持关闭,电容器组C1和C2电压保持不变。
如果电容器组C1和C2电压出现差异,但AB两点之间的电压差小于开关管开启阈值Uth,即∣UA-UB∣<Uth,则开关管Q1和Q2仍保持关闭状态,电容器组C1和C2电压保持不变。
如图2所示,当电容器组C1和C2之间的压差增大,至UA-UB>Uth时,开关管Q1和Q2的栅极、源极之间为正压差且大于栅极开启阈值Uth,此时,开关管Q1开启,开关管Q2关闭,电容器组C1通过开关管Q1向电阻R1释放能量,直至压差正常。
如图3所示,当UA-UB<-Uth时,开关管Q1和Q2的栅极、源极之间为负压差且小于栅极开启阈值-Uth,此时,开关管Q1关闭,开关管Q2开启,电容器组C2通过开关管Q2向电阻R1释放能量,直至压差正常。
如果电容器组C1和C2电压差异很大,AB两点之间的电压差绝对值超过TVS管的阈值电压,则TVS管击穿放电,保持开关管Q1和Q2的栅极电压不超过最大允许值。在电容器组C1和C2的电压差恢复正常后,TVS管能自动恢复至截止状态。

Claims (3)

1.一种低损耗串联电容均压装置,其特征在于:它包括串联于直流母线正负极之间的电容器组C1和C2,以及分别与电容器组C1和C2并联的开关管Q1和Q2;所述开关管Q1为N沟道MOS管,其漏极接直流母线的正极,源极电连接有用于限制放电电流的电阻R1,该电阻R1另一端与电容器组C1和C2的串联中点电连接,栅极与源极之间电连接有电阻R2;所述开关管Q2为P沟道MOS管,其漏极接直流母线的负极,源极与开关管Q1的源极电连接,栅极与漏极之间电连接有电阻R3;所述开关管Q1的栅极与开关管Q2的栅极电连接,且电阻R2和R3的阻值相同。
2.根据权利要求1所述的低损耗串联电容均压装置,其特征在于:所述均压装置还包括一双向电压控制装置(1),其一端直接与开关管Q1和Q2的栅极电连接,另一端直接与开关管Q1和Q2的源极电连接,并且其阈值电压小于开关管Q1和Q2的栅极最高允许电压。
3.根据权利要求2所述的低损耗串联电容均压装置,其特征在于:所述双向电压控制装置(1)为双向TVS管。
CN 201320385561 2013-07-01 2013-07-01 低损耗串联电容均压装置 Expired - Fee Related CN203368322U (zh)

Priority Applications (1)

Application Number Priority Date Filing Date Title
CN 201320385561 CN203368322U (zh) 2013-07-01 2013-07-01 低损耗串联电容均压装置

Applications Claiming Priority (1)

Application Number Priority Date Filing Date Title
CN 201320385561 CN203368322U (zh) 2013-07-01 2013-07-01 低损耗串联电容均压装置

Publications (1)

Publication Number Publication Date
CN203368322U true CN203368322U (zh) 2013-12-25

Family

ID=49816038

Family Applications (1)

Application Number Title Priority Date Filing Date
CN 201320385561 Expired - Fee Related CN203368322U (zh) 2013-07-01 2013-07-01 低损耗串联电容均压装置

Country Status (1)

Country Link
CN (1) CN203368322U (zh)

Cited By (3)

* Cited by examiner, † Cited by third party
Publication number Priority date Publication date Assignee Title
CN103337955A (zh) * 2013-07-01 2013-10-02 浙江省能源与核技术应用研究院 低损耗串联电容均压装置
CN111614258A (zh) * 2020-06-16 2020-09-01 任守华 基于mos管串联放电的高压发生器
CN117458849A (zh) * 2023-10-19 2024-01-26 国网经济技术研究院有限公司 一种柔性直流换流阀子模块拓扑结构及其参数设计方法

Cited By (4)

* Cited by examiner, † Cited by third party
Publication number Priority date Publication date Assignee Title
CN103337955A (zh) * 2013-07-01 2013-10-02 浙江省能源与核技术应用研究院 低损耗串联电容均压装置
CN111614258A (zh) * 2020-06-16 2020-09-01 任守华 基于mos管串联放电的高压发生器
CN117458849A (zh) * 2023-10-19 2024-01-26 国网经济技术研究院有限公司 一种柔性直流换流阀子模块拓扑结构及其参数设计方法
CN117458849B (zh) * 2023-10-19 2024-04-16 国网经济技术研究院有限公司 一种柔性直流换流阀子模块拓扑结构及其参数设计方法

Similar Documents

Publication Publication Date Title
CN201256290Y (zh) 一种抑制浪涌电流和防输入电压反接的保护电路
CN203039657U (zh) 一种igbt缓冲电路
CN204131085U (zh) 基于热插拔芯片的电池系统防浪涌电路
CN107947557A (zh) 一种抗过压、欠压浪涌的软启动电路
CN105978300A (zh) 一种级联式高压固态开关
CN203368322U (zh) 低损耗串联电容均压装置
CN103337955A (zh) 低损耗串联电容均压装置
CN204089183U (zh) 一种可频繁开关操作的防浪涌电源开关保护电路
CN203219266U (zh) 一种高压串联mos管驱动电路
CN105450023A (zh) 一种开关管控制电路
CN103259298A (zh) 一种电池均衡电路及mos管开关电路
CN202997539U (zh) 一种超级电容电压均衡保护电路
CN105356437A (zh) 一种防浪涌电路
CN202309061U (zh) 一种缩短电源输出电压下降时间的电路
CN204131110U (zh) 基于离散元件的电池系统防浪涌电路
CN202930923U (zh) 电池极性接反保护电路
CN103647314B (zh) 一种超级电容充电保护装置
CN102882625A (zh) 一种电力线载波通信同步检测电路
CN218569902U (zh) 一种省耗电源的智能切换电路
CN202708270U (zh) 电磁阀控制电路
CN202363919U (zh) 一种电池均衡电路及mos管开关电路
CN202564975U (zh) 一种电池均衡电路及mos管开关电路
CN207625441U (zh) 一种抗过压、欠压浪涌的软启动电路
CN204145314U (zh) 一种船闸式开关电源
CN209345120U (zh) 一种快速放电的rc充放电电路

Legal Events

Date Code Title Description
C14 Grant of patent or utility model
GR01 Patent grant
CF01 Termination of patent right due to non-payment of annual fee

Granted publication date: 20131225

Termination date: 20140701

EXPY Termination of patent right or utility model