CN203365015U - 一种无线测温指示装置 - Google Patents
一种无线测温指示装置 Download PDFInfo
- Publication number
- CN203365015U CN203365015U CN201320420064.8U CN201320420064U CN203365015U CN 203365015 U CN203365015 U CN 203365015U CN 201320420064 U CN201320420064 U CN 201320420064U CN 203365015 U CN203365015 U CN 203365015U
- Authority
- CN
- China
- Prior art keywords
- temperature
- sensitive resistor
- temperature measurement
- measurement module
- wireless
- Prior art date
- Legal status (The legal status is an assumption and is not a legal conclusion. Google has not performed a legal analysis and makes no representation as to the accuracy of the status listed.)
- Expired - Fee Related
Links
- 238000009529 body temperature measurement Methods 0.000 title claims abstract description 19
- 238000006243 chemical reaction Methods 0.000 claims abstract description 20
- 238000005259 measurement Methods 0.000 claims abstract description 18
- 229910000976 Electrical steel Inorganic materials 0.000 claims abstract description 4
- 238000012423 maintenance Methods 0.000 abstract description 6
- 238000009434 installation Methods 0.000 abstract description 4
- 238000013461 design Methods 0.000 abstract description 3
- 238000005516 engineering process Methods 0.000 description 6
- 230000000630 rising effect Effects 0.000 description 6
- 238000000034 method Methods 0.000 description 4
- 238000012544 monitoring process Methods 0.000 description 4
- 239000000835 fiber Substances 0.000 description 3
- 238000012360 testing method Methods 0.000 description 3
- 238000013459 approach Methods 0.000 description 2
- 238000004519 manufacturing process Methods 0.000 description 2
- 230000008054 signal transmission Effects 0.000 description 2
- 230000032683 aging Effects 0.000 description 1
- 230000009286 beneficial effect Effects 0.000 description 1
- 238000010438 heat treatment Methods 0.000 description 1
- 230000007774 longterm Effects 0.000 description 1
Images
Landscapes
- Arrangements For Transmission Of Measured Signals (AREA)
Abstract
本实用新型涉及温度测量技术领域,公开了一种无线测温指示装置,包括:测温测流模块、温敏电阻、电磁转换单元及无线接收器;所述测温测流模块分别连接温敏电阻和电磁转单元;所述温敏电阻为负温敏电阻;所述电磁转换单元为可将测温测流模块的电流转换成相应强度磁场的环形硅钢片;所述无线接收器为可将磁场转换为电流的磁电转换器,并与计算机连接;所述测温测流模块上设有温度指示灯和电源指示灯;所述温度指示灯为绿黄红三色发光二极管。本实用新型结构简单,设计新颖,安装、调试及维护方便,使用成本低。
Description
技术领域
本实用新型属于温度测量技术领域,尤其涉及一种无线测温指示装置。
背景技术
高压开关柜等电力设备是变电站、电厂、企业配电最重要的设备之一。在设备长期运行过程中,开关柜中的断路器与开关柜之间的连接插头等部位会因制造、运输、安装不良及老化引起接触电阻过大而发热,如果这些发热部位的温度无法监测,得不到及时检修,则最终会导致烧毁开关柜的火灾事故发生。近年来,很多发电厂和变电站都发生过开关柜过热事故,造成火灾和大面积停电事故。现有测温方法采用红外测温技术和光纤测温技术,红外测温技术安装不方便,而光纤测温技术的制造成本太高,且红外测温技术和光纤测温技术产品维护要求较高。
实用新型内容
为了解决上述技术问题,本实用新型的目的在于提供一种结构简单、安装维护方便,且测量准确的无线测温装置。
本实用新型的完整技术方案是:一种无线测温指示装置,包括:测温测流模块、温敏电阻、电磁转换单元及无线接收器。
所述测温测流模块分别连接温敏电阻和电磁转单元。
所述温敏电阻为负温敏电阻。
所述电磁转换单元为可将测温测流模块的电流转换成相应强度磁场的环形硅钢片。
所述无线接收器为可将磁场转换为电流的磁电转换器,并与计算机连接。
所述测温测流模块上设有温度指示灯和电源指示灯。
所述温度指示灯为绿黄红三色发光二极管。
本实用新型通电时,所述电源指示灯亮,开始工作,温敏电阻的阻值随着温度的升高而降低,从而使通过温度指示灯和电磁转换单元的电流随着温度的升高而增大,在测量温度为40到80度之间时,温度指示灯为绿色;当所测温度在80到100度之间时,温度指示灯为黄色;超过100度以后,温度指示灯为红色,温度越高,温度指示灯的电流越强,闪烁频率越快,当温度高于120度时,温度指示灯长亮。电磁转换单元转换的磁场强度随着温度的升高会增强,无线接收器输入计算机的电流也会增大,计算机根据无线接收器输入的电流强度计算温度的准确值。
本实用新型与现有技术相比有如下有益效果:
本实用新型提供了一种一种无线测温指示装置,与现有技术相比,通过电磁转换的方式传输信号,使得温敏电阻能够更接近测温点,温度测量精度更高,能够实时监控温度;本实用新型的温度指示灯采用了三色二极管,通过指示灯的颜色和闪烁频率标识温度使得温度测控过程的监控更方便。本实用新型结构简单,设计新颖,安装、调试及维护方便,使用成本低。
附图说明
此处所说明的附图用来提供对本实用新型的进一步理解,构成本申请的一部分,并不构成对本实用新型的不当限定,在附图中:
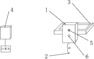
图1为本实用新型结构示意图。
具体实施方式
下面将结合附图以及具体实施例来详细说明本实用新型,在此本实用新型的示意性实施例以及说明用来解释本实用新型,但并不作为对本实用新型的限定。
本实施例提供一种无线测温指示装置,结构如图1所示,包括:测温测流模块1、温敏电阻2、电磁转换单元3及无线接收器4;所述测温测流模块1分别连接温敏电阻2和电磁转单元3;所述温敏电阻2为负温敏电阻;所述电磁转换单元3为可将测温测流模块1的电流转换成相应强度磁场的环形硅钢片;所述无线接收器4为可将磁场转换为电流的磁电转换器,并与计算机连接;所述测温测流模块1上设有温度指示灯5和电源指示灯6;所述温度指示灯5为绿黄红三色发光二极管。
本实用新型通电时,所述电源指示灯6亮,开始工作,温敏电阻2的阻值随着温度的升高而降低,从而使通过温度指示灯5和电磁转换单元3的电流随着温度的升高而增大,在测量温度为40到80度之间时,温度指示灯5为绿色;当所测温度在80到100度之间时,温度指示灯5为黄色;超过100度以后,温度指示灯5为红色,温度越高,温度指示灯5的电流越强,闪烁频率越快,当温度高于120度时,温度指示灯5长亮。电磁转换单元3转换的磁场强度随着温度的升高会增强,无线接收器4输入计算机的电流也会增大,计算机根据无线接收器4输入的电流强度计算温度的准确值。
本实用新型通过电磁转换的方式传输信号,使得温敏电阻2能够更接近测温点,温度测量精度更高,能够实时监控温度;本实用新型的温度指示灯5采用了三色二极管,通过指示灯5的颜色和闪烁频率标识温度使得温度测控过程的监控更方便。本实用新型结构简单,设计新颖,安装、调试及维护方便,使用成本低。
以上对本实用新型实施例所提供的技术方案进行了详细介绍,本文中应用了具体个例对本实用新型实施例的原理以及实施方式进行了阐述,以上实施例的说明只适用于帮助理解本实用新型实施例的原理;同时,对于本领域的一般技术人员,依据本实用新型实施例,在具体实施方式以及应用范围上均会有改变之处,综上所述,本说明书内容不应理解为对本实用新型的限制。
Claims (3)
1.一种无线测温指示装置,包括:测温测流模块、温敏电阻、电磁转换单元及无线接收器,其特征在于:所述测温测流模块分别连接温敏电阻和电磁转单元;所述温敏电阻为负温敏电阻;所述电磁转换单元为可将测温测流模块的电流转换成相应强度磁场的环形硅钢片;所述无线接收器为可将磁场转换为电流的磁电转换器,并与计算机连接。
2.根据权利要求1所述的一种无线测温指示装置,其特征在于:所述测温测流模块上设有温度指示灯和电源指示灯。
3.根据权利要求2所述的一种无线测温指示装置,其特征在于:所述温度指示灯为绿黄红三色发光二极管。
Priority Applications (1)
| Application Number | Priority Date | Filing Date | Title |
|---|---|---|---|
| CN201320420064.8U CN203365015U (zh) | 2013-07-16 | 2013-07-16 | 一种无线测温指示装置 |
Applications Claiming Priority (1)
| Application Number | Priority Date | Filing Date | Title |
|---|---|---|---|
| CN201320420064.8U CN203365015U (zh) | 2013-07-16 | 2013-07-16 | 一种无线测温指示装置 |
Publications (1)
| Publication Number | Publication Date |
|---|---|
| CN203365015U true CN203365015U (zh) | 2013-12-25 |
Family
ID=49812761
Family Applications (1)
| Application Number | Title | Priority Date | Filing Date |
|---|---|---|---|
| CN201320420064.8U Expired - Fee Related CN203365015U (zh) | 2013-07-16 | 2013-07-16 | 一种无线测温指示装置 |
Country Status (1)
| Country | Link |
|---|---|
| CN (1) | CN203365015U (zh) |
Cited By (1)
| Publication number | Priority date | Publication date | Assignee | Title |
|---|---|---|---|---|
| CN111256851A (zh) * | 2020-03-25 | 2020-06-09 | 广东联航智能科技有限公司 | 一种无线测温发射模块 |
-
2013
- 2013-07-16 CN CN201320420064.8U patent/CN203365015U/zh not_active Expired - Fee Related
Cited By (1)
| Publication number | Priority date | Publication date | Assignee | Title |
|---|---|---|---|---|
| CN111256851A (zh) * | 2020-03-25 | 2020-06-09 | 广东联航智能科技有限公司 | 一种无线测温发射模块 |
Similar Documents
| Publication | Publication Date | Title |
|---|---|---|
| CN102721891B (zh) | 非线性电阻型消谐器测试装置 | |
| CN203357839U (zh) | 一种红外纳米节能电热圈 | |
| CN203455936U (zh) | 一种无源无线温升监测装置 | |
| CN104007747A (zh) | 一种远程监控电气开关柜温升的在线监测系统 | |
| CN203365015U (zh) | 一种无线测温指示装置 | |
| CN203519180U (zh) | 电缆搭接终端无线温度在线监测装置 | |
| CN209841205U (zh) | 一种基于nb-iot传输的架空输电线路电缆测温系统 | |
| CN102607733B (zh) | 输变电设备接点发光式感温帽系统 | |
| CN203850099U (zh) | 基于变压器油监测的预报警变压器 | |
| CN201724758U (zh) | 无线实时测温装置 | |
| CN203323895U (zh) | 一种新型测温指示装置 | |
| CN203414174U (zh) | 一种变电站设备触点的温度在线监测系统 | |
| CN205403972U (zh) | 一种易装型分体式电缆接头无线测温报警装置 | |
| CN201937244U (zh) | 一种带无线温度测量的微机电动机保护监控装置 | |
| CN204205712U (zh) | 一种变电站直流电源近、远程无线监控系统 | |
| CN204330947U (zh) | 电力电缆头连接点发热无线报警系统 | |
| CN202255652U (zh) | 高压开关触头无线测温装置 | |
| CN205403998U (zh) | 一种电力变压器温度在线监测系统 | |
| CN206132235U (zh) | 一种变电站设备温度检测装置 | |
| CN216207110U (zh) | 户外高压电器无线测温装置 | |
| CN204190736U (zh) | 一种igbt驱动保护系统 | |
| CN104157118A (zh) | 一种高压开关柜无线测温设备 | |
| CN103269128B (zh) | 变压器负荷智能监控方法 | |
| CN203931131U (zh) | 分布式设备异常报警系统 | |
| CN203274929U (zh) | 电力系统高压设备温度遥测装置 |
Legal Events
| Date | Code | Title | Description |
|---|---|---|---|
| C14 | Grant of patent or utility model | ||
| GR01 | Patent grant | ||
| CF01 | Termination of patent right due to non-payment of annual fee | ||
| CF01 | Termination of patent right due to non-payment of annual fee |
Granted publication date: 20131225 Termination date: 20180716 |