CN203331362U - 弹簧二次顶出机构 - Google Patents
弹簧二次顶出机构 Download PDFInfo
- Publication number
- CN203331362U CN203331362U CN2013202808574U CN201320280857U CN203331362U CN 203331362 U CN203331362 U CN 203331362U CN 2013202808574 U CN2013202808574 U CN 2013202808574U CN 201320280857 U CN201320280857 U CN 201320280857U CN 203331362 U CN203331362 U CN 203331362U
- Authority
- CN
- China
- Prior art keywords
- spring
- secondary ejection
- ejection mechanism
- thimble
- ejector retainner
- Prior art date
- Legal status (The legal status is an assumption and is not a legal conclusion. Google has not performed a legal analysis and makes no representation as to the accuracy of the status listed.)
- Withdrawn - After Issue
Links
- 230000007246 mechanism Effects 0.000 title claims abstract description 49
- 238000004519 manufacturing process Methods 0.000 abstract description 11
- 230000008439 repair process Effects 0.000 abstract description 5
- 230000003247 decreasing effect Effects 0.000 abstract 1
- XEEYBQQBJWHFJM-UHFFFAOYSA-N Iron Chemical compound [Fe] XEEYBQQBJWHFJM-UHFFFAOYSA-N 0.000 description 8
- 238000013461 design Methods 0.000 description 6
- 239000011347 resin Substances 0.000 description 5
- 229920005989 resin Polymers 0.000 description 5
- 229910052742 iron Inorganic materials 0.000 description 4
- 238000012423 maintenance Methods 0.000 description 4
- 238000005516 engineering process Methods 0.000 description 3
- 238000010586 diagram Methods 0.000 description 2
- 230000000694 effects Effects 0.000 description 2
- 239000002699 waste material Substances 0.000 description 2
- 230000009471 action Effects 0.000 description 1
- 230000009286 beneficial effect Effects 0.000 description 1
- 230000008901 benefit Effects 0.000 description 1
- 230000008859 change Effects 0.000 description 1
- 238000006243 chemical reaction Methods 0.000 description 1
- 230000007547 defect Effects 0.000 description 1
- 238000002347 injection Methods 0.000 description 1
- 239000007924 injection Substances 0.000 description 1
- 238000001746 injection moulding Methods 0.000 description 1
- 238000003754 machining Methods 0.000 description 1
- 238000000034 method Methods 0.000 description 1
- 230000008569 process Effects 0.000 description 1
- 238000012545 processing Methods 0.000 description 1
- 238000011160 research Methods 0.000 description 1
Images
Landscapes
- Springs (AREA)
Abstract
本实用新型公开了一种弹簧二次顶出机构,包括:顶针、一次顶出结构、二次顶出结构和弹簧结构,顶针一端与公模板连接,另一端与一次顶出结构连接;一次顶出结构套装在所述顶针上;一次顶出结构和二次顶出结构之间有弹簧结构;工作时,二次顶出结构通过弹簧结构带动所述一次顶出结构同时向上运动预定距离,完成第一次顶针动作行程;接着,所述一次顶出结构停止运动,所述二次顶出结构继续向上运动预定距离,并压缩弹簧结构,完成第二次顶针动作行程。本实用新型弹簧二次顶出机构,机构稳定性很高,从而避免了维修成本,达到了安全成产,高效生产的目的。模具中使用本实用新型弹簧二次顶出机构二次顶出,可以减少产品中顶针数量,特别是扁顶针的数量。
Description
技术领域
本实用新型涉及模具加工领域,特别是涉及一种弹簧二次顶出机构。
背景技术
当一个产品需设计二次顶出机构时,现有的技术是在模具上设计两组顶针板,用树脂开闭器或铁制开闭器来控制两组顶针板的顶出顺序,从而实现二次顶出动作。
但这种由树脂开闭器或铁制开闭器组成的二次顶出机构,在产品量产过程中很不稳定,增加了模具修模次数,造成较大的成本浪费,缺陷较大。
1.树脂开闭器易磨损,当模具模温逐渐升高时,摩擦力会逐渐降低,从而使二次顶出机构失效。当此机构失效后,需将模具下机重新更换或调紧树脂开闭器,累积修模次数较多,造成人力成本上升,模具配件成本上升,产品出货率降低。
2.铁制开闭器组件之间产生的摩擦力较大,零件易断裂。产品量产时,需做多批备件,从而造成模具成本上升,修模次数多造成人力成本上升,产品出货率下降。
实用新型内容
本实用新型主要解决的技术问题是提供一种弹簧二次顶出机构,结构简单、运行稳定、通用性强。
为解决上述技术问题,本实用新型采用的一个技术方案是:提供一种弹簧二次顶出机构,包括:顶针、一次顶出结构、二次顶出结构和弹簧结构,
所述顶针一端与公模板连接,另一端与所述一次顶出结构连接;
所述一次顶出结构套装在所述顶针上;
所述一次顶出结构和所述二次顶出结构之间有弹簧结构;
工作时,所述二次顶出结构通过弹簧结构带动所述一次顶出结构同时向上运动预定距离,完成第一次顶针动作行程;接着,所述一次顶出结构停止运动,所述二次顶出结构继续向上运动预定距离,并压缩弹簧结构,完成第二次顶针动作行程。
在本实用新型一个较佳实施例中,所述一次顶出结构和所述二次顶出结构之间有支撑钉。
在本实用新型一个较佳实施例中,所述二次顶出结构包括相互连接的二次上顶针板和二次下顶针板。
在本实用新型一个较佳实施例中,所述一次顶出结构包括一次顶针块,所述一次顶针块的面积远小于所述二次上顶针板的面积。
在本实用新型一个较佳实施例中,所述弹簧结构套装在所述支撑钉上。
在本实用新型一个较佳实施例中,所述弹簧二次顶出机构还包括限位块,所述限位块安装在所述二次上顶针板的上表面。
在本实用新型一个较佳实施例中,所述一次顶出结构包括一次顶出板,所述一次顶出板的面积和所述二次上顶针板的面积相当。
在本实用新型一个较佳实施例中,所述弹簧二次顶出机构还包括限位块,所述限位块安装在所述一次顶出板的上表面。
本实用新型的有益效果是:本实用新型弹簧二次顶出机构,机构稳定性很高,从而避免了维修成本,达到了安全成产,高效生产的目的。模具中使用本实用新型弹簧二次顶出机构二次顶出,可以减少产品中顶针数量,特别是扁顶针的数量。
附图说明
图1是本实用新型弹簧二次顶出机构一较佳实施例的结构示意图;
图2是图1所示弹簧二次顶出机构的第一状态结构示意图;
图3是图1所示弹簧二次顶出机构的第二状态结构示意图;
图4是本实用新型弹簧二次顶出机构另一较佳实施例的结构示意图。
具体实施方式
下面结合附图对本实用新型的较佳实施例进行详细阐述,以使本实用新型的优点和特征能更易于被本领域技术人员理解,从而对本实用新型的保护范围做出更为清楚明确的界定。
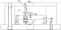
请参阅图1至图3,本实用新型实施例包括:
一种弹簧二次顶出机构,包括:顶针10、一次顶出结构、二次顶出结构30、弹簧结构、支撑钉50和限位块60。
所述顶针10一端与公模板70连接,另一端与所述一次顶出结构20连接;
所述二次顶出结构30包括相互连接的二次上顶针板31和二次下顶针板32,所述二次上顶针板31和二次下顶针板32直接可以通过螺栓等连接件固定。
所述一次顶出结构包括中间有孔的一次顶出块21,套装在所述顶针10上,一次顶出块21的下端安装在所述二次上顶针板31中。
所述弹簧结构包括弹簧座41和弹簧42,所述弹簧座41安装在所述一次顶出块21的下端面,并位于所述二次上顶针板31和二次下顶针板32中,所述弹簧42安装在所述弹簧座41中。
所述一次顶出结构和所述二次顶出结构之间有支撑钉50,本实施例中支撑顶50位于弹簧座41中。支撑钉50的作用是抵挡一次顶出块上的顶针10所受到的注射压力,调整顶针10的高度。通过计算弹簧42的压缩量可以来算出一次顶出作用力。
所述限位块60通过螺栓等连接件固定在所述二次上顶针板32的上表面。
工作时,所述二次顶出结构通过弹簧结构带动所述一次顶出结构同时向上运动预定距离,完成第一次顶针动作行程S1(如图2所示),本实施例中第一次顶针动作行程S1为从一次顶出块21的上端面至公模块70的下表面;接着,所述一次顶出结构停止运动,所述二次顶出结构继续向上运动预定距离,并压缩弹簧结构,完成第二次顶针动作行程A(如图3所示),本实施例中第二次顶针动作行程A为从限位块60的上表面至公模块70的下表面。
本实施例的一次顶针块21的面积远小于所述二次上顶针板31的面积,本实施例的弹簧二次顶出机构适用于有少量二次顶出的模具。
图4所示为另一实施例,一种弹簧二次顶出机构,包括:多个顶针11’、12’,一次顶出结构、二次顶出结构30’、弹簧结构40’、支撑钉50’和限位块60’。和图1至图3所示实施例的主要区别在于,所述一次顶出结构包括一次顶出板21’,所述一次顶出板21’的面积和所述二次上顶针板31’的面积相当,所述限位块60’安装在所述一次顶出板21’的上表面。本实施例的弹簧二次顶出机构适用于需要大面积二次顶出的模具。
工作时,所述二次顶出结构通过弹簧结构带动所述一次顶出结构同时向上运动预定距离,完成第一次顶针动作行程,本实施例中第一次顶针动作行程为从限位块60’的上表面至公模块70’的下表面;接着,所述一次顶出结构停止运动,所述二次顶出结构继续向上运动预定距离,并压缩弹簧结构,完成第二次顶针动作行程,本实施例中第二次顶针动作行程为从二次上顶针板31’的上表面至一次顶出板21’的下表面。
本实用新型弹簧二次顶出机构有两种形式,少量需二次顶出的模具和大面积需二次顶出的模具,使模具设计简单化,加工成本低,钳工装配容易,后续生产稳定,修模次数少。模具中加了此机构不受任何注塑机台限制!
而采用开闭器形式的二次顶出机构模具设计复杂,生产成本高,生产不稳定,需备很多备件,造成成本浪费。本实用新型弹簧二次顶出机构,弹簧的使用模次最少30万次,在模具进行保养时可以选择是否更换弹簧,节约了人力成本,模具成本,维修成本,保证了模具在量产过程中稳定性,提高了产品的质量和出货效率!
模具上使用本实用新型弹簧二次顶出机构后,可以完全替代由树脂或铁制开闭器所组成的机构,降低了人力成本和模具制作成本。此二次顶出机构稳定性很高,从而避免了维修成本,达到了安全成产,高效生产的目的。此机构研发成功对提升我们公司的技术革新能力起到了非常明显的效果。此机构所组成的配件已经标准化,从而减少了设计时间,标准化生产降低了零件的生产成本。模具中使用二次顶出,可以减少产品中顶针数量,特别是扁顶针的数量,扁顶针容易产生毛边,影响了产品质量。然而使用开闭器所组成的二次顶出机构,设计较复杂,维修成本高,一般模具中很少使用此机构,只能通过后期人工去除产品扁顶针毛边。使用我们公司的弹簧二次顶出机构,其稳定性保证了产品质量。
以上所述仅为本实用新型的实施例,并非因此限制本实用新型的专利范围,凡是利用本实用新型说明书及附图内容所作的等效结构或等效流程变换,或直接或间接运用在其他相关的技术领域,均同理包括在本实用新型的专利保护范围内。
Claims (8)
1.一种弹簧二次顶出机构,其特征在于,包括:顶针、一次顶出结构、二次顶出结构和弹簧结构,
所述顶针一端与公模板连接,另一端与所述一次顶出结构连接;
所述一次顶出结构套装在所述顶针上;
所述一次顶出结构和所述二次顶出结构之间有弹簧结构;
工作时,所述二次顶出结构通过弹簧结构带动所述一次顶出结构同时向上运动预定距离,完成第一次顶针动作行程;接着,所述一次顶出结构停止运动,所述二次顶出结构继续向上运动预定距离,并压缩弹簧结构,完成第二次顶针动作行程。
2.根据权利要求1所述的弹簧二次顶出机构,其特征在于,所述一次顶出结构和所述二次顶出结构之间有支撑钉。
3.根据权利要求1或2所述的弹簧二次顶出机构,其特征在于,所述二次顶出结构包括相互连接的二次上顶针板和二次下顶针板。
4.根据权利要求3所述的弹簧二次顶出机构,其特征在于,所述一次顶出结构包括一次顶针块,所述一次顶针块的面积远小于所述二次上顶针板的面积。
5.根据权利要求4所述的弹簧二次顶出机构,其特征在于,所述弹簧结构套装在所述支撑钉上。
6.根据权利要求4所述的弹簧二次顶出机构,其特征在于,所述弹簧二次顶出机构还包括限位块,所述限位块安装在所述二次上顶针板的上表面。
7.根据权利要求3所述的弹簧二次顶出机构,其特征在于,所述一次顶出结构包括一次顶出板,所述一次顶出板的面积和所述二次上顶针板的面积相当。
8.根据权利要求7所述的弹簧二次顶出机构,其特征在于,所述弹簧二次顶出机构还包括限位块,所述限位块安装在所述一次顶出板的上表面。
Priority Applications (1)
| Application Number | Priority Date | Filing Date | Title |
|---|---|---|---|
| CN2013202808574U CN203331362U (zh) | 2013-05-22 | 2013-05-22 | 弹簧二次顶出机构 |
Applications Claiming Priority (1)
| Application Number | Priority Date | Filing Date | Title |
|---|---|---|---|
| CN2013202808574U CN203331362U (zh) | 2013-05-22 | 2013-05-22 | 弹簧二次顶出机构 |
Publications (1)
| Publication Number | Publication Date |
|---|---|
| CN203331362U true CN203331362U (zh) | 2013-12-11 |
Family
ID=49700059
Family Applications (1)
| Application Number | Title | Priority Date | Filing Date |
|---|---|---|---|
| CN2013202808574U Withdrawn - After Issue CN203331362U (zh) | 2013-05-22 | 2013-05-22 | 弹簧二次顶出机构 |
Country Status (1)
| Country | Link |
|---|---|
| CN (1) | CN203331362U (zh) |
Cited By (2)
| Publication number | Priority date | Publication date | Assignee | Title |
|---|---|---|---|---|
| CN103264490A (zh) * | 2013-05-22 | 2013-08-28 | 昆山鑫泰利精密模具有限公司 | 弹簧二次顶出机构 |
| CN105014891A (zh) * | 2014-04-21 | 2015-11-04 | 群达模具(深圳)有限公司 | 一种斜顶组件及包含该斜顶组件的模具 |
-
2013
- 2013-05-22 CN CN2013202808574U patent/CN203331362U/zh not_active Withdrawn - After Issue
Cited By (3)
| Publication number | Priority date | Publication date | Assignee | Title |
|---|---|---|---|---|
| CN103264490A (zh) * | 2013-05-22 | 2013-08-28 | 昆山鑫泰利精密模具有限公司 | 弹簧二次顶出机构 |
| CN103264490B (zh) * | 2013-05-22 | 2018-04-10 | 昆山鑫泰利精密组件股份有限公司 | 弹簧二次顶出机构 |
| CN105014891A (zh) * | 2014-04-21 | 2015-11-04 | 群达模具(深圳)有限公司 | 一种斜顶组件及包含该斜顶组件的模具 |
Similar Documents
| Publication | Publication Date | Title |
|---|---|---|
| CN204276677U (zh) | 新型圆管卷筒模具 | |
| CN203331362U (zh) | 弹簧二次顶出机构 | |
| CN201760486U (zh) | 一种模具的定位装置 | |
| CN103433386A (zh) | 卷边模具 | |
| CN203917620U (zh) | 一种快速拆装三模座冲压级进模模具 | |
| CN205614919U (zh) | 冰箱压缩机护板成型模具 | |
| CN203293489U (zh) | 一种设有辅助弹顶顶出的模具 | |
| CN203426276U (zh) | 一种弹簧弯曲模具 | |
| CN203221626U (zh) | 一种镶式移动压柱模结构 | |
| CN203281735U (zh) | 刹车片拉簧连接弯条的一体成型冲压模具 | |
| CN202701152U (zh) | 一种导轨前板的成型模 | |
| CN207770621U (zh) | 一种能够在开模的同时顶出工件的模架 | |
| CN103264489B (zh) | 弹簧制动塑模二次顶出机构 | |
| CN104227902A (zh) | 一种塑料挤压成型模具 | |
| CN103264490A (zh) | 弹簧二次顶出机构 | |
| CN202656424U (zh) | 快拆式塑胶斜顶结构 | |
| CN203253815U (zh) | 双压型模具 | |
| CN202239422U (zh) | 快速液压锻压机 | |
| CN204658863U (zh) | 一种注塑模具的二次分段顶出装置 | |
| CN201863368U (zh) | 一种注塑机的顶杆装置 | |
| CN206614748U (zh) | 一种联动滑块机构模具 | |
| CN203293416U (zh) | 一种带组合斜顶的模具 | |
| CN203484487U (zh) | 一种可通废料的模具 | |
| CN203831737U (zh) | 用于模具的二次顶出机构 | |
| CN204894431U (zh) | 一种注塑模具内成品塑件的自动顶出装置 |
Legal Events
| Date | Code | Title | Description |
|---|---|---|---|
| C14 | Grant of patent or utility model | ||
| GR01 | Patent grant | ||
| C56 | Change in the name or address of the patentee | ||
| CP01 | Change in the name or title of a patent holder |
Address after: 215300, 2539 Yongfeng Road, Yushan Town, Kunshan Town, Suzhou, Jiangsu, China Patentee after: KUNSHAN XINTAILI PRECISION COMPONENTS CO., LTD. Address before: 215300, 2539 Yongfeng Road, Yushan Town, Kunshan Town, Suzhou, Jiangsu, China Patentee before: Kunshan Xintaili Precision Mold Co.,Ltd. |
|
| AV01 | Patent right actively abandoned | ||
| AV01 | Patent right actively abandoned |
Granted publication date: 20131211 Effective date of abandoning: 20180410 |