CN203324379U - Sample fixing device of DC resistance tester - Google Patents

Sample fixing device of DC resistance tester Download PDF

Info

Publication number
CN203324379U
CN203324379U CN2013203419183U CN201320341918U CN203324379U CN 203324379 U CN203324379 U CN 203324379U CN 2013203419183 U CN2013203419183 U CN 2013203419183U CN 201320341918 U CN201320341918 U CN 201320341918U CN 203324379 U CN203324379 U CN 203324379U
Authority
CN
China
Prior art keywords
fixing device
copper
sample fixing
sample
resistance
Prior art date
Legal status (The legal status is an assumption and is not a legal conclusion. Google has not performed a legal analysis and makes no representation as to the accuracy of the status listed.)
Expired - Fee Related
Application number
CN2013203419183U
Other languages
Chinese (zh)
Inventor
徐世鹏
Current Assignee (The listed assignees may be inaccurate. Google has not performed a legal analysis and makes no representation or warranty as to the accuracy of the list.)
MIANYANG HIGH-TECH ZONE DOSUN ELECTRONIC TECHNOLOGY Co Ltd
Original Assignee
MIANYANG HIGH-TECH ZONE DOSUN ELECTRONIC TECHNOLOGY Co Ltd
Priority date (The priority date is an assumption and is not a legal conclusion. Google has not performed a legal analysis and makes no representation as to the accuracy of the date listed.)
Filing date
Publication date
Application filed by MIANYANG HIGH-TECH ZONE DOSUN ELECTRONIC TECHNOLOGY Co Ltd filed Critical MIANYANG HIGH-TECH ZONE DOSUN ELECTRONIC TECHNOLOGY Co Ltd
Priority to CN2013203419183U priority Critical patent/CN203324379U/en
Application granted granted Critical
Publication of CN203324379U publication Critical patent/CN203324379U/en
Anticipated expiration legal-status Critical
Expired - Fee Related legal-status Critical Current

Links

Images

Classifications

    • YGENERAL TAGGING OF NEW TECHNOLOGICAL DEVELOPMENTS; GENERAL TAGGING OF CROSS-SECTIONAL TECHNOLOGIES SPANNING OVER SEVERAL SECTIONS OF THE IPC; TECHNICAL SUBJECTS COVERED BY FORMER USPC CROSS-REFERENCE ART COLLECTIONS [XRACs] AND DIGESTS
    • Y02TECHNOLOGIES OR APPLICATIONS FOR MITIGATION OR ADAPTATION AGAINST CLIMATE CHANGE
    • Y02EREDUCTION OF GREENHOUSE GAS [GHG] EMISSIONS, RELATED TO ENERGY GENERATION, TRANSMISSION OR DISTRIBUTION
    • Y02E10/00Energy generation through renewable energy sources
    • Y02E10/50Photovoltaic [PV] energy

Landscapes

  • Measurement Of Resistance Or Impedance (AREA)

Abstract

The utility model discloses a sample fixing device of a DC resistance tester. The sample fixing device of the DC resistance tester includes an insulation board, a pedestal, copper posts, copper blocks and a thin sheet testing table. A base body of the sample fixing device of the DC resistance tester consists of the insulation board and the pedestal. The insulation board is provided with an insulation fixing block and a slide rod. The slide rod is connected with an insulation limit block. Thin sheet testing table is arranged between the copper blocks. The copper block is connected with the upper copper post and the lower copper post. The sample fixing device of the DC resistance tester provided by the utility model has beneficial effects that specific resistance of a thin sheet sample can be measured accurately by using the sample fixing device of the DC resistance tester; specific resistance of an object with a comparatively greater thickness can also be measured after the thin sheet testing table is removed; specific resistance of the upper surface of a sample can be measured when the tester is connected with the upper cooper post while the specific resistance of the lower surface of the sample can be measured when the tester is connected with the lower cooper post; and the sample fixing device of the DC resistance tester is extremely convenient and quick in use and high in precision.

Description

一种直流电阻测试仪样品固定装置A sample fixing device for a DC resistance tester

技术领域 technical field

本实用新型涉及一种直流电阻测试仪样品固定装置。  The utility model relates to a sample fixing device for a DC resistance tester. the

背景技术 Background technique

导电布用于电子、电磁等高辐射工作的专业屏蔽,导电海绵的均匀分布性可保护器件管脚,同时具有抗腐蚀性,是长期储存器件的理想介质材料。导电布、导电海绵等在使用前需要测量电阻,由于导电海绵厚度较大,当需要测量不同表面电阻时,常规测试方法是翻动样品,检测效率低下;而导电布厚度小于1mm,测量时难以精确控制,测量时浪费大量的人工工时,且测量值不准确。  Conductive cloth is used for professional shielding of high-radiation work such as electronics and electromagnetics. The uniform distribution of conductive sponge can protect device pins, and it is also corrosion-resistant. It is an ideal dielectric material for long-term storage of devices. Conductive cloth, conductive sponge, etc. need to measure the resistance before use. Due to the large thickness of the conductive sponge, when it is necessary to measure different surface resistances, the conventional test method is to flip the sample, and the detection efficiency is low; while the thickness of the conductive cloth is less than 1mm, it is difficult to measure accurately. Control, a lot of man-hours are wasted during measurement, and the measurement value is inaccurate. the

实用新型内容 Utility model content

针对以上现有技术存在的问题,本实用新型的目的在于提供一种直流电阻测试仪样品固定装置,已解决现有技术中由于样品不同厚度测量时带来的不便及电阻测量值不准确等技术问题。  In view of the problems existing in the prior art above, the purpose of this utility model is to provide a sample fixing device for a DC resistance tester, which has solved the inconvenience caused by the measurement of different thicknesses of samples and the inaccurate resistance measurement value in the prior art. question. the

为达到上述目的,本实用新型提供一种直流电阻测试仪样品固定装置,包括:绝缘板、绝缘固定块、滑杆、绝缘限位块、上铜柱、下铜柱、薄片测试台、铜块和底座,所述上铜柱与下铜柱之间设有薄片测试台;所述绝缘板与所述底座构成直流电阻测试仪样品固定装置的整体结构;所述绝缘固定块与滑杆连接,固定于所述绝缘板上;所述绝缘限位块将铜块固定在绝缘板上;所述铜块中间可设有薄片测试台,所述铜块上设有上铜柱和下铜柱;所述薄片测试台为铜材质。  In order to achieve the above purpose, the utility model provides a sample fixing device for a DC resistance tester, including: an insulating plate, an insulating fixing block, a slide rod, an insulating limit block, an upper copper column, a lower copper column, a sheet test platform, and a copper block and a base, a sheet test bench is provided between the upper copper column and the lower copper column; the insulating plate and the base form the overall structure of the sample fixing device of the DC resistance tester; the insulating fixing block is connected with a slide bar, fixed on the insulating plate; the insulating limit block fixes the copper block on the insulating plate; a sheet test platform may be provided in the middle of the copper block, and an upper copper column and a lower copper column are provided on the copper block; The sheet test bench is made of copper. the

本实用新型的有益效果是:将铜块和绝缘板组装制成直流电阻测试仪样品固定装置,在测试较厚样品不同表面电阻时,如导电海绵时,只需将待测产品放在铜块之间,通过绝缘限位块调节,夹紧待测样品,将测试仪的正极和负极分别连接到上铜柱上测量样品上表面电阻,连接到下铜柱测量下表面电阻;当测量较薄产品,如导电布时,只需将待测产品置于薄片测试台上,将测试仪正负极与铜柱连接,即可准确、快捷的测量其电阻值。使用本实用新型直流电阻测试仪样品固定装置有效解决了样品测试时的固定问题,并极大的提高了电阻测试数据的准确性。  The beneficial effects of the utility model are: the copper block and the insulating plate are assembled into a sample fixing device of a DC resistance tester, when testing different surface resistances of thicker samples, such as conductive sponges, only need to put the product to be tested on the copper block Between, through the insulation limit block adjustment, clamp the sample to be tested, connect the positive pole and negative pole of the tester to the upper copper column to measure the upper surface resistance of the sample, and connect to the lower copper column to measure the lower surface resistance; when measuring thinner For products such as conductive cloth, you only need to place the product to be tested on the sheet test platform, connect the positive and negative electrodes of the tester to the copper column, and then measure its resistance value accurately and quickly. Using the sample fixing device of the direct current resistance tester of the utility model effectively solves the fixing problem during sample testing, and greatly improves the accuracy of resistance test data. the

附图说明 Description of drawings

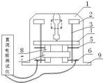
图 1是本实用新型直流电阻测试仪样品固定装置平面示意图。  Fig. 1 is a schematic plan view of the sample fixing device of the utility model DC resistance tester. the

各图中标记名称为:1.绝缘板  2.绝缘固定块  3.滑杆  4.绝缘限位块  5.上铜柱  6.下铜柱  7. 薄片测试台  8. 铜块  9.底座。  The marked names in each figure are: 1. Insulation board 2. Insulation fixing block 3. Slider 4. Insulation limit block 5. Upper copper column 6. Lower copper column 7. Sheet test bench 8. Copper block 9. Base. the

具体实施方式 Detailed ways

为了使本实用新型的目的及技术方案的优点更加清楚明白,以下结合附图及实例,对本实用新型进行进一步详细说明。  In order to make the purpose of the utility model and the advantages of the technical solution clearer, the utility model will be further described in detail below in conjunction with the accompanying drawings and examples. the

图1是本实用新型直流电阻测试仪样品固定装置平面示意图,包括:绝缘板、绝缘固定块、滑杆、绝缘限位块、上铜柱、下铜柱、薄片测试台、铜块和底座,所述上铜柱与下铜柱之间设有薄片测试台;所述绝缘板与所述底座构成直流电阻测试仪样品固定装置的整体结构;所述绝缘固定块与滑杆连接,固定于所述绝缘板上;所述绝缘限位块将铜块固定在绝缘板上;所述铜块中间可设有薄片测试台,所述铜块上设有上铜柱和下铜柱;所述薄片测试台为铜材质。  Fig. 1 is a schematic plan view of the sample fixing device of the utility model DC resistance tester, including: an insulating plate, an insulating fixing block, a slide bar, an insulating limit block, an upper copper column, a lower copper column, a sheet test platform, a copper block and a base, A sheet test platform is provided between the upper copper column and the lower copper column; the insulating plate and the base constitute the overall structure of the sample fixing device of the DC resistance tester; the insulating fixing block is connected with a slide bar and fixed on the the insulating plate; the insulating limit block fixes the copper block on the insulating plate; a sheet test bench can be provided in the middle of the copper block, and an upper copper column and a lower copper column are provided on the copper block; the sheet The test bench is made of copper. the

在本实例中,在测试较厚样品不同表面电阻值时,如导电海绵,只需将待测产品放在铜块之间,通过绝缘限位块调节,夹紧待测样品,将测试仪的正极和负极分别连接到上铜柱上测量样品上表面电阻,连接到下铜柱测量下表面电阻;当测量较薄产品,如导电布时,只需将待测产品置于薄片测试台上,将测试仪正负极与铜柱连接,即可准确、快捷的测量其电阻值。使用本实用新型直流电阻测试仪样品固定装置有效解决了样品测试时的固定问题,并极大的提高了电阻测试数据的准确性。  In this example, when testing different surface resistance values of thicker samples, such as conductive sponges, you only need to place the product to be tested between the copper blocks, adjust the insulating limit block, clamp the sample to be tested, and place the tester's The positive and negative electrodes are respectively connected to the upper copper column to measure the upper surface resistance of the sample, and connected to the lower copper column to measure the lower surface resistance; when measuring thinner products, such as conductive cloth, only need to place the product to be tested on the sheet test bench, Connect the positive and negative electrodes of the tester to the copper column to measure its resistance value accurately and quickly. Using the sample fixing device of the direct current resistance tester of the utility model effectively solves the fixing problem during sample testing, and greatly improves the accuracy of resistance test data. the

以上,仅为本实用新型的较佳实施实例,但本实用新型的保护范围并不止于此,任何熟悉本技术领域的技术人员在本实用新型揭露的技术范围内,可轻易想到的变化或替换,都应涵盖在本实用新型的保护范围之内,因此,本实用新型的保护范围应该以权力要求书所界定的保护范围为准。  The above are only preferred implementation examples of the present utility model, but the protection scope of the present utility model is not limited thereto. Any skilled person familiar with the technical field can easily think of changes or replacements within the technical scope disclosed by the utility model , should be covered within the protection scope of the present utility model, therefore, the protection scope of the present utility model should be based on the protection scope defined in the claims. the

Claims (5)

1. an instrument for measuring DC resistance sample fixing device, comprise: insulcrete (1), insulation fixed block (2), slide bar (3), insulation limited block (4), upper copper post (5), lower copper post (6), thin slice test board (7), copper billet (8) and base (9) is characterized in that: between described upper copper post (5) and lower copper post (6), be provided with thin slice test board (7).
2. a kind of instrument for measuring DC resistance sample fixing device according to claim 1, is characterized in that: the one-piece construction of described insulcrete (1) and described base (9) formation instrument for measuring DC resistance sample fixing device.
3. a kind of instrument for measuring DC resistance sample fixing device according to claim 1, it is characterized in that: described insulation fixed block (2) is connected with slide bar (3), is fixed on described insulcrete (1).
4. a kind of instrument for measuring DC resistance sample fixing device according to claim 1, it is characterized in that: described insulation limited block (4) is fixed on copper billet (8) on insulcrete (1).
5. a kind of instrument for measuring DC resistance sample fixing device according to claim 1, it is characterized in that: in the middle of described copper billet (8), can be provided with thin slice test board (7), described thin slice test board (7) is copper material, and described copper billet (8) is provided with copper post (5) and lower copper post (6).
CN2013203419183U 2013-06-14 2013-06-14 Sample fixing device of DC resistance tester Expired - Fee Related CN203324379U (en)

Priority Applications (1)

Application Number Priority Date Filing Date Title
CN2013203419183U CN203324379U (en) 2013-06-14 2013-06-14 Sample fixing device of DC resistance tester

Applications Claiming Priority (1)

Application Number Priority Date Filing Date Title
CN2013203419183U CN203324379U (en) 2013-06-14 2013-06-14 Sample fixing device of DC resistance tester

Publications (1)

Publication Number Publication Date
CN203324379U true CN203324379U (en) 2013-12-04

Family

ID=49663717

Family Applications (1)

Application Number Title Priority Date Filing Date
CN2013203419183U Expired - Fee Related CN203324379U (en) 2013-06-14 2013-06-14 Sample fixing device of DC resistance tester

Country Status (1)

Country Link
CN (1) CN203324379U (en)

Cited By (3)

* Cited by examiner, † Cited by third party
Publication number Priority date Publication date Assignee Title
CN105717362A (en) * 2016-04-22 2016-06-29 滨州学院 Measuring device and method for resistivity
CN104166049B (en) * 2014-08-20 2016-08-17 太原理工大学 A kind of soil resistivity test device of insulating materials
CN109655666A (en) * 2018-12-05 2019-04-19 深圳市飞荣达科技股份有限公司 Sheet resistance test fixture and test method

Cited By (4)

* Cited by examiner, † Cited by third party
Publication number Priority date Publication date Assignee Title
CN104166049B (en) * 2014-08-20 2016-08-17 太原理工大学 A kind of soil resistivity test device of insulating materials
CN105717362A (en) * 2016-04-22 2016-06-29 滨州学院 Measuring device and method for resistivity
CN105717362B (en) * 2016-04-22 2018-11-23 滨州学院 Resistivity test device and method
CN109655666A (en) * 2018-12-05 2019-04-19 深圳市飞荣达科技股份有限公司 Sheet resistance test fixture and test method

Similar Documents

Publication Publication Date Title
CN204177868U (en) Based on galvanic automatic control adjustable indoor soil resistivity measurement device
CN203324379U (en) Sample fixing device of DC resistance tester
CN204631135U (en) A kind of aqueous solution conductivity detector
CN206362861U (en) A resistance testing device for lithium-ion battery pole piece coating material
CN205810498U (en) Shunt resistance device
CN205826750U (en) Conductor resistivity at room temperature and the device of temperature-coefficient of electrical resistance is measured under a kind of alternating temperature
CN104749439A (en) Powder metallurgy sintered alloy sample conductivity measurement system and powder metallurgy sintered alloy sample conductivity measurement method
CN108572201A (en) A method and device for measuring plant physiological capacitance under specific clamping force
CN205176137U (en) Sponge resistance meter and sponge resistance test tool
CN105277598A (en) Testing device and testing method for thickness of oxide film of copper rod for electrician
CN207366636U (en) A battery pole piece resistance testing device
CN203455411U (en) An apparatus for measuring the conductivity of powder material
CN210777431U (en) A Comprehensive Demonstration Experiment Instrument for Exploring the Characteristics of Ampere Force
CN203117280U (en) STM 32-based intelligent four-probe meter
CN207556518U (en) Plank roughness subsidiary platform
CN104729990A (en) Device for testing the pull-out force of a push-pull battery cover of a mobile phone and a test method for the feel of the battery cover
CN205176138U (en) Resistance test tool
CN212030448U (en) High-precision electronic scale flatness detector
CN205898846U (en) A test jig for measuring graphite resistor is rateed
CN205317832U (en) Fast fast reading table appearance
CN208043934U (en) A kind of carbon fiber multifilament resistivity measurement tooling
CN209148183U (en) A kind of electric thermometer test thermostat performance testing device
CN201555890U (en) Anode current distribution measuring instrument of movable type aluminium electrolysis bath
CN114002504B (en) Measuring device for impedance of basin-type insulator surface discharge channel
CN103604994B (en) A kind of electrochemical power source and the method for testing of electrochemical energy storing device electrode impedance and device

Legal Events

Date Code Title Description
C14 Grant of patent or utility model
GR01 Patent grant
C56 Change in the name or address of the patentee
CP02 Change in the address of a patent holder

Address after: 621000 Sichuan city of Mianyang Province South Industrial Zone Keguang Hongsheng Industrial Park 4 Building 1 layer

Patentee after: Mianyang High-tech Zone Dosun Electronic Technology Co., Ltd.

Address before: 621000 Sichuan city of Deyang Province South Industrial Zone Keguang Hongsheng Industrial Park 4 Building 1 layer

Patentee before: Mianyang High-tech Zone Dosun Electronic Technology Co., Ltd.

CF01 Termination of patent right due to non-payment of annual fee

Granted publication date: 20131204

Termination date: 20160614

CF01 Termination of patent right due to non-payment of annual fee