CN203301212U - Dual standby saving type DC power supply system - Google Patents

Dual standby saving type DC power supply system Download PDF

Info

Publication number
CN203301212U
CN203301212U CN2013203672088U CN201320367208U CN203301212U CN 203301212 U CN203301212 U CN 203301212U CN 2013203672088 U CN2013203672088 U CN 2013203672088U CN 201320367208 U CN201320367208 U CN 201320367208U CN 203301212 U CN203301212 U CN 203301212U
Authority
CN
China
Prior art keywords
power supply
battery pack
circuit
module
power
Prior art date
Legal status (The legal status is an assumption and is not a legal conclusion. Google has not performed a legal analysis and makes no representation as to the accuracy of the status listed.)
Expired - Lifetime
Application number
CN2013203672088U
Other languages
Chinese (zh)
Inventor
黄文坤
卢咸进
朱锦坤
Current Assignee (The listed assignees may be inaccurate. Google has not performed a legal analysis and makes no representation or warranty as to the accuracy of the list.)
Xiamen Zhongxin Electrical Equipment Co Ltd
Original Assignee
Xiamen Zhongxin Electrical Equipment Co Ltd
Priority date (The priority date is an assumption and is not a legal conclusion. Google has not performed a legal analysis and makes no representation as to the accuracy of the date listed.)
Filing date
Publication date
Application filed by Xiamen Zhongxin Electrical Equipment Co Ltd filed Critical Xiamen Zhongxin Electrical Equipment Co Ltd
Priority to CN2013203672088U priority Critical patent/CN203301212U/en
Application granted granted Critical
Publication of CN203301212U publication Critical patent/CN203301212U/en
Anticipated expiration legal-status Critical
Expired - Lifetime legal-status Critical Current

Links

Images

Classifications

    • YGENERAL TAGGING OF NEW TECHNOLOGICAL DEVELOPMENTS; GENERAL TAGGING OF CROSS-SECTIONAL TECHNOLOGIES SPANNING OVER SEVERAL SECTIONS OF THE IPC; TECHNICAL SUBJECTS COVERED BY FORMER USPC CROSS-REFERENCE ART COLLECTIONS [XRACs] AND DIGESTS
    • Y02TECHNOLOGIES OR APPLICATIONS FOR MITIGATION OR ADAPTATION AGAINST CLIMATE CHANGE
    • Y02BCLIMATE CHANGE MITIGATION TECHNOLOGIES RELATED TO BUILDINGS, e.g. HOUSING, HOUSE APPLIANCES OR RELATED END-USER APPLICATIONS
    • Y02B70/00Technologies for an efficient end-user side electric power management and consumption
    • Y02B70/30Systems integrating technologies related to power network operation and communication or information technologies for improving the carbon footprint of the management of residential or tertiary loads, i.e. smart grids as climate change mitigation technology in the buildings sector, including also the last stages of power distribution and the control, monitoring or operating management systems at local level
    • YGENERAL TAGGING OF NEW TECHNOLOGICAL DEVELOPMENTS; GENERAL TAGGING OF CROSS-SECTIONAL TECHNOLOGIES SPANNING OVER SEVERAL SECTIONS OF THE IPC; TECHNICAL SUBJECTS COVERED BY FORMER USPC CROSS-REFERENCE ART COLLECTIONS [XRACs] AND DIGESTS
    • Y04INFORMATION OR COMMUNICATION TECHNOLOGIES HAVING AN IMPACT ON OTHER TECHNOLOGY AREAS
    • Y04SSYSTEMS INTEGRATING TECHNOLOGIES RELATED TO POWER NETWORK OPERATION, COMMUNICATION OR INFORMATION TECHNOLOGIES FOR IMPROVING THE ELECTRICAL POWER GENERATION, TRANSMISSION, DISTRIBUTION, MANAGEMENT OR USAGE, i.e. SMART GRIDS
    • Y04S20/00Management or operation of end-user stationary applications or the last stages of power distribution; Controlling, monitoring or operating thereof
    • Y04S20/20End-user application control systems

Landscapes

  • Charge And Discharge Circuits For Batteries Or The Like (AREA)
  • Stand-By Power Supply Arrangements (AREA)

Abstract

本实用新型公开了一种双重备用节约型直流供电系统,包括至少两个并联的为控制母线供电的第一电源装置、至少两个并联的为合闸母线供电的第二电源装置及连接控制母线和合闸母线的切换开关,所述第一、第二电源装置的输入端分别连接外部交流电源,所述每个第一、第二电源装置分别与一电池组相连,所述电池组采用两节蓄电池。本实用新型在保证了为控制母线和合闸母线可靠供电的前提下,大为节省了蓄电池的使用数量,避免了蓄电池的闲置浪费,节省了成本;而且避免了因单节蓄电池损坏造成的整个蓄电池组无法正常提供直流电源的缺陷。

Figure 201320367208

The utility model discloses a double standby saving direct current power supply system, which comprises at least two parallel first power supply devices for supplying power to the control busbar, at least two parallel second power supply devices for supplying power to the closing busbar and connecting control busbars and the switching switch of the closing busbar, the input ends of the first and second power supply devices are respectively connected to external AC power sources, and each of the first and second power supply devices is respectively connected to a battery pack, and the battery pack adopts two battery. Under the premise of ensuring reliable power supply for the control busbar and the closing busbar, the utility model greatly saves the number of batteries used, avoids idle waste of batteries, and saves costs; moreover, it avoids damage to the entire battery The defect that the group cannot normally provide DC power.

Figure 201320367208

Description

A kind of dual standby economizing type DC power-supply system
Technical field
The utility model relates to a kind of DC power-supply system, specifically a kind of dual standby economizing type DC power-supply system.
Background technology
In the places such as power station, transformer station, often be furnished with the various electric function cabinets such as switch cubicle, power distribution cabinet, relaying protection cabinet, automation control cubicle, it is its power supply that these electric function cabinets all need DC power supply.
Referring to Fig. 1, direct current cabinet is as a kind of equipment that stable dc power supply can be provided, generally have charging module 100 ' and batteries 200 '.When external ac power source was normal, charging module 100 ' alternating current is directly changed into to the 220V direct current directly was the closing bus bar power supply, simultaneously by after voltage dropping silicon chain 300 ' carry out step-down, for control bus, powering; When external ac power source is abnormal, by batteries, be directly the closing bus bar power supply, simultaneously by voltage dropping silicon chain 300 ' carrying out after step-down is that control bus is powered.
Control bus is mainly that these are all the chronicity loads to power supplies such as Microcomputer Protection, indicator light, instrument; And closing bus bar is mainly to energy storage motor (about operating time 20S), divide-shut brake coil power supply (operating time number millisecond), these be all in short-term, momentary load, and be all have under failure condition just in harness.
Due to the needed number of batteries of batteries according to load input voltage classification, and the input voltage of load request is generally higher, the storage battery quantity that needs accordingly is many, be inconvenient to detect maintenance, be easy to because the charging imbalance causes single battery to damage, and then cause whole batteries that DC power supply can't normally be provided.
The utility model content
The purpose of this utility model is to provide a kind of dual standby economizing type DC power-supply system, and it has saved the usage quantity of storage battery, has effectively guaranteed the reliability of power supply simultaneously, has avoided the scene of the accident of causing because of power failure paralysis.
For achieving the above object, the utility model is by the following technical solutions:
A kind of dual standby economizing type DC power-supply system, the diverter switch that comprises second source device and connection control bus and the closing bus bar for the closing bus bar power supply of first supply unit for the control bus power supply of at least two parallel connections, at least two parallel connections, the input of described first, second supply unit connects respectively external ac power source, described each first, second supply unit is connected with a battery pack respectively, and described battery pack adopts two joint storage batterys.
preferably, described the first supply unit and described second source device include rectification module, pfc circuit, voltage reduction module, charging circuit, boost module, zero commutation circuit and DSP control unit, rectification module becomes high direct voltage by AC voltage conversion, and be transported to the input of pfc circuit, the output of pfc circuit connects the input of voltage reduction module, the output of voltage reduction module connects control bus or closing bus bar, the input of charging circuit connects the output of voltage reduction module, the output of charging circuit connects described battery pack, the input of boost module is connected with described battery pack, the output of boost module connects the input of zero commutation circuit, the output of zero commutation circuit connects control bus or closing bus bar, the DSP control unit is controlled respectively pfc circuit, voltage reduction module, charging circuit, boost module and zero commutation circuit work.
Preferably, the quantity of described first, second supply unit is 2.
Preferably, the quantity of described the first supply unit is 3.
Preferably, the battery capacity that is connected with described the first supply unit is larger than the battery capacity that is connected with described second source device.
Preferably, described diverter switch adopts circuit breaker open in usual or electronic switch.
After adopting technique scheme, the utility model is compared with background technology, has following advantage:
1, the utility model, under the prerequisite that has guaranteed as control bus and closing bus bar reliable power supply, has greatly been saved the usage quantity of storage battery, has avoided the idle waste of storage battery, provides cost savings; And avoided the whole batteries that causes because of the single-unit battery damage that the defect of DC power supply can't normally be provided.
2, configuration quantity and the selection battery parameter of storage battery can be set according to actual needs flexibly, and the market range of application is wider.
3, adopting many power supplys parallel operation mode is control bus or closing bus bar power supply, the first supply unit that namely adopts at least two parallel connections is that the second source device of control bus power supply, i.e. at least two parallel connections of employing is the closing bus bar power supply, effectively guaranteed the reliability of power supply, maintenance detects also more convenient.
4, by setting up diverter switch, can realize the first supply unit and second source device standby (dual standby) each other, further improved the reliability of power supply, also improved the utilance of storage battery simultaneously.
5, after the external ac power source outage, second source device and the first supply unit all can be control bus DC UPS are provided, and have extended effective power-on time, have avoided the scene of the accident paralysis that causes because of the control bus outage.
The accompanying drawing explanation
Fig. 1 is existing direct current cabinet structural representation;
Fig. 2 is structural representation of the present utility model;
Fig. 3 is the structural representation of the utility model the first supply unit or second source device.
Embodiment
In order to make the purpose of this utility model, technical scheme and advantage clearer, below in conjunction with drawings and Examples, the utility model is further elaborated.Should be appreciated that specific embodiment described herein is only in order to explain the utility model, and be not used in restriction the utility model.
Embodiment
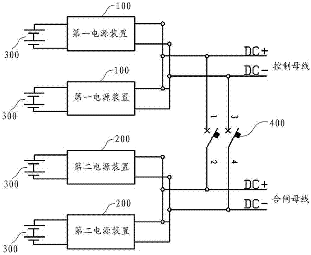
Refer to Fig. 2, a kind of dual standby economizing type DC power-supply system, it comprises the first supply unit 100 of at least two parallel connections, second source device 200 and the diverter switch 400 of at least two parallel connections, wherein:
The first supply unit 100 inputs connect external ac power source, and its output is connected with control bus; The input of second source device 200 connects external ac power source, and its output is connected with closing bus bar; The first supply unit 100 is connected respectively a battery pack 300 with second source device 200, when external ac power source is cut off the power supply, by battery pack 300, provides energy to realize uninterrupted power supply, and battery pack 300 adopts two joint storage batterys.
Because control bus and closing bus bar adopt the separately mode of power supply, the user can select the quantity of the first supply unit 100 and second source device 200 according to actual needs flexibly, as the user, can configure 2 the first supply units and 2 second source devices according to actual conditions, and for example the user can configure 3 the first supply units (strengthening the reliability for the control bus power supply) and 2 second source devices according to actual conditions.The quantity of the first supply unit 100 and second source device 200 is 2 in the present embodiment.
In addition, the user also can be according to the different power demands of control bus and closing bus bar, adjust flexibly the capacity of battery pack 300, while due to outside, cutting off the power supply, the electric energy that consumes on control bus is more than the electric energy that consumes on closing bus bar, therefore the user can select the battery pack 300 of different capabilities to be respectively control bus and closing bus bar provides back-up source.That is, the user can select the capacity of the battery pack 300 that the Capacity Ratio of the battery pack 300 that is connected with the first supply unit 100 is connected with the second source device large.
Two terminals of diverter switch 400 connect respectively control bus and closing bus bar, by the switching of diverter switch 400, move and can realize the standby each other of the first supply unit 100 and second source device 200.Diverter switch 400 can adopt circuit breaker open in usual or electronic switch, and its switching mode can adopt automatic switchover, can be also manual switchover.When the input voltage of control bus during lower than set point or no-voltage input, diverter switch 400 actions, control bus and closing bus bar conducting, for the second source device 200 of closing bus bar power supply is powered to control bus, same, when the input voltage of closing bus bar is abnormal, by the switching action of diverter switch 400, for the first supply unit 100 of control bus power supply is powered to closing bus bar.
It will be understood by those skilled in the art that at power domains such as transformer station, power stations, control bus connects the regular loads such as protective relaying device, control of intelligent terminal, indicator light, and closing bus bar connects the impact loads such as energy storage motor, divide-shut brake coil.
referring to Fig. 3, the first supply unit 100 and second source device 200 include rectification module 110, pfc circuit 120, voltage reduction module 130, charging circuit 140, boost module 150, zero commutation circuit 160 and DSP control unit 170, rectification module 110 becomes high direct voltage by AC voltage conversion, and be transported to the input of pfc circuit 120, the output of pfc circuit 120 connects the input of voltage reduction module 130, the output of voltage reduction module 130 connects control bus or closing bus bar, the input of charging circuit 140 connects the output of voltage reduction module 130, the output of charging circuit 140 connects battery pack 300, the input of boost module 150 is connected with battery pack 300, the output of boost module 150 connects the input of zero commutation circuit 160, the output of zero commutation circuit 160 connects control bus or closing bus bar, DSP control unit 170 is controlled respectively pfc circuit 120, voltage reduction module 130, charging circuit 140, boost module 150 and zero commutation circuit 160 work.It should be noted that, the first supply unit 100 or second source device 200 also can adopt the circuit structure of existing disclosed other DC UPSs, do not repeat them here.
During work, two the first supply unit 100 parallel connections, output DC is regular load supplying to control bus simultaneously, two second source device 200 parallel connections, output DC is also the impact load supplying to closing bus bar simultaneously, even certain first supply unit 100 or second source device 200 break down, still can guarantee as control bus or closing bus bar continued power, thereby greatly improve the reliability of power supply.
When two the first supply units 100 break down can not power for control bus the time simultaneously, diverter switch 400 actions, by second source device 200, be the control bus power supply, in like manner, when two second source devices 200 break down can not power for closing bus bar the time, also can be the closing bus bar power supply by the first supply unit 100, thereby realized the standby each other of the first supply unit 100 and second source device 200, further improve the reliability of power supply, also improved the utilance of battery pack 300 simultaneously.
Because the first supply unit 100 and second source device 200 can be standby each other, after the external ac power source outage, second source device 200 and the first supply unit 100 all can be control bus provides DC UPS, extend power-on time, avoided the scene of the accident paralysis that causes because of the control bus outage.
The above; it is only preferably embodiment of the utility model; but protection range of the present utility model is not limited to this; anyly be familiar with those skilled in the art in the technical scope that the utility model discloses; the variation that can expect easily or replacement, within all should being encompassed in protection range of the present utility model.Therefore, protection range of the present utility model should be as the criterion with the protection range of claim.

Claims (6)

1.一种双重备用节约型直流供电系统,其特征在于:包括至少两个并联的为控制母线供电的第一电源装置、至少两个并联的为合闸母线供电的第二电源装置及连接控制母线和合闸母线的切换开关,所述第一、第二电源装置的输入端分别连接外部交流电源,所述每个第一、第二电源装置分别与一电池组相连,所述电池组采用两节蓄电池。 1. A double backup saving type DC power supply system is characterized in that: it includes at least two parallel first power supply devices for the control bus, at least two parallel second power supply devices for the closing bus and connection control The switching switch of the busbar and the closing busbar, the input ends of the first and second power supply devices are respectively connected to the external AC power supply, and each of the first and second power supply devices is respectively connected to a battery pack, and the battery pack adopts two saving battery. 2.如权利要求1所述的一种双重备用节约型直流供电系统,其特征在于:所述第一电源装置和所述第二电源装置均包括整流模块、PFC电路、降压模块、充电电路、升压模块、零切换电路及DSP控制单元,整流模块将交流电压变换成直流高压,并输送到PFC电路的输入端,PFC电路的输出端连接降压模块的输入端,降压模块的输出端连接控制母线或合闸母线,充电电路的输入端连接降压模块的输出端,充电电路的输出端连接所述电池组,升压模块的输入端与所述电池组相连,升压模块的输出端连接零切换电路的输入端,零切换电路的输出端连接控制母线或合闸母线,DSP控制单元分别控制PFC电路、降压模块、充电电路、升压模块及零切换电路工作。 2. A kind of double backup saving type direct current power supply system as claimed in claim 1, is characterized in that: described first power supply unit and described second power supply unit both comprise rectification module, PFC circuit, step-down module, charging circuit , boost module, zero-switching circuit and DSP control unit, the rectifier module converts the AC voltage into DC high voltage, and sends it to the input terminal of the PFC circuit, the output terminal of the PFC circuit is connected to the input terminal of the step-down module, and the output of the step-down module The input end of the charging circuit is connected to the output end of the step-down module, the output end of the charging circuit is connected to the battery pack, the input end of the boost module is connected to the battery pack, and the input end of the boost module is connected to the battery pack. The output terminal is connected to the input terminal of the zero-switching circuit, the output terminal of the zero-switching circuit is connected to the control bus or the closing bus, and the DSP control unit controls the operation of the PFC circuit, the step-down module, the charging circuit, the boost module and the zero-switching circuit respectively. 3.如权利要求2所述的一种双重备用节约型直流供电系统,其特征在于:所述第一、第二电源装置的数量均为2个。 3. A double backup saving DC power supply system as claimed in claim 2, characterized in that: the number of the first and second power supply devices is two. 4.如权利要求2所述的一种双重备用节约型直流供电系统,其特征在于:所述第一电源装置的数量为3个。 4. A double backup saving DC power supply system according to claim 2, characterized in that: the number of said first power supply devices is three. 5.如权利要求2所述的一种双重备用节约型直流供电系统,其特征在于:与所述第一电源装置相连的电池组容量比与所述第二电源装置相连的电池组容量大。 5. A dual-backup saving DC power supply system according to claim 2, characterized in that: the capacity of the battery pack connected to the first power supply device is larger than the capacity of the battery pack connected to the second power supply device. 6.如权利要求1所述的一种双重备用节约型直流供电系统,其特征在于:所述切换开关采用常开式断路器或电子开关。 6. A double backup saving DC power supply system according to claim 1, characterized in that: said switching switch adopts a normally open circuit breaker or an electronic switch.
CN2013203672088U 2013-06-25 2013-06-25 Dual standby saving type DC power supply system Expired - Lifetime CN203301212U (en)

Priority Applications (1)

Application Number Priority Date Filing Date Title
CN2013203672088U CN203301212U (en) 2013-06-25 2013-06-25 Dual standby saving type DC power supply system

Applications Claiming Priority (1)

Application Number Priority Date Filing Date Title
CN2013203672088U CN203301212U (en) 2013-06-25 2013-06-25 Dual standby saving type DC power supply system

Publications (1)

Publication Number Publication Date
CN203301212U true CN203301212U (en) 2013-11-20

Family

ID=49577195

Family Applications (1)

Application Number Title Priority Date Filing Date
CN2013203672088U Expired - Lifetime CN203301212U (en) 2013-06-25 2013-06-25 Dual standby saving type DC power supply system

Country Status (1)

Country Link
CN (1) CN203301212U (en)

Cited By (3)

* Cited by examiner, † Cited by third party
Publication number Priority date Publication date Assignee Title
CN103296738A (en) * 2013-06-25 2013-09-11 厦门众芯电气设备有限公司 Dual standby saving type direct current power supply system
CN104578364A (en) * 2014-12-26 2015-04-29 江苏省电力设计院 DC (direct current) backup power supply for power distribution station
CN109494852A (en) * 2018-12-27 2019-03-19 中科开创(广州)智能科技发展有限公司 A kind of remote charge/discharge system

Cited By (3)

* Cited by examiner, † Cited by third party
Publication number Priority date Publication date Assignee Title
CN103296738A (en) * 2013-06-25 2013-09-11 厦门众芯电气设备有限公司 Dual standby saving type direct current power supply system
CN104578364A (en) * 2014-12-26 2015-04-29 江苏省电力设计院 DC (direct current) backup power supply for power distribution station
CN109494852A (en) * 2018-12-27 2019-03-19 中科开创(广州)智能科技发展有限公司 A kind of remote charge/discharge system

Similar Documents

Publication Publication Date Title
CN103296738A (en) Dual standby saving type direct current power supply system
CN201789329U (en) Uninterruptible AC and DC power supply system
CN103051042A (en) Direct current uninterruptible power supply
CN102468682A (en) High voltage direct current power supply system for both alternating current purpose and direct current purpose
CN202276284U (en) Electric power-used AC/DC integrated power supply device
CN202424295U (en) Inverter power supply and power supply system applying same
CN104333111A (en) DC uninterruptible power system and device thereof
CN101710728A (en) Method and device for supplying power to chassis equipment of communication machine room
CN103036304B (en) Alternating current power supply system for substation
CN202034819U (en) Uninterruptible power supply system based on fuel cell
CN203301212U (en) Dual standby saving type DC power supply system
CN118158932A (en) Power supply architecture and complete machine cabinet server
CN201113483Y (en) Inverter backup power supply system
CN116760165A (en) Uninterruptible power supply system
CN202455149U (en) Power supply system for supplying electronic equipment and frame power supply
CN2930061Y (en) UPS for industrial driving
CN106026207A (en) Power supply system
CN103368249B (en) The system and method that a kind of uninterrupted power supply is powered
CN102214918A (en) High-reliability power supply system, method and frequency converter system
CN201887534U (en) Uninterruptible multichannel AC-input power supply
CN205791774U (en) High efficiency uninterrupted power supply(ups)
CN110932333A (en) Power distribution system
CN103176577A (en) Power supply system for device
CN207719889U (en) A kind of pair of transformation on-Line UPS and its circuit
CN206323207U (en) Utilize photovoltaic charged distribution box cabinet uninterrupted power source

Legal Events

Date Code Title Description
C14 Grant of patent or utility model
GR01 Patent grant
CX01 Expiry of patent term
CX01 Expiry of patent term

Granted publication date: 20131120