CN203269197U - Roller frame device for hose unwrapping machine - Google Patents
Roller frame device for hose unwrapping machine Download PDFInfo
- Publication number
- CN203269197U CN203269197U CN 201320016008 CN201320016008U CN203269197U CN 203269197 U CN203269197 U CN 203269197U CN 201320016008 CN201320016008 CN 201320016008 CN 201320016008 U CN201320016008 U CN 201320016008U CN 203269197 U CN203269197 U CN 203269197U
- Authority
- CN
- China
- Prior art keywords
- centre
- front top
- roller
- screw rod
- inner sleeve
- Prior art date
- Legal status (The legal status is an assumption and is not a legal conclusion. Google has not performed a legal analysis and makes no representation as to the accuracy of the status listed.)
- Expired - Lifetime
Links
- 239000004744 fabric Substances 0.000 claims description 17
- XLYOFNOQVPJJNP-UHFFFAOYSA-N water Substances O XLYOFNOQVPJJNP-UHFFFAOYSA-N 0.000 claims description 16
- 238000003466 welding Methods 0.000 claims description 3
- 238000004519 manufacturing process Methods 0.000 abstract description 4
- 238000005096 rolling process Methods 0.000 abstract 1
- 230000008901 benefit Effects 0.000 description 2
- 230000007812 deficiency Effects 0.000 description 1
- 238000000034 method Methods 0.000 description 1
- 238000002360 preparation method Methods 0.000 description 1
- 230000009466 transformation Effects 0.000 description 1
Images
Landscapes
- Treatment Of Fiber Materials (AREA)
Abstract
The utility model relates to a roller frame device for a hose unwrapping machine. The roller frame device comprises a bracket, a roller, a rolling bearing, a plane bearing, a hand wheel, a handle and a screw. The roller frame device is characterized by further comprising a front centre and a rear centre, wherein the roller is fixed by the front centre and the rear centre; the front centre and the rear centre respectively comprise a cone top and a cylinder part; a cone angle of the cone top is 60 degrees; a front centre inner sleeve and a front centre outer sleeve are also arranged at the cylinder part of the front centre; and a rear centre sleeve is also arranged at the cylinder part of the rear centre. The roller frame device for the hose unwrapping machine is of a centre type; the position of the roller is fixed by the front centre and the rear centre; the bearing drives the roller to rotate with a smaller applied traction force and a smaller friction force to a belt, so that the consumption of energy sources is greatly reduced and the cost is reduced; on the other hand, the roller frame drives the roller to rotate, so that the production efficiency is greatly improved; and in addition, the roller frame device is not harsh in mounting conditions, is simple and convenient in operation and is very easy to popularize and use.
Description
Technical field
The utility model belongs to the making apparatus field of hydraulic hose, is specifically related to a kind of roller shelves device of separating water cloth machine.
Background technology
Common solution water cloth machine cylinder device is directly to be placed on seat in the market, is pulled by artificial or traction machine.Work efficiency is lower, and energy resource consumption is large, and the belt of separating on water cloth machine damages comparatively fast, and productive costs is larger, and is difficult to realize large-scale High-efficient Production.
Summary of the invention
The purpose of this utility model is, a kind of Novel rotary drum rack device reasonable in design is provided, and to overcome the deficiencies in the prior art, solves the problem that on water cloth machine, belt very easily damages, and then improves the operating efficiency of preparation hydraulic hose.
The utility model is to be achieved through the following technical solutions:
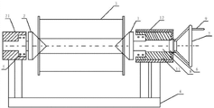
A kind of roller shelves device of separating water cloth machine, comprise support, cylinder, antifriction-bearing box, surface bearing, handwheel, handle and screw rod, described roller shelves device also comprises front top and back centre, the front top bearing arrangement that is connected with back centre is connected with cylinder, and described front top and back centre includes cone top and barrel portion, and the coning angle at described cone top is 60 degree, and described front barrel portion in top also is provided with front top inner sleeve, front top outer sleeve; The barrel portion of described back centre also is provided with the back centre sleeve.
The roller shelves device of described solution water cloth machine is top formula, by the front top and top part of cone back centre, cylinder position is fixed.
Described front top inner sleeve is provided with nut and screw rod, reaches described nut and is located at front top inner sleeve front end, and be enclosed within on screw rod; Described screw rod, with the handwheel welding and is fixed on front top outer sleeve by surface bearing and flange through front top inner sleeve axial centre.
Described surface bearing is stuck on described screw rod, and is fixed on front top outer sleeve by flange.
Described handle is connected with screw rod, and screw rod coordinates with nut, by the handle rotating screw bolt, front top inner sleeve is released, and the length that before adjusting, top inner sleeve stretches out is until front top cone top chucking cylinder and fixing.
Described back centre is fixedly mounted on support, drives antifriction-bearing box and cylinder rotation by traction machine.
Adopt technique scheme of the present utility model, following advantage arranged: on the one hand, due to front top and back centre cylinder is fixing after, rotate by bearing, required tractive force is less, and is less to the friction force of belt on traction machine, extended belt service life, reduced energy resource consumption, reduced costs; On the other hand, roller shelves provided by the utility model drives cylinder and rotates, and production efficiency significantly improves than prior art, has good economic benefit, and mounting condition is not harsh, easy and simple to handle, and is lower to the requirement of operating personal, very easily promotes the use of.
Description of drawings
Accompanying drawing 1 is a kind of structural representation of separating the roller shelves device of water cloth machine described in the utility model;
In Fig. 1,1 is front top, 2 back centres, 3 cylinders, 4 supports, 5 antifriction-bearing boxs, 6 surface bearings, 7 handwheels, 8 screw rods, 9 handles, 11 front top inner sleeves, 12 front top outer sleeves, 21 back centre sleeves.
The specific embodiment
Further explain embodiment of the present utility model below in conjunction with the drawings and specific embodiments:
As shown in Figure 1, nut is located at front top inner sleeve front end, is enclosed within on screw rod 8; Screw rod 8 is through front top inner sleeve 11 centers, after handle 9 welding, again fixing by surface bearing 6 and flange; Surface bearing 6 is stuck on screw rod 8, and is fixed on front top outer sleeve 12 by flange.
After support 4 is fixing, back centre 2 is fixedly mounted on support, with boat hang be loaded with product (as, hydraulic hose) cylinder 3 is suspended from above roller shelves provided by the utility model, with front top 1 and back centre 2 align vertically, rotate handwheel 7 and by screw rod 8, front top inner sleeve 11 is released suitable length, until front top cone part is fixed cylinder; Then with pin, front top inner sleeve 11 is fixedly secured with outer sleeve 12, start the traction machine that drives solution water cloth machine, drive antifriction-bearing box 5 and cylinder 3 rotations by traction machine.Owing to being provided with surface bearing, reaching and lower the required tractive force of rotation.
Above-described embodiment has significantly reduced artificial and energy cost.Adopt and original an existing solution water cloth machine cylinder common week of device need to change two belts, adopting works after device provided by the utility model just need change one in 2-3 month, only about producing the cost 87-92% of required belt; Originally need manpower or driver stage head roll to rotate, and after now front top and back centre is fixed cylinder, rotate by bearing, tractive force is less, and is less to the friction force of belt on traction machine, when required energy cost significantly reduces, production efficiency is improved, originally every solution cloth machine is per hour separated 500 meters, per hour can separate 600 meters now, and the efficient raising reaches 20%.
The utility model is not to be confined to above-described embodiment; in addition to the implementation; the present invention can also have other embodiment, all employings inventive concept disclosed in this invention, is equal to and replaces or the technical scheme of equivalent transformation, all drops in the protection domain of the utility model requirement.
Claims (6)
1. roller shelves device of separating water cloth machine, comprise support (4), cylinder (3), antifriction-bearing box (5), surface bearing (4), handwheel (7), handle (9) and screw rod (8), it is characterized in that, described roller shelves device also comprises front top (1) and back centre (2), front top (1) is connected bearing arrangement and is connected with cylinder with back centre, and described front top (1) and back centre include cone top and barrel portion, and the coning angle at described cone top is 60 degree, and
Barrel portion in described front top (1) also is provided with front top inner sleeve (11), front top outer sleeve (12);
The barrel portion of described back centre also is provided with back centre sleeve (21).
According to claim 1 described in a kind of roller shelves device of separating water cloth machine, it is characterized in that, described roller shelves device is top formula, the top part of cone by front top (1) and back centre (2) is fixed cylinder (3) position.
According to claim 1 described in a kind of roller shelves device of separating water cloth machine, it is characterized in that, described front top inner sleeve (11) locates to be provided with nut and screw rod (8), and
Described nut is located at front top inner sleeve front end, and is enclosed within on screw rod (8);
Described screw rod (8), with handwheel (7) welding and is fixed on front top outer sleeve (12) by surface bearing (4) and flange through the axial centre of front top inner sleeve (11).
According to claim 1 described in a kind of roller shelves device of separating water cloth machine, it is characterized in that, described surface bearing (4) is stuck on described screw rod (8), and is fixed on front top outer sleeve (12) by flange.
According to claim 1 described in a kind of roller shelves device of separating water cloth machine, it is characterized in that, described handle (9) is connected with screw rod (8), screw rod (8) coordinates with nut, by handle (9) rotating screw bolt (8), front top inner sleeve (11) is released, and the length that before adjusting, top inner sleeve (11) stretches out is until front top cone top chucking cylinder and fixing.
According to claim 1 described in a kind of roller shelves device of separating water cloth machine, it is characterized in that, described back centre (2) is fixedly mounted on support (4).
Priority Applications (1)
| Application Number | Priority Date | Filing Date | Title |
|---|---|---|---|
| CN 201320016008 CN203269197U (en) | 2013-01-14 | 2013-01-14 | Roller frame device for hose unwrapping machine |
Applications Claiming Priority (1)
| Application Number | Priority Date | Filing Date | Title |
|---|---|---|---|
| CN 201320016008 CN203269197U (en) | 2013-01-14 | 2013-01-14 | Roller frame device for hose unwrapping machine |
Publications (1)
| Publication Number | Publication Date |
|---|---|
| CN203269197U true CN203269197U (en) | 2013-11-06 |
Family
ID=49499650
Family Applications (1)
| Application Number | Title | Priority Date | Filing Date |
|---|---|---|---|
| CN 201320016008 Expired - Lifetime CN203269197U (en) | 2013-01-14 | 2013-01-14 | Roller frame device for hose unwrapping machine |
Country Status (1)
| Country | Link |
|---|---|
| CN (1) | CN203269197U (en) |
Cited By (2)
| Publication number | Priority date | Publication date | Assignee | Title |
|---|---|---|---|---|
| CN104355177A (en) * | 2014-11-03 | 2015-02-18 | 安徽天元电缆有限公司 | Cable drum rack |
| CN105398878A (en) * | 2015-11-26 | 2016-03-16 | 徐工集团工程机械股份有限公司 | Steel wire rope winding machine |
-
2013
- 2013-01-14 CN CN 201320016008 patent/CN203269197U/en not_active Expired - Lifetime
Cited By (2)
| Publication number | Priority date | Publication date | Assignee | Title |
|---|---|---|---|---|
| CN104355177A (en) * | 2014-11-03 | 2015-02-18 | 安徽天元电缆有限公司 | Cable drum rack |
| CN105398878A (en) * | 2015-11-26 | 2016-03-16 | 徐工集团工程机械股份有限公司 | Steel wire rope winding machine |
Similar Documents
| Publication | Publication Date | Title |
|---|---|---|
| CN202670581U (en) | Novel welded pipe conveying device | |
| CN203541945U (en) | Internal welding machine bracket for pipeline | |
| CN203269197U (en) | Roller frame device for hose unwrapping machine | |
| CN204689189U (en) | The automatic take-off device of a kind of batching | |
| CN202966639U (en) | Pulping machine fixing frame with rotating adjusting device | |
| CN208197793U (en) | The flexo unit driving mechanism of single servo-drive | |
| CN202684291U (en) | Automatic welding machine for connection of steel pipe and plugs | |
| CN201664840U (en) | A rolling crankshaft fillet fast clamping bracket | |
| CN202322261U (en) | Auxiliary hoisting device for coil material | |
| CN202309427U (en) | motor bearing dismounting device | |
| CN105415131B (en) | A kind of regular polygon steel plate facing attachment | |
| CN201501682U (en) | Doffing device | |
| CN205739613U (en) | Saw blade rolling frame press-roller device | |
| CN205709250U (en) | Drum detachable cable draw off gear | |
| CN204205526U (en) | A kind of geothermal well submersible pump cable coil holder | |
| CN204123355U (en) | The provision for disengagement of stub pressure | |
| CN204137933U (en) | For the bont of automatic lowering machine | |
| CN202387299U (en) | Cover plate connecting device of filter | |
| CN203830422U (en) | Pipe mill connecting shaft positioning bracket | |
| CN203959425U (en) | A kind of paper collecting machine | |
| CN204675669U (en) | A kind of rotating arm crane with clump weight | |
| CN203592023U (en) | Automatic press straightening device for steel pipe | |
| CN205934569U (en) | Cylinder type nets tensioning ware futilely | |
| CN202984211U (en) | Slag removal device of inner wall of steel tube | |
| CN204366921U (en) | Diesel-engine body electric vertical tipper |
Legal Events
| Date | Code | Title | Description |
|---|---|---|---|
| C14 | Grant of patent or utility model | ||
| GR01 | Patent grant | ||
| C56 | Change in the name or address of the patentee | ||
| CP01 | Change in the name or title of a patent holder |
Address after: The Eastern Red Road East 462000 Luohe City Economic Development Zone in Henan Province Patentee after: HENAN HUVLONE HYDRAULIC TECHNOLOGY Co.,Ltd. Address before: The Eastern Red Road East 462000 Luohe City Economic Development Zone in Henan Province Patentee before: LUOHE CITY HUILONG HYDRAULIC RUBBER HOSE Co.,Ltd. |
|
| CX01 | Expiry of patent term |
Granted publication date: 20131106 |
|
| CX01 | Expiry of patent term |