CN203257795U - Oil pressure test stand of energy accumulator - Google Patents
Oil pressure test stand of energy accumulator Download PDFInfo
- Publication number
- CN203257795U CN203257795U CN2013202446018U CN201320244601U CN203257795U CN 203257795 U CN203257795 U CN 203257795U CN 2013202446018 U CN2013202446018 U CN 2013202446018U CN 201320244601 U CN201320244601 U CN 201320244601U CN 203257795 U CN203257795 U CN 203257795U
- Authority
- CN
- China
- Prior art keywords
- valve
- pressure
- high pressure
- check valve
- branch road
- Prior art date
- Legal status (The legal status is an assumption and is not a legal conclusion. Google has not performed a legal analysis and makes no representation as to the accuracy of the status listed.)
- Withdrawn - After Issue
Links
- 238000012360 testing method Methods 0.000 title claims abstract description 24
- 239000000446 fuel Substances 0.000 claims description 13
- 230000008901 benefit Effects 0.000 abstract description 3
- 238000004519 manufacturing process Methods 0.000 abstract description 3
- 230000003068 static effect Effects 0.000 abstract description 2
- 239000003921 oil Substances 0.000 description 67
- 230000005611 electricity Effects 0.000 description 10
- 238000013461 design Methods 0.000 description 5
- 230000000694 effects Effects 0.000 description 4
- 239000012530 fluid Substances 0.000 description 4
- 238000009825 accumulation Methods 0.000 description 2
- 238000000034 method Methods 0.000 description 2
- 230000000737 periodic effect Effects 0.000 description 2
- 238000007789 sealing Methods 0.000 description 2
- 230000009471 action Effects 0.000 description 1
- 230000009286 beneficial effect Effects 0.000 description 1
- 230000006835 compression Effects 0.000 description 1
- 238000007906 compression Methods 0.000 description 1
- 230000001276 controlling effect Effects 0.000 description 1
- 230000007812 deficiency Effects 0.000 description 1
- 230000002950 deficient Effects 0.000 description 1
- 238000010586 diagram Methods 0.000 description 1
- 230000009977 dual effect Effects 0.000 description 1
- 238000004134 energy conservation Methods 0.000 description 1
- 238000002474 experimental method Methods 0.000 description 1
- 239000010720 hydraulic oil Substances 0.000 description 1
- 238000012423 maintenance Methods 0.000 description 1
- 238000012856 packing Methods 0.000 description 1
- 230000008569 process Effects 0.000 description 1
- 230000009467 reduction Effects 0.000 description 1
- 230000001105 regulatory effect Effects 0.000 description 1
- 230000035939 shock Effects 0.000 description 1
- 230000009897 systematic effect Effects 0.000 description 1
- 230000003245 working effect Effects 0.000 description 1
Images
Classifications
-
- Y—GENERAL TAGGING OF NEW TECHNOLOGICAL DEVELOPMENTS; GENERAL TAGGING OF CROSS-SECTIONAL TECHNOLOGIES SPANNING OVER SEVERAL SECTIONS OF THE IPC; TECHNICAL SUBJECTS COVERED BY FORMER USPC CROSS-REFERENCE ART COLLECTIONS [XRACs] AND DIGESTS
- Y02—TECHNOLOGIES OR APPLICATIONS FOR MITIGATION OR ADAPTATION AGAINST CLIMATE CHANGE
- Y02P—CLIMATE CHANGE MITIGATION TECHNOLOGIES IN THE PRODUCTION OR PROCESSING OF GOODS
- Y02P80/00—Climate change mitigation technologies for sector-wide applications
- Y02P80/10—Efficient use of energy, e.g. using compressed air or pressurized fluid as energy carrier
Landscapes
- Fluid-Pressure Circuits (AREA)
Abstract
The utility model relates to an oil pressure test stand of an energy accumulator. The oil pressure test stand comprises a hydraulic system composed of a power source branch, a control system branch, an actuating system branch, an oil return system branch and an energy-saving control branch. The power source branch is connected with the actuating system branch through a first oil way, connected with the control system branch through a second oil way and connected with an oil return system through a third oil way. The control system branch is connected with the actuating system branch through a fourth oil way and connected with the energy-saving control branch through a fifth oil way. The energy-saving control branch is connected with the actuating system branch through a sixth oil way. The actuating system branch is connected with the oil return system through a seventh oil way. The oil return system branch is connected with an oil storage tank. According to the oil pressure test stand of the energy accumulator, by means of the characteristics of the energy accumulator, and the efficient and energy-saving hydraulic system is manufactured; the efficient and energy-saving product, namely the energy accumulator, is made better use of in the hydraulic field. The oil pressure test stand of the energy accumulator has the advantages of being low in manufacturing cost, reliable in operation, good in dynamic and static performance and the like.
Description
Technical field
The utility model relates to accumulator, particularly a kind of accumulator oil test platform.
Background technique
Accumulator is as the important accessory in the hydraulic system, and system normally moves to assurance, improves its dynamic quality, maintenance working stability, prolongation operating life, reduction noise etc. and plays an important role.In various energy accumulator types, the gas type accumulator is the most common type, and it utilizes the compressibility principle of the incompressibility of hydraulic oil and gas to realize in a certain time interval savings and storage to energy.For satisfying the safe and practical property of customer requirement and product, to improve the quality of products, the complete machine check before accumulator dispatches from the factory is with essential.Along with the expansion of corporate business and the requirement of product mass production, external client is also more and more, and original power is little, and fault is many, each unit test, and the hydraulic system of not pressurize can not satisfy the present situation requirement.For the more effective hydraulic system that works in of check accumulator, must move and experiments of sealing performance to accumulator, but often the test pressure of customer requirement accumulator to be higher, the sealing time is longer, and this just has higher requirement to the oil test platform.
Summary of the invention
In view of defective and deficiency that above-mentioned prior art exists, the utility model provides a kind of accumulator oil test platform.The characteristic that the design takes full advantage of accumulator realizes the energy-conservation of hydraulic system, the ingenious accumulation of energy principle of having utilized accumulator, in the situation of two branch road asynchronous workings, action by Solenoid ball valve control Pilot operated check valve between branch road realizes the compensation of fluid between two work branch, thereby realizes the purpose of energy saving of system.
The technological scheme that the utility model is taked for achieving the above object is: a kind of accumulator oil test platform, comprise hydraulic system, it is characterized in that: described hydraulic system comprises power source branch road, control system branch road, executive system branch road, oil return system branch road and Energy Saving Control branch road, wherein: described power source branch road is connected with the executive system branch road by the first oil circuit, be connected with the control system branch road by the second oil circuit, be connected with oil return system by the 3rd oil circuit; The control system branch road is connected with the executive system branch road by the 4th oil circuit, is connected with the Energy Saving Control branch road by the 5th oil circuit; The Energy Saving Control branch road is connected with the executive system branch road by the 6th oil circuit; The executive system branch road is connected with oil return system by the 7th oil circuit; The oil return system branch road is connected to fuel reserve tank.
Characteristics of the present utility model and the beneficial effect that produces are: designed use to the oil circuit control accumulator by the control system branch road 1., both stablized control system branch road pressure, also saved a cover low tension pump, not only improve systematic function, also saved element cost and power consumption.2. by the design of executive system branch road to four branch roads, realized adopting between each branch road of system the mode of operation of flexibility and reliability, avoided thus having influence on because of the system branch fault situation of other branch road work, and be implemented under system's packing state the control branch road separately with the fuel reserve tank connection, thereby avoided system's not pressurize of Pilot operated check valve problem of causing because of oil circuit control back pressure phenomenon.3. because the design of Energy Saving Control branch road, make system under energy saver mode, reduce the impact that accumulator causes system element and return line in moment release of pressure process, and improved to a certain extent the operating life of system.4. utilize the accumulator self-characteristic to manufacture and design energy-efficient hydraulic system, further improved Hydraulic Industry taking full advantage of energy-efficient product-accumulator.It is low that this accumulator oil test platform has the cost cost, reliable operation and the dynamic and static characteristics such as functional.
Description of drawings
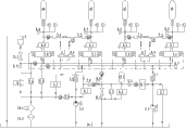
Fig. 1 is that hydraulic system of the present utility model connects block diagram;
Fig. 2 is hydraulic system principle figure of the present utility model.
Embodiment
The utility model is described in further detail below in conjunction with accompanying drawing: see figures.1.and.2, accumulator oil test platform comprises hydraulic system, hydraulic system comprises power source branch road, control system branch road, executive system branch road, oil return system branch road and Energy Saving Control branch road, wherein: the power source branch road is connected with the executive system branch road by the first oil circuit L1, be connected with the control system branch road by the second oil circuit L2, be connected with oil return system by the 3rd oil circuit L3; The control system branch road is connected with the executive system branch road by the 4th oil circuit L4, is connected with the Energy Saving Control branch road by the 5th oil circuit L5; The Energy Saving Control branch road is connected with the executive system branch road by the 6th oil circuit L6; The executive system branch road is connected with oil return system by the 7th oil circuit L7; The oil return system branch road is connected to fuel reserve tank 14.1.
The power source branch road of hydraulic system comprises that high-pressure service pump 1.1, high-capacity pump 1.2, the first high pressure tubular one-way valve 3.1, the second high pressure tubular one-way valve 3.2, high-capacity pump often leave electromagnetic relief valve 2.1 and the first high-pressure overflow valve 2.4, wherein: high-pressure service pump 1.1 outlets connect respectively the first high-pressure overflow valve 2.4 and the second high pressure tubular one-way valve 3.2, high-capacity pump 1.2 outlet connects respectively high-capacity pump and often drives electromagnetic relief valve 2.1 and the first high pressure tubular one-way valve 3.1, the first high pressure tubular one-way valves 3.1 and the second high pressure tubular one-way valve 3.2 and be connected on the first oil circuit L1.
The control system branch road of hydraulic system comprises the first Solenoid ball valve 4.1, the second Solenoid ball valve 4.2, the 3rd Solenoid ball valve 4.3, the first plate-type non-return valve 3.3, the second plate-type non-return valve 3.4, oil circuit control accumulator 12.1, the first hand stop valve 11.1, electromagnetic relief valve 2.2 often left by high-pressure service pump, the first direct-acting overflow valve 2.3 and the 6th pressure transducer 8.6, wherein: the 3rd Solenoid ball valve 4.3 and the first Solenoid ball valve 4.1 are connected on the second oil circuit L2, and are connected with high-capacity pump with high-pressure service pump 1.1 respectively and are connected, the 3rd Solenoid ball valve 4.3 respectively be connected to the 3rd oil circuit L3 on high-pressure service pump often drive electromagnetic relief valve 2.2 and the second plate-type non-return valve 3.4 of being connected on the second oil circuit (L2) is connected, the first Solenoid ball valve 4.1 is connected with oil circuit control accumulator 12.1 on being connected to the second oil circuit L2 by the first plate-type non-return valve 3.3 that is connected on the second oil circuit L2, oil circuit control accumulator 12.1 is connected with the first hand stop valve 11.1 with the first direct-acting overflow valve 2.3 on being connected to the second oil circuit L2 by the second Solenoid ball valve 4.2, and the 6th pressure transducer 8.6 is connected between the second plate-type non-return valve 3.4 and the first hand stop valve 11.1.
The executive system of hydraulic system is propped up four branch roads of route and is formed, comprise the first high pressure electrichydraulic control selector valve 5.1, the second high pressure electrichydraulic control selector valve 5.2, third high is pressed electrichydraulic control selector valve 5.3, the 4th high pressure electrichydraulic control selector valve 5.4, the first high pressure stacking type hydraulic control check valve 6.1, the second high pressure stacking type hydraulic control check valve 6.2, third high is pressed stacking type hydraulic control check valve 6.3, the 4th high pressure stacking type hydraulic control check valve 6.4, the first pressure transducer 8.1, the second pressure transducer 8.2, the 3rd pressure transducer 8.3, the 4th pressure transducer 8.4, the 7th pressure transducer 8.7, the second high-pressure overflow valve 2.5, the first accumulator Sample A 1, the second accumulator Sample A 2, the 3rd accumulator Sample A 3 and the 4th accumulator Sample A 4, wherein: the first oil circuit L1 connects respectively the first high pressure electrichydraulic control selector valve 5.1, the second high pressure electrichydraulic control selector valve 5.2, third high is pressed electrichydraulic control selector valve 5.3 and the 4th high pressure electrichydraulic control selector valve 5.4 and the 7th pressure transducer 8.7 and the second high-pressure overflow valve 2.5, the first high pressure electrichydraulic control selector valve 5.1, the second high pressure electrichydraulic control selector valve 5.2, third high presses electrichydraulic control selector valve 5.3 and the 4th high pressure electrichydraulic control selector valve 5.4 to be connected respectively the first high pressure stacking type hydraulic control check valve 6.1, the second high pressure stacking type hydraulic control check valve 6.2, third high is pressed stacking type hydraulic control check valve 6.3 and the 4th high pressure stacking type hydraulic control check valve 6.4, be connected the first high pressure stacking type hydraulic control check valve 6.1 with the first hand stop valve 11.1 by the 4th oil circuit L4 simultaneously, the second high pressure stacking type hydraulic control check valve 6.2, third high presses stacking type hydraulic control check valve 6.3 and the 4th high pressure stacking type hydraulic control check valve 6.4 to be connected respectively the first pressure transducer 8.1, the second pressure transducer 8.2, the 3rd pressure transducer 8.3 and the 4th pressure transducer 8.4 and the first accumulator Sample A 1, the second accumulator Sample A 2, the 3rd accumulator Sample A 3 and the 4th accumulator Sample A 4.
The oil return system branch road of hydraulic system comprises the second direct-acting overflow valve 2.6, the 3rd direct-acting overflow valve 2.7, two-bit triplet solenoid directional control valve 9.1, the second hand stop valve 11.2, the 5th pressure transducer 8.5, panel cooler 10.1 and return filter 13.1, wherein: the second direct-acting overflow valve 2.6, two-bit triplet solenoid directional control valve 9.1, the second hand stop valve 11.2 and the 5th pressure transducer 8.5 are respectively by the 7th oil circuit L7 and the first high pressure electrichydraulic control selector valve 5.1, the second high pressure electrichydraulic control selector valve 5.2, third high presses electrichydraulic control selector valve 5.3 to connect with the 4th high pressure electrichydraulic control selector valve 5.4, the second hand stop valve 11.2 is connected to fuel reserve tank 14.1 by the 3rd direct-acting overflow valve 2.7, two-bit triplet solenoid directional control valve 9.1, the second direct-acting overflow valve 2.6 and the first high-pressure overflow valve 2.4 are connected respectively to the 3rd oil circuit L3, and are connected to fuel reserve tank 14.1 by panel cooler 10.1 and return filter 13.1.
The Energy Saving Control branch road of hydraulic system comprises the first Pilot operated check valve 7.1, the second Pilot operated check valve 7.2, the 3rd Pilot operated check valve 7.3, the 4th Pilot operated check valve 7.4, the 4th Solenoid ball valve 4.4, the 5th Solenoid ball valve 4.5, the 6th Solenoid ball valve 4.6 and the 7th Solenoid ball valve 4.7, wherein: the first Pilot operated check valve 7.1, the second Pilot operated check valve 7.2, the 3rd Pilot operated check valve 7.3 connects the first high pressure stacking type hydraulic control check valve 6.1 by the 6th oil circuit L6 correspondence respectively with the 4th Pilot operated check valve 7.4, the second high pressure stacking type hydraulic control check valve 6.2, third high is pressed stacking type hydraulic control check valve 6.3 and the 4th high pressure stacking type hydraulic control check valve 6.4, the 4th Solenoid ball valve 4.4, the 5th Solenoid ball valve 4.5, the 6th Solenoid ball valve 4.6 connects the first Pilot operated check valve 7.1 with the 7th Solenoid ball valve 4.7 by the 5th oil circuit L5 correspondence, the second Pilot operated check valve 7.2, the 3rd Pilot operated check valve 7.3 and the 4th Pilot operated check valve 7.4, the first Pilot operated check valve 7.1 is connected with the second Pilot operated check valve 7.2, and the 3rd Pilot operated check valve 7.3 is connected with the 4th Pilot operated check valve 7.4.
The utility model working principle: because the accumulator all size varies in size, the range of flow of system is wider.The power source branch road has been selected high-pressure service pump 1.1 and high-capacity pump 1.2, has so just contained the pressure testing requirement of all specification accumulators.High-pressure service pump 1.1 connects the first high-pressure overflow valve 2.4, sets up the maximum pressure of system, prevents the superpressure operation of pump.Can work at the same time or separately for satisfying two pumps, high-pressure service pump 1.1 outlet ports connect the second high pressure tubular one-way valve 3.2, high-capacity pump 1.2 outlet ports connect the first high pressure tubular one-way valve 3.1, high-capacity pump 1.2 connects high-capacity pump and often drives electromagnetic relief valve 2.1, often open in electromagnetic relief valve 2.1 cold situations at high-capacity pump, high-capacity pump output fluid returns fuel reserve tank, has prevented starting with full load overburdening problem.
The control system branch road: high-pressure service pump 1.1 and high-capacity pump 1.2 are given the second oil circuit L2 ftercompction by the first Solenoid ball valve 4.1 and the 3rd Solenoid ball valve 4.3 respectively.After reaching oil circuit control pressure, the 6th pressure transducer 8.6 is inputted PLC with signal, closes the first Solenoid ball valve 4.1 or the 3rd Solenoid ball valve 4.3.High-pressure service pump 1.1 often leaves the overflow of electromagnetic relief valve 2.2 control high-pressure service pumps 1.1 and the ftercompction of oil circuit control by connecting the 3rd Solenoid ball valve 4.3 and high-pressure service pump.The oil circuit control force value is regulated by the first direct-acting overflow valve 2.3, by the 12.1 accumulation of energy pressurizes of oil circuit control accumulator, and prevents from controlling oil pressure by the first plate-type non-return valve 3.3 and the second plate-type non-return valve 3.4 and flows backwards.For making things convenient for the control system pressure release, native system adds has put the first hand stop valve 11.1 and the second Solenoid ball valve 4.2, has guaranteed the state of emergency manually and the dual functions of the electronic control of auto state.
The executive system branch road: the first oil circuit L1 force value is set by the second high-pressure overflow valve 2.5, and gathers pressure signal by the 7th pressure transducer 8.7.The first oil circuit L1 connects each branch road high pressure electrichydraulic control selector valve, and the second oil circuit L2 is oil circuit control accumulator 12.1 pressurize oil circuits, guarantees the pressure of high pressure electrichydraulic control selector valve hydraulic control end.Each route high-tension electricity hydraulic control selector valve control processed opens and closes, and the selector valve that the high pressure stacking type hydraulic control check valve superposes is under must not electricity condition, and fluid control pressure is 0, gets under the electricity condition the complete voltage supply of main system pressure to the hydraulic control end.Not only play the high pressure conditions pressure maintaining effect, played again the function of reliable pressure release.Each branch road gathers pressure signal by pressure transducer respectively and automatically controls for PLC.
Oil return system branch road: connect the second direct-acting overflow valve 2.6 by the 7th oil circuit L7, prevent high pressure oil return impact fuel reserve tank.Two-bit triplet solenoid directional control valve 9.1 lags behind the second direct-acting overflow valve 2.6 and opens, and plays the purpose of final pressure release.The second hand stop valve 11.2 usually need not, but when service mode and turbidity test detect, use, the 3rd direct-acting overflow valve 2.7 of its connection plays the effect that prevents compression shock.Be to reduce system's oil temperature, 2 cubic metres of design fuel reserve tank 14.1 volumes, and add and put panel cooler 10.1 and return filter 13.1 in native system the 7th oil circuit L7.
Energy Saving Control branch road: for improving the test efficiency of large specification accumulator, designed the Energy Saving Control pattern.Between system's two branch roads, realize testing the function of fluid complementation between branch road by the series connection Pilot operated check valve.Under this mode of operation, branch road #1 and branch road #2, branch road #3 and branch road #4 be cooperating respectively.For the accumulator of large specification, above-mentioned power source branch road is at first given branch road #1(#3) voltage supply, branch road #1(#3) the right position of high pressure electrichydraulic control selector valve open.When pressure reaches default value, branch road #1(#3) high pressure electrichydraulic control selector valve returns meta.The second oil circuit pressure is controlled by the first direct-acting overflow valve.Branch road #1(#3) Solenoid ball valve energising, the high pressure stacking type hydraulic control check valve is opened, branch road #1(#3) under the effect of gas expansion by branch road #1(#3) high pressure stacking type hydraulic control check valve and branch road #2(#4) the high pressure stacking type hydraulic control check valve be connected fuel feeding to branch road #2(#4).When two branch road isostasies, close branch road #1(#3) Solenoid ball valve, the left position unlatching of high pressure electrichydraulic control this moment selector valve branch road #1(#3), by branch road #1(#3) the release of high pressure stacking type hydraulic control check valve, until pressure finishes when being zero.Meanwhile, branch road #2(#4) open the right position of high pressure electrichydraulic control selector valve, continues to branch road #2(#4) voltage supply, until reach pressure set points, thus periodic duty.This mode of operation has been saved branch road #2(#4) the suppressed time in early stage, and reduced to a certain extent because of high pressure and discharged the impact that moment causes system.The impact that the accumulator release of pressure causes the loop under the energy saver mode under the general mode to the impact in loop.
The utility model workflow: normal mode: high-capacity pump 1.2 is opened, 4.1 energisings of the first Solenoid ball valve, 12.1 pressurisings of oil circuit control accumulator, when pressure reaches the 6th pressure transducer 8.6 setting value, the first Solenoid ball valve 4.1 dead electricity, the first high pressure electrichydraulic control selector valve 5.1, the second high pressure electrichydraulic control selector valve 5.2, third high presses electrichydraulic control selector valve 5.3 and the 4th high pressure electrichydraulic control selector valve 5.4 right positions to get electric, high-capacity pump is often driven electromagnetic relief valve 2.1 and is got electric, the first accumulator Sample A 1, the second accumulator Sample A 2, the 3rd accumulator Sample A 3 and 4 dozens of low pressure of the 4th accumulator Sample A, when pressure reaches 8.7 setting value, high-capacity pump is often opened electromagnetic relief valve 2.1 dead electricity, and high-capacity pump 1.2 stops.High-pressure service pump 1.1 is opened, when pressure reaches the first pressure transducer 8.1, the second pressure transducer 8.2, when the 3rd pressure transducer 8.3 and the 4th pressure transducer 8.4 setting value, the 3rd Solenoid ball valve 4.3 gets electric, the first high pressure electrichydraulic control selector valve 5.1, the second high pressure electrichydraulic control selector valve 5.2, third high presses electrichydraulic control selector valve 5.3 and the 4th high pressure electrichydraulic control selector valve 5.4 to close, when the first accumulator Sample A 1, the second accumulator Sample A 2, after the 3rd accumulator Sample A 3 and the 4th accumulator Sample A 4 reach the dwell time, the first high pressure electrichydraulic control selector valve 5.1, the second high pressure electrichydraulic control selector valve 5.2, third high presses electrichydraulic control selector valve 5.3 and the 4th high pressure electrichydraulic control selector valve 5.4 left positions to get electric, the first high pressure stacking type hydraulic control check valve 6.1, the second high pressure stacking type hydraulic control check valve 6.2, third high presses stacking type hydraulic control check valve 6.3 and the 4th high pressure stacking type hydraulic control check valve 6.4 to get electric, the first accumulator Sample A 1, the second accumulator Sample A 2, the 3rd accumulator Sample A 3 and 4 pressure releases of the 4th accumulator Sample A, after pressure release pressure reaches the 5th pressure transducer 8.5 setting values, two-bit triplet solenoid directional control valve 9.1 gets electric, when the 5th pressure transducer 8.5 is zero, two-bit triplet solenoid directional control valve 9.1 dead electricity, high-pressure service pump 1.1 stops, the 3rd Solenoid ball valve 4.3 dead electricity.
Energy saver mode: high-capacity pump 1.2 is opened, 4.1 energisings of the first Solenoid ball valve, 12.1 pressurisings of oil circuit control accumulator, when pressure reaches the 6th pressure transducer 8.6 setting value, the first Solenoid ball valve 4.1 dead electricity, the first high pressure electrichydraulic control selector valve 5.1 and third high press electrichydraulic control selector valve 5.3 right positions to get electric, high-capacity pump is often driven electromagnetic relief valve 2.1 and is got electric, the first accumulator Sample A 1 and 3 dozens of low pressure of the 3rd accumulator Sample A, when pressure reaches the 7th pressure transducer 8.7 setting value, high-capacity pump is often opened electromagnetic relief valve 2.1 dead electricity, and high-capacity pump 1.2 stops.High-pressure service pump 1.1 is opened, when pressure reaches the first pressure transducer 8.1 and the 3rd pressure transducer 8.3 setting value, the 3rd Solenoid ball valve 4.3 gets electric, the first high pressure electrichydraulic control selector valve 5.1 and third high press electrichydraulic control selector valve 5.3 to close, after the first accumulator Sample A 1 and the 3rd accumulator Sample A 3 reach the dwell time, the 4th Solenoid ball valve 4.4 and the 6th Solenoid ball valve 4.6 get electric, the first Pilot operated check valve 7.1 and 7.3 unlatchings of the 3rd Pilot operated check valve, branch road #1(#3) under the effect of gas expansion, give the second accumulator Sample A 2 and the 4th accumulator Sample A 4 by the first Pilot operated check valve 7.1 and the first Pilot operated check valve 7.3 fuel feeding.When two branch road isostasies, close the 4th Solenoid ball valve 4.4 and the 6th Solenoid ball valve 4.6, the first high pressure electrichydraulic control selector valve 5.1 and third high press electrichydraulic control selector valve 5.3 left positions to open, the first accumulator Sample A 1 and 3 releases of the 3rd accumulator Sample A, after pressure release pressure reaches the 5th pressure transducer 8.5 setting values, two-bit triplet solenoid directional control valve 9.1 gets electric, when the 5th pressure transducer 8.5 is zero, and two-bit triplet solenoid directional control valve 9.1 dead electricity.Meanwhile, open the second high pressure electrichydraulic control selector valve 5.2 and the 4th high pressure electrichydraulic control selector valve 5.4 right positions, continuation is suppressed to the second accumulator Sample A 2 and the 4th accumulator Sample A 4, until reach the second pressure transducer 8.2 and the 4th pressure transducer 8.4 setting values, thus periodic duty.
Claims (6)
1. accumulator oil test platform, comprise hydraulic system, it is characterized in that: described hydraulic system comprises power source branch road, control system branch road, executive system branch road, oil return system branch road and Energy Saving Control branch road, wherein: described power source branch road is connected with the executive system branch road by the first oil circuit (L1), be connected with the control system branch road by the second oil circuit (L2), (L3) is connected with oil return system by the 3rd oil circuit; The control system branch road is connected with the executive system branch road by the 4th oil circuit (L4), is connected with the Energy Saving Control branch road by the 5th oil circuit (L5); The Energy Saving Control branch road is connected with the executive system branch road by the 6th oil circuit (L6); The executive system branch road is connected with oil return system by the 7th oil circuit (L7); The oil return system branch road is connected to fuel reserve tank (14.1).
2. accumulator oil test platform according to claim 1, it is characterized in that: described power source branch road comprises high-pressure service pump (1.1), high-capacity pump (1.2), the first high pressure tubular one-way valve (3.1), the second high pressure tubular one-way valve (3.2), high-capacity pump is often opened electromagnetic relief valve (2.1) and the first high-pressure overflow valve (2.4), wherein: high-pressure service pump (1.1) outlet connects respectively the first high-pressure overflow valve (2.4) and the second high pressure tubular one-way valve (3.2), high-capacity pump (1.2) outlet connects respectively high-capacity pump and often opens electromagnetic relief valve (2.1) and the first high pressure tubular one-way valve (3.1), and the first high pressure tubular one-way valve (3.1) and the second high pressure tubular one-way valve (3.2) are connected on described the first oil circuit (L1).
3. accumulator oil test platform according to claim 2, it is characterized in that: described control system branch road comprises the first Solenoid ball valve (4.1), the second Solenoid ball valve (4.2), the 3rd Solenoid ball valve (4.3), the first plate-type non-return valve (3.3), the second plate-type non-return valve (3.4), oil circuit control accumulator (12.1), the first hand stop valve (11.1), electromagnetic relief valve (2.2) often left by high-pressure service pump, the first direct-acting overflow valve (2.3) and the 6th pressure transducer (8.6), wherein: the 3rd Solenoid ball valve (4.3) and the first Solenoid ball valve (4.1) are connected on the second oil circuit (L2), and be connected 1.2 with described high-pressure service pump (1.1) with high-capacity pump respectively) be connected, the 3rd Solenoid ball valve (4.3) respectively be connected to the 3rd oil circuit (L3) on high-pressure service pump often drive electromagnetic relief valve (2.2) and the second plate-type non-return valve (3.4) of being connected on the second oil circuit (L2) is connected, the first Solenoid ball valve (4.1) is connected with oil circuit control accumulator (12.1) on being connected to the second oil circuit (L2) by the first plate-type non-return valve (3.3) that is connected on the second oil circuit (L2), oil circuit control accumulator (12.1) is connected with the first hand stop valve (11.1) with the first direct-acting overflow valve (2.3) on being connected to the second oil circuit (L2) by the second Solenoid ball valve (4.2), and the 6th pressure transducer (8.6) is connected between the second plate-type non-return valve (3.4) and the first hand stop valve (11.1).
4. accumulator oil test platform according to claim 3, it is characterized in that: described executive system is propped up four branch roads of route and is formed, comprise the first high pressure electrichydraulic control selector valve (5.1), the second high pressure electrichydraulic control selector valve (5.2), third high is pressed electrichydraulic control selector valve (5.3), the 4th high pressure electrichydraulic control selector valve (5.4), the first high pressure stacking type hydraulic control check valve (6.1), the second high pressure stacking type hydraulic control check valve (6.2), third high is pressed stacking type hydraulic control check valve (6.3), the 4th high pressure stacking type hydraulic control check valve (6.4), the first pressure transducer (8.1), the second pressure transducer (8.2), the 3rd pressure transducer (8.3), the 4th pressure transducer (8.4), the 7th pressure transducer (8.7), the second high-pressure overflow valve (2.5), the first accumulator sample (A1), the second accumulator sample (A2), the 3rd accumulator sample (A3) and the 4th accumulator sample (A4), wherein: described the first oil circuit (L1) connects respectively the first high pressure electrichydraulic control selector valve (5.1), the second high pressure electrichydraulic control selector valve (5.2), third high is pressed electrichydraulic control selector valve (5.3) and the 4th high pressure electrichydraulic control selector valve (5.4) and the 7th pressure transducer (8.7) and the second high-pressure overflow valve (2.5), the first high pressure electrichydraulic control selector valve (5.1), the second high pressure electrichydraulic control selector valve (5.2), third high presses electrichydraulic control selector valve (5.3) and the 4th high pressure electrichydraulic control selector valve (5.4) to be connected respectively the first high pressure stacking type hydraulic control check valve (6.1), the second high pressure stacking type hydraulic control check valve (6.2), third high is pressed stacking type hydraulic control check valve (6.3) and the 4th high pressure stacking type hydraulic control check valve (6.4), be connected the first high pressure stacking type hydraulic control check valve (6.1) with described the first hand stop valve (11.1) by the 4th oil circuit (L4) simultaneously, the second high pressure stacking type hydraulic control check valve (6.2), third high presses stacking type hydraulic control check valve (6.3) and the 4th high pressure stacking type hydraulic control check valve (6.4) to be connected respectively the first pressure transducer (8.1), the second pressure transducer (8.2), the 3rd pressure transducer (8.3) and the 4th pressure transducer (8.4) and the first accumulator sample (A1), the second accumulator sample (A2), the 3rd accumulator sample (A3) and the 4th accumulator sample (A4).
5. accumulator oil test platform according to claim 4, it is characterized in that: described oil return system branch road comprises the second direct-acting overflow valve (2.6), the 3rd direct-acting overflow valve (2.7), two-bit triplet solenoid directional control valve (9.1), the second hand stop valve (11.2), the 5th pressure transducer (8.5), panel cooler (10.1) and return filter (13.1), wherein: the second direct-acting overflow valve (2.6), two-bit triplet solenoid directional control valve (9.1), the second hand stop valve (11.2) and the 5th pressure transducer (8.5) are respectively by described the 7th oil circuit (L7) and described the first high pressure electrichydraulic control selector valve (5.1), the second high pressure electrichydraulic control selector valve (5.2), third high presses electrichydraulic control selector valve (5.3) to connect with the 4th high pressure electrichydraulic control selector valve (5.4), the second hand stop valve (11.2) is connected to fuel reserve tank (14.1) by the 3rd direct-acting overflow valve (2.7), two-bit triplet solenoid directional control valve (9.1), the second direct-acting overflow valve (2.6) and described the first high-pressure overflow valve (2.4) are connected respectively to the 3rd oil circuit (L3), and are connected to fuel reserve tank (14.1) by panel cooler (10.1) and return filter (13.1).
6. accumulator oil test platform according to claim 5, it is characterized in that: described Energy Saving Control branch road comprises the first Pilot operated check valve (7.1), the second Pilot operated check valve (7.2), the 3rd Pilot operated check valve (7.3), the 4th Pilot operated check valve (7.4), the 4th Solenoid ball valve (4.4), the 5th Solenoid ball valve (4.5), the 6th Solenoid ball valve (4.6) and the 7th Solenoid ball valve (4.7), wherein: the first Pilot operated check valve (7.1), the second Pilot operated check valve (7.2), the 3rd Pilot operated check valve (7.3) connects described the first high pressure stacking type hydraulic control check valve (6.1) by described the 6th oil circuit (L6) correspondence respectively with the 4th Pilot operated check valve (7.4), the second high pressure stacking type hydraulic control check valve (6.2), third high is pressed stacking type hydraulic control check valve (6.3) and the 4th high pressure stacking type hydraulic control check valve (6.4), the 4th Solenoid ball valve (4.4), the 5th Solenoid ball valve (4.5), the 6th Solenoid ball valve (4.6) connects the first Pilot operated check valve (7.1) with the 7th Solenoid ball valve (4.7) by the 5th oil circuit (L5) correspondence, the second Pilot operated check valve (7.2), the 3rd Pilot operated check valve (7.3) and the 4th Pilot operated check valve (7.4), the first Pilot operated check valve (7.1) is connected with the second Pilot operated check valve (7.2), and the 3rd Pilot operated check valve (7.3) is connected with the 4th Pilot operated check valve (7.4).
Priority Applications (1)
| Application Number | Priority Date | Filing Date | Title |
|---|---|---|---|
| CN2013202446018U CN203257795U (en) | 2013-05-08 | 2013-05-08 | Oil pressure test stand of energy accumulator |
Applications Claiming Priority (1)
| Application Number | Priority Date | Filing Date | Title |
|---|---|---|---|
| CN2013202446018U CN203257795U (en) | 2013-05-08 | 2013-05-08 | Oil pressure test stand of energy accumulator |
Publications (1)
| Publication Number | Publication Date |
|---|---|
| CN203257795U true CN203257795U (en) | 2013-10-30 |
Family
ID=49470364
Family Applications (1)
| Application Number | Title | Priority Date | Filing Date |
|---|---|---|---|
| CN2013202446018U Withdrawn - After Issue CN203257795U (en) | 2013-05-08 | 2013-05-08 | Oil pressure test stand of energy accumulator |
Country Status (1)
| Country | Link |
|---|---|
| CN (1) | CN203257795U (en) |
Cited By (2)
| Publication number | Priority date | Publication date | Assignee | Title |
|---|---|---|---|---|
| CN103233945A (en) * | 2013-05-08 | 2013-08-07 | 布柯玛蓄能器(天津)有限公司 | Oil pressure test bed of energy accumulator |
| CN105841642A (en) * | 2016-06-03 | 2016-08-10 | 哈尔滨工业大学 | Laval nozzle throat diameter measurement system |
-
2013
- 2013-05-08 CN CN2013202446018U patent/CN203257795U/en not_active Withdrawn - After Issue
Cited By (3)
| Publication number | Priority date | Publication date | Assignee | Title |
|---|---|---|---|---|
| CN103233945A (en) * | 2013-05-08 | 2013-08-07 | 布柯玛蓄能器(天津)有限公司 | Oil pressure test bed of energy accumulator |
| CN103233945B (en) * | 2013-05-08 | 2015-12-02 | 布柯玛蓄能器(天津)有限公司 | A kind of accumulator oil test platform |
| CN105841642A (en) * | 2016-06-03 | 2016-08-10 | 哈尔滨工业大学 | Laval nozzle throat diameter measurement system |
Similar Documents
| Publication | Publication Date | Title |
|---|---|---|
| CN103233945B (en) | A kind of accumulator oil test platform | |
| CN108425893B (en) | Hydraulic system of distributed direct-driven excavator with servo motor driven double variable pumps | |
| CN102168540B (en) | Hydraulic pumping unit with pressure compensation device | |
| JP2019507017A (en) | High speed hydraulic forging press | |
| CN201180705Y (en) | High-pressure high-volume hydraulic loop device | |
| CN202845491U (en) | Hydraulic control system for belt wrapper tensioning device | |
| CN201305334Y (en) | Hydraulic control system of tension device for belt conveyor | |
| CN104533886A (en) | Non-load starting device and method for variable hydraulic pump | |
| CN203257795U (en) | Oil pressure test stand of energy accumulator | |
| CN102285143B (en) | Variable displacement piston pump system for hydraulic machine | |
| CN109099030A (en) | A kind of the temperature rise control system and control method of self-unloading vehicle hydraulic system | |
| CN104564854B (en) | Multi executors heavy duty digital hydraulic loop based on high-pressure common rail cabin | |
| CN104989690A (en) | Overload relief valve | |
| CN2703909Y (en) | Two-oil-circuit micro hydraulic pump station | |
| CN2823628Y (en) | Electric manual dual-purpose hydraulic station | |
| CN104006012A (en) | Oil and water supercharger system set | |
| CN211042924U (en) | Large container pressure test system | |
| CN103851037A (en) | Multi-pressure source energy-saving hydraulic pressure station | |
| CN208982385U (en) | Energy-saving and high efficient car unloader hydraulic control system | |
| CN108679006B (en) | Single-action reciprocating hydraulic supercharger | |
| CN101893007A (en) | Plunger case lifting hydraulic control system | |
| CN218266548U (en) | Energy-saving transformation device of quick forging hydraulic unit | |
| CN117366036A (en) | Two-way cartridge valve type bidirectional booster cylinder control loop | |
| CN107725504B (en) | Hydraulic system capable of providing proper performance for load and hydraulic control method | |
| CN201786788U (en) | Converging unloading overflow valve |
Legal Events
| Date | Code | Title | Description |
|---|---|---|---|
| C14 | Grant of patent or utility model | ||
| GR01 | Patent grant | ||
| AV01 | Patent right actively abandoned |
Granted publication date: 20131030 Effective date of abandoning: 20151202 |
|
| C25 | Abandonment of patent right or utility model to avoid double patenting |