CN203245256U - Punch press with dust removing device - Google Patents
Punch press with dust removing device Download PDFInfo
- Publication number
- CN203245256U CN203245256U CN 201320134018 CN201320134018U CN203245256U CN 203245256 U CN203245256 U CN 203245256U CN 201320134018 CN201320134018 CN 201320134018 CN 201320134018 U CN201320134018 U CN 201320134018U CN 203245256 U CN203245256 U CN 203245256U
- Authority
- CN
- China
- Prior art keywords
- drift
- punch press
- plate body
- push rod
- mould
- Prior art date
- Legal status (The legal status is an assumption and is not a legal conclusion. Google has not performed a legal analysis and makes no representation as to the accuracy of the status listed.)
- Expired - Fee Related
Links
- 239000000428 dust Substances 0.000 title claims abstract description 11
- 239000002699 waste material Substances 0.000 abstract description 6
- 238000002347 injection Methods 0.000 abstract 1
- 239000007924 injection Substances 0.000 abstract 1
- 238000004080 punching Methods 0.000 description 14
- 230000006698 induction Effects 0.000 description 2
- 238000009434 installation Methods 0.000 description 2
- 238000000034 method Methods 0.000 description 2
- 230000009286 beneficial effect Effects 0.000 description 1
- 230000007812 deficiency Effects 0.000 description 1
- 238000010586 diagram Methods 0.000 description 1
- 238000005406 washing Methods 0.000 description 1
Images
Landscapes
- Details Of Cutting Devices (AREA)
Abstract
The utility model discloses a punch press with a dust removing device. The punch press comprises an upper die and a lower die, wherein a plunger pin is arranged in the upper die, an ejection rod is arranged above the plunger pin, the ejection rod is connected with a power device, the lower portion of the plunger pin is provided with the upper die, and an air injection device is arranged between the plunger pin and the lower die. When a plate body is punched, air is blown to a punched portion of the plate body, and accordingly dust and waste are prevented from being left in the plate body and plate pressing quality is guaranteed.
Description
Technical field
The utility model relates to a kind of punch press.
Background technology
Generally see Fig. 1 for the punching machine structure of plate body punching, mainly comprise patrix 2 and counterdie 1, the drift 20 that is provided for punching in patrix 2 is provided with push rod 7 above drift 20, and push rod 7 connects in power-equipment.Counterdie is positioned at the drift lower position mould 8 is set, and when plate body was punched, plate body started push rod 7 and presses down drift, so that plate body is got through hole between drift and mould by between drift 20 and the mould 8.When but this structure was carried out punching for thinner plate body, the waste material that stays during punching remained in and causes easily the punching edge to enlarge on drift 20 or the counterdie mould 8, perhaps edge perk, and easily so that plate body produces impression.Therefore be necessary to make improvements.
Summary of the invention
For the deficiencies in the prior art, the utility model provides a kind of punch press, to the plate body punching press time is blown in plate body punching press position, has therefore prevented the residual of dust waste, has guaranteed the pressing plate quality.
The utility model is achieved through the following technical solutions: a kind of have a dust arrester punch press, comprise upper die and lower die, in described patrix, be provided with drift, above described drift, be provided with push rod, described push rod is connected with power set, below described drift, be provided with mould, between described drift and mould, be provided with air jet system.
In the technique scheme, described air jet system comprises air pump and appendix, between drift and mould fumarole is set at described appendix.
In the technique scheme, be positioned at the push rod front position at described punch press and fix a mount pad, described appendix is fixed on the described mount pad.
The utlity model has following beneficial effect: to the plate body punching press time, blown in plate body punching press position, therefore prevented the residual of dust waste, guaranteed the pressing plate quality.
Description of drawings
Fig. 1 is punching machine structure schematic diagram in the background technology.
Fig. 2 is the utility model structural representation.
Fig. 3 is along the structural representation of A direction among Fig. 2.
The specific embodiment
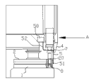
Below in conjunction with accompanying drawing and the specific embodiment the utility model is described in further detail: referring to Fig. 2 to Fig. 3, a kind of have a dust arrester punch press, comprise patrix 2 and counterdie 1, in described patrix 2, be provided with drift 20, above described drift 20, be provided with push rod 7, described push rod 7 is connected with power set, is provided with mould 8 below described drift 20, is provided with air jet system 5 between described drift 20 and mould 8.
Described air jet system 5 comprises air pump 50 and appendix 52, between drift 20 and mould 8 fumarole 51 is set at described appendix 52, is positioned at push rod 7 front positions at described punch press and fixes a mount pad 4, and described appendix 52 is fixed on the described mount pad 4.
Described air pump 50 is by a solenoid control, be provided with induction installation at described push rod 7 or drift 20, when described push rod 7 leans drift 20, the induction installation acknowledge(ment) signal, signal is sent to the magnetic valve of control air pump, solenoid control air pump 50 is given vent to anger, so that compressed air is from fumarole 51 ejections.Stay when washing away punching on the plunger chip die waste material, the edge enlarges when having prevented punching, perhaps edge perk is so that plate body produces the problem of impression.And when punching was finished, this moment, push rod 7 was up, and air pump does not move, and has prevented the problem of energy waste.
Claims (3)
1. one kind has the dust arrester punch press, comprise patrix (2) and counterdie (1), in described patrix (2), be provided with drift (20), be provided with push rod (7) in described drift (20) top, described push rod (7) is connected with power set, be provided with mould (8) in described drift (20) below, it is characterized in that: between described drift (20) and mould (8), be provided with air jet system (5).
2. a kind of dust arrester punch press that has as claimed in claim 1, it is characterized in that: described air jet system (5) comprises air pump (50) and appendix (52), and the position that is positioned between drift (20) and the mould (8) at described appendix (52) arranges fumarole (51).
3. a kind of dust arrester punch press that has as claimed in claim 2, it is characterized in that: be positioned at push rod (7) front position at described punch press and fix a mount pad (4), described appendix (52) is fixed on the described mount pad (4).
Priority Applications (1)
| Application Number | Priority Date | Filing Date | Title |
|---|---|---|---|
| CN 201320134018 CN203245256U (en) | 2013-03-22 | 2013-03-22 | Punch press with dust removing device |
Applications Claiming Priority (1)
| Application Number | Priority Date | Filing Date | Title |
|---|---|---|---|
| CN 201320134018 CN203245256U (en) | 2013-03-22 | 2013-03-22 | Punch press with dust removing device |
Publications (1)
| Publication Number | Publication Date |
|---|---|
| CN203245256U true CN203245256U (en) | 2013-10-23 |
Family
ID=49371718
Family Applications (1)
| Application Number | Title | Priority Date | Filing Date |
|---|---|---|---|
| CN 201320134018 Expired - Fee Related CN203245256U (en) | 2013-03-22 | 2013-03-22 | Punch press with dust removing device |
Country Status (1)
| Country | Link |
|---|---|
| CN (1) | CN203245256U (en) |
Cited By (6)
| Publication number | Priority date | Publication date | Assignee | Title |
|---|---|---|---|---|
| CN104001777A (en) * | 2013-12-13 | 2014-08-27 | 昆山御广峰机械有限公司 | Novel stamping device with dust collection function |
| CN104707892A (en) * | 2015-02-10 | 2015-06-17 | 苏州汇程精密模具有限公司 | Punching die with cleaning function |
| CN105196601A (en) * | 2015-09-17 | 2015-12-30 | 常州凌凯特电子科技有限公司 | Dust removal type moulding press |
| CN106825300A (en) * | 2017-01-05 | 2017-06-13 | 滁州美业机械制造有限公司 | A kind of aluminum alloy ice chamber door decompressor with self-cleaning function |
| CN107225171A (en) * | 2017-06-14 | 2017-10-03 | 无锡贺邦汽车配件有限公司 | A kind of decompressor of automotive oil tank drain pan |
| CN112059004A (en) * | 2020-08-31 | 2020-12-11 | 冒鹏飞 | Aluminum veneer hollow structure blanking processing method |
-
2013
- 2013-03-22 CN CN 201320134018 patent/CN203245256U/en not_active Expired - Fee Related
Cited By (6)
| Publication number | Priority date | Publication date | Assignee | Title |
|---|---|---|---|---|
| CN104001777A (en) * | 2013-12-13 | 2014-08-27 | 昆山御广峰机械有限公司 | Novel stamping device with dust collection function |
| CN104707892A (en) * | 2015-02-10 | 2015-06-17 | 苏州汇程精密模具有限公司 | Punching die with cleaning function |
| CN105196601A (en) * | 2015-09-17 | 2015-12-30 | 常州凌凯特电子科技有限公司 | Dust removal type moulding press |
| CN106825300A (en) * | 2017-01-05 | 2017-06-13 | 滁州美业机械制造有限公司 | A kind of aluminum alloy ice chamber door decompressor with self-cleaning function |
| CN107225171A (en) * | 2017-06-14 | 2017-10-03 | 无锡贺邦汽车配件有限公司 | A kind of decompressor of automotive oil tank drain pan |
| CN112059004A (en) * | 2020-08-31 | 2020-12-11 | 冒鹏飞 | Aluminum veneer hollow structure blanking processing method |
Similar Documents
| Publication | Publication Date | Title |
|---|---|---|
| CN203245256U (en) | Punch press with dust removing device | |
| CN103522357B (en) | Mould cup punch press | |
| CN205056827U (en) | Automatic ejecting device of die mould mould | |
| CN206662030U (en) | One kind is stripped quick stainless steel circular sheet origin shaping mechanism | |
| CN107243537A (en) | The quick stainless steel circular sheet origin shaping mechanism of one kind demoulding | |
| CN203542708U (en) | Mould cup punching machine | |
| CN103949535B (en) | A kind of punching die of rear-suspending mounting bracket | |
| CN103639263A (en) | Punching and cutting process | |
| CN202169316U (en) | Punching and forming integrated mold | |
| CN203622560U (en) | Film car surface stamping and edge enclosing machine | |
| CN205705134U (en) | A kind of thick compression-type of mould and automatically reset ejecting push plate mechanism | |
| CN203917634U (en) | Automobile safety belt retractor raising point mould | |
| CN204183938U (en) | A kind of flattening mold tooling | |
| CN207325759U (en) | Photovoltaic bracket connector stamping die | |
| CN203610516U (en) | Punching and blanking mold | |
| CN204294719U (en) | Punching and edge-cutting mould | |
| CN202861203U (en) | Mobile phone shielding case stamping die structure | |
| CN203888248U (en) | Electromagnetic powder press | |
| CN203942416U (en) | Punching press reshaping device on motor stator apparatus for shaping | |
| CN202105899U (en) | Mould for fabricating valve cover | |
| CN204867098U (en) | Commutator crotch mold machine | |
| CN207188601U (en) | Transmitter block rushes front and rear guide rails mould | |
| CN204108113U (en) | A kind of flanging perforating die of mount support | |
| CN203370907U (en) | Punching and cutting mold | |
| CN203018647U (en) | Die for forming U-shaped reinforcing steel bar |
Legal Events
| Date | Code | Title | Description |
|---|---|---|---|
| C14 | Grant of patent or utility model | ||
| GR01 | Patent grant | ||
| C17 | Cessation of patent right | ||
| CF01 | Termination of patent right due to non-payment of annual fee |
Granted publication date: 20131023 Termination date: 20140322 |