CN203221184U - Equipment for improving sand molding efficiency - Google Patents
Equipment for improving sand molding efficiency Download PDFInfo
- Publication number
- CN203221184U CN203221184U CN 201320177026 CN201320177026U CN203221184U CN 203221184 U CN203221184 U CN 203221184U CN 201320177026 CN201320177026 CN 201320177026 CN 201320177026 U CN201320177026 U CN 201320177026U CN 203221184 U CN203221184 U CN 203221184U
- Authority
- CN
- China
- Prior art keywords
- sand
- lifting
- roller table
- station
- shooting
- Prior art date
- Legal status (The legal status is an assumption and is not a legal conclusion. Google has not performed a legal analysis and makes no representation as to the accuracy of the status listed.)
- Expired - Lifetime
Links
- 239000004576 sand Substances 0.000 title claims abstract description 81
- 238000000465 moulding Methods 0.000 title claims abstract description 43
- 230000007246 mechanism Effects 0.000 claims abstract description 55
- 238000003860 storage Methods 0.000 claims description 12
- 238000005485 electric heating Methods 0.000 claims description 8
- XEEYBQQBJWHFJM-UHFFFAOYSA-N Iron Chemical compound [Fe] XEEYBQQBJWHFJM-UHFFFAOYSA-N 0.000 abstract description 68
- 229910052742 iron Inorganic materials 0.000 abstract description 33
- 238000004140 cleaning Methods 0.000 abstract description 16
- 238000005266 casting Methods 0.000 abstract description 7
- 238000004519 manufacturing process Methods 0.000 description 18
- 238000000034 method Methods 0.000 description 13
- 230000008569 process Effects 0.000 description 11
- 238000010586 diagram Methods 0.000 description 5
- 230000009471 action Effects 0.000 description 3
- 230000007547 defect Effects 0.000 description 3
- 238000002347 injection Methods 0.000 description 2
- 239000007924 injection Substances 0.000 description 2
- 239000004568 cement Substances 0.000 description 1
- 230000008859 change Effects 0.000 description 1
- 239000011247 coating layer Substances 0.000 description 1
- 230000000295 complement effect Effects 0.000 description 1
- 230000000694 effects Effects 0.000 description 1
- 238000005516 engineering process Methods 0.000 description 1
- 239000000463 material Substances 0.000 description 1
- 238000007711 solidification Methods 0.000 description 1
- 230000008023 solidification Effects 0.000 description 1
- 239000000243 solution Substances 0.000 description 1
Images
Landscapes
- Casting Devices For Molds (AREA)
Abstract
本实用新型涉及一种提高覆砂造型效率的设备,它属于铁型覆砂铸造领域。本实用新型包括由上梁、底座、上梁和底座之间的立柱组成的支撑框架,加砂射砂装置和设置在底座上的旋转机构,其特征在于:还设置有四工位工作台、升降式射砂头和升降式辊道开合机构,四工位工作台固定在旋转机构上,上梁一侧连接有升降式射砂头,另一侧连接有升降式辊道开合机构,升降式射砂头与升降式辊道开合机构左右设置,四工位工作台位于升降式射砂头和升降式辊道开合机构下方。本实用新型结构设计合理,模具清理方便,覆砂造型效率高,便于使用者操作。
The utility model relates to a device for improving the efficiency of sand-covered molding, which belongs to the field of iron mold sand-covered casting. The utility model includes a support frame composed of an upper beam, a base, a column between the upper beam and the base, a sanding and sand shooting device and a rotating mechanism arranged on the base, and is characterized in that: a four-station workbench, Lifting sand shooting head and lifting roller table opening and closing mechanism, the four-station worktable is fixed on the rotating mechanism, one side of the upper beam is connected with the lifting sand shooting head, and the other side is connected with the lifting roller table opening and closing mechanism, The lifting type sanding head and the lifting type roller table opening and closing mechanism are arranged on the left and right, and the four-station workbench is located under the lifting type sanding head and the lifting type roller table opening and closing mechanism. The utility model has reasonable structural design, convenient mold cleaning, high sand-covered molding efficiency, and is convenient for users to operate.
Description
技术领域 technical field
本实用新型涉及一种铸造设备,尤其是一种提高覆砂造型效率的设备,它属于铁型覆砂铸造领域。 The utility model relates to a casting device, in particular to a device for improving the efficiency of sand-covered molding, which belongs to the field of iron mold sand-covered casting.
背景技术 Background technique
铁型覆砂是将覆膜砂吹入加热至一定温度的模具与铁型之间的缝隙内,并使之硬化成型的特种铸造工艺,凭借自身工艺的优点,并伴随着汽车工业的发展和水泥行业的兴起,铁型覆砂应用的范围越来越广,特别适合中小型铸件的批量生产,所以铁型覆砂生产线得以大量推广。 Sand-coated iron mold is a special casting process that blows coated sand into the gap between the mold heated to a certain temperature and the iron mold, and hardens it into shape. With the advantages of its own technology, and with the development of the automobile industry and With the rise of the cement industry, the scope of application of sand-coated iron molds is becoming wider and wider, especially suitable for the mass production of small and medium-sized castings, so the sand-coated iron mold production line has been widely promoted.
作为生产线的核心设备——覆砂造型机,其造型效率的高低则是决定生产线运转快慢的主要因素,覆砂造型共有五个工序:合模、射砂、固化、开模、模具清理,这五个工序相辅相成,缺一不可,在这些工序里,固化和模具清理占用的时间较多。 As the core equipment of the production line--sand-covered molding machine, its molding efficiency is the main factor determining the speed of the production line. There are five processes in sand-covered molding: mold closing, sand shooting, curing, mold opening, and mold cleaning. The five processes complement each other and are indispensable. Among these processes, curing and mold cleaning take up more time.
现有一些覆砂造型机,是在同一工位上将这五个工序顺序完成,导致在该工位占用大量时间,而迫使生产线的其它工位进入等待造型状态,降低了生产效率,而且由于模具上方有铁型和射砂头的遮挡,清理空间较小,不利于模具的清理。 In some existing sand-covered molding machines, these five processes are completed sequentially at the same station, which results in a large amount of time spent in this station, forcing other stations in the production line to enter a waiting state for molding, reducing production efficiency, and due to There is an iron mold and a sand-shooting head above the mold, so the cleaning space is small, which is not conducive to the cleaning of the mold.
为了满足市场对铁型覆砂铸件的大量需求,企业不得不同时使用两条或多条铁型覆砂生产线来生产,这对企业来说,增加了生产成本,而且占用更多的土地资源和人力成本。 In order to meet the market's large demand for iron mold sand-coated castings, enterprises have to use two or more iron mold sand-coated production lines to produce at the same time, which increases production costs for enterprises and takes up more land resources and resources. Labor costs.
中国专利号201220113604.3公开了一种名称为“一种覆砂造型机” 的实用新型专利,它包括机架,所述机架包括顶箱和与顶箱底部连接的立柱,所述顶箱底部设置有覆砂盖,覆砂盖下方设置有支撑辊道,所述支撑管道向两侧延伸形成输送辊道段,支撑辊道上设置有止动部件,该专利虽然结构简单,但是没有设置模具清理等结构,故还是存在上述缺陷。 China Patent No. 201220113604.3 discloses a utility model patent titled "a sand-covered molding machine", which includes a frame, the frame includes a top box and a column connected to the bottom of the top box, and the bottom of the top box is set There is a sand-covered cover, and a support roller table is set under the sand-covered cover. The support pipe extends to both sides to form a conveying roller table section, and a stopper is arranged on the support roller table. Although the structure of this patent is simple, there is no mold cleaning, etc. structure, so there are still the above-mentioned defects.
中国专利号200820085552.7公开了一种名称为“适应自动化生产线的覆砂造型机”的实用新型专利,该专利通过轨道移进移出运动,将覆砂后的铁型由模具正上方移至模具外侧,为模具清理腾出一定的空间,在一定程度上方便了清理工作进行,但对于整个覆砂造型工序而言,仍是将五个工序集中在同一工位进行,对造型效率并没有实质性地提高,故还是存在以上缺陷。 China Patent No. 200820085552.7 discloses a utility model patent named "Sand-coated molding machine adapted to automatic production line". This patent moves in and out by rails, and moves the sand-coated iron mold from directly above the mold to the outside of the mold. Clearing up a certain space for mold cleaning facilitates the cleaning work to a certain extent, but for the entire sand-covered molding process, the five processes are still concentrated in the same station, which has no substantial impact on the molding efficiency. improve, so there are still the above defects.
实用新型内容 Utility model content
本实用新型所要解决的技术问题是,克服现有技术存在的缺陷,而提供一种结构设计合理,增加模具清理空间的提高覆砂造型效率的设备。 The technical problem to be solved by the utility model is to overcome the defects of the prior art, and provide a device with reasonable structure design, increased mold cleaning space, and improved sand-covered molding efficiency.
本实用新型解决上述问题所采用的技术方案是:一种提高覆砂造型效率的设备,包括由上梁、底座、上梁和底座之间的立柱组成的支撑框架,加砂射砂装置和设置在底座上的旋转机构,其特征在于:还包括四工位工作台、升降式射砂头和升降式辊道开合机构,所述的四工位工作台固定在旋转机构上,所述横梁一侧连接有升降式射砂头,另一侧连接有升降式辊道开合机构,升降式射砂头与升降式辊道开合机构左右设置,四工位工作台位于升降式射砂头和升降式辊道开合机构下方;便于在升降式射砂头下方形成一个用于合模、射砂的一号工位,在升降式辊道开合机构下方形成一个用于开模的三号工位,通过控制四工位工作台的间歇转动,在上述两工位之间形成了用于固化的第二工位和用于模具清理的第四工位,支撑框架用于安装上梁和底座等部件,起固定作用,加砂射砂装置为升降式射砂头加砂和增压,旋转机构是为了更好地使四工位工作台转动,提高覆砂造型效率。 The technical solution adopted by the utility model to solve the above problems is: a device for improving the efficiency of sand-covered molding, including a support frame composed of an upper beam, a base, a column between the upper beam and the base, a sand-adding and sand-shooting device and a device The rotating mechanism on the base is characterized in that it also includes a four-station workbench, a lift-type sand shooting head and a lift-type roller table opening and closing mechanism, the four-station workbench is fixed on the rotation mechanism, and the beam One side is connected with the lifting type sanding head, and the other side is connected with the lifting type roller table opening and closing mechanism. The lifting type sanding head and the lifting type roller table opening and closing mechanism are arranged on the left and right. and under the lifting roller table opening and closing mechanism; it is convenient to form a No. 1 station for mold clamping and sand shooting under the lifting type sand shooting head, and a No. No. 1 station, by controlling the intermittent rotation of the four-station worktable, the second station for curing and the fourth station for mold cleaning are formed between the above two stations, and the supporting frame is used to install the upper beam And the base and other components play a fixed role. The sanding and shooting device is a lifting type sanding head for sanding and pressurization. The rotating mechanism is to better rotate the four-station workbench and improve the sand-covered molding efficiency.
本实用新型所述的升降式射砂头上设置有第一辊道架、第一伸缩式油缸和射砂头,该第一辊道架和第一伸缩式油缸通过铰链方式与射砂头连接,升降式辊道开合机构包括第二辊道架、第二伸缩式油缸和辊道支撑座,该第二辊道架和第二伸缩式油缸通过铰链方式连接在所述的辊道支撑座上,四工位工作台上设有对称分布的四个模具;通过第一伸缩式油缸伸出和缩回动作控制第一辊道架地闭合与开启,第二伸缩式油缸和第二辊道架也是相同作用,四个对称分布的模具用于四个工位的运转。 The lifting sand shooting head described in the utility model is provided with a first roller frame, a first telescopic oil cylinder and a sand shooting head, and the first roller frame and the first telescopic oil cylinder are connected with the sand shooting head through a hinge. The lifting type roller table opening and closing mechanism includes a second roller table frame, a second telescopic oil cylinder and a roller table support seat, and the second roller table frame and the second telescopic oil cylinder are connected to the roller table support seat through a hinge On the four-station workbench, there are four symmetrically distributed molds; the closing and opening of the first roller frame is controlled by the extension and retraction of the first telescopic oil cylinder, and the second telescopic oil cylinder and the second roller table The frame also has the same function, and four symmetrically distributed molds are used for the operation of four stations.
本实用新型所述的加砂射砂装置设有加砂斗、与加砂斗连接的自动加砂机构和射砂储气包,加砂斗和射砂储气包均固定在上梁上,加砂斗通过自动加砂机构与升降式射砂头连接;射砂储气包为射砂头充气加压,压力空气将覆膜砂吹入铁型和模具的缝隙内,形成覆砂层,自动加砂机构为升降式射砂头加砂。 The sand-filling and sand-shooting device described in the utility model is provided with a sand-filling bucket, an automatic sand-filling mechanism connected with the sand-filling bucket, and a sand-shooting gas storage bag, and the sand-filling bucket and the sand-shooting gas storage bag are fixed on the upper beam. The sand feeding bucket is connected with the lifting sand shooting head through the automatic sand feeding mechanism; the sand shooting air storage bag inflates and pressurizes the sand shooting head, and the pressure air blows the coated sand into the gap between the iron mold and the mold to form a sand coating layer. The automatic sand feeding mechanism is a lifting type sand injection head.
本实用新型所述的旋转机构设有回转支承和伺服电机,该回转支承和伺服电机均设置在底座上;底座用于安装其它结构部件。 The rotating mechanism described in the utility model is provided with a slewing support and a servo motor, and the slewing support and the servo motor are both arranged on a base; the base is used for installing other structural components.
本实用新型还包括电加热管、集电环和电刷,所述的电加热管与模具连接,集电环固定在底座上,电刷与旋转机构连接;集电环和电刷为电控箱供电,使模具加热至适当温度,进行覆砂造型。 The utility model also includes an electric heating tube, a collector ring and an electric brush. The electric heating pipe is connected with the mould, the collector ring is fixed on the base, and the electric brush is connected with the rotating mechanism; the collector ring and the electric brush are electrically controlled The box is powered to heat the mold to an appropriate temperature for sand-covered molding.
本实用新型所述的升降式辊道开合机构与所述的升降式射砂头关于底座的中心线对称设置;两侧对称的设计,使其至四工位工作台上的中心距离相等,便于铁型分型面与模具型板位置一致。 The lift-type roller table opening and closing mechanism described in the utility model and the lift-type sand-shooting head are arranged symmetrically with respect to the center line of the base; the symmetrical design on both sides makes the center distances to the four-station workbench equal, It is convenient for the iron parting surface to be consistent with the position of the mold plate.
本实用新型所述的射砂储气包通过常闭电磁阀与升降式射砂头相连接,该升降式射砂头还连接常开电磁阀;常开电磁阀闭合,常闭电磁阀开启,为射砂头增压射砂。 The sand shooting gas storage bag described in the utility model is connected with the lifting type sand shooting head through the normally closed electromagnetic valve, and the lifting type sand shooting head is also connected with the normally open electromagnetic valve; the normally open electromagnetic valve is closed, and the normally closed electromagnetic valve is opened. Pressurize the sanding head for sanding.
本实用新型所述的四个模具的中心回转半径与升降式射砂头中心线或升降式辊道开合机构中心线至四工位工作台回转中心线的水平距离相等;使升降式射砂头和升降式辊道开合机构位于四个模具正上方,便于四工位工作台转动进行覆砂造型所需的工位。 The central gyration radius of the four molds described in the utility model is equal to the horizontal distance from the center line of the lifting type sand shooting head or the center line of the lifting type roller table opening and closing mechanism to the rotation center line of the four-station worktable; the lifting type sand shooting The head and the lifting roller table opening and closing mechanism are located directly above the four molds, which is convenient for the four-station worktable to rotate for the stations required for sand-covered molding.
本实用新型所述射砂头通过固定在上梁的第一升降油缸实现运动,所述辊道支撑座通过固定在上梁的第二升降油缸实现运动;第一升降油缸实现射砂头的上下平行运动,第二升降油缸实现辊道开合机构的上下平行运动。 The sand shooting head of the utility model moves through the first lifting oil cylinder fixed on the upper beam, and the roller support base moves through the second lifting oil cylinder fixed on the upper beam; the first lifting oil cylinder realizes the movement of the sand shooting head up and down Parallel movement, the second lifting cylinder realizes the up and down parallel movement of the roller table opening and closing mechanism.
本实用新型与现有技术相比具有以下优点和效果:1.结构设计合理,覆砂造型时,采用四工位工作台旋转造型,四个工位进行动作,铁型造型时间缩短,提高了覆砂造型的效率。 Compared with the prior art, the utility model has the following advantages and effects: 1. The structure design is reasonable. When molding with sand, a four-station worktable is used to rotate the molding, and the four stations perform actions. Sand molding efficiency.
2.在四工位结构中,单独腾出了模具清理工位,提高模具清理所占用的空间,便于人工操作,而且该工位也可作为换模工位,由于空间较大,换模方便。 2. In the four-station structure, the mold cleaning station is vacated separately, which increases the space occupied by mold cleaning and is convenient for manual operation, and this station can also be used as a mold changing station. Due to the large space, it is convenient to change molds .
3.铁型从覆砂造型设备的一侧进入,另一侧推出,整个过程物流顺畅,有利于铁型覆砂生产线的布置。 3. The iron mold enters from one side of the sand-coated molding equipment and is pushed out from the other side. The whole process is smooth, which is conducive to the layout of the iron mold sand-coated production line.
附图说明 Description of drawings
图1为本实用新型装置的主视结构示意图。 Fig. 1 is a schematic diagram of the front view of the device of the present invention.
图2为本实用新型A-A的结构示意图。 Fig. 2 is a schematic structural view of the utility model A-A.
图3为本实用新型B-B的结构示意图。 Fig. 3 is a structural schematic diagram of the utility model B-B.
图4为本实用新型中四位工作台的俯视结构示意图。 Fig. 4 is a top view structural diagram of the four-position workbench in the utility model.
图5为本实用新型合模射砂过程的结构示意图。 Fig. 5 is a structural schematic diagram of the sand shooting process of mold closing of the present invention.
图6为本实用新型开模过程的结构示意图。 Fig. 6 is a structural schematic diagram of the mold opening process of the utility model.
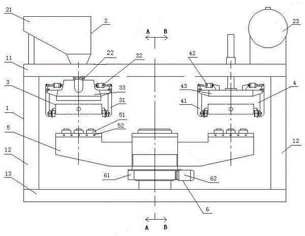
图中:一号工位Ⅰ,二号工位Ⅱ,三号工位Ⅲ,四号工位Ⅳ,支撑框架1,加砂射砂装置2,升降式射砂头3,升降式辊道开合机构4,四工位工作台5,旋转机构6,第一升降油缸7,第二升降油缸8,蜗杆9,上梁11,立柱12,底座13,加砂斗21,自动加砂机构22,射砂储气包23,第一辊道架31,第一伸缩式油缸32,射砂头33,第二辊道架41,第二伸缩式油缸42,辊道支撑座43,模具51,电加热管52,集电环53,电刷54,回转支承61,伺服电机62,第一导向杆71,第二导向杆81,第一生产线辊道架311,铁型312,常闭电磁阀313,常开电磁阀314,第二生产线辊道架411,回转支承内圈611,回转支承外圈612。
In the figure: No. 1 station Ⅰ, No. 2 station Ⅱ, No. 3 station Ⅲ, No. 4 station Ⅳ, support frame 1, sanding and sand shooting device 2, lifting
具体实施方式 Detailed ways
下面结合附图和实施例对本实用新型作进一步描述。 Below in conjunction with accompanying drawing and embodiment the utility model is described further.
参见图1~图6,本实施例包括支撑框架1,加砂射砂装置2,升降式射砂头3,升降式辊道开合机构4,四工位工作台5和旋转机构6。
1 to 6, this embodiment includes a support frame 1, a sanding and sand shooting device 2, a lifting
支撑框架1包括上梁11、立柱12和底座13,立柱12连接在上梁11和底座13之间,三者固定成一个整体,上梁11一侧连接有升降式射砂头3,另一侧连接有升降式辊道开合机构4,底座13上安装有旋转机构6,旋转机构6上固定有四工位工作台5。
The support frame 1 comprises an
加砂射砂装置2包括加砂斗21、自动加砂机构22和射砂储气包23,加砂斗21和射砂储气包23固定在上梁11上,加砂斗21通过自动加砂机构22为射砂头33加砂,射砂储气包23通过常闭电磁阀313与升降式射砂头3相连通,升降式射砂头3与常开电磁阀314相连通。
Sand-adding and sand-shooting device 2 includes a sand-adding
升降式射砂头3包括装有辊轮的第一辊道架31、第一伸缩式油缸32和射砂头33,升降式射砂头3固定安装在上梁11上,射砂头33由固定在上梁11的第一升降油缸7带动,用第一导向杆71做平衡支撑,实现射砂头33的上下平行运动,射砂头33与第一辊道架31和第一伸缩式油缸32连接,第一辊道架31和第一伸缩式油缸32通过铰链方式连接在射砂头33上,通过第一升降油缸7伸出和缩回的动作来控制第一辊道架31的闭合和张开。
The lifting
升降式辊道开合机构4包括装有滚轮的第二辊道架41、第二伸缩式油缸42和辊道支撑座43,升降式辊道开合机构4安装在上梁11上,第二辊道架41和第二伸缩式油缸42通过铰链方式连接在辊道支撑座43上,通过第二升降油缸8伸出和缩回的动作来控制第二辊道架41的闭合和张开,辊道支撑座43由固定在上梁11上的第二升降油缸8带动,用第二导向杆81做平衡支撑,实现辊道开合机构的上下平行运动,所述的升降式辊道开合机构4与所述的升降式射砂头3关于底座13的平面中心线对称布置。
The lifting type roller table opening and closing mechanism 4 includes the second
四工位工作台5固定在旋转机构6上,四工位工作台5安装有四个模具51,形成一号工位Ⅰ、二号工位Ⅱ、三号工位Ⅲ和四号工位Ⅳ,四个模具51的中心回转半径等于升降式射砂头3中心线或升降式辊道开合机构4中心线至四工位工作台5回转中心线的水平距离。
The four-
本实施例还包括电加热管52、集电环53和电刷54,四个模具51均配有电控箱和电加热管52,电加热管52与模具51连接,集电环53固定在底座13上,电刷54与旋转机构6连接,电控箱通过集电环53和电刷54为其供电,使模具51加热至适当温度,进行覆砂造型。
This embodiment also includes
旋转机构6包括回转支承61和伺服电机62,回转支承61安装在底座13中心上,伺服电机62固定底座13上,伺服电机62带动蜗杆9与回转支承外圈612啮合,驱动回转支承外圈612旋转,四工位工作台5固定在回转支承外圈612上,从而带动四工位工作台5旋转,回转支承内圈611主要起固定的作用,四工位工作台5每转动90°会进入暂停,暂停的时间由铸造工艺参数决定,暂停是为了将模具51停靠在升降式射砂头3或升降式辊道开合机构4的正下方。
The
本实施例采用四工位工作台5,若覆砂造型合模耗时T1,射砂耗时T2,固化耗时T3,开模耗时T4,模具51清理耗时T5,完成一个覆砂造型时间即为:T1+T2+T3+T4+T5=T,即在T时间里会有一个铁型312造型完成;在保证T不变的前提下,采用四工位旋转造型方式,每工位时间变为T/4,此旋转时间忽略,即每T/4的时间里,就会有一个铁型312造型完成,这从本质上提高了覆砂造型的效率,若要进一步缩短成型周期,可继续增加旋转工位数量,但生产线运转速度取决于最低效工位运转速度,依照现有铁型312覆砂生产线的技术水平,四工位为最佳选型。
This embodiment adopts a four-
在不影响造型质量的前提下,将在同一工位上进行的合模、射砂、固化、开模、模具51清理五个工序分解至若干个工位进行,在保证固化时间一致的同时,有效地降低了铁型312在同一工位的停滞时间,提高了覆砂造型线的运转效率。
Under the premise of not affecting the molding quality, the five processes of mold closing, sand shooting, curing, mold opening, and
本实施例一号工位Ⅰ为合模、射砂工位,二号工位Ⅱ为固化工位,三号工位Ⅲ为开模工位,四号工位Ⅳ为模具51清理工位。
In this embodiment, No. 1 station I is the mold clamping and sand shooting station, No. 2 station II is the curing station, No. 3 station III is the mold opening station, and No. 4 station IV is the
参见图4-图6,工作时,第一升降油缸7向上运动,带动射砂头33升至高位后,第一伸缩式油缸32伸出,将第一辊道架31闭合,此时第一辊道架31与第一生产线辊道架311在同一水平线上,位于生产线上等待覆砂造型的铁型312被推进射砂头33正下方的第一辊道架31上,第一升降油缸7开始向下运动,铁型312分型面与模具51型板接触并被托住,铁型312停止运动,而射砂头33继续下降,直到射砂板的下底面与铁型312上表面接触,并压牢铁型312,第一升降油缸7停止下降运动,将常开电磁阀314闭合,常闭电磁阀313开启,射砂储气包23为射砂头33充气加压,通过射砂板将射砂头33内覆膜砂吹入模具51与铁型312的缝隙内,同时,第一伸缩油缸5缩回,此时将第一辊道架31开启,数秒后,常开电磁阀314开启,常闭电磁阀313闭合,为射砂头33减压排气,等到射砂头33内的气压等于外界气压后,第一升降油缸7上升,带动射砂头33升至高位,第一伸缩式油缸32伸出,将第一辊道架31闭合,等待下一个铁型312进入;四工位工作台5顺时针转动90°,将已经覆砂的铁型312带动至二号工位Ⅱ进行固化,同时将没有铁型312遮挡的另一模具51由四号工位Ⅳ移动至一号工位Ⅰ,完成下一个铁型312的合模、射砂动作,四工位工作台5继续转动90°,将已完成覆膜砂固化的铁型312带动至三号工位Ⅲ,第二伸缩式油缸42缩回,将第二辊道架41开启,第二升降油缸8向下运动至低位,第二伸缩式油缸42伸出,将第二辊道架41闭合,第二升降油缸8向上运动,辊轮托住铁型312跑边,将铁型312与模具51分离,第二升降油缸8带动铁型312升至高位,此时第二辊道架41与第二生产线辊道架411在同一水平线上,铁型312被推进生产线内,三号工位Ⅲ开箱动作完成;四工位工作台5继续转动90°,将已固化完成的另一铁型312带动至三号工位Ⅲ,开始开箱动作,同时开箱后的模具51已由三号工位Ⅲ移动至四号清理工位,由人工完成对模具51的清理,清理模具51完毕,四工位工作台5再继续转动90°,模具51由四号工位Ⅳ转动至一号工位Ⅰ,重复上述覆砂造型过程。
Referring to Fig. 4-Fig. 6, when working, the first lifting cylinder 7 moves upwards, and after driving the
以上仅仅是本说明书中所描述的一个具体实施例,可以在此实用新型中增加装置,凡依本实用新型专利构思所述的构造、特征及材料所做的等效或简单变化,均包括于本实用新型专利的保护范围内。 The above is only a specific embodiment described in this specification. Devices can be added to this utility model. All equivalent or simple changes made according to the structure, features and materials described in the utility model patent concept are included in the Within the protection scope of the utility model patent.
Claims (9)
Priority Applications (1)
| Application Number | Priority Date | Filing Date | Title |
|---|---|---|---|
| CN 201320177026 CN203221184U (en) | 2013-04-10 | 2013-04-10 | Equipment for improving sand molding efficiency |
Applications Claiming Priority (1)
| Application Number | Priority Date | Filing Date | Title |
|---|---|---|---|
| CN 201320177026 CN203221184U (en) | 2013-04-10 | 2013-04-10 | Equipment for improving sand molding efficiency |
Publications (1)
| Publication Number | Publication Date |
|---|---|
| CN203221184U true CN203221184U (en) | 2013-10-02 |
Family
ID=49248201
Family Applications (1)
| Application Number | Title | Priority Date | Filing Date |
|---|---|---|---|
| CN 201320177026 Expired - Lifetime CN203221184U (en) | 2013-04-10 | 2013-04-10 | Equipment for improving sand molding efficiency |
Country Status (1)
| Country | Link |
|---|---|
| CN (1) | CN203221184U (en) |
Cited By (6)
| Publication number | Priority date | Publication date | Assignee | Title |
|---|---|---|---|---|
| CN103203434A (en) * | 2013-04-10 | 2013-07-17 | 浙江省机电设计研究院有限公司 | Equipment and method for improving sand lined casting efficiency |
| CN103611891A (en) * | 2013-11-26 | 2014-03-05 | 浙江省机电设计研究院有限公司 | Sand lining molding machines suitable for tandem arrangement and arrangement method |
| CN103611889A (en) * | 2013-11-26 | 2014-03-05 | 浙江省机电设计研究院有限公司 | Sand shooting device and method for sand lining molding of multiple metal molds |
| CN103934420A (en) * | 2014-04-29 | 2014-07-23 | 浙江省机电设计研究院有限公司 | Double working position iron based coated sand modeling apparatus for shuttle movement sand-shooting, and modeling method |
| CN106424591A (en) * | 2016-09-27 | 2017-02-22 | 苏州欣苏诚铸造机械有限公司 | Rotary disc type moulding system |
| CN112872301A (en) * | 2021-02-07 | 2021-06-01 | 景县诚信铸造模具有限公司 | Four-station molding machine and using method thereof |
-
2013
- 2013-04-10 CN CN 201320177026 patent/CN203221184U/en not_active Expired - Lifetime
Cited By (8)
| Publication number | Priority date | Publication date | Assignee | Title |
|---|---|---|---|---|
| CN103203434A (en) * | 2013-04-10 | 2013-07-17 | 浙江省机电设计研究院有限公司 | Equipment and method for improving sand lined casting efficiency |
| CN103203434B (en) * | 2013-04-10 | 2015-08-05 | 浙江省机电设计研究院有限公司 | Equipment and the method for sand molding efficiency are covered in a kind of raising |
| CN103611891A (en) * | 2013-11-26 | 2014-03-05 | 浙江省机电设计研究院有限公司 | Sand lining molding machines suitable for tandem arrangement and arrangement method |
| CN103611889A (en) * | 2013-11-26 | 2014-03-05 | 浙江省机电设计研究院有限公司 | Sand shooting device and method for sand lining molding of multiple metal molds |
| CN103611889B (en) * | 2013-11-26 | 2015-09-09 | 浙江省机电设计研究院有限公司 | Sand shooting device and sand shooting method for sand-covered molding of various iron molds |
| CN103934420A (en) * | 2014-04-29 | 2014-07-23 | 浙江省机电设计研究院有限公司 | Double working position iron based coated sand modeling apparatus for shuttle movement sand-shooting, and modeling method |
| CN106424591A (en) * | 2016-09-27 | 2017-02-22 | 苏州欣苏诚铸造机械有限公司 | Rotary disc type moulding system |
| CN112872301A (en) * | 2021-02-07 | 2021-06-01 | 景县诚信铸造模具有限公司 | Four-station molding machine and using method thereof |
Similar Documents
| Publication | Publication Date | Title |
|---|---|---|
| CN103203434B (en) | Equipment and the method for sand molding efficiency are covered in a kind of raising | |
| CN203221184U (en) | Equipment for improving sand molding efficiency | |
| CN105500519A (en) | Core-lifting rotary type vibrating extrusion forming tubing machine | |
| CN103171140B (en) | Bottle blowing machine | |
| CN203764907U (en) | Shuttling type sand-ejecting double-station iron type sand-laying molding device | |
| CN203791148U (en) | Edge-painting machine | |
| CN205966241U (en) | Fitment is with high -efficient japanning device of iron plate | |
| CN110666949B (en) | A prefabricated concrete beam production line | |
| CN202639238U (en) | Shell core machine | |
| CN214321724U (en) | A four-station vertical sanding molding machine | |
| CN113857439A (en) | New forms of energy foundry lost foam is stained with thick liquid device | |
| CN217166406U (en) | A all-round high-efficient spraying device of release agent for exhaust duct production | |
| CN207888439U (en) | A kind of sand paper apparatus for automatic change for spue line grinding apparatus | |
| CN210969348U (en) | Precast concrete beam production line | |
| CN108856652A (en) | A kind of the sand core apparatus for placing and method of horizontal mo(u)lding line | |
| CN109093078A (en) | It is a kind of to cover sand molding machine and moulding production method for two-sided cavity swage | |
| CN112893231B (en) | A slag cleaning and oiling maintenance device for pipe pile mold | |
| CN206010757U (en) | A flip-type light sweeping machine with safety self-locking function | |
| CN209021175U (en) | A sand-covered molding machine for double-sided cavity iron molds | |
| CN207668476U (en) | A kind of pedestal die for processing | |
| CN207224411U (en) | A kind of mould for facilitating form removal | |
| CN117102438A (en) | Multi-contact rotary hydraulic compaction molding machine | |
| CN111347011A (en) | A double-sided cavity iron-type vertical sand-shot sand-covering molding machine and its working method | |
| CN207668443U (en) | A kind of sand mold 3D printing model fettling installation | |
| CN211360571U (en) | Iron mold sand shooting hole residual sand cleaning device with multiple replaceable ejector rod plates |
Legal Events
| Date | Code | Title | Description |
|---|---|---|---|
| C14 | Grant of patent or utility model | ||
| GR01 | Patent grant | ||
| AV01 | Patent right actively abandoned |
Granted publication date: 20131002 Effective date of abandoning: 20150805 |
|
| RGAV | Abandon patent right to avoid regrant |
