CN203166540U - 复合型高压直流输电系统 - Google Patents

复合型高压直流输电系统 Download PDF

Info

Publication number
CN203166540U
CN203166540U CN201320030429.6U CN201320030429U CN203166540U CN 203166540 U CN203166540 U CN 203166540U CN 201320030429 U CN201320030429 U CN 201320030429U CN 203166540 U CN203166540 U CN 203166540U
Authority
CN
China
Prior art keywords
power electronic
positive terminal
fully
electronic device
terminal
Prior art date
Legal status (The legal status is an assumption and is not a legal conclusion. Google has not performed a legal analysis and makes no representation as to the accuracy of the status listed.)
Expired - Lifetime
Application number
CN201320030429.6U
Other languages
English (en)
Inventor
傅闯
饶宏
许树楷
黎小林
Current Assignee (The listed assignees may be inaccurate. Google has not performed a legal analysis and makes no representation or warranty as to the accuracy of the list.)
China South Power Grid International Co ltd
Original Assignee
China South Power Grid International Co ltd
Priority date (The priority date is an assumption and is not a legal conclusion. Google has not performed a legal analysis and makes no representation as to the accuracy of the date listed.)
Filing date
Publication date
Application filed by China South Power Grid International Co ltd filed Critical China South Power Grid International Co ltd
Priority to CN201320030429.6U priority Critical patent/CN203166540U/zh
Application granted granted Critical
Publication of CN203166540U publication Critical patent/CN203166540U/zh
Anticipated expiration legal-status Critical
Expired - Lifetime legal-status Critical Current

Links

Images

Classifications

    • YGENERAL TAGGING OF NEW TECHNOLOGICAL DEVELOPMENTS; GENERAL TAGGING OF CROSS-SECTIONAL TECHNOLOGIES SPANNING OVER SEVERAL SECTIONS OF THE IPC; TECHNICAL SUBJECTS COVERED BY FORMER USPC CROSS-REFERENCE ART COLLECTIONS [XRACs] AND DIGESTS
    • Y02TECHNOLOGIES OR APPLICATIONS FOR MITIGATION OR ADAPTATION AGAINST CLIMATE CHANGE
    • Y02EREDUCTION OF GREENHOUSE GAS [GHG] EMISSIONS, RELATED TO ENERGY GENERATION, TRANSMISSION OR DISTRIBUTION
    • Y02E60/00Enabling technologies; Technologies with a potential or indirect contribution to GHG emissions mitigation
    • Y02E60/60Arrangements for transfer of electric power between AC networks or generators via a high voltage DC link [HVCD]

Landscapes

  • Inverter Devices (AREA)
  • Rectifiers (AREA)

Abstract

本实用新型是一种复合型高压直流输电系统。包括至少一个整流站、一个逆变站和架空电力输电线路,整流站及逆变站都包括正极和负极,整流站采用晶闸管换流器,晶闸管换流器的正极及负极都至少包括一个十二脉动晶闸管换流器;逆变站采用具有直流故障处理能力的电压源换流器,电压源换流器的正极及负极都至少包括两个串联的模块化多电平换流器;各站正负极连接点根据直流输电系统处于双极、单极大地回线或单极金属回线运行方式与接地极或站内地网连接,整流站与逆变站之间通过架空电力输电线路相连。本实用新型能避免直流输电系统中逆变站的换相失败,运行方式灵活、可靠性高,降低工程造价,综合晶闸管换流器和电压源换流器的优点,且具有直流侧故障处理能力。

Description

复合型高压直流输电系统
技术领域
本实用新型是一种能处理直流侧故障的复合型高压直流输电系统,特别是一种涉及整流站采用晶闸管换流器、逆变站采用具有直流故障处理能力的多电平模块化电压源换流器的高压直流输电系统,属于高压直流输电领域。
背景技术
整流站和逆变站均采用晶闸管换流器的高压直流输电系统具有损耗小、造价相对较低、可靠性高等优点。但晶闸管换流器逆变运行时容易发生换相失败,对于多回直流集中馈入电网,交流系统故障可能引起多个换流站同时换相失败,给电网造成巨大冲击,严重影响系统的安全稳定运行。
对于采用晶闸管换流器有多个逆变站的多端高压直流输电系统,一个逆变站发生换相失败时,其它各站直流电流将涌入该站,使得该站产生很大的暂态电流,可能造成该站设备损坏,这限制了有多个逆变站的多端高压直流输电系统的应用。
电压源换流器采用全控型电力电子器件,从根本上消除换相失败。基于电压源换流器的柔性直流输电系统近些年来有了长足的进步,已在新能源并网、与弱系统互联、向无源网络和孤立负荷供电等领域得到了成功的应用,表现出了比采用晶闸管换流器的直流输电系统更更加优良的性能,具有良好的应用前景。但同等电压等级和容量的电压源换流器比晶闸管换流器投资高很多。
用于柔性直流输电系统的电压源换流器拓扑主要包括两种:开关型(Switch type)和可控电压源(Controllable voltage source type)。开关型拓扑采用两电平或三电平结构,桥臂由多个全控型电力电子器件串联,ABB公司已将这种拓扑应用于多个工程。开关型拓扑存在器件开关频率高、损耗大、动态均压困难、谐波较大、电磁干扰较大、容量提升困难、需要配置一定容量的高通滤波器等缺点。可控电压源拓扑采用子模级联结构,对器件触发一致性、动态均压要求低,扩展性好,输电电压波形好,开关频率低,运行损耗低,交直流侧均不需要配置滤波器。目前投运或在建基于模块化多电平换流器的柔性直流输电系统主要采用了半H桥结构子模块。基于两电平、三电平、半H桥子模块的电压源换流器拓扑都不具备直流故障处理能力,在直流侧发生短路故障时,与全控型电力电子器件并联的二极管构成不可控整流回路,不能采用晶闸管换流器高压直流输电系统中的直流侧故障重启动方法,只能跳开交流侧断路器进行故障处理,响应速度较慢,因此仅适用于故障率低电缆线路,不适合于易发生暂时性故障的电力架空线路。
发明内容
本实用新型的目的在于考虑上述问题而提供一种不仅能消除换相失败,且降低了工程造价的能处理直流侧故障的复合型高压直流输电系统。本实用新型综合了晶闸管换流器和电压源换流器的优点,是一种能处理直流侧故障的复合型高压直流输电系统,可迅速完成系统重新启动,运行方式灵活,可靠性高,特别适用于通过远距离架空线路向多回直流集中馈入电网,也适用于具有两个以上逆变站的多端高压直流输电系统。
本实用新型的技术方案是:本实用新型的复合型高压直流输电系统, 包括有至少一个整流站、一个逆变站和架空电力输电线路,整流站及逆变站都包括正极和负极,其中整流站采用晶闸管换流器,晶闸管换流器的正极及负极都至少包括一个十二脉动晶闸管换流器;逆变站采用具有直流故障处理能力的电压源换流器,电压源换流器的正极及负极都至少包括两个串联的模块化多电平换流器;各站正负极连接点根据直流输电系统处于双极、单极大地回线或单极金属回线运行方式与接地极或者站内地网连接,整流站与逆变站之间通过架空电力输电线路相连。
上述整流站和逆变站均配置平波电抗器,整流站每极均配置直流滤波器和交流滤波器,逆变站每极均不配置直流滤波器和交流滤波器。
上述晶闸管换流器的正极及负极所设的十二脉动晶闸管换流器包括有上六脉动桥及下六脉动桥,上六脉动桥与一台Y0/Y联结变压器Y侧连接,下六脉动桥与一台Y0/△联结变压器△侧连接,或十二脉动晶闸管换流器的上六脉动桥及下六脉动桥与一台Y0/Y/△联结变压器的Y侧和△侧分别连接。
上述逆变站所设的电压源换流器为三相六桥臂结构,每个桥臂由一个电抗器和若干个换流模块组成,若干个换流模块串联后一侧通过电抗器与Y0/△联结变压器△侧对应一相端口连接。
上述复合型高压直流输电系统采用完整双极结构,即正极、负极均可采用单极大地或者单极金属回线运行方式独立运行。
上述逆变站所设的电压源换流器中的换流模块采用全桥子模块,或钳位双子模块,或全桥并联子模块,或钳位双并联子模块。
本实用新型综合了晶闸管换流器和电压源换流器的优点,逆变站采用具有直流故障处理能力的电压源换流器消除了逆变站的换相失败,整流站采用晶闸管换流器可降低工程造价,采用完整双极结构使得运行方式灵活、可靠性高,特别适用于通过远距离架空线路向多回直流集中馈入电网,也适用于具有两个以上逆变站的多端高压直流输电系统。本实用新型的复合型高压直流输电系统设计合理,方便实用,既可用于新建直流输电工程,也可用于已建直流输电工程的改造,具有广阔的应用前景。
附图说明
下面结合附图和具体实施方式对本实用新型专利进一步详细说明。
图1为本实用新型的复合型高压直流输电系统的结构示意图。
图2为本实用新型整流站采用的十二脉动晶闸管换流器的结构示意图。
图3为本实用新型逆变站采用的模块化多电平换流器的结构示意图。
图4为本实用新型采用的全桥子模块的结构示意图。
图5为本实用新型采用的钳位双子模块的结构示意图。
图6为本实用新型采用的全桥并联子模块的结构示意图。
图7为本实用新型采用的钳位并联双子模块的结构示意图。
具体实施方式
实施例:
本实用新型的一种复合型高压直流输电系统,本实用新型的复合型高压直流输电系统, 包括有至少一个整流站、一个逆变站和架空电力输电线路,整流站及逆变站都包括正极和负极,其中整流站采用晶闸管换流器,晶闸管换流器的正极及负极都至少包括一个十二脉动晶闸管换流器;逆变站采用具有直流故障处理能力的电压源换流器,电压源换流器的正极及负极都至少包括两个串联的模块化多电平换流器;各站正负极连接点根据直流输电系统处于双极、单极大地回线或单极金属回线运行方式与接地极或者站内地网连接,整流站与逆变站之间通过架空电力输电线路相连。
上述整流站和逆变站均配置平波电抗器,整流站每极均配置直流滤波器和交流滤波器,逆变站每极均不配置直流滤波器和交流滤波器。
上述晶闸管换流器的正极及负极所设的十二脉动晶闸管换流器包括有上六脉动桥及下六脉动桥,上六脉动桥与一台Y0/Y联结变压器Y侧连接,下六脉动桥与一台Y0/△联结变压器△侧连接,或十二脉动晶闸管换流器的上六脉动桥及下六脉动桥与一台Y0/Y/△联结变压器的Y侧和△侧分别连接。
上述逆变站所设的电压源换流器为三相六桥臂结构,每个桥臂由一个电抗器和若干个换流模块组成,若干个换流模块串联后一侧通过电抗器与Y0/△联结变压器△侧对应一相端口连接。
上述复合型高压直流输电系统采用完整双极结构,即正极、负极均可采用单极大地或者单极金属回线运行方式独立运行。
上述逆变站所设的电压源换流器中的换流模块采用全桥子模块,或钳位双子模块,或全桥并联子模块,或钳位双并联子模块。
本实用新型应用于双端高压直流输电系统的结构示意图如图1所示,整流站包括正极和负极,每极主要包括Y0/Y联结变压器Ty、Y0/△联结变压器Td、十二脉动晶闸管换流器R、平波电抗器SRr、直流滤波器DCF、交流滤波器ACF;Y0/Y联结变压器Ty的Y侧、Y0/△联结变压器Td的△侧与十二脉动晶闸管换流器R的上下六脉动桥分别连接,Y0/Y联结变压器Ty的Y0侧、Y0/△联结变压器Td的Y0侧与送端电网交流母线连接;十二脉动晶闸管换流器R与平波电抗器SRr串联后与直流滤波器DCF并联;交流滤波器ACF接在送端电网交流母线上。
本实施例中,逆变站包括正极和负极,每极主要包括两台Y0/△联结变压器Td、两个模块化多电平换流器VSC、平波电抗器SRi;Y0/△联结变压器Td的△侧与模块化多电平换流器VSC连接,Y0侧与受端电网交流母线连接;两个模块化多电平换流器VSC串联后与平波电抗器串联。本实施例中,整流站和逆变站同极平波电抗器间通过架空线路OHL连接。
各站正负极连接点根据直流输电系统处于双极、单极大地回线或单极金属回线运行方式与接地极或者站内地网连接。
十二脉动晶闸管换流器R如图2所示,上六脉动桥与一台接线方式为Y0/Y联结变压器Y侧连接,下六脉动桥与一台接线方式为Y0/△联结变压器△侧连接,也可以是十二脉动晶闸管换流器R上下六脉动桥与一台Y0/Y/△的Y侧和△分别连接。
本实施例中,具有直流故障处理能力的电压源换流器VSC如图3所示,为三相六桥臂结构,每个桥臂由一个电抗器和若干个换流模块组成,若干个换流模块串联后一侧通过电抗器与Y0/△联结变压器△侧对应一相端口连接。
本实施例中,具有直流故障处理能力的直流故障处理能力的电压源换流器VSC中的换流模块采用全桥子模块,或钳位双子模块,或全桥并联子模块,或钳位双并联子模块。
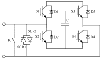
本实施例中,全桥子模块如图4所示,全桥子模块包括四个全控型电力电子器件S1、S2、S3、S4,四个二极管D1、D2、D3、D4,一个电容C,两个晶闸管SCR1、SCR2,一个快速开关K,全控型电力电子器件S1与二极管D1、S2与D2、S3与D3、S4与D4分别反向并联,即全控型电力电子器件正端与二极管负端连接,全控型电力电子器件负端与二极管正端连接;晶闸管SCR1、SCR2与反向并联,即SCR1正端与SCR2负端连接,SCR1负端与SCR2正端连接;全控型电力电子器件S1负端与S2正端连接构成所述全桥子模块的一端,全控型电力电子器件S3负端与S4正端连接构成所述全桥子模块的另一端;全控型电力电子器件S1正端与S3正端和电容器C一端连接,全控型电力电子器件S4负端、S2负端和电容器C另一端连接;快速开关K连接于所述全桥子模块两端;SCR1和SCR2组成的反并联晶闸管对连接于所述全桥子模块两端。
本实施例中,钳位双子模块如图5所示,钳位双子模块包括有五个全控型电力电子器件S1、S2、S3、S4、S5,七个二极管D1、D2、D3、D4、D5、D6、D7,两个电容C1、C2,两个晶闸管SCR1、SCR2,一个快速开关K,其中:全控型电力电子器件S1与二极管D1、S2与D2、S3与D3、S4与D4、S5与D5分别反向并联;晶闸管SCR1、SCR2与反向并联;全控型电力电子器件S1负端与S2正端连接构成所述钳位双子模块的一端,S3负端与S4正端连接构成所述钳位双子模块的另一端;全控型电力电子器件S1正端与S5正端、电容器C1一端和二极管D7正端连接;全控型电力电子器件S2负端与电容器C1另一端和二极管D6正端连接;全控型电力电子器件S3正端与电容器C2一端和二极管D7负极连接;全控型电力电子器件S4负端与S5负端、电容器C2另一端和二极管D6负极相连;快速开关K连接于所述钳位双子模块两端;SCR1和SCR2组成的反并联晶闸管对连接于所述钳位双子模块两端。即在全桥子模块的基础上增加了一个全控型电力电子器件-二极管反并联对、两个二极管和一个电容。
本实施例中,全桥并联子模块如图6所示,钳位双子模块包括包括有八个全控型电力电子器件S11、S21、S31、S41、S12、S22、S32、S42,八个二极管D11、D21、D31、D41、D12、D22、D32、D42,一个电容C,两个晶闸管SCR1、SCR2,一个快速开关K,其中:全控型电力电子器件S11与二极管D11、S21与D21、S31与D31、S41与D41、S12与D12、S22与D22、S32与D32、S42与D42分别反向并联;晶闸管SCR1、SCR2与反向并联;全控型电力电子器件S11负端与S12负端、S21正端、S22正端连接构成所述全桥并联子模块的一端,全控型电力电子器件S31负端与S32负端、S41正端、S42正端连接构成所述全桥子模块的另一端;全控型电力电子器件S11正端与S12正端、S31正端、S32正端和电容器C一端连接,全控型电力电子器件S41负端与S42负端、S21负端、S22负端和电容器C另一端连接;快速开关K连接于所述全桥子模块两端;SCR1和SCR2组成的反并联晶闸管对连接于所述全桥子模块两端。即将全桥子模块对应位置的一个全控型电力电子器件-二极管反并联对改为两个全控型电力电子器件-二极管反并联对。
本实施例中,钳位并联双子模块如图7所示,钳位并联双子模块包括有十个全控型电力电子器件S11、S21、S31、S41、S51、S12、S22、S32、S42、S52,十二个二极管D11、D21、D31、D41、D51、D12、D22、D32、D42、D52、D6、D7,两个电容C1、C2,两个晶闸管SCR1、SCR2,一个快速开关K,其中:全控型电力电子器件S11与二极管D11、S21与D21、S31与D31、S41与D41、S51与D51、S12与D12、S22与D22、S32与D32、S42与D42、S52与D52分别反向并联;晶闸管SCR1、SCR2与反向并联;全控型电力电子器件S11负端与S12负端、S21正端、S22正端连接构成所述钳位并联双子模块的一端,S31负端与S32负端、S41正端、S42正端连接构成所述钳位并联双子模块的另一端;全控型电力电子器件S11正端与S12正端、S51正端、S52正端、电容器C1一端和二极管D7正端连接;全控型电力电子器件S21负端与S22负端、电容器C1另一端和二极管D6正端连接;全控型电力电子器件S31正端与S32正端、电容器C2一端和二极管D7负极连接;全控型电力电子器件S41负端与S42负端、S51负端、S52负端、电容器C2另一端和二极管D6负极相连;快速开关K连接于所述钳位并联双子模块两端;SCR1和SCR2组成的反并联晶闸管对连接于所述钳位并联双子模块两端。即将钳位并联双子模块对应位置的一个全控型器件-二极管反并联对改为两个全控型器件-二极管反并联对。
本实用新型的工作原理如下:
整流站将送端电网的三相交流电转化为直流电通过架空电力输电线路送到逆变站,逆变站将直流电转换为三相交流电送入受端电网。
整流站的Y0/Y和Y0/△联结变压器对送端电网提供的三相交流电进行电压等级变换,并为十二脉动晶闸管换流器R的上下两个六脉动桥提供相角差30°的三相交流电。十二脉动晶闸管换流器R将三相交流电转换为直流电流。交流滤波器ACF滤除十二脉动晶闸管换流器R运行产生的谐波,并补偿十二脉动晶闸管换流器R运行消耗的无功功率。平波电抗器SRr对直流电中的纹波进行平抑,避免电流断续,防止直流输电线路产生的冲击进入十二脉动晶闸管换流器,便于输电线路快速暂态保护的实现。直流滤波器DCF用以滤除整流站十二脉动晶闸管换流器在直流侧产生的谐波。电力架空线路OHL将直流电送到逆变站。
逆变站的模块化多电平换流器VSC将电力架空线路OHL送来直流电转换为交流电。逆变站的Y0/△联结变压器对模块化多电平换流器VSC转换成的三相交流电进行电压等级变换并输送给受端电网。平波电抗器SRi避免电流断续,防止直流输电线路产生的冲击进入模块化多电平换流器,也便于输电线路快速暂态保护的实现。逆变站由于采用了模块化多电平换流器,不需要配置交流滤波器和直流滤波器。本实施例中,整流站采用定电流控制和最小触发角限制,逆变站定直流电压和定无功功率控制,或者定有功功率、定无功功率控制和直流电压限制。逆变站模块化多电平换流器的子模块投切策略采用最近电平逼近调制和子模块电容均衡策略,模块化多电平换流器三相间采用环流抑制策略。
逆变站的模块化多电平换流器VSC由多个全桥子模块,或钳位双子模块,或全桥并联子模块,或钳位双并联子模块串联构成,可以闭锁直流侧短路电流,当检测到直流侧发生短路后,闭锁所有的全控性电力电子器件,直流侧短路电流可以被立即消除。如果直流侧是瞬时故障,直流侧短路电流消除后,经过短暂的去游离时间后,直流输电系统即可以恢复正常送电。即与传统高压直流输电类似,无需直流断路器就可有效处理直流侧故障,快速实现直流输电系统的重新启动。

Claims (10)

1.一种复合型高压直流输电系统,其特征在于包括有至少一个整流站、一个逆变站和架空电力输电线路,整流站及逆变站都包括正极和负极,其中整流站采用晶闸管换流器,晶闸管换流器的正极及负极都至少包括一个十二脉动晶闸管换流器;逆变站采用具有直流故障处理能力的电压源换流器,电压源换流器的正极及负极都至少包括两个串联的模块化多电平换流器;各站正负极连接点根据直流输电系统处于双极、单极大地回线或单极金属回线运行方式与接地极或者站内地网连接,整流站与逆变站之间通过架空电力输电线路相连。
2.根据权利要求1所述的复合型高压直流输电系统,其特征在于上述整流站和逆变站均配置平波电抗器,整流站每极均配置直流滤波器和交流滤波器,逆变站每极均不配置直流滤波器和交流滤波器。
3.根据权利要求1所述的复合型高压直流输电系统,其特征在于上述晶闸管换流器的正极及负极所设的十二脉动晶闸管换流器包括有上六脉动桥及下六脉动桥,上六脉动桥与一台Y0/Y联结变压器Y侧连接,下六脉动桥与一台Y0/△联结变压器△侧连接,或十二脉动晶闸管换流器的上六脉动桥及下六脉动桥与一台Y0/Y/△联结变压器的Y侧和△侧分别连接。
4.根据权利要求1至3任一项所述的复合型高压直流输电系统,其特征在于上述逆变站所设的电压源换流器为三相六桥臂结构,每个桥臂由一个电抗器和若干个换流模块组成,若干个换流模块串联后一侧通过电抗器与Y0/△联结变压器△侧对应一相端口连接。
5.根据权利要求4所述的复合型高压直流输电系统,其特征在于采用完整双极结构,即正极、负极均可采用单极大地或者单极金属回线运行方式独立运行。
6.根据权利要求5所述的复合型高压直流输电系统,其特征在于上述逆变站所设的电压源换流器中的换流模块采用全桥子模块,或钳位双子模块,或全桥并联子模块,或钳位双并联子模块。
7.根据权利要求6所述的复合型高压直流输电系统,其特征在于上述全桥子模块包括四个全控型电力电子器件S1、S2、S3、S4,四个二极管D1、D2、D3、D4,一个电容C,两个晶闸管SCR1、SCR2,一个快速开关K,全控型电力电子器件S1与二极管D1、S2与D2、S3与D3、S4与D4分别反向并联,即全控型电力电子器件正端与二极管负端连接,全控型电力电子器件负端与二极管正端连接;晶闸管SCR1、SCR2与反向并联,即SCR1正端与SCR2负端连接,SCR1负端与SCR2正端连接;全控型电力电子器件S1负端与S2正端连接构成所述全桥子模块的一端,全控型电力电子器件S3负端与S4正端连接构成所述全桥子模块的另一端;全控型电力电子器件S1正端与S3正端和电容器C一端连接,全控型电力电子器件S4负端、S2负端和电容器C另一端连接;快速开关K连接于所述全桥子模块两端;SCR1和SCR2组成的反并联晶闸管对连接于所述全桥子模块两端。
8.根据权利要求6所述的复合型高压直流输电系统,其特征在于上述钳位双子模块包括有五个全控型电力电子器件S1、S2、S3、S4、S5,七个二极管D1、D2、D3、D4、D5、D6、D7,两个电容C1、C2,两个晶闸管SCR1、SCR2,一个快速开关K,其中:全控型电力电子器件S1与二极管D1、S2与D2、S3与D3、S4与D4、S5与D5分别反向并联;晶闸管SCR1、SCR2与反向并联;全控型电力电子器件S1负端与S2正端连接构成所述钳位双子模块的一端,S3负端与S4正端连接构成所述钳位双子模块的另一端;全控型电力电子器件S1正端与S5正端、电容器C1一端和二极管D7正端连接;全控型电力电子器件S2负端与电容器C1另一端和二极管D6正端连接;全控型电力电子器件S3正端与电容器C2一端和二极管D7负极连接;全控型电力电子器件S4负端与S5负端、电容器C2另一端和二极管D6负极相连;快速开关K连接于所述钳位双子模块两端;SCR1和SCR2组成的反并联晶闸管对连接于所述钳位双子模块两端,即在全桥子模块的基础上增加了一个全控型电力电子器件-二极管反并联对、两个二极管和一个电容。
9.根据权利要求6所述的复合型高压直流输电系统,其特征在于上述全桥并联子模块包括有八个全控型电力电子器件S11、S21、S31、S41、S12、S22、S32、S42,八个二极管D11、D21、D31、D41、D12、D22、D32、D42,一个电容C,两个晶闸管SCR1、SCR2,一个快速开关K,其中:全控型电力电子器件S11与二极管D11、S21与D21、S31与D31、S41与D41、S12与D12、S22与D22、S32与D32、S42与D42分别反向并联;晶闸管SCR1、SCR2与反向并联;全控型电力电子器件S11负端与S12负端、S21正端、S22正端连接构成所述全桥并联子模块的一端,全控型电力电子器件S31负端与S32负端、S41正端、S42正端连接构成所述全桥子模块的另一端;全控型电力电子器件S11正端与S12正端、S31正端、S32正端和电容器C一端连接,全控型电力电子器件S41负端与S42负端、S21负端、S22负端和电容器C另一端连接;快速开关K连接于所述全桥子模块两端;SCR1和SCR2组成的反并联晶闸管对连接于所述全桥子模块两端,即将全桥子模块对应位置的一个全控型电力电子器件-二极管反并联对改为两个全控型电力电子器件-二极管反并联对。
10.根据权利要求6所述的复合型高压直流输电系统,其特征在于上述钳位并联双子模块包括有十个全控型电力电子器件S11、S21、S31、S41、S51、S12、S22、S32、S42、S52,十二个二极管D11、D21、D31、D41、D51、D12、D22、D32、D42、D52、D6、D7,两个电容C1、C2,两个晶闸管SCR1、SCR2,一个快速开关K,其中:全控型电力电子器件S11与二极管D11、S21与D21、S31与D31、S41与D41、S51与D51、S12与D12、S22与D22、S32与D32、S42与D42、S52与D52分别反向并联;晶闸管SCR1、SCR2与反向并联;全控型电力电子器件S11负端与S12负端、S21正端、S22正端连接构成所述钳位并联双子模块的一端,S31负端与S32负端、S41正端、S42正端连接构成所述钳位并联双子模块的另一端;全控型电力电子器件S11正端与S12正端、S51正端、S52正端、电容器C1一端和二极管D7正端连接;全控型电力电子器件S21负端与S22负端、电容器C1另一端和二极管D6正端连接;全控型电力电子器件S31正端与S32正端、电容器C2一端和二极管D7负极连接;全控型电力电子器件S41负端与S42负端、S51负端、S52负端、电容器C2另一端和二极管D6负极相连;快速开关K连接于所述钳位并联双子模块两端;SCR1和SCR2组成的反并联晶闸管对连接于所述钳位并联双子模块两端,即将钳位并联双子模块对应位置的一个全控型器件-二极管反并联对改为两个全控型器件-二极管反并联对。
CN201320030429.6U 2013-01-22 2013-01-22 复合型高压直流输电系统 Expired - Lifetime CN203166540U (zh)

Priority Applications (1)

Application Number Priority Date Filing Date Title
CN201320030429.6U CN203166540U (zh) 2013-01-22 2013-01-22 复合型高压直流输电系统

Applications Claiming Priority (1)

Application Number Priority Date Filing Date Title
CN201320030429.6U CN203166540U (zh) 2013-01-22 2013-01-22 复合型高压直流输电系统

Publications (1)

Publication Number Publication Date
CN203166540U true CN203166540U (zh) 2013-08-28

Family

ID=49027700

Family Applications (1)

Application Number Title Priority Date Filing Date
CN201320030429.6U Expired - Lifetime CN203166540U (zh) 2013-01-22 2013-01-22 复合型高压直流输电系统

Country Status (1)

Country Link
CN (1) CN203166540U (zh)

Cited By (7)

* Cited by examiner, † Cited by third party
Publication number Priority date Publication date Assignee Title
CN103107549A (zh) * 2013-01-22 2013-05-15 南方电网科学研究院有限责任公司 一种复合型高压直流输电系统
CN103647298A (zh) * 2013-11-27 2014-03-19 中国南方电网有限责任公司电网技术研究中心 一种全电流型复合高压直流输电系统
CN105119252A (zh) * 2015-08-20 2015-12-02 南方电网科学研究院有限责任公司 一种双十二脉动直流输电系统中大地回线与金属回线快速转换的方法及其装置
CN105634026A (zh) * 2015-10-16 2016-06-01 华北电力大学 一种基于反并联晶闸管全桥子模块换流器的电网换相换流器结构
CN108736506A (zh) * 2018-08-02 2018-11-02 南方电网科学研究院有限责任公司 一种高压直流输电系统
CN108808717A (zh) * 2018-06-26 2018-11-13 南方电网科学研究院有限责任公司 基于单相锁相的高压直流触发相位控制方法
WO2019068437A1 (de) * 2017-10-02 2019-04-11 Siemens Aktiengesellschaft Gleichstrom-übertragungssystem

Cited By (11)

* Cited by examiner, † Cited by third party
Publication number Priority date Publication date Assignee Title
CN103107549A (zh) * 2013-01-22 2013-05-15 南方电网科学研究院有限责任公司 一种复合型高压直流输电系统
CN103647298A (zh) * 2013-11-27 2014-03-19 中国南方电网有限责任公司电网技术研究中心 一种全电流型复合高压直流输电系统
CN105119252A (zh) * 2015-08-20 2015-12-02 南方电网科学研究院有限责任公司 一种双十二脉动直流输电系统中大地回线与金属回线快速转换的方法及其装置
CN105119252B (zh) * 2015-08-20 2018-09-18 南方电网科学研究院有限责任公司 一种双十二脉动直流输电系统中大地回线与金属回线快速转换的方法及其装置
CN105634026A (zh) * 2015-10-16 2016-06-01 华北电力大学 一种基于反并联晶闸管全桥子模块换流器的电网换相换流器结构
CN105634026B (zh) * 2015-10-16 2019-02-26 华北电力大学 一种基于反并联晶闸管全桥子模块换流器的电网换相换流器结构
WO2019068437A1 (de) * 2017-10-02 2019-04-11 Siemens Aktiengesellschaft Gleichstrom-übertragungssystem
CN108808717A (zh) * 2018-06-26 2018-11-13 南方电网科学研究院有限责任公司 基于单相锁相的高压直流触发相位控制方法
CN108808717B (zh) * 2018-06-26 2021-08-13 南方电网科学研究院有限责任公司 基于单相锁相的高压直流触发相位控制方法
CN108736506A (zh) * 2018-08-02 2018-11-02 南方电网科学研究院有限责任公司 一种高压直流输电系统
CN108736506B (zh) * 2018-08-02 2023-12-01 南方电网科学研究院有限责任公司 一种高压直流输电系统

Similar Documents

Publication Publication Date Title
CN103107549A (zh) 一种复合型高压直流输电系统
CN111525826B (zh) 一种模块化电容换相换流器和方法
CN105162155B (zh) 一种具有直流故障穿越能力的串联混合型双极直流输电系统
CN104901524B (zh) 一种模块化多电平变流器的直流双极短路故障穿越方法
CN104868748B (zh) 一种换流器模块单元、换流器、直流输电系统及控制方法
CN203166540U (zh) 复合型高压直流输电系统
CN103337972B (zh) 一种混合型换流器及风力发电系统
CN104967141B (zh) 一种混合直流输电系统
CN102281014B (zh) 一种具有处理直流故障功能的多电平换流器
CN104753043B (zh) 一种具有直流故障穿越能力的多电平换流器及工作方法
CN110798090A (zh) 一种组合型模块化多电平换流拓扑及其调制方法
CN107204626A (zh) 一种lcc‑mmc交错混合双极直流输电系统
CN105071425B (zh) 一种基于lcc和mmc的混合直流输电系统
CN103236710B (zh) 采用模块化结构的统一潮流控制器
CN210693795U (zh) 一种组合型模块化多电平换流拓扑
CN106253725B (zh) 适于单向潮流的单侧桥臂阻断型模块化多电平变流器
CN108321828B (zh) 一种电流源-混合电压源串联型换流器拓扑
CN110635468B (zh) 一种远海风电场拓扑结构及其控制方法
WO2023134225A1 (zh) 一种低频输电系统及其控制方式
CN106786723A (zh) 一种具有直流故障自清除能力的混合式直流输电拓扑结构
CN204206015U (zh) 交流侧级联h桥的混合模块组合多电平变换器
Xu et al. Protection coordination of meshed MMC-MTDC transmission systems under DC faults
CN108964026B (zh) 一种用于中压配电网的统一电能质量调节器
Xia et al. Dual phase shift PWM-CSCs based hybrid HVDC transmission system
CN113992037B (zh) 一种双向自阻塞子模块拓扑结构及其故障穿越方法

Legal Events

Date Code Title Description
C14 Grant of patent or utility model
GR01 Patent grant
CX01 Expiry of patent term

Granted publication date: 20130828

CX01 Expiry of patent term