CN203007557U - A hand sample loom for test weaving of a leno weave - Google Patents
A hand sample loom for test weaving of a leno weave Download PDFInfo
- Publication number
- CN203007557U CN203007557U CN 201220443913 CN201220443913U CN203007557U CN 203007557 U CN203007557 U CN 203007557U CN 201220443913 CN201220443913 CN 201220443913 CN 201220443913 U CN201220443913 U CN 201220443913U CN 203007557 U CN203007557 U CN 203007557U
- Authority
- CN
- China
- Prior art keywords
- warp
- leno
- tension
- heald
- heald frame
- Prior art date
- Legal status (The legal status is an assumption and is not a legal conclusion. Google has not performed a legal analysis and makes no representation as to the accuracy of the status listed.)
- Expired - Fee Related
Links
- 238000009941 weaving Methods 0.000 title claims abstract description 18
- 238000012360 testing method Methods 0.000 title claims abstract description 16
- 239000004744 fabric Substances 0.000 claims abstract description 21
- 235000014676 Phragmites communis Nutrition 0.000 claims abstract description 6
- 238000009434 installation Methods 0.000 claims description 18
- 238000004519 manufacturing process Methods 0.000 abstract description 3
- 238000012827 research and development Methods 0.000 abstract description 2
- 210000000481 breast Anatomy 0.000 abstract 2
- 244000089486 Phragmites australis subsp australis Species 0.000 abstract 1
- 239000004753 textile Substances 0.000 description 4
- 238000013461 design Methods 0.000 description 3
- 238000005516 engineering process Methods 0.000 description 3
- 230000015572 biosynthetic process Effects 0.000 description 2
- 238000004458 analytical method Methods 0.000 description 1
- 238000012790 confirmation Methods 0.000 description 1
- 230000002950 deficient Effects 0.000 description 1
- 238000010586 diagram Methods 0.000 description 1
- 238000009940 knitting Methods 0.000 description 1
- 238000012423 maintenance Methods 0.000 description 1
- 238000000034 method Methods 0.000 description 1
- 238000012216 screening Methods 0.000 description 1
- 238000012549 training Methods 0.000 description 1
Images
Landscapes
- Looms (AREA)
Abstract
The utility model relates to a hand sample loom for test weaving of a leno weave. The hand sample loom comprises a rack. A back beam, heald frames, a going part and a breast beam are arranged on the rack back to front; a warp beam and a cloth roller are disposed below the back beam and the breast beam respectively; and reeds are installed on the going part. The hand sample loom is characterized in that the heald frames comprise leno heald frames provided with leno healds; the upper ends of the heald frames are connected with an electronic heald lifting mechanism driving the heald frames to go up and down; the lower ends of the heald frames are connected with return springs; and the back beam is provided with a tension control mechanism. The tension control mechanism can control the tension of douping warp and maintain consistency of tension of the douping warp, thereby preventing cracked ends and unsharp sheds caused by douping warp's bearing of excessive tension during twisting of the douping warp and ground warp; and leno hand samples are manufactured through combination of conventional heald and leno heald. The hand sample loom has the advantages that the differences of manufactured leno hand samples are small and the manufactured leno hand samples are highly representative. The trial-manufacture of the hand samples with a large-sized loom is not needed. The hand sample loom is simple in structure and low in equipment cost, enables research and development input to be reduced and saves effective resources.
Description
Technical field
The utility model relates to a kind of small sample loom, particularly a kind of small sample loom for the test weaving lace stitch.
Background technology
LENO AND GAUZE also is referred to as eyelet fabric, and its tissue can make fabric face present clear yarn hole, and quality is thin bright, and Stability Analysis of Structures, and fabric breathability is good.Therefore, the suitable exploitation with fabrics such as tropical suitings, window screening of LENO AND GAUZE.Especially the fancy leno and gauze fabric elegance is attractive in appearance, belongs to high-grade and decorates or fabric, and added value of product is very high, has very large market value.
Small sample loom is the necessary equipment of professional teaching real training and the work of textile product designing technique.Along with the continuous progress of textile industry technology, especially in order to adapt to the market demands that the product batch is little, full of flourishes, the cycle is fast, textile enterprise's design work of drawing a design more shows important, and textile industry also improves gradually to the performance requirement of small sample loom.Present small sample loom mainly comprises mechanical shedding multi-arm small sample loom, electronics shedding small sample loom and full-automatic rapier weft inserting small sample loom.Wherein, electronics shedding small sample loom has flexible operation, high efficiency, moderate cost due to it and is easy to the advantage such as maintenance, by domestic yarn-dyed fabric mill, woollen milol, silk weaving is long and the extensive use of weaving universities.But still there is certain defective:
In exploitation during LENO AND GAUZE, due to doup end and the ground different warp run-in of control when the different traditional small sample looms of warp run-in can't be stable, and without the leno heald function.By manually-operated strand system with control warp run-in and make the leno sample, pattern variety is single, does not reach customer requirement, and institute's sample of knitting is large with the difference that large press proof cloth exists fully, and namely sample cloth representativeness is poor, is difficult to adapt to the requirement of strict confirmation sample cloth.If satisfy the requirement of sample cloth, need to be equipped with the trial-production that the large automatic loom carries out the leno sample, trial-produce period is long, cost is high.
Summary of the invention
The technical problems to be solved in the utility model is to provide a kind of for test weaving lace stitch small sample loom, and sample cloth otherness is little, representative strong, and simple in structure, equipment investment and the cost of drawing a design low.
For solving the problems of the technologies described above, the technical solution of the utility model is: a kind of small sample loom for the test weaving lace stitch, comprise frame, set gradually from back to front the back rest, heald frame, slay and brest beams on described frame, below the described back rest and brest beams, warp beam and cloth beam are set, reed is installed on slay, its innovative point is: described heald frame comprises the leno heald frame that leno heald is installed, each heald frame upper end connection drives the electronic shedding mechanism of its lifting, heald frame lower end connection return spring; Warp let-off tension control mechanism is installed on the described back rest.
Further, two one group of described leno heald frame is at least one group, and described leno heald frame is arranged on the front side in each heald frame.
Further, described warp let-off tension control mechanism comprises warp let-off support, warp let-off tension pulley and tension force compensation mechanism, described warp let-off support is arranged on frame and near the rear side of the back rest, on warp let-off support, along continuous straight runs is evenly distributed with some warp let-off tension pulleies of clamping warp thread with certain pressure, and tension force compensation mechanism is arranged between warp let-off tension pulley and heald frame.
Further, described each warp let-off tension pulley is divided into upper and lower two rows, the setting of staggering in the horizontal direction of upper and lower row's warp let-off tension pulley.
Further, described each warp let-off tension pulley directly over the configuration one yarn-guiding loop A.
Further, described warp let-off tension pulley comprises installs screw rod, platen installation sleeve, platen, Compress Spring and locking cap, the platen installation sleeve is installed at described installation screw rod middle part, the inner and warp let-off support that screw rod is installed are connected and fixed, a pair of platen symmetry is sleeved on the platen installation sleeve, the outer end that screw rod the is installed locking cap that is threaded, and between locking cap and the close platen of locking cap, the installation Compress Spring is set.
Further, be provided with one on described platen installation sleeve along the guiding gap that the screw axial opening is installed.
Further, described tension force compensation mechanism comprises compensation support, strip bouncing plate, and described compensation support is arranged on warp let-off support or frame, and some strip bouncing plates are installed in the upper end of compensation support, and yarn-guiding loop B is all installed at the two ends of strip bouncing plate.
the utility model has the advantage of: warp let-off tension control mechanism is installed on the back rest, utilize warp let-off tension control mechanism that the tension force of doup end is controlled, when doup end twisting formation strand turns shed open, because the doup end yarn tension is large, the strip bouncing plate is crooked, reduced the tension force of doup end yarn, its tension force is consistent, avoid doup end and ground to bear excessive tension force and cause cracked ends due to doup end when twisting, become plain shed when turning shed open by strand, the doup end yarn tension reduces, strip tension compensating sheet resets and stretches, get back to original position, strained the doup end yarn, avoided shed open unintelligible, and by getting the leno sample by conventional heald and leno heald combination.The leno sample cloth otherness that makes is little, representative strong, need not to carry out the trial-production of full-page proof on large-scale loom, simple in structure, equipment cost is low, reduces research and development and drops into, and saves efficient resource.
Description of drawings
Fig. 1 is the small sample loom front view that the utility model is used for the test weaving lace stitch.
Fig. 2 be in Fig. 1 A to view.
Fig. 3 is warp let-off tension pulley front view in the utility model.
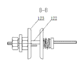
Fig. 4 is along B-B line view in Fig. 3.
Fig. 5 is tension force compensation mechanism structural representation in the utility model.
Fig. 6 is used for the small sample loom fundamental diagram of test weaving lace stitch in the utility model.
The specific embodiment
As shown in Figure 1, comprise frame 1, the back rest 2, heald frame 3, slay 4, brest beams 5, warp beam 6, cloth beam 7, reed 8, electronic shedding mechanism 9, return spring 10, warp let-off support 11, warp let-off tension pulley 12 and tension force compensation mechanism 13.
Set gradually from back to front the back rest 2, heald frame 3, slay 4 and brest beams 5 on above-mentioned frame 1, warp beam 6 is set below the back rest 2, the below of brest beams 5 arranges cloth beam 7, and reed 8 is installed on slay 4.
Heald frame 3 has several pieces, and it comprises conventional heald frame is installed, and the leno heald frame that leno heald is installed, and two of leno heald frames are one group, and the 1-2 group is set according to demand, and the leno heald frame is arranged on the front side in each heald frame, namely near a side of brest beams.Each heald frame 3 upper ends connections drive the electronic shedding mechanism 9 of its lifting, heald frame 3 lower ends connection return springs 10.
The warp let-off tension control mechanism of the warp yarn supplying amount being controlled for automatically is installed on the back rest 2.
Warp let-off tension control mechanism comprises warp let-off support 11, warp let-off tension pulley 12 and tension force compensation mechanism 13, warp let-off support 11 is arranged on frame 1 and near the rear side of the back rest 2, on warp let-off support 11, along continuous straight runs is evenly distributed with some warp let-off tension pulleies 12 of clamping warp thread with certain pressure.
As shown in Figure 2, each warp let-off tension pulley 12 is divided into upper and lower two rows, and the setting of staggering in the horizontal direction of upper and lower row's warp let-off tension pulley 12.
As shown in Fig. 3,4, warp let-off tension pulley 12 comprises installs screw rod 121, platen installation sleeve 122, platen 123, Compress Spring 124 and locking cap 125, screw rod 121 middle parts installation platen installation sleeves 122 are installed, are provided with one on platen installation sleeve 122 along the guiding gap that the screw axial opening is installed; Be connected and fixed at the inner and warp let-off support 11 that screw rod 121 is installed, a pair of platen 123 symmetries are sleeved on platen installation sleeve 122, the outer end that screw rod 121 the is installed locking cap 125 that is threaded, and locking cap 125 with near installation Compress Spring 124 is set between the platen of locking cap 125.Directly over each warp let-off tension pulley 12 configuration one yarn-guiding loop A126 that is arranged on warp let-off support 11, yarn-guiding loop A126 specifically be arranged on a pair of platen 123 directly over.
As shown in Figure 5, tension force compensation mechanism 13 is arranged between warp let-off tension pulley 12 and heald frame 3.Tension force compensation mechanism 13 comprises compensation support 131, strip bouncing plate 132, and compensation support 131 is arranged on warp let-off support 11 or frame 1, and some strip bouncing plates 132 are installed in the upper end of compensation support 131, and yarn-guiding loop B133 is all installed at the two ends of strip bouncing plate 132.
Operation principle: as shown in Figure 6,
Ground withdraws from from warp beam through a, through the heddle eyelet in the back rest, conventional heald frame; And doup end b passes the interior heddle eyelet of leno heald frame after passing through warp let-off tension pulley 12, tension force compensation mechanism 13; The heald frame of ground warp and doup end promotes by electronic shedding mechanism 9, the use strand that requires alternately turns according to setting, open or plain shed, when making doup end and in the left side of ground warp, the time and on the right side of ground warp, twisting mutually, interweave through reed and weft yarn, at fell place formation yarn hole fabric, fabric is through being wound on cloth beam after brest beams again.
Claims (8)
1. small sample loom that is used for the test weaving lace stitch, comprise frame, set gradually from back to front the back rest, heald frame, slay and brest beams on described frame, warp beam and cloth beam are set below the described back rest and brest beams, reed is installed on slay, it is characterized in that: described heald frame comprises the leno heald frame that leno heald is installed, and each heald frame upper end connection drives the electronic shedding mechanism of its lifting, heald frame lower end connection return spring; Warp let-off tension control mechanism is installed on the described back rest.
2. the small sample loom for the test weaving lace stitch according to claim 1 is characterized in that: two one group of described leno heald frame, be at least one group, and described leno heald frame is arranged on the front side in each heald frame.
3. the small sample loom for the test weaving lace stitch according to claim 1, it is characterized in that: described warp let-off tension control mechanism comprises warp let-off support, warp let-off tension pulley and tension force compensation mechanism, described warp let-off support is arranged on frame and near the rear side of the back rest, on warp let-off support, along continuous straight runs is evenly distributed with some warp let-off tension pulleies of clamping warp thread with certain pressure, and tension force compensation mechanism is arranged between warp let-off tension pulley and heald frame.
4. the small sample loom for the test weaving lace stitch according to claim 3, it is characterized in that: described each warp let-off tension pulley is divided into upper and lower two rows, the setting of staggering in the horizontal direction of upper and lower row's warp let-off tension pulley.
5. according to claim 3 or 4 described small sample looms for the test weaving lace stitch, is characterized in that: configuration one yarn-guiding loop A directly over described each warp let-off tension pulley.
6. according to claim 3 or 4 described small sample looms for the test weaving lace stitch, it is characterized in that: described warp let-off tension pulley comprises installs screw rod, platen installation sleeve, platen, Compress Spring and locking cap, the platen installation sleeve is installed at described installation screw rod middle part, the inner and warp let-off support that screw rod is installed are connected and fixed, a pair of platen symmetry is sleeved on the platen installation sleeve, the outer end that screw rod the is installed locking cap that is threaded, and between locking cap and the close platen of locking cap, the installation Compress Spring is set.
7. the small sample loom for the test weaving lace stitch according to claim 6, is characterized in that: be provided with one on described platen installation sleeve along the guiding gap that the screw axial opening is installed.
8. the small sample loom for the test weaving lace stitch according to claim 3, it is characterized in that: described tension force compensation mechanism comprises compensation support, strip bouncing plate, described compensation support is arranged on warp let-off support or frame, some strip bouncing plates are installed in the upper end of compensation support, and yarn-guiding loop B is all installed at the two ends of strip bouncing plate.
Priority Applications (1)
| Application Number | Priority Date | Filing Date | Title |
|---|---|---|---|
| CN 201220443913 CN203007557U (en) | 2012-09-03 | 2012-09-03 | A hand sample loom for test weaving of a leno weave |
Applications Claiming Priority (1)
| Application Number | Priority Date | Filing Date | Title |
|---|---|---|---|
| CN 201220443913 CN203007557U (en) | 2012-09-03 | 2012-09-03 | A hand sample loom for test weaving of a leno weave |
Publications (1)
| Publication Number | Publication Date |
|---|---|
| CN203007557U true CN203007557U (en) | 2013-06-19 |
Family
ID=48599168
Family Applications (1)
| Application Number | Title | Priority Date | Filing Date |
|---|---|---|---|
| CN 201220443913 Expired - Fee Related CN203007557U (en) | 2012-09-03 | 2012-09-03 | A hand sample loom for test weaving of a leno weave |
Country Status (1)
| Country | Link |
|---|---|
| CN (1) | CN203007557U (en) |
Cited By (3)
| Publication number | Priority date | Publication date | Assignee | Title |
|---|---|---|---|---|
| CN102817161A (en) * | 2012-09-03 | 2012-12-12 | 南通纺织职业技术学院 | Sample loom used for test weaving of leno weave |
| CN103898667A (en) * | 2014-03-12 | 2014-07-02 | 山东济宁如意毛纺织股份有限公司 | Auxiliary warp let-off method and device of weaving machine |
| CN105525421A (en) * | 2016-02-29 | 2016-04-27 | 江苏工程职业技术学院 | Gridding fabric production device |
-
2012
- 2012-09-03 CN CN 201220443913 patent/CN203007557U/en not_active Expired - Fee Related
Cited By (4)
| Publication number | Priority date | Publication date | Assignee | Title |
|---|---|---|---|---|
| CN102817161A (en) * | 2012-09-03 | 2012-12-12 | 南通纺织职业技术学院 | Sample loom used for test weaving of leno weave |
| CN103898667A (en) * | 2014-03-12 | 2014-07-02 | 山东济宁如意毛纺织股份有限公司 | Auxiliary warp let-off method and device of weaving machine |
| CN103898667B (en) * | 2014-03-12 | 2015-06-03 | 山东济宁如意毛纺织股份有限公司 | Auxiliary warp let-off method and device of weaving machine |
| CN105525421A (en) * | 2016-02-29 | 2016-04-27 | 江苏工程职业技术学院 | Gridding fabric production device |
Similar Documents
| Publication | Publication Date | Title |
|---|---|---|
| CN104727001B (en) | A kind of weaving done in fine silks and gold thread by the tapestry method semi-automatic small model machine device | |
| CN103215733A (en) | Double-let-off type composite shed water jet loom | |
| CN203007557U (en) | A hand sample loom for test weaving of a leno weave | |
| CN102817161A (en) | Sample loom used for test weaving of leno weave | |
| CN119615474B (en) | A method for installing a loom | |
| US7438092B2 (en) | Power loom, particularly an air jet power loom, for the production of a leno fabric with integral patterning | |
| CN113718400B (en) | Wool blended woven right twill small jacquard fabric and weaving process thereof | |
| CN107419401B (en) | One-step production process of hollow fabric | |
| CN111020791B (en) | Weaving equipment and weaving method for weaving zhuanghualu | |
| CN211142341U (en) | Leno heddle device | |
| CN203065731U (en) | Take-up mechanism tensile-force display adjusting device | |
| CN203007563U (en) | A tension controlling and compensating mechanism for a hand sample loom | |
| CN106381603A (en) | Device for weaving warp-wise discontinuous seersucker on sampling weaving machine and weaving method of device | |
| CN207176188U (en) | Produce the rapier loom of Zhang satin and Zhangzhou velvet | |
| CN204058804U (en) | The water jet looms of interleaving mode | |
| CN102817163A (en) | Tension control and compensation mechanism of sample loom | |
| CN212128396U (en) | Weaving equipment for weaving patterned gauze | |
| CN213772404U (en) | Multilayer multi-structure semi-automatic high-performance fiber loom | |
| CN201971953U (en) | Leno heddle device for ribbon loom | |
| CN205152503U (en) | Digital rapier weaving machine's leno heald makes up back comprehensive device | |
| CN211367897U (en) | Device and creative textile for manufacturing fabric by combining traditional heald plate type weaving and modern semi-automatic sample weaving machine | |
| CN204058803U (en) | Independent gas supply formula gauze interweaving machine | |
| CN219195276U (en) | Loom applied to three-warp leno | |
| CN113802237A (en) | Combed cotton tencel fiber blended 60S gypsophila jacquard cloth and weaving process thereof | |
| CN223646728U (en) | A loom |
Legal Events
| Date | Code | Title | Description |
|---|---|---|---|
| C14 | Grant of patent or utility model | ||
| GR01 | Patent grant | ||
| C17 | Cessation of patent right | ||
| CF01 | Termination of patent right due to non-payment of annual fee |
Granted publication date: 20130619 Termination date: 20130903 |