CN202949099U - 一种便携快捷式低压验电指示插头 - Google Patents

一种便携快捷式低压验电指示插头 Download PDF

Info

Publication number
CN202949099U
CN202949099U CN 201220637203 CN201220637203U CN202949099U CN 202949099 U CN202949099 U CN 202949099U CN 201220637203 CN201220637203 CN 201220637203 CN 201220637203 U CN201220637203 U CN 201220637203U CN 202949099 U CN202949099 U CN 202949099U
Authority
CN
China
Prior art keywords
power supply
power
emitting diode
plug cap
low voltage
Prior art date
Legal status (The legal status is an assumption and is not a legal conclusion. Google has not performed a legal analysis and makes no representation as to the accuracy of the status listed.)
Expired - Fee Related
Application number
CN 201220637203
Other languages
English (en)
Inventor
刘润民
刘亚涛
张立
Current Assignee (The listed assignees may be inaccurate. Google has not performed a legal analysis and makes no representation or warranty as to the accuracy of the list.)
Electric Power Research Institute of State Grid Hebei Electric Power Co Ltd
Hebei Electric Power Construction Adjustment Test Institute
State Grid Corp of China SGCC
Original Assignee
Electric Power Research Institute of State Grid Hebei Electric Power Co Ltd
Hebei Electric Power Construction Adjustment Test Institute
State Grid Corp of China SGCC
Priority date (The priority date is an assumption and is not a legal conclusion. Google has not performed a legal analysis and makes no representation as to the accuracy of the date listed.)
Filing date
Publication date
Application filed by Electric Power Research Institute of State Grid Hebei Electric Power Co Ltd, Hebei Electric Power Construction Adjustment Test Institute, State Grid Corp of China SGCC filed Critical Electric Power Research Institute of State Grid Hebei Electric Power Co Ltd
Priority to CN 201220637203 priority Critical patent/CN202949099U/zh
Application granted granted Critical
Publication of CN202949099U publication Critical patent/CN202949099U/zh
Anticipated expiration legal-status Critical
Expired - Fee Related legal-status Critical Current

Links

Images

Landscapes

  • Details Of Connecting Devices For Male And Female Coupling (AREA)

Abstract

本实用型新涉及一种便携快捷式低压验电指示插头,它包括电源插头帽以及设置在电源插头帽下端的电源插脚,两个电源插脚之间串联一个降压电阻和一个发光二极管,降压电阻设置在电源插头帽的内部,发光二极管设置在电源插头帽的上端,本实用型新可有效地验证工作电源是否有电,并且可作为电源指示,工作起来非常方便、快捷、安全、可靠。

Description

一种便携快捷式低压验电指示插头
技术领域
本实用新型涉及一种便携快捷式低压验电指示插头。
背景技术
目前,无论是现场还是实验室,所使用的标准仪器或被测的标准仪器,采用的电源均为单相交流220V,当在工作时特别在现场工作时,有时所使用的仪器突然无显示,这时,不知是电源无电还是仪器电源部分出了问题,从而影响了正常工作。
实用新型内容
本实用新型所要解决的技术问题是提供一种可有效地验证工作电源是否有电,并且可作为电源指示的便携快捷式低压验电指示插头。
本实用新型的技术方案如下:
本实用新型包括电源插头帽以及设置在电源插头帽下端的电源插脚,所述的两个电源插脚之间串联一个降压电阻和一个发光二极管,所述的降压电阻设置在电源插头帽的内部,所述的发光二极管设置在电源插头帽的上端。
本实用新型的积极效果如下:目前,无论是现场还是实验室,所使用的标准仪器或被测的标准仪器,采用的电源均为单相交流220V,当在工作时特别在现场工作时,有时所使用的仪器突然无显示,这时,不知是电源无电还是仪器电源部分出了问题,从而影响了正常工作。本实用新型不仅可以进行验电,更重要的是还可以作为电源指示。本实用新型没有正负极之分,只要电源带电,无论插脚怎样插发光二极管都会亮,因此,工作起来非常方便、快捷、安全、可靠。
另外,本实用新型的功能和作用也可在家庭生活中使用。
附图说明
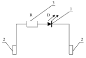
    附图1为实用新型结构示意图;
附图2为实用新型电路原理图。
    在附图中:1发光二极管、2电源插脚、3降压电阻、4电源插头帽。
具体实施方式
如附图1所示,本实用新型包括电源插头帽4以及设置在电源插头帽4下端的电源插脚2,两个电源插脚2之间串联一个降压电阻3和一个发光二极管1,降压电阻3设置在电源插头帽4的内部,发光二极管1设置在电源插头帽4的上端。
本实用新型可以根据实际情况安装在两脚式单相交流220V电源插头内,也可以安装在三脚(其中一脚为保护接地)式单相交流220V电源插头内,降压电阻3为153.5K,发光二极管1为3V,电源带电时发光二极管是红色的。
如附图1、2所示,具体接线是将降压电阻3的一端接到电源插头的一个电源插脚2上,另一端接到发光二极管1的正极,发光二极管1负极接到电源插头的另一个电源插脚2上。
本实用新型发光二极管1两端,以及降压电阻3一定要用耐热绝缘套管套好,以防止短路现象的发生。

Claims (1)

1.一种便携快捷式低压验电指示插头,其特征在于其包括电源插头帽(4)以及设置在电源插头帽(4)下端的电源插脚(2),所述的两个电源插脚(2)之间串联一个降压电阻(3)和一个发光二极管(1),所述的降压电阻(3)设置在电源插头帽(4)的内部,所述的发光二极管(1)设置在电源插头帽(4)的上端。
CN 201220637203 2012-11-28 2012-11-28 一种便携快捷式低压验电指示插头 Expired - Fee Related CN202949099U (zh)

Priority Applications (1)

Application Number Priority Date Filing Date Title
CN 201220637203 CN202949099U (zh) 2012-11-28 2012-11-28 一种便携快捷式低压验电指示插头

Applications Claiming Priority (1)

Application Number Priority Date Filing Date Title
CN 201220637203 CN202949099U (zh) 2012-11-28 2012-11-28 一种便携快捷式低压验电指示插头

Publications (1)

Publication Number Publication Date
CN202949099U true CN202949099U (zh) 2013-05-22

Family

ID=48424780

Family Applications (1)

Application Number Title Priority Date Filing Date
CN 201220637203 Expired - Fee Related CN202949099U (zh) 2012-11-28 2012-11-28 一种便携快捷式低压验电指示插头

Country Status (1)

Country Link
CN (1) CN202949099U (zh)

Cited By (8)

* Cited by examiner, † Cited by third party
Publication number Priority date Publication date Assignee Title
CN104953319A (zh) * 2015-06-24 2015-09-30 冯双喜 插片可调整的插头
CN104953398A (zh) * 2015-06-29 2015-09-30 冯双喜 带验电装置的插头
CN104966954A (zh) * 2015-06-29 2015-10-07 冯双喜 一种安全插头
CN104966965A (zh) * 2015-06-29 2015-10-07 冯双喜 一种改进型插头
CN104979728A (zh) * 2015-06-24 2015-10-14 冯双喜 一种新型插头
CN104979666A (zh) * 2015-06-24 2015-10-14 冯双喜 可旋转式插头
CN105048194A (zh) * 2015-06-29 2015-11-11 冯双喜 带有手柄的电源插头
CN105048218A (zh) * 2015-06-15 2015-11-11 冯双喜 便于收纳的插头

Cited By (8)

* Cited by examiner, † Cited by third party
Publication number Priority date Publication date Assignee Title
CN105048218A (zh) * 2015-06-15 2015-11-11 冯双喜 便于收纳的插头
CN104953319A (zh) * 2015-06-24 2015-09-30 冯双喜 插片可调整的插头
CN104979728A (zh) * 2015-06-24 2015-10-14 冯双喜 一种新型插头
CN104979666A (zh) * 2015-06-24 2015-10-14 冯双喜 可旋转式插头
CN104953398A (zh) * 2015-06-29 2015-09-30 冯双喜 带验电装置的插头
CN104966954A (zh) * 2015-06-29 2015-10-07 冯双喜 一种安全插头
CN104966965A (zh) * 2015-06-29 2015-10-07 冯双喜 一种改进型插头
CN105048194A (zh) * 2015-06-29 2015-11-11 冯双喜 带有手柄的电源插头

Similar Documents

Publication Publication Date Title
CN202949099U (zh) 一种便携快捷式低压验电指示插头
CN102707185B (zh) 2m线缆测试仪
CN202735450U (zh) 2m线缆测试仪
CN204989368U (zh) 一种泄漏电流监测仪
CN201247281Y (zh) 简易金属物体带电检测仪
CN202494714U (zh) 一种新型验电笔
CN207937541U (zh) 一种实验导线测试装置
CN204086445U (zh) 一种电缆断线检测装置
CN104865494A (zh) 一种便携式电流互感器极性测试装置及使用方法
CN203909097U (zh) 一种防触电高压试验报警线夹
CN203275594U (zh) 一种vd4型真空断路器用辅助触点快速检测装置
CN202956483U (zh) 上电测试工装
CN202471928U (zh) 一种充电辅助测试装置
CN203551645U (zh) 一种新型多功能试电笔
CN201242741Y (zh) Usb快速检调器
CN203350288U (zh) 电气设备高压试验专用短接线工具箱
CN201673198U (zh) 一种自带照明的测电笔
CN102043112B (zh) 二合一音频线检测器
CN202210129U (zh) 干接点测试工装
CN206147047U (zh) 一种互感器漏电测试装置的电路
CN203909195U (zh) 一种二次回路核线器
CN205539297U (zh) 一种电工校线器
CN205193186U (zh) 继电保护报警装置
CN204439770U (zh) 多芯电缆线通断及位置检测电路
CN204613341U (zh) 一种用于音频电缆的检测电路

Legal Events

Date Code Title Description
C14 Grant of patent or utility model
GR01 Patent grant
CF01 Termination of patent right due to non-payment of annual fee

Granted publication date: 20130522

Termination date: 20161128

CF01 Termination of patent right due to non-payment of annual fee