CN202881132U - Crude naphthalene single-furnace and double-tower device - Google Patents
Crude naphthalene single-furnace and double-tower device Download PDFInfo
- Publication number
- CN202881132U CN202881132U CN2012205865150U CN201220586515U CN202881132U CN 202881132 U CN202881132 U CN 202881132U CN 2012205865150 U CN2012205865150 U CN 2012205865150U CN 201220586515 U CN201220586515 U CN 201220586515U CN 202881132 U CN202881132 U CN 202881132U
- Authority
- CN
- China
- Prior art keywords
- oil
- tower
- outlet pipe
- naphthalene
- inlet pipe
- Prior art date
- Legal status (The legal status is an assumption and is not a legal conclusion. Google has not performed a legal analysis and makes no representation as to the accuracy of the status listed.)
- Expired - Fee Related
Links
- UFWIBTONFRDIAS-UHFFFAOYSA-N Naphthalene Chemical compound C1=CC=CC2=CC=CC=C21 UFWIBTONFRDIAS-UHFFFAOYSA-N 0.000 title claims abstract description 64
- 238000005406 washing Methods 0.000 claims description 23
- XLYOFNOQVPJJNP-UHFFFAOYSA-N water Substances O XLYOFNOQVPJJNP-UHFFFAOYSA-N 0.000 abstract description 13
- 238000004519 manufacturing process Methods 0.000 abstract description 9
- 230000008901 benefit Effects 0.000 abstract description 5
- 238000005265 energy consumption Methods 0.000 abstract description 4
- 230000007613 environmental effect Effects 0.000 abstract description 2
- 239000006096 absorbing agent Substances 0.000 abstract 5
- 238000000034 method Methods 0.000 description 5
- 238000005516 engineering process Methods 0.000 description 2
- 238000001816 cooling Methods 0.000 description 1
- 230000000694 effects Effects 0.000 description 1
- 239000000446 fuel Substances 0.000 description 1
- 239000000463 material Substances 0.000 description 1
- 230000007115 recruitment Effects 0.000 description 1
Images
Classifications
-
- Y—GENERAL TAGGING OF NEW TECHNOLOGICAL DEVELOPMENTS; GENERAL TAGGING OF CROSS-SECTIONAL TECHNOLOGIES SPANNING OVER SEVERAL SECTIONS OF THE IPC; TECHNICAL SUBJECTS COVERED BY FORMER USPC CROSS-REFERENCE ART COLLECTIONS [XRACs] AND DIGESTS
- Y02—TECHNOLOGIES OR APPLICATIONS FOR MITIGATION OR ADAPTATION AGAINST CLIMATE CHANGE
- Y02P—CLIMATE CHANGE MITIGATION TECHNOLOGIES IN THE PRODUCTION OR PROCESSING OF GOODS
- Y02P20/00—Technologies relating to chemical industry
- Y02P20/10—Process efficiency
Landscapes
- Heat-Exchange Devices With Radiators And Conduit Assemblies (AREA)
Abstract
The utility model discloses a crude naphthalene single-furnace and double-tower device, comprising a primary tower, a heat exchanger, a tube furnace, a rectifying tower, a raw oil outlet pipe, a raw oil inlet pipe, a naphthalene vapor discharge pipe, an absorber oil outlet pipe, a naphthalene vapor inlet pipe and an absorber oil inlet pipe. The structure is follows: the raw oil outlet pipe is connected between the primary tower and the heat exchanger; one end of the raw oil inlet pipe is connected with the heat exchanger; the heat exchanger is connected with the rectifying tower through the absorber oil outlet pipe; one end of the naphthalene vapor discharge pipe is connected to the top part of the rectifying tower; the other end is connected with the heat exchanger; the naphthalene vapor discharge pipe is also connected with the heat exchanger; and the absorber oil outlet pipe and the absorber oil inlet pipe are connected between the tube furnace and the rectifying tower. Circulating water and primary water are also saved when heat energy consumption is greatly reduced; the production cost is reduced; the energy source and water are also saved, and the crude naphthalene single-furnace and double-tower device has good economic benefit and environmental benefit.
Description
Technical field
The utility model relates to the NAPTHALENE FLAKES. (INDUSTRIAL GRADE) production unit, relates in particular to a kind of NAPTHALENE FLAKES. (INDUSTRIAL GRADE) single-furnace double-tower device.
Background technology
At present domestic industry naphthalene device is the twin furnace double tower process, and the cooling of partial material is by interchanger recirculated water heat exchange, its complex structure, makes and requires highly, and fuel consumption greatly in use, quantity of circulating water and a water magnitude of recruitment be large; Therefore, day by day emphasizing energy-saving and emission-reduction, water-saving today, the shortcoming of its high energy consumption, high water consumption does not meet the requirement of Sustainable development, such production technique has also increased production cost, reduces the production quality of naphthalene, has therefore also hindered the development of enterprise, along with the innovation of technology, in the urgent need to a kind of NAPTHALENE FLAKES. (INDUSTRIAL GRADE) production equipment that can reduce the novel environment friendly of energy consumption and water.
Summary of the invention
The purpose of this utility model is to provide a kind of NAPTHALENE FLAKES. (INDUSTRIAL GRADE) single-furnace double-tower device, and it has advantages of simple in structure, energy-conserving and environment-protective.
The utility model is achieved like this, it comprises primary tower, interchanger, tube furnace, rectifying tower, the stock oil oil inlet pipe, the stock oil oil outlet pipe, the naphthalene vapour-discharge tube, the washing oil oil outlet pipe, naphthalene steam inlet duct and washing oil oil inlet pipe, it is characterized in that being connected with between primary tower and the interchanger stock oil oil outlet pipe, stock oil oil inlet pipe one end links to each other with interchanger, interchanger links to each other by the washing oil oil outlet pipe with rectifying tower, one end of naphthalene vapour-discharge tube is connected to the top of rectifying tower, the other end links to each other with interchanger, interchanger also is connected with the naphthalene vapour-discharge tube, is connected with washing oil oil outlet pipe and washing oil oil inlet pipe between tube furnace and the rectifying tower.
Technique effect of the present utility model is: the required heat energy of primary tower of the present utility model is provided by rectifying tower, primary tower then provides heat-eliminating medium for rectifying tower, NAPTHALENE FLAKES. (INDUSTRIAL GRADE) single-furnace double-tower technique, only need a tube furnace, by interchanger heat is utilized mutually, also saved recirculated water and a water when greatly reducing heat energy consumption, reduced production cost, save the energy and water, had good economic benefit and environmental benefit.
Description of drawings
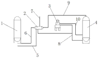
Fig. 1 is structural representation of the present utility model.
In the drawings, 1, primary tower 2, interchanger 3, tube furnace 4, rectifying tower 5, stock oil oil inlet pipe 6, stock oil oil outlet pipe 7, naphthalene vapour-discharge tube 8, washing oil oil outlet pipe 9, naphthalene steam inlet duct 10, washing oil oil inlet pipe.
Embodiment
As shown in Figure 1, the utility model is achieved like this, it comprises primary tower 1, interchanger 2, tube furnace 3, rectifying tower 4, stock oil oil inlet pipe 5, stock oil oil outlet pipe 6, naphthalene vapour-discharge tube 7, washing oil oil outlet pipe 8, naphthalene steam inlet duct 9 and washing oil oil inlet pipe 10, be connected with stock oil oil outlet pipe 6 between primary tower 1 and the interchanger 2, stock oil oil inlet pipe 5 one ends link to each other with interchanger 2, interchanger 2 links to each other by washing oil oil outlet pipe 8 with rectifying tower 4, one end of naphthalene vapour-discharge tube 9 is connected to the top of rectifying tower 4, the other end links to each other with interchanger 2, interchanger 2 also is connected with naphthalene vapour-discharge tube 7, is connected with washing oil oil outlet pipe 8 and washing oil oil inlet pipe 10 between tube furnace 3 and the rectifying tower 4; The utility model is in actual production process, the thermal source of primary tower 1 is provided for medium by stock oil, its process is the stock oil inflow heat exchanger 2 in the stock oil oil inlet pipe 5, heat energy washing oil in the washing oil oil outlet pipe 8 is then from rectifying tower 4 inflow heat exchangers 2, naphthalene steam in the naphthalene steam inlet duct 9 also carries heat energy and enters interchanger 2 from rectifying tower 4 simultaneously, 2 on interchanger utilizes the heat energy of naphthalene steam and washing oil that stock oil is heated, general stock oil can be heated to 190~195 ℃ in the actual production, naphthalene steam then can be cooled, flow to the NAPTHALENE FLAKES. (INDUSTRIAL GRADE) backflash by naphthalene vapour-discharge tube 7, then saved circulating water device, save recirculated water, part washing oil in the rectifying tower 4 enters in the tube furnace 3 by washing oil oil outlet pipe 8, returns rectifying tower 4 bottoms by washing oil oil inlet pipe 10 after being heated to 290~310 ℃.
Claims (1)
1. NAPTHALENE FLAKES. (INDUSTRIAL GRADE) single-furnace double-tower device, it comprises primary tower, interchanger, tube furnace, rectifying tower, the stock oil oil outlet pipe, the stock oil oil inlet pipe, the naphthalene vapour-discharge tube, the washing oil oil outlet pipe, naphthalene steam inlet duct and washing oil oil inlet pipe, it is characterized in that being connected with between primary tower and the interchanger stock oil oil outlet pipe, stock oil oil inlet pipe one end links to each other with interchanger, interchanger links to each other by the washing oil oil outlet pipe with rectifying tower, one end of naphthalene vapour-discharge tube is connected to the top of rectifying tower, the other end links to each other with interchanger, interchanger also is connected with the naphthalene vapour-discharge tube, is connected with washing oil oil outlet pipe and washing oil oil inlet pipe between tube furnace and the rectifying tower.
Priority Applications (1)
| Application Number | Priority Date | Filing Date | Title |
|---|---|---|---|
| CN2012205865150U CN202881132U (en) | 2012-11-09 | 2012-11-09 | Crude naphthalene single-furnace and double-tower device |
Applications Claiming Priority (1)
| Application Number | Priority Date | Filing Date | Title |
|---|---|---|---|
| CN2012205865150U CN202881132U (en) | 2012-11-09 | 2012-11-09 | Crude naphthalene single-furnace and double-tower device |
Publications (1)
| Publication Number | Publication Date |
|---|---|
| CN202881132U true CN202881132U (en) | 2013-04-17 |
Family
ID=48072578
Family Applications (1)
| Application Number | Title | Priority Date | Filing Date |
|---|---|---|---|
| CN2012205865150U Expired - Fee Related CN202881132U (en) | 2012-11-09 | 2012-11-09 | Crude naphthalene single-furnace and double-tower device |
Country Status (1)
| Country | Link |
|---|---|
| CN (1) | CN202881132U (en) |
Cited By (1)
| Publication number | Priority date | Publication date | Assignee | Title |
|---|---|---|---|---|
| CN103588613A (en) * | 2013-11-09 | 2014-02-19 | 七台河宝泰隆圣迈煤化工有限责任公司 | Coal pitch delayed coking and industrial naphthalene rectification combined naphthalene extracting device |
-
2012
- 2012-11-09 CN CN2012205865150U patent/CN202881132U/en not_active Expired - Fee Related
Cited By (2)
| Publication number | Priority date | Publication date | Assignee | Title |
|---|---|---|---|---|
| CN103588613A (en) * | 2013-11-09 | 2014-02-19 | 七台河宝泰隆圣迈煤化工有限责任公司 | Coal pitch delayed coking and industrial naphthalene rectification combined naphthalene extracting device |
| CN103588613B (en) * | 2013-11-09 | 2015-12-16 | 七台河宝泰隆圣迈煤化工有限责任公司 | Coal-tar pitch delayed coking is combined with NAPTHALENE FLAKES. (INDUSTRIAL GRADE) rectifying and is carried naphthalene device |
Similar Documents
| Publication | Publication Date | Title |
|---|---|---|
| CN202881132U (en) | Crude naphthalene single-furnace and double-tower device | |
| CN203837330U (en) | CO2 heat pump heat exchange enthalpy increase device | |
| CN201442910U (en) | Energy-saving device for waste heat utilization of synthesis gas in the production of methylamine and dimethylformamide | |
| CN202747462U (en) | Device for recovering waste circulating water heat of thermal power plant by using absorption heat pump | |
| CN205227896U (en) | Condensate water is recovery system again | |
| CN212388001U (en) | A low-temperature heat recovery and utilization system for a hydrogenation device | |
| CN204329685U (en) | Plate type heat exchanger | |
| CN203249260U (en) | Exhaust gas waste heat recovery device for heat exchange hot blast stove | |
| CN203451783U (en) | Warp knitting machine cooling device for cooling system in warp knitting workshop | |
| CN202849360U (en) | Household garbage landfill gas deoxygenation device | |
| CN202947112U (en) | Low-grade double-effect phase-change waste heat recovery system for recycling of waste gas and waste heat | |
| CN206767969U (en) | A kind of system for producing coking low temperature water using methyl methanol syngas low level heat | |
| CN203337004U (en) | Heat exchange tube structure for closed cooling tower | |
| CN204359182U (en) | A kind of water circulation processing system | |
| CN203413988U (en) | 180-degree shell-tube type heat exchanging unit and 180-degree shell-tube type heat exchanging device for gathering, transportation and heat tracing of oil field | |
| CN205640964U (en) | Straight shaped glass pipe low temperature waste heat recovery device of ball | |
| CN202730092U (en) | Energy-saving heating system of coking crude benzol storage tank | |
| CN105371512A (en) | Condensation water recycling system | |
| CN205593030U (en) | Heat supply network circulating water system that multiple driving method jointly used | |
| CN205300015U (en) | Subitem formula throttle thermal utilization system | |
| CN204944243U (en) | Replaceable coiled electrolysis flue gas waste heat recovery heat-exchanger rig | |
| CN204853434U (en) | Heat recovery system | |
| CN203550644U (en) | Waste gas condensing device for foam factory | |
| CN203534256U (en) | Polyester air cooler waste heat recycling device | |
| CN202836278U (en) | Heat-transferring device |
Legal Events
| Date | Code | Title | Description |
|---|---|---|---|
| C14 | Grant of patent or utility model | ||
| GR01 | Patent grant | ||
| CF01 | Termination of patent right due to non-payment of annual fee |
Granted publication date: 20130417 Termination date: 20161109 |
|
| CF01 | Termination of patent right due to non-payment of annual fee |