CN202872884U - 一种音频输出电路及移动终端 - Google Patents

一种音频输出电路及移动终端 Download PDF

Info

Publication number
CN202872884U
CN202872884U CN 201220502176 CN201220502176U CN202872884U CN 202872884 U CN202872884 U CN 202872884U CN 201220502176 CN201220502176 CN 201220502176 CN 201220502176 U CN201220502176 U CN 201220502176U CN 202872884 U CN202872884 U CN 202872884U
Authority
CN
China
Prior art keywords
power amplifier
signal
audio output
circuit
analog switch
Prior art date
Legal status (The legal status is an assumption and is not a legal conclusion. Google has not performed a legal analysis and makes no representation as to the accuracy of the status listed.)
Expired - Lifetime
Application number
CN 201220502176
Other languages
English (en)
Inventor
赵江涛
Current Assignee (The listed assignees may be inaccurate. Google has not performed a legal analysis and makes no representation or warranty as to the accuracy of the list.)
Hisense Mobile Communications Technology Co Ltd
Original Assignee
Hisense Mobile Communications Technology Co Ltd
Priority date (The priority date is an assumption and is not a legal conclusion. Google has not performed a legal analysis and makes no representation as to the accuracy of the date listed.)
Filing date
Publication date
Application filed by Hisense Mobile Communications Technology Co Ltd filed Critical Hisense Mobile Communications Technology Co Ltd
Priority to CN 201220502176 priority Critical patent/CN202872884U/zh
Application granted granted Critical
Publication of CN202872884U publication Critical patent/CN202872884U/zh
Anticipated expiration legal-status Critical
Expired - Lifetime legal-status Critical Current

Links

Images

Landscapes

  • Telephone Function (AREA)
  • Amplifiers (AREA)

Abstract

本实用新型公开了一种音频输出电路及移动终端,包括一个扬声器、模拟切换开关、滤波电路和功率放大器,通过处理器输出的扬声器信号经由滤波电路和功率放大器输出至模拟切换开关的其中一组开关通道,模拟切换开关的另外一组开关通道接收处理器输出的听筒信号,模拟切换开关的控制端接收处理器输出的通道选择信号,选择其中一组开关通道与模拟切换开关的公共端连通,所述模拟切换开关的公共端连接扬声器。本实用新型的音频输出电路将听筒和扬声器合二为一,采用一个扬声器配合简单的外围电路即可实现音频信号的两种输出模式,即听筒输出模式和扬声器输出模式,节省了听筒,降低了电路成本,节约了PCB空间,优化了结构设计。

Description

一种音频输出电路及移动终端
技术领域
本实用新型属于音频电路技术领域,具体地说,是涉及一种将听筒和扬声器合二为一,通过一个电声器件实现两种播放模式的音频输出电路设计方案以及采用所述音频输出电路设计的移动终端。
背景技术
目前,手机播放声音的通路有两条:一条是从听筒发出,在采用手持模式接听电话时,这种模式使用情况最多。在手持通话时,由于人耳比较贴近听筒,因此要求接听的声音不用太大,但是必须听起来清晰、干净、连续。另外一条是从扬声器发出,如采用免提模式接听电话或者利用扬声器播放MP3音乐等,此时人耳距离扬声器较远,要求声音在不失真的情况下足够大,但是对低噪的要求可以稍微降低。
在目前手机产品的电路设计中,两条音频输出通路的设计参见图1所示的电路结构,包括滤波电路、保护电路、外置音频放大器、电声转换器件等主要组成部分。其工作原理是:音频信号经过手机内部的基带芯片进行编解码、数模转换、功率放大等处理后,输出至滤波电路滤除掉其中的直流分量和高频干扰等噪波信号,然后再通过保护电路来防止静电损害,最后由听筒或者扬声器等电声转换器件将模拟电信号转换成人耳可以识别的声音信号播放出来。通常,听筒通路利用基带芯片内部的放大电路即可产生足够大的信号来驱动听筒播放;但是,如果音频信号需要从扬声器发出,则基带芯片内部的放大电路是不足以直接驱动扬声器的,需要增加外置音频功率放大器来提高音频信号的驱动能力。
为了满足音频信号的两种输出要求,现有的电路设计方式都是设计两条独立的音频输出通路,即听筒通路和扬声器通路,对音频信号分别进行处理输出,即如图1所示的电路结构。采用这种音频输出电路设计方式,不仅硬件成本高,而且需要占用较大的PCB空间,使得手机内部的空间变得非常紧张,不适合应用在超薄、小巧的智能手机产品中。
此外,现有的大部分手机都是将听筒设计在手机的正面,而扬声器布设在手机的背面。通常当手机正面朝上放置在床等软物上面时,因软物遮挡而将来电的振铃声大大降低,甚至听不到来电铃声,造成使用者漏接电话或者听不到闹钟音等,影响了用户的正常使用。
发明内容
本实用新型的目的在于提供一种音频输出电路,采用一个扬声器即可实现音频信号的两种输出模式,即听筒输出模式和扬声器输出模式,不仅节省了一个电声转换器件,简化了电路结构,而且减少了PCB的空间占用,优化了空间结构。
为解决上述技术问题,本实用新型采用以下技术方案予以实现:
一种音频输出电路,包括一个扬声器、模拟切换开关、滤波电路和功率放大器,通过处理器输出的扬声器信号经由滤波电路和功率放大器输出至模拟切换开关的其中一组开关通道,模拟切换开关的另外一组开关通道接收处理器输出的听筒信号,模拟切换开关的控制端接收处理器输出的通道选择信号,选择其中一组开关通道与模拟切换开关的公共端连通,所述模拟切换开关的公共端连接扬声器。
为了满足阻抗匹配的要求,所述处理器输出的听筒信号经由阻抗匹配电路传输至模拟切换开关的一组开关通道。
进一步的,所述处理器通过其一组差分信号端子输出所述的听筒信号,所述差分信号端子在与模拟切换开关相连接的每一条差分信号线上均串联有一路匹配电阻,以达到与扬声器的阻抗相匹配的效果。
优选的,由于扬声器的输入频段有限,因此选择高通滤波电路作为所述的滤波电路,其截止频率优选设置在362Hz。
进一步的,所述处理器输出差分形式的扬声器信号,分别传输至功率放大器的差分音频输入端,通过功率放大器进行功率放大处理后,经由功率放大器的差分音频输出端输出至模拟切换开关;所述功率放大器的负极性差分音频输出端通过一反馈电阻连接功率放大器的负极性差分音频输入端,所述功率放大器的旁路电压端通过另一反馈电阻连接功率放大器的正极性差分音频输入端。
又进一步的,所述功率放大器的开关控制端接收处理器输出的使能信号,所述开关控制端优选通过下拉电阻接地,以稳定信号电平。
优选的,所述功率放大器优选采用AB类的音频功率放大器,以防止在功率放大器打开和关闭时产生爆破音和时钟噪声。
再进一步的,在所述模拟切换开关的公共端与扬声器相连接的线路上还连接有π型电容滤波电路和静电保护电路,以滤除高频干扰,并起到防止静电损坏的作用。
基于上述音频输出电路结构,本实用新型还提供了一种采用所述音频输出电路设计的移动终端,包括处理器、一个扬声器、模拟切换开关、滤波电路和功率放大器,通过处理器输出的扬声器信号经由滤波电路和功率放大器输出至模拟切换开关的其中一组开关通道,模拟切换开关的另外一组开关通道接收处理器输出的听筒信号,模拟切换开关的控制端接收处理器输出的通道选择信号,选择其中一组开关通道与模拟切换开关的公共端连通,所述模拟切换开关的公共端连接扬声器。
优选的,所述扬声器优选布设在移动终端的正面壳体上,以避免将移动终端放置在软物面上时,由于软物面的遮挡而导致通过扬声器播放出来的声音被大幅削减。
与现有技术相比,本实用新型的优点和积极效果是:本实用新型的音频输出电路将听筒和扬声器合二为一,采用一个扬声器配合简单的外围电路即可实现音频信号的两种输出模式,即听筒输出模式和扬声器输出模式,不仅节省了听筒,降低了电路成本,节约了PCB空间,优化了结构设计,而且通过将此扬声器放置在手机的正面,可以使得通过扬声器播放出来的振铃音或者闹钟音不会因遮挡而被削减,确保了用户的正常使用。此外,采用本实用新型的音频输出电路设计方式在通过听筒播放声音时,可以降低听筒底噪,提供用户较好的通话音质。
结合附图阅读本实用新型实施方式的详细描述后,本实用新型的其他特点和优点将变得更加清楚。
附图说明
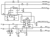
图1是现有手机所采用的双通道音频输出电路的原理框图;
图2是本实用新型所提出的音频输出电路的一种实施例的电路原理框图;
图3是图2所示音频输出电路的一种实施例的具体电路原理图。
具体实施方式
下面结合附图对本实用新型的具体实施方式进行详细地描述。
本实用新型为了简化音频通路的结构设计,以适应手机等移动终端产品轻薄化的外观设计要求,采用将听筒和扬声器合二为一的设计方法,取消听筒部品的使用,仅通过在移动终端产品上布设一个扬声器即可实现听筒和扬声器两种音频播放模式的选择切换,不仅在电路结构和硬件成本上大大优化,同时也极大方便了用户的使用。
下面以手机产品为例,通过一个具体的实施例来详细阐述所述音频输出电路的具体组建结构及其工作原理。
实施例一,本实施例的音频输出电路主要由滤波电路、功率放大器、模拟切换开关和一个电声转换器件——扬声器组成,参见图2所示。其中,模拟切换开关用于对处理器经过编解码、数模转换以及功率放大处理后输出的两路音频信号(即听筒信号和扬声器信号)进行切换输出。由于通过处理器输出的听筒信号已经在处理器中进行过驱动放大处理了,因此可以直接传输至模拟切换开关的其中一组开关通道,在用户选择手持模式接听电话时,由模拟切换开关选通输出至扬声器,将扬声器作为听筒输出微弱的音频信号,此时用户需要将耳朵贴近扬声器来接听对方的语音信号。对于处理器输出的扬声器信号,由于需要较大的驱动能力,因此需要增加一级驱动放大电路来满足对扬声器的驱动要求。鉴于此,本实施例将通过处理器输出的扬声器信号首先通过滤波电路进行滤波处理,然后传输至功率放大器进行驱动放大处理,最后输出至模拟切换开关的另外一组开关通道,在用户选择免提模式接听电话或者播放音乐时,由模拟切换开关选通输出至扬声器,播放输出音频信号。
对于模拟切换开关的选通控制,由处理器输出的通道选择信号控制实现。具体来讲,可以将模拟切换开关S1的控制端IN1、IN2连接到处理器的其中一路GPIO口上,接收处理器输出的通道选择信号AUDIO_SWITCH_CTL,进而根据所述通道选择信号AUDIO_SWITCH_CTL的高低电平状态,选择模拟切换开关S1的其中一组开关通道NC1、NC2(或者NO1、NO2)与其公共端COM1、COM2连通,进而将听筒信号或者经由功率放大器放大处理后输出的扬声器信号通过模拟切换开关S1的公共端COM1、COM2传输至扬声器,驱动扬声器输出音频信号,结合图3所示。
为了达到阻抗匹配的设计要求,在处理器的听筒信号输出端与所述的模拟切换开关之间需要增设阻抗匹配电路,以满足与后级扬声器之间的阻抗匹配要求。
作为本实施例的一种优选设计方案,优选采用手机中集成有CPU的基带芯片作为所述的处理器,输出两路音频信号。以基带芯片产生的两路音频信号为差分信号形式为例进行具体说明,参见图3所示。图3中,REC+和REC-是基带芯片输出的差分形式的听筒信号,由基带芯片的一组差分信号端子输出。此路信号在基带芯片内部经过放大处理后,能够直接驱动32欧姆的听筒输出。但是,在本实施例中,为了能够连接驱动8欧姆的扬声器输出,需要在模拟切换开关S1的开关通道NO1、NO2连接所述差分信号端子的每一条差分信号线上串联匹配电阻,例如12欧姆的电阻R7和R8,以达到阻抗匹配的效果。
由基带芯片产生的扬声器信号SPEAKER+和SPEAKER-也为差分信号,由于后端扬声器的输入频段有限,因此需要增加高通滤波电路将一些不必要的低频信号滤除掉。在本实施例的电路设计中,采用电阻和电容相串联的方式设计所述的高通滤波电路,如图3所示,包括两条串联支路,分别对应串联在两条差分信号线上。其中,电阻R1和电容C1形成的第一条串联支路连接在基带芯片输出负极性扬声器信号SPEAKER-的端子与功率放大器IC1的负极性差分音频输入端-IN之间;电阻R2和电容C2形成的第二条串联支路连接在基带芯片输出正极性扬声器信号SPEAKER+的端子与功率放大器IC1的正极性差分音频输入端+IN之间。采用RC串联形成的高通滤波电路,电容C1、C2起到隔直作用,与后面的电阻R1、R2组成高通滤波器,通过选择RC的参数值,设置其截止频率FC= 362Hz。这样一来,通过基带芯片输出的扬声器信号SPEAKER+和SPEAKER-在经由高通滤波器进行滤波处理后,便可以将其中频率低于362Hz的低频信号滤除掉,以满足后级扬声器的输入要求。
在本实施例中,所述功率放大器IC1优选采用AB类的功率放大器,且具有<1%的THD+N(THD+N是英文Total Hormonic Distortion + Noise 的缩写,即总谐波失真加噪声,它是音频功率放大器的一个主要性能指标,也是音频功率放大器的额定输出功率的一个条件)的低噪声性能,在打开和关闭时能够有效防止POP音和CLICK噪声,即爆破音和时钟噪声,让人耳获得最大的舒适感。
将所述功率放大器IC1的负极性差分音频输出端Vo1通过反馈电阻R4连接到功率放大器IC1的负极性差分音频输入端-IN,功率放大器IC1的旁路电压端BYPASS通过反馈电阻R3连接到功率放大器IC1的正极性差分音频输入端+IN。选择反馈电阻R3、R4的阻值均为56KΩ,由此可以将功率放大器IC1的放大倍数设置在1+R4/R1=1+56K/20K=3.8,以达到驱动额定功率为0.8W的扬声器。
为了达到节能降耗的设计目的,控制所述功率放大器IC1仅在需要输出音频信号时启动运行。为了实现该设计目的,本实施例将所述功率放大器IC1的开关控制端SHUTDOWN连接基带芯片,接收基带芯片输出的使能信号SPK_PA_EN。为了稳定信号电平,增加下拉电阻R5,即将所述功率放大器IC1的开关控制端SHUTDOWN通过电阻R5接地。当基带芯片输出的使能信号SPK_PA_EN为高电平时,功率放大器IC1处于功率放大模式,当使能信号SPK_PA_EN为低电平时,功率放大器IC1处于关闭模式,耗电可以低于0.1uA。
为了消除或者减小供电电源VBATT对音频信号的影响,将功率放大器IC1的供电引脚VDD通过串联的磁珠L1连接电源VBATT,并经由滤波电容C4接地。经过功率放大器IC1放大的扬声器信号通过功率放大器IC1的差分音频输出端Vo1和Vo2输出,传输至模拟开关S1的另外一组开关通道NC1、NC2。
模拟开关S1由基带芯片输出的通道选择信号AUDIO_SWITCH_CTL来控制选取扬声器通路还是听筒通路。当通道选择信号AUDIO_SWITCH_CTL为高电平时,模拟开关S1切换到听筒通路,输出听筒信号REC+、REC-至扬声器,此时用于手持模式。当通道选择信号AUDIO_SWITCH_CTL为低电平时,模拟开关S1切换到扬声器通路,输出经由功率放大器IC1放大处理后的扬声器信号,此时用于免提或者振铃等模式。
为了提高所述音频输出电路运行的安全性,本实施例在模拟开关S1的公共端COM1、COM2与扬声器的差分音频输入接口SP+、SP-之间还设计有保护电路,参见图2、图3所示,包括π型电容滤波电路和静电保护电路两部分。其中,π型电容滤波电路由三个电容C6、C7、C8连接而成,电容C6、C7起到防止高频信号对音频信号干扰的作用,电容C8为了消除共模干扰。静电保护电路由两个TVS管(即瞬态抑制二极管)D1组成,对应连接在扬声器的差分音频输入接口SP+、SP-与地之间。当扬声器端感应到瞬间高压静电时,TVS管D1能够瞬间将10KV的静电泄放到地,从而起到保护后级电路尤其是基带芯片的作用。当TVS管D1的两端电压比较低时,其相当于电容,不影响音频信号的正常传输。
对于所述扬声器来说,可以通过适当调整基带芯片的EQ曲线参数来提高低频小信号的幅度,并通过调整底噪参数,使扬声器在手持模式下保持低底噪输出,以提高音频输出质量。
本实施例的音频输出电路,首先让听筒信号和扬声器信号分别走各自的通路,然后通过模拟开关来切换通路,这样既保证了听筒低底噪,也保证了扬声器模式下的高音量。同时,降低了硬件成本,优化了结构设计。
此外,对于所述扬声器在手机壳体上的布设位置,本实施例优选布设在手机的正面壳体上,由此可以使得振铃音从手机的正面发出,防止因扬声器被遮挡而带来的来电等振铃声小的问题。
当然,本实施例所提出的音频输出电路设计方案同样适用于除手机以外的其他移动终端产品中,本实施例对此不进行具体限制。
应当指出的是,以上所述仅是本实用新型的一种优选实施方式,对于本技术领域的普通技术人员来说,在不脱离本实用新型原理的前提下,还可以做出若干改进和润饰,这些改进和润饰也应视为本实用新型的保护范围。

Claims (10)

1.一种音频输出电路,其特征在于:包括一个扬声器、模拟切换开关、滤波电路和功率放大器,通过处理器输出的扬声器信号经由滤波电路和功率放大器输出至模拟切换开关的其中一组开关通道,模拟切换开关的另外一组开关通道接收处理器输出的听筒信号,模拟切换开关的控制端接收处理器输出的通道选择信号,选择其中一组开关通道与模拟切换开关的公共端连通,所述模拟切换开关的公共端连接扬声器。
2.根据权利要求1所述的音频输出电路,其特征在于:所述处理器输出的听筒信号经由阻抗匹配电路传输至模拟切换开关的一组开关通道。
3.根据权利要求2所述的音频输出电路,其特征在于:所述处理器通过其一组差分信号端子输出所述的听筒信号,所述差分信号端子在与模拟切换开关相连接的每一条差分信号线上均串联有一路匹配电阻。
4.根据权利要求1所述的音频输出电路,其特征在于:所述滤波电路为高通滤波电路,其截止频率为362Hz。
5.根据权利要求1所述的音频输出电路,其特征在于:所述处理器输出差分形式的扬声器信号,分别传输至功率放大器的差分音频输入端,通过功率放大器进行功率放大处理后,经由功率放大器的差分音频输出端输出至模拟切换开关;所述功率放大器的负极性差分音频输出端通过一反馈电阻连接功率放大器的负极性差分音频输入端,所述功率放大器的旁路电压端通过另一反馈电阻连接功率放大器的正极性差分音频输入端。
6.根据权利要求5所述的音频输出电路,其特征在于:所述功率放大器的开关控制端接收处理器输出的使能信号,所述开关控制端通过下拉电阻接地。
7.根据权利要求5所述的音频输出电路,其特征在于:所述功率放大器为AB类的音频功率放大器。
8.根据权利要求1至7中任一项所述的音频输出电路,其特征在于:在所述模拟切换开关的公共端与扬声器相连接的线路上连接有π型电容滤波电路和静电保护电路。
9.一种移动终端,包括处理器,其特征在于:还包括如权利要求1至8中任一项权利要求所述的音频输出电路。
10.根据权利要求9所述的移动终端,其特征在于:所述扬声器布设在移动终端的正面壳体上。
CN 201220502176 2012-09-28 2012-09-28 一种音频输出电路及移动终端 Expired - Lifetime CN202872884U (zh)

Priority Applications (1)

Application Number Priority Date Filing Date Title
CN 201220502176 CN202872884U (zh) 2012-09-28 2012-09-28 一种音频输出电路及移动终端

Applications Claiming Priority (1)

Application Number Priority Date Filing Date Title
CN 201220502176 CN202872884U (zh) 2012-09-28 2012-09-28 一种音频输出电路及移动终端

Publications (1)

Publication Number Publication Date
CN202872884U true CN202872884U (zh) 2013-04-10

Family

ID=48039567

Family Applications (1)

Application Number Title Priority Date Filing Date
CN 201220502176 Expired - Lifetime CN202872884U (zh) 2012-09-28 2012-09-28 一种音频输出电路及移动终端

Country Status (1)

Country Link
CN (1) CN202872884U (zh)

Cited By (9)

* Cited by examiner, † Cited by third party
Publication number Priority date Publication date Assignee Title
CN104581515A (zh) * 2013-10-15 2015-04-29 联想(北京)有限公司 一种音频播放装置、方法和移动终端
CN106714031A (zh) * 2015-08-10 2017-05-24 上海芯望电子技术有限公司 集成式音频信号播放器
CN108012220A (zh) * 2017-12-29 2018-05-08 上海艾为电子技术股份有限公司 音频处理器
CN108206977A (zh) * 2018-01-11 2018-06-26 上海展扬通信技术有限公司 音频的降噪方法、装置及计算机可读存储介质
CN108351694A (zh) * 2015-11-04 2018-07-31 三星电子株式会社 电子设备及其操作方法
CN110071694A (zh) * 2018-01-22 2019-07-30 深圳市澳德新能源科技有限公司 音频功放电路
CN110399115A (zh) * 2019-08-14 2019-11-01 北京计算机技术及应用研究所 一种抗干扰双通道音频语音切换装置
CN113014706A (zh) * 2021-03-04 2021-06-22 瑞声光电科技(常州)有限公司 一种用于移动设备的扬声器驱动方法及电路
CN114257702A (zh) * 2021-11-04 2022-03-29 科大讯飞股份有限公司 音视频处理电路、控制方法、控制装置和电子设备

Cited By (12)

* Cited by examiner, † Cited by third party
Publication number Priority date Publication date Assignee Title
CN104581515A (zh) * 2013-10-15 2015-04-29 联想(北京)有限公司 一种音频播放装置、方法和移动终端
CN104581515B (zh) * 2013-10-15 2018-12-18 联想(北京)有限公司 一种音频播放装置、方法和移动终端
CN106714031A (zh) * 2015-08-10 2017-05-24 上海芯望电子技术有限公司 集成式音频信号播放器
CN108351694A (zh) * 2015-11-04 2018-07-31 三星电子株式会社 电子设备及其操作方法
CN108012220A (zh) * 2017-12-29 2018-05-08 上海艾为电子技术股份有限公司 音频处理器
CN108206977A (zh) * 2018-01-11 2018-06-26 上海展扬通信技术有限公司 音频的降噪方法、装置及计算机可读存储介质
CN110071694A (zh) * 2018-01-22 2019-07-30 深圳市澳德新能源科技有限公司 音频功放电路
CN110399115A (zh) * 2019-08-14 2019-11-01 北京计算机技术及应用研究所 一种抗干扰双通道音频语音切换装置
CN110399115B (zh) * 2019-08-14 2023-09-26 北京计算机技术及应用研究所 一种抗干扰双通道音频语音切换装置
CN113014706A (zh) * 2021-03-04 2021-06-22 瑞声光电科技(常州)有限公司 一种用于移动设备的扬声器驱动方法及电路
CN114257702A (zh) * 2021-11-04 2022-03-29 科大讯飞股份有限公司 音视频处理电路、控制方法、控制装置和电子设备
CN114257702B (zh) * 2021-11-04 2024-02-13 科大讯飞股份有限公司 音视频处理电路、控制方法、控制装置和电子设备

Similar Documents

Publication Publication Date Title
CN202872884U (zh) 一种音频输出电路及移动终端
US9674330B2 (en) Method of improving sound quality of mobile communication terminal under receiver mode
CN202587132U (zh) 具有回声抑制功能的语音通话电路及平板电脑
CN104717588A (zh) 低功耗入耳式有源降噪音乐耳机及降噪方法
CN103237281B (zh) 一种移动终端的耳机线控电路及线控方法
CN104754436A (zh) 一种主动降噪方法以及降噪耳机
CN108769872B (zh) 耳机降噪电路
CN105228055A (zh) 低音音频补偿系统及其补偿方法
CN105120391A (zh) 一种能主动式降噪耳机音质提升的装置
CN104683917A (zh) 一种手机的音频控制方法
CN101449320A (zh) 借助非呼叫状态中的移动通信设备来减小噪声
CN203968327U (zh) 一种免摘除进行近距对话的耳机
CN106303761A (zh) 一种窗口对讲系统及对讲方法
CN108012220A (zh) 音频处理器
CN203151729U (zh) 一种多功能耳机
CN201893904U (zh) 多功能降噪耳机
CN203563181U (zh) 一种具有kts音效的移动终端
CN202261181U (zh) 一种采用二合一扬声器的终端
CN205864519U (zh) Vox双mic校准优化电路
CN102624953A (zh) 一种消除gsm手机免提电流声的方法及其电路
CN205195931U (zh) 一种耳机
CN2817244Y (zh) 通话和振铃共用单一电路的手机
CN209748649U (zh) 一种双通道音频通话电路
CN204948330U (zh) 扬声器电路及移动终端
CN106792359B (zh) 一种电子设备及其音频功放系统

Legal Events

Date Code Title Description
C14 Grant of patent or utility model
GR01 Patent grant
CX01 Expiry of patent term

Granted publication date: 20130410

CX01 Expiry of patent term