CN202817907U - 配电系统末端智能用电监控装置 - Google Patents
配电系统末端智能用电监控装置 Download PDFInfo
- Publication number
- CN202817907U CN202817907U CN2012205169135U CN201220516913U CN202817907U CN 202817907 U CN202817907 U CN 202817907U CN 2012205169135 U CN2012205169135 U CN 2012205169135U CN 201220516913 U CN201220516913 U CN 201220516913U CN 202817907 U CN202817907 U CN 202817907U
- Authority
- CN
- China
- Prior art keywords
- intelligent
- monitoring terminal
- power
- monitoring device
- remote
- Prior art date
- Legal status (The legal status is an assumption and is not a legal conclusion. Google has not performed a legal analysis and makes no representation as to the accuracy of the status listed.)
- Expired - Fee Related
Links
- 238000012806 monitoring device Methods 0.000 title claims abstract description 8
- 238000012544 monitoring process Methods 0.000 claims abstract description 30
- 238000004891 communication Methods 0.000 claims abstract description 14
- 230000006854 communication Effects 0.000 claims abstract description 14
- 230000006870 function Effects 0.000 abstract description 5
- 238000005516 engineering process Methods 0.000 abstract description 4
- 238000010295 mobile communication Methods 0.000 abstract description 4
- 238000005259 measurement Methods 0.000 abstract description 3
- 230000007175 bidirectional communication Effects 0.000 abstract 1
- 230000005611 electricity Effects 0.000 description 6
- 238000010586 diagram Methods 0.000 description 2
- 230000007812 deficiency Effects 0.000 description 1
- 238000001514 detection method Methods 0.000 description 1
- 238000012423 maintenance Methods 0.000 description 1
- 238000000034 method Methods 0.000 description 1
- 230000011664 signaling Effects 0.000 description 1
- 230000009131 signaling function Effects 0.000 description 1
- 238000012546 transfer Methods 0.000 description 1
Images
Classifications
-
- Y—GENERAL TAGGING OF NEW TECHNOLOGICAL DEVELOPMENTS; GENERAL TAGGING OF CROSS-SECTIONAL TECHNOLOGIES SPANNING OVER SEVERAL SECTIONS OF THE IPC; TECHNICAL SUBJECTS COVERED BY FORMER USPC CROSS-REFERENCE ART COLLECTIONS [XRACs] AND DIGESTS
- Y02—TECHNOLOGIES OR APPLICATIONS FOR MITIGATION OR ADAPTATION AGAINST CLIMATE CHANGE
- Y02B—CLIMATE CHANGE MITIGATION TECHNOLOGIES RELATED TO BUILDINGS, e.g. HOUSING, HOUSE APPLIANCES OR RELATED END-USER APPLICATIONS
- Y02B70/00—Technologies for an efficient end-user side electric power management and consumption
- Y02B70/30—Systems integrating technologies related to power network operation and communication or information technologies for improving the carbon footprint of the management of residential or tertiary loads, i.e. smart grids as climate change mitigation technology in the buildings sector, including also the last stages of power distribution and the control, monitoring or operating management systems at local level
-
- Y—GENERAL TAGGING OF NEW TECHNOLOGICAL DEVELOPMENTS; GENERAL TAGGING OF CROSS-SECTIONAL TECHNOLOGIES SPANNING OVER SEVERAL SECTIONS OF THE IPC; TECHNICAL SUBJECTS COVERED BY FORMER USPC CROSS-REFERENCE ART COLLECTIONS [XRACs] AND DIGESTS
- Y04—INFORMATION OR COMMUNICATION TECHNOLOGIES HAVING AN IMPACT ON OTHER TECHNOLOGY AREAS
- Y04S—SYSTEMS INTEGRATING TECHNOLOGIES RELATED TO POWER NETWORK OPERATION, COMMUNICATION OR INFORMATION TECHNOLOGIES FOR IMPROVING THE ELECTRICAL POWER GENERATION, TRANSMISSION, DISTRIBUTION, MANAGEMENT OR USAGE, i.e. SMART GRIDS
- Y04S20/00—Management or operation of end-user stationary applications or the last stages of power distribution; Controlling, monitoring or operating thereof
- Y04S20/20—End-user application control systems
- Y04S20/242—Home appliances
-
- Y—GENERAL TAGGING OF NEW TECHNOLOGICAL DEVELOPMENTS; GENERAL TAGGING OF CROSS-SECTIONAL TECHNOLOGIES SPANNING OVER SEVERAL SECTIONS OF THE IPC; TECHNICAL SUBJECTS COVERED BY FORMER USPC CROSS-REFERENCE ART COLLECTIONS [XRACs] AND DIGESTS
- Y04—INFORMATION OR COMMUNICATION TECHNOLOGIES HAVING AN IMPACT ON OTHER TECHNOLOGY AREAS
- Y04S—SYSTEMS INTEGRATING TECHNOLOGIES RELATED TO POWER NETWORK OPERATION, COMMUNICATION OR INFORMATION TECHNOLOGIES FOR IMPROVING THE ELECTRICAL POWER GENERATION, TRANSMISSION, DISTRIBUTION, MANAGEMENT OR USAGE, i.e. SMART GRIDS
- Y04S40/00—Systems for electrical power generation, transmission, distribution or end-user application management characterised by the use of communication or information technologies, or communication or information technology specific aspects supporting them
- Y04S40/12—Systems for electrical power generation, transmission, distribution or end-user application management characterised by the use of communication or information technologies, or communication or information technology specific aspects supporting them characterised by data transport means between the monitoring, controlling or managing units and monitored, controlled or operated electrical equipment
- Y04S40/126—Systems for electrical power generation, transmission, distribution or end-user application management characterised by the use of communication or information technologies, or communication or information technology specific aspects supporting them characterised by data transport means between the monitoring, controlling or managing units and monitored, controlled or operated electrical equipment using wireless data transmission
Landscapes
- Remote Monitoring And Control Of Power-Distribution Networks (AREA)
Abstract
本实用新型提供一种配电系统末端智能用电监控装置,它包括带无线通讯功能的智能监控终端、智能电度表、三相交流接触器以及连接有双向通讯模块的供电所计算机;所述智能电度表采集计量各项电力参数,所述智能监控终端连接所述智能电度表以读取电力参数,所述三相交流接触器连接所述智能监控终端以根据所述智能监控终端发出的通断指令完成末端用户用电的通断控制,所述供电所计算机与所述智能监控终端无线通信以传送控制指令和电力参数数据。本实用新型通过运用移动通讯网络和计算机软件等技术,实现遥测、遥控、遥信功能,完成专用配电变压器电力用户的负荷监控,并能通过遥测、遥控实现配电系统自动化管理系统。
Description
技术领域
本实用新型涉及一种用电监控系统,具体的说,涉及了一种配电系统末端智能用电监控装置。
背景技术
目前,电力系统的配电自动化控制技术在配电变压器端已有应用,而针对不具备安装配电变压器的小型电力用户智能用电管理监控装置来说,还尚属空白。兼于这些末端设备本身的造价比较低,则要求配套的智能监控设备有相应的设计技术经济性。
在供电高峰时段,常常因配电线路和配电设备得不到正常维护,而造成配电线路和设备频繁出现故障,从而导致大面积停电。亦因电力供应紧张,致使电力供应部门无法进行负荷调控。上述问题都要求进行智能化供用电管理,以对末端用户直接进行负荷调控,并进行远程遥测、遥信、遥控,达到自动远程监控之目的。
为了解决以上存在的问题,人们一直在寻求一种理想的技术解决方案。
发明内容
本实用新型的目的是针对现有技术的不足,从而提供一种经济实用、使用方便、运行特性理想的智能用电监控系统,其适用于不具备安装配电变压器的小型电力用户。
为了实现上述目的,本实用新型所采用的技术方案是:一种配电系统末端智能用电监控装置,它包括带无线通讯功能的智能监控终端、智能电度表、三相交流接触器以及连接有双向通讯模块的供电所计算机;所述智能电度表采集计量各项电力参数,所述智能监控终端连接所述智能电度表以读取电力参数,所述三相交流接触器连接所述智能监控终端以根据所述智能监控终端发出的通断指令完成末端用户用电的通断控制,所述供电所计算机与所述智能监控终端无线通信以传送控制指令和电力参数数据。
本实用新型相对现有技术具有实质性特点和进步,具体的说,本实用新型是能够实现实时状态和数据检测功能的数字化、智能化监控系统,通过运用移动通讯网络和计算机软件等技术,实现遥测、遥控、遥信功能,并由此形成电力系统的配电安全运行集中监控系统,实现专用配电变压器电力用户的负荷监控,并能通过遥测、遥控实现配电系统自动化管理系统。
附图说明
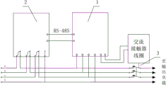
图1是本实用新型的工作原理方框示意图;
图2是本实用新型的连接示意图。
具体实施方式
下面通过具体实施方式,对本实用新型的技术方案做进一步的详细描述。
如图1所示,一种配电系统末端智能用电监控装置,它包括带无线通讯功能的智能监控终端1、智能电度表2、三相交流接触器3以及连接有双向通讯模块4的供电所计算机5,所述智能电度表2为三相四线电子式智能电度表。
如图2所示,配电系统末端用户的三相四线电源首先通过所述智能电度表2的进线端,出线端连接于所述智能监控终端1的电源接线端子,作为所述智能监控终端1的辅助电源,将所述智能电度表2的RS-485数据通信接口与所述智能监控终端1的RS-485数据通信接口相互连接,以读取各项电力参数;所述智能监控终端1的输出控制信号端子与所述三相交流接触器3的接线端子连接,根据所述智能监控终端发出的通断指令,所述智能电度表2的出线端的三根相线连接于所述三相交流接触器3的进线接线端子,所述三相交流接触器3的出线接线端子连接至输出负载,从而构成主电路回路;所述三相交流接触器3完成末端用户用电的通断控制,从而完成末端用户负荷的调控,其中,所述三相交流接触器3是能够频繁通断的断路器。
所述智能监控终端1通过移动通信基站6与所述双向通讯模块4无线连接,所述双向通讯模块4与所述供电所计算机5连接,实现所述电管所计算机5和所述智能监控终端1之间的双向无线通信,用以发射和接受信息,如所述智能监控终端1发出的报警信号、通断指令或有无功电量、电压、电流等等电力参数;其中,所述供电所计算机5是普通计算机,所述移动通信基站6是能够提供移动网络服务的通信基站。
最后应当说明的是:以上实施例仅用以说明本实用新型的技术方案而非对其限制;尽管参照较佳实施例对本实用新型进行了详细的说明,所属领域的普通技术人员应当理解:依然可以对本实用新型的具体实施方式进行修改或者对部分技术特征进行等同替换;而不脱离本实用新型技术方案的精神,其均应涵盖在本实用新型请求保护的技术方案范围当中。
Claims (1)
1.一种配电系统末端智能用电监控装置,其特征在于:它包括带无线通讯功能的智能监控终端、智能电度表、三相交流接触器以及连接有双向通讯模块的供电所计算机;所述智能电度表采集计量各项电力参数,所述智能监控终端连接所述智能电度表以读取电力参数,所述三相交流接触器连接所述智能监控终端以根据所述智能监控终端发出的通断指令完成末端用户用电的通断控制,所述供电所计算机与所述智能监控终端无线通信以传送控制指令和电力参数数据。
Priority Applications (1)
| Application Number | Priority Date | Filing Date | Title |
|---|---|---|---|
| CN2012205169135U CN202817907U (zh) | 2012-10-10 | 2012-10-10 | 配电系统末端智能用电监控装置 |
Applications Claiming Priority (1)
| Application Number | Priority Date | Filing Date | Title |
|---|---|---|---|
| CN2012205169135U CN202817907U (zh) | 2012-10-10 | 2012-10-10 | 配电系统末端智能用电监控装置 |
Publications (1)
| Publication Number | Publication Date |
|---|---|
| CN202817907U true CN202817907U (zh) | 2013-03-20 |
Family
ID=47876719
Family Applications (1)
| Application Number | Title | Priority Date | Filing Date |
|---|---|---|---|
| CN2012205169135U Expired - Fee Related CN202817907U (zh) | 2012-10-10 | 2012-10-10 | 配电系统末端智能用电监控装置 |
Country Status (1)
| Country | Link |
|---|---|
| CN (1) | CN202817907U (zh) |
Cited By (2)
| Publication number | Priority date | Publication date | Assignee | Title |
|---|---|---|---|---|
| CN104065166A (zh) * | 2014-06-26 | 2014-09-24 | 河南开启电力实业有限公司 | 整合式末端用电管理监控系统 |
| CN108398595A (zh) * | 2018-03-13 | 2018-08-14 | 广东里田电力工业有限公司 | 一种带有智能遥信、遥测、遥控功能的电能表 |
-
2012
- 2012-10-10 CN CN2012205169135U patent/CN202817907U/zh not_active Expired - Fee Related
Cited By (2)
| Publication number | Priority date | Publication date | Assignee | Title |
|---|---|---|---|---|
| CN104065166A (zh) * | 2014-06-26 | 2014-09-24 | 河南开启电力实业有限公司 | 整合式末端用电管理监控系统 |
| CN108398595A (zh) * | 2018-03-13 | 2018-08-14 | 广东里田电力工业有限公司 | 一种带有智能遥信、遥测、遥控功能的电能表 |
Similar Documents
| Publication | Publication Date | Title |
|---|---|---|
| CN106325240B (zh) | 基于多种通信方式的智能安全用电管理装置及系统 | |
| CN201234165Y (zh) | 一种配电系统自动化控制装置 | |
| CN202103478U (zh) | 智能综合配电箱 | |
| CN111342557B (zh) | 一种基站发电取信装置、备电系统、取信方法及备电方法 | |
| CN202133715U (zh) | 基于传感网的分布式电能计量系统 | |
| CN202495807U (zh) | 用于配电网络的远程集中测控系统 | |
| CN202189966U (zh) | 一种智能电源插头 | |
| CN101873010A (zh) | 配电系统智能监控终端 | |
| CN202939450U (zh) | 一种家居电量监控系统 | |
| CN105162250A (zh) | 一种电力用户能效服务云终端及能效服务管理系统 | |
| CN103475105A (zh) | 智能综合配电柜 | |
| CN208126186U (zh) | 一种基于云计算平台的家庭智慧能源管理系统 | |
| CN202679078U (zh) | 智能配电网用电监控管理装置 | |
| CN202817907U (zh) | 配电系统末端智能用电监控装置 | |
| CN205827224U (zh) | 一种基于多种通信方式的智能安全用电管理装置及系统 | |
| CN202817908U (zh) | 专用变压器智能监控系统 | |
| CN203504293U (zh) | 智能综合配电柜 | |
| CN201742167U (zh) | 配电系统智能监控终端 | |
| CN207638399U (zh) | 一种智能型配电箱 | |
| CN213602450U (zh) | 监控装置及监控系统 | |
| CN102790427A (zh) | 智能配电网用电监控管理装置 | |
| CN105655814B (zh) | 一种用于能源互联网的智能插座 | |
| CN208368860U (zh) | 智能充电插座 | |
| CN209215450U (zh) | 一种基于物联网技术的用电监测仪 | |
| CN203339806U (zh) | 智能非晶合金变压器 |
Legal Events
| Date | Code | Title | Description |
|---|---|---|---|
| C14 | Grant of patent or utility model | ||
| GR01 | Patent grant | ||
| CF01 | Termination of patent right due to non-payment of annual fee |
Granted publication date: 20130320 Termination date: 20151010 |
|
| EXPY | Termination of patent right or utility model |