CN202797583U - Wire stripping and crimping all-in-one machine - Google Patents
Wire stripping and crimping all-in-one machine Download PDFInfo
- Publication number
- CN202797583U CN202797583U CN201220341447.1U CN201220341447U CN202797583U CN 202797583 U CN202797583 U CN 202797583U CN 201220341447 U CN201220341447 U CN 201220341447U CN 202797583 U CN202797583 U CN 202797583U
- Authority
- CN
- China
- Prior art keywords
- crimping
- wire
- wire guide
- frame
- knife
- Prior art date
- Legal status (The legal status is an assumption and is not a legal conclusion. Google has not performed a legal analysis and makes no representation as to the accuracy of the status listed.)
- Expired - Fee Related
Links
Images
Classifications
-
- Y—GENERAL TAGGING OF NEW TECHNOLOGICAL DEVELOPMENTS; GENERAL TAGGING OF CROSS-SECTIONAL TECHNOLOGIES SPANNING OVER SEVERAL SECTIONS OF THE IPC; TECHNICAL SUBJECTS COVERED BY FORMER USPC CROSS-REFERENCE ART COLLECTIONS [XRACs] AND DIGESTS
- Y02—TECHNOLOGIES OR APPLICATIONS FOR MITIGATION OR ADAPTATION AGAINST CLIMATE CHANGE
- Y02W—CLIMATE CHANGE MITIGATION TECHNOLOGIES RELATED TO WASTEWATER TREATMENT OR WASTE MANAGEMENT
- Y02W30/00—Technologies for solid waste management
- Y02W30/50—Reuse, recycling or recovery technologies
- Y02W30/82—Recycling of waste of electrical or electronic equipment [WEEE]
Landscapes
- Manufacturing Of Electrical Connectors (AREA)
Abstract
本实用新型提供剥线压接一体机,包括前后依次放置的压接装置和切断剥皮装置,所述压接装置,包括机架,还包括导线导向管、相适配的下冲模和上冲模,所述切断剥皮装置,包括一对安装在滑道上的第一切刀架和第二切刀架,所述切刀架上按送线的方向依次成对设置有前剥皮刀、切断刀和后剥皮刀。本实用新型的有益效果是本专利将传统的剥线机与压接机合为一体,并且使压接工序的送线操作,由人工的操作改为机械控制送线,其送线位置精确一致,使压接质量得到保证,同时也是工时费用大幅降低。
The utility model provides a wire stripping and crimping all-in-one machine, which includes a crimping device and a cutting and peeling device placed in sequence in front and back. The crimping device includes a frame, a wire guide tube, a matched lower die and an upper die, The cutting and peeling device includes a pair of the first cutter frame and the second cutter frame installed on the slideway, and the front peeling knife, the cutting knife and the rear peeling knife are arranged in pairs on the cutter frame according to the direction of wire feeding. skinning knife. The beneficial effect of the utility model is that the patent integrates the traditional wire stripping machine and the crimping machine, and the wire feeding operation of the crimping process is changed from manual operation to mechanical control wire feeding, and the wire feeding position is accurate and consistent , so that the quality of crimping is guaranteed, and the cost of working hours is also greatly reduced.
Description
技术领域 technical field
本实用新型涉及连接器线束加工装置领域,尤其是涉及一种剥线压接一体机。The utility model relates to the field of connector wire harness processing devices, in particular to a wire stripping and crimping integrated machine.
背景技术 Background technique
现有连接器线束行业的生产大部分是剥线与压接工序分开进行,只有少数企业使用进口的自动化设备,一般中小型企业还不能承担高额的设备投入资金,工厂的生产规模的设定与设备的投入资金的矛盾,在某种程度上制约着该行业产品的发展。Most of the production in the existing connector harness industry is carried out separately from the stripping and crimping processes. Only a few companies use imported automation equipment. Generally, small and medium-sized enterprises cannot afford high investment in equipment. The production scale of the factory is set The contradiction with the investment of equipment restricts the development of products in this industry to some extent.
发明内容 Contents of the invention
本实用新型的目的是解决以上问题,提供一种剥线压接一体机。The purpose of the utility model is to solve the above problems and provide a wire stripping and crimping integrated machine.
本实用新型的技术方案是:The technical scheme of the utility model is:
剥线压接一体机,包括前后依次放置的压接装置和切断剥皮装置,Wire stripping and crimping all-in-one machine, including crimping device and cutting and stripping device placed in sequence,
所述压接装置,包括机架,还包括导线导向管、相适配的下冲模和上冲模,The crimping device includes a frame, a wire guide tube, a matched lower die and an upper die,
所述上冲模与所述机架上下垂直滑动连接,且所述上冲模的左侧面设置有拨叉,所述上冲模的前侧面设置有压块,所述压块位于所述导线导向管的前上方,所述导线导向管设置在所述下冲模的导线进口的前方,所述导线导向管前端下部通过安装孔与所述机架铰链,其后端底部设有支撑压簧,The upper die is vertically slidingly connected with the frame up and down, and the left side of the upper die is provided with a shift fork, and the front side of the upper die is provided with a pressing block, and the pressing block is located in the wire guide tube. The wire guide tube is arranged in front of the wire inlet of the lower die, the lower part of the front end of the wire guide tube is hinged with the frame through the mounting hole, and the bottom of the rear end is provided with a supporting spring.
还设置有倒V形的摇臂,所述摇臂通过顶端的固定孔与所述机架铰接,且所述摇臂的右侧壁上设置有长条孔,其左侧壁端部设有连接器送料棘爪,且所述连接器送料棘爪与所述机架通过弹簧连接,所述拨叉放置在所述摇臂的长条孔内,An inverted V-shaped rocker is also provided, and the rocker is hinged to the frame through a fixing hole at the top, and the right side wall of the rocker is provided with a long hole, and the end of the left side wall is provided with a The connector feed pawl, and the connector feed pawl is connected to the frame through a spring, the shift fork is placed in the long hole of the rocker arm,
所述切断剥皮装置,包括一对安装在滑道上的第一切刀架和第二切刀架,所述切刀架上按送线的方向依次成对设置有前剥皮刀、切断刀和后剥皮刀,所述滑道固接在所述机架上。The cutting and peeling device includes a pair of the first cutter frame and the second cutter frame installed on the slideway, and the front peeling knife, the cutting knife and the rear peeling knife are arranged in pairs on the cutter frame according to the direction of wire feeding. A peeling knife, the slideway is fixedly connected to the frame.
所述导线导向管的水平位置高于所述下冲模的水平位置。The horizontal position of the wire guide tube is higher than the horizontal position of the lower die.
所述导线导向管的上顶面设置有顶柱。The upper top surface of the wire guide tube is provided with a top column.
所述摇臂与所述下冲模位于同一竖直面上。The rocker arm and the lower die are located on the same vertical plane.
所述切断刀的长度大于所述前剥皮刀和所述后剥皮刀的长度。The length of the cutting knife is greater than the lengths of the front skinning knife and the rear skinning knife.
本实用新型具有的优点和积极效果是:本专利将传统的剥线机与压接机合为一体,并且使压接工序的送线操作,由人工的操作改为机械控制送线,其送线位置精确一致,使压接质量得到保证,同时也是工时费用大幅降低。The advantages and positive effects of the utility model are: this patent integrates the traditional wire stripping machine and the crimping machine, and makes the wire feeding operation of the crimping process change from manual operation to mechanical control wire feeding, and its feeding The position of the line is accurate and consistent, so that the crimping quality is guaranteed, and the cost of man-hours is also greatly reduced.
附图说明 Description of drawings
图1是本实用新型的侧视结构示意图;Fig. 1 is a side view structural representation of the utility model;
图2是本实用新型中压接装置的主视结构示意图;Fig. 2 is the schematic diagram of the front view structure of the crimping device in the utility model;
图3是本实用新型中切断剥皮装置的主视结构示意图。Fig. 3 is a front structural schematic diagram of the cutting and peeling device in the utility model.
图中:In the picture:
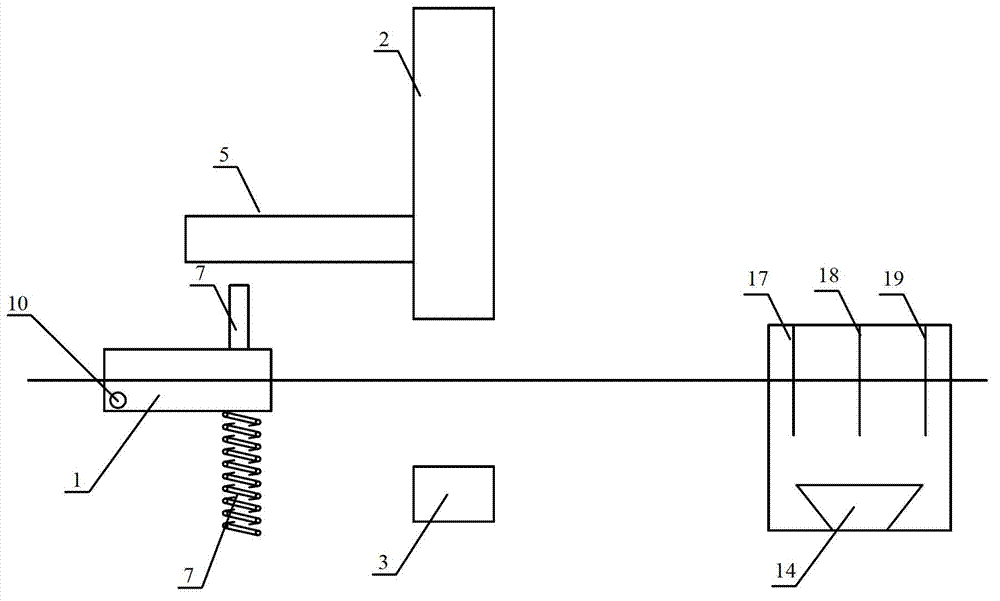
1、导线导向管 2、上冲模 3、下冲模1. Wire guide tube 2. Upper die 3. Lower die
4、拨叉 5、压块 6、支撑压簧4. Shift fork 5. Press block 6. Support spring
7、顶柱 8、摇臂 9、固定孔7.
10、安装孔 11、长条孔 12、连接器送料棘爪10. Mounting hole 11.
13、弹簧 14、滑道 15、第一切刀架13.
16、第二切刀架 17、前剥皮刀 18、切断刀16. The
19、后剥皮刀19. Rear skinning knife
具体实施方式 Detailed ways
如图1、图2、图3所示,本实用新型包括前后依次放置的压接装置和切断剥皮装置,As shown in Fig. 1, Fig. 2 and Fig. 3, the utility model includes a crimping device and a cutting and peeling device which are placed in sequence before and after,
所述压接装置,包括机架(图中未标注),还包括导线导向管1、相适配的下冲模3和上冲模2,所述导线导向管1的水平位置高于所述下冲模3的水平位置,所述导线导向管1的上顶面设置有顶柱7。The crimping device includes a frame (not marked in the figure), and also includes a wire guide tube 1, a matched lower punch 3 and an upper punch 2, and the horizontal position of the wire guide tube 1 is higher than the lower punch 3, the upper top surface of the wire guide tube 1 is provided with a top post 7.
所述上冲模2与所述机架上下垂直滑动连接,且所述上冲模2的左侧面设置有拨叉4,所述上冲模2的前侧面设置有压块5,所述压块5位于所述导线导向管1的前上方,所述导线导向管1设置在所述下冲模3的导线进口的前方,所述导线导向管1前端下部通过安装孔10与所述机架铰链,其后端底部设有支撑压簧6The upper die 2 is vertically slidingly connected with the frame up and down, and the left side of the upper die 2 is provided with a shift fork 4, and the front side of the upper die 2 is provided with a briquetting block 5, and the briquetting block 5 Located above the front of the wire guide tube 1, the wire guide tube 1 is arranged in front of the wire inlet of the lower die 3, and the lower part of the front end of the wire guide tube 1 is hinged with the frame through the mounting hole 10. The bottom of the rear end is provided with a support clip 6
还设置有倒V形的摇臂8,所述摇臂8与所述下冲模3位于同一竖直面上,所述摇臂8通过顶端的固定孔9与所述机架铰接,且所述摇臂的右侧壁上设置有长条孔11,其左侧壁端部设有连接器送料棘爪12,且所述连接器送料棘爪12与所述机架通过弹簧13连接,所述拨叉4放置在所述摇臂8的长条孔11内。An inverted V-
所述切断剥皮装置,包括一对安装在滑道14上的第一切刀架15和第二切刀架16,所述切刀架上按送线的方向依次成对设置有前剥皮刀17、切断刀18和后剥皮刀19,所述切断刀18的长度大于所述前剥皮刀17和所述后剥皮刀18的长度,所述滑道14固接在所述机架上。The described cutting and peeling device comprises a pair of the
以上对本实用新型的一个实施例进行了详细说明,但所述内容仅为本实用新型的较佳实施例,不能被认为用于限定本实用新型的实施范围。凡依本实用新型申请范围所作的均等变化与改进等,均应仍归属于本实用新型的专利涵盖范围之内。An embodiment of the present utility model has been described in detail above, but the content described is only a preferred embodiment of the present utility model, and cannot be considered as limiting the implementation scope of the present utility model. All equal changes and improvements made according to the application scope of the utility model should still belong to the scope covered by the patent of the utility model.
Claims (5)
Priority Applications (1)
| Application Number | Priority Date | Filing Date | Title |
|---|---|---|---|
| CN201220341447.1U CN202797583U (en) | 2012-07-15 | 2012-07-15 | Wire stripping and crimping all-in-one machine |
Applications Claiming Priority (1)
| Application Number | Priority Date | Filing Date | Title |
|---|---|---|---|
| CN201220341447.1U CN202797583U (en) | 2012-07-15 | 2012-07-15 | Wire stripping and crimping all-in-one machine |
Publications (1)
| Publication Number | Publication Date |
|---|---|
| CN202797583U true CN202797583U (en) | 2013-03-13 |
Family
ID=47824770
Family Applications (1)
| Application Number | Title | Priority Date | Filing Date |
|---|---|---|---|
| CN201220341447.1U Expired - Fee Related CN202797583U (en) | 2012-07-15 | 2012-07-15 | Wire stripping and crimping all-in-one machine |
Country Status (1)
| Country | Link |
|---|---|
| CN (1) | CN202797583U (en) |
Cited By (2)
| Publication number | Priority date | Publication date | Assignee | Title |
|---|---|---|---|---|
| CN104269771A (en) * | 2014-10-11 | 2015-01-07 | 洛阳新思路电气股份有限公司 | Straight-hole guide pipe type wire guiding mechanism for automatic wire cutting and peeling machine |
| CN106253022A (en) * | 2016-10-18 | 2016-12-21 | 江西佰莱格科技有限公司 | A riveting method and equipment for automatic assembly of cables and terminals |
-
2012
- 2012-07-15 CN CN201220341447.1U patent/CN202797583U/en not_active Expired - Fee Related
Cited By (2)
| Publication number | Priority date | Publication date | Assignee | Title |
|---|---|---|---|---|
| CN104269771A (en) * | 2014-10-11 | 2015-01-07 | 洛阳新思路电气股份有限公司 | Straight-hole guide pipe type wire guiding mechanism for automatic wire cutting and peeling machine |
| CN106253022A (en) * | 2016-10-18 | 2016-12-21 | 江西佰莱格科技有限公司 | A riveting method and equipment for automatic assembly of cables and terminals |
Similar Documents
| Publication | Publication Date | Title |
|---|---|---|
| CN202797583U (en) | Wire stripping and crimping all-in-one machine | |
| CN204735638U (en) | Street sign indicating number obstructs automation towards piece make -up machine | |
| CN205309176U (en) | Automatic wire cutting machine | |
| CN202804422U (en) | Solder wine cutting device | |
| CN201656218U (en) | Line-cutting crimping machine | |
| CN204171182U (en) | The one-sided partially middle bending mould of semicircular arc | |
| CN202817477U (en) | Automatic wire stripping device | |
| CN201392979Y (en) | Peeling and end-punching machine | |
| CN103545693A (en) | Stripping and crimping machine | |
| CN203227930U (en) | Transformer automatic laser peeling machine | |
| CN207771281U (en) | Qie Lu long pattern marking machines | |
| CN202824912U (en) | Fully automatic soldering machine | |
| CN204278607U (en) | A kind of carton proofing machine that can read numerical value | |
| CN204179467U (en) | A kind of stepping terminal feeding swager | |
| CN204858247U (en) | Rack slide rail type discharging mechanism | |
| CN202922022U (en) | Fixed measurement and cutting mechanism | |
| CN204384424U (en) | A kind of iron core forming unit way double-line material collecting device | |
| CN204720767U (en) | The core thread-dividing mechanism of three core lenticular wires | |
| CN202102879U (en) | Automatic needle thrusting device of a transformer frame | |
| CN206535969U (en) | An automatic stringing device | |
| CN221848807U (en) | Thin-walled steel pipe cutting device | |
| CN203956585U (en) | Die clamping assembly and short straight pipe blanking tool | |
| CN205378493U (en) | Dysmorphism plug -in components machine | |
| CN204892686U (en) | Piercing press of bending | |
| CN204052720U (en) | A kind of apparatus for bending produced for low-frequency connector |
Legal Events
| Date | Code | Title | Description |
|---|---|---|---|
| C14 | Grant of patent or utility model | ||
| GR01 | Patent grant | ||
| C17 | Cessation of patent right | ||
| CF01 | Termination of patent right due to non-payment of annual fee |
Granted publication date: 20130313 Termination date: 20130715 |
