CN202795847U - 一种多功能光伏发电系统教学实验平台 - Google Patents
一种多功能光伏发电系统教学实验平台 Download PDFInfo
- Publication number
- CN202795847U CN202795847U CN 201220079647 CN201220079647U CN202795847U CN 202795847 U CN202795847 U CN 202795847U CN 201220079647 CN201220079647 CN 201220079647 CN 201220079647 U CN201220079647 U CN 201220079647U CN 202795847 U CN202795847 U CN 202795847U
- Authority
- CN
- China
- Prior art keywords
- solar
- power generation
- controller
- platform
- experiment platform
- Prior art date
- Legal status (The legal status is an assumption and is not a legal conclusion. Google has not performed a legal analysis and makes no representation as to the accuracy of the status listed.)
- Expired - Fee Related
Links
- 238000002474 experimental method Methods 0.000 title claims abstract description 36
- 238000010248 power generation Methods 0.000 title abstract description 10
- 238000007599 discharging Methods 0.000 claims description 9
- 238000010586 diagram Methods 0.000 claims description 5
- 238000013481 data capture Methods 0.000 claims description 3
- 238000001514 detection method Methods 0.000 claims description 2
- 238000005516 engineering process Methods 0.000 abstract description 8
- 230000005611 electricity Effects 0.000 description 10
- 230000006870 function Effects 0.000 description 6
- 230000000694 effects Effects 0.000 description 4
- 238000013500 data storage Methods 0.000 description 3
- 238000013461 design Methods 0.000 description 3
- 238000011161 development Methods 0.000 description 2
- 238000000034 method Methods 0.000 description 2
- 238000012544 monitoring process Methods 0.000 description 2
- 238000011160 research Methods 0.000 description 2
- UPLPHRJJTCUQAY-WIRWPRASSA-N 2,3-thioepoxy madol Chemical compound C([C@@H]1CC2)[C@@H]3S[C@@H]3C[C@]1(C)[C@@H]1[C@@H]2[C@@H]2CC[C@](C)(O)[C@@]2(C)CC1 UPLPHRJJTCUQAY-WIRWPRASSA-N 0.000 description 1
- 239000002028 Biomass Substances 0.000 description 1
- 239000002253 acid Substances 0.000 description 1
- 238000009412 basement excavation Methods 0.000 description 1
- 230000009286 beneficial effect Effects 0.000 description 1
- 238000006243 chemical reaction Methods 0.000 description 1
- 239000003245 coal Substances 0.000 description 1
- 230000007812 deficiency Effects 0.000 description 1
- 238000004146 energy storage Methods 0.000 description 1
- 238000003912 environmental pollution Methods 0.000 description 1
- 239000004973 liquid crystal related substance Substances 0.000 description 1
- 238000012423 maintenance Methods 0.000 description 1
- 239000000463 material Substances 0.000 description 1
- 230000006386 memory function Effects 0.000 description 1
- 239000003208 petroleum Substances 0.000 description 1
- 238000007639 printing Methods 0.000 description 1
- 230000001172 regenerating effect Effects 0.000 description 1
- 238000005070 sampling Methods 0.000 description 1
- 230000009897 systematic effect Effects 0.000 description 1
- 238000012360 testing method Methods 0.000 description 1
Images
Landscapes
- Photovoltaic Devices (AREA)
Abstract
本实用新型公开一种多功能光伏发电系统教学实验平台,该试验平台包括实验操作面板和发电设备;所述实验操作面板上绘制有光伏型发电系统的电路连接图;所述发电设备包括模拟太阳光源、太阳能电池阵列、太阳能控制器、并网逆变器、离网逆变器和蓄电池,所述发电器件通过实验操作面板上的电路连接图。该平台涵盖了目前太阳能发电技术所有的用电方式,采用实验操作面板,结合断路器和指示灯,直观展现了本太阳能光伏发电系统的基本组成和功能特色,且方便学生接线与实验操作。
Description
技术领域
本实用新型涉及教学试验器具领域,尤其涉及一套新型多功能光伏发电系统教学实验平台。
背景技术
当前,全球范围内能源环境正面临巨大危机。石油储量、煤储量均在减少,环境污染日趋严重,生态平衡严重破坏,对新能源的应用正受到世界各国的普遍关注。新能源发电主要包括了太阳能发电,风能发电,生物质能发电等。其中,太阳能发电因具有储量巨大、不会枯竭、清洁环保、不受地域限制及维护方便等诸多优点而得到广泛范围。目前,我国正把大力开发利用新能源及可再生能源作为优化我国能源结构、保障我国能源安全的战略新高点。
然而,当前总体上我国的新能源技术的发展仍处于初级阶段,在新能源产业蓬勃发展的大形势下,却面临着新能源技术方面专业人才短缺的现象,这种状况将严重制约中国新能源产业的发展。与之对应的,各高校所开展的新能源技术课程才刚刚起步,教学模式还不成熟,配套的专业教材与专业设备,实验仪器都处于良莠不齐,亟待规划和有效开发中。目前,针对新能源发电技术的配套教学设备数量有限,功能比较单一,甚至华而不实,不能积极有效地起到辅助教学,加深理解的作用,严重影响着新能源方面人才的培养。
发明内容
本实用新型提供一种太阳能发电原理、太阳能发电与蓄电池充放电、光伏并网逆变、离网逆变、直流供电等新能源发电有关技术的学习,模块化的解决方案的教学实验平台。
本实用新型的技术方案是:一种多功能光伏发电系统教学实验平台,包括实验操作面板和发电设备;所述实验操作面板上绘制有光伏发电系统的电路连接图;所述发电设备包括模拟太阳光源、自动追日跟踪的太阳能电池阵列、太阳能充放电控制器、并网逆变器、离网逆变器和蓄电池,所述发电器件通过实验操作面板上的电路连接图电连接,其连接关系为:所述太阳能电池阵列分别接入所述太阳能控制器和并网逆变器输入端,所述离网逆变器并联到所述太阳能控制器的输出端,所述蓄电池经防反二极管与所述太阳能型控制器连接;所述离网逆变器与并网逆变器输出端分别与交流输出接口相连;直流输出接口并联接入所述太阳能型控制器的输出端;所述模拟太阳光源用于产生模拟太阳光。
所述实验操作面板上设有多个电压表和电流表,用于检测所述太阳能型控制器输入端和输出端的电流和电压。
所述实验操作面板上连接线路上设有断路器,用于控制电路通断。
所述实验操作面板上连接线路上设有指示灯,用于显示电路通断。
进一步,还包括多路电压电流数据采集卡、计算机和显示器,所述采集卡采集所述太阳能控制器输入端和输出端的电流和电压数据传输到所述计算机,所述显示器显示所述电流和电压数据。
本实用新型的有益效果是:
1.整套系统涵盖了目前太阳能发电技术几乎所有的用电方式,采用实验操作面板,结合断路器和指示灯,直观展现了本光伏发电系统的基本组成和功能特色,且方便学生接线与实验操作;
2.专门设有防反二极管的蓄电池充放电分路设计及相关保护功能。采用专用太阳能型充放电控制器对其进行充放电控制,与太阳能电池板发电形成联合供电系统,提供给下一级直流负载或者为离网逆变提供直流电源;
5.独立的离网逆变器模块,实现太阳能光伏系统及蓄电池联合供电的离网逆变过程,为交流负载提供标准的220V交流电;
6.独立的并网逆变器模块,实现太阳能发电系统的并网逆变过程,将产生与公用电网同频同相的交流电直接输送至市电(电网);
7.设计有独立的数据采集模块,方便实时的监测与存储功能,提供高精度的数据存储和图形显示,并可生成数据存储文件,对数据进行后期处理,完成数据存储、打印、显示等功能。
附图说明
附图1为本实用新型的系统平台功能原理图;
附图2为本实用新型的系统平台显示界面面板图;
附图3为本实用新型的系统平台实验操作面板图;
附图4为本实用新型的系统平台机械图。
具体实施方式
以下结合附图对本实用新型的系统实验平台进行详细描述。
如图1所示,发电设备包括:太阳能电池阵列11、支架及其追日控制系统,作为供电单元及研究对象,实现太阳能到电能的转化以及系统对外界环境下电池板最大功率的跟踪。
太阳能型充放电控制器,作为对前路供电的综合控制单元,具有太阳能电池输入端口,控制太阳能电池对蓄电池进行智能充电,具有防雷、太阳能防反充、过电压自动刹车、蓄电池反接和开路保护等。
铅酸蓄电池及防反二极管, 为储能单元,光源充足时吸收多余的电能,光源较弱时补充不足的能量,并且由二极管控制充放电流向。
并网逆变器,电能转换单元。前级太阳能电池阵列经串并联连接后,直接输送至并网逆变器输入端口,将输入的直流电压转换为市电的220V交流电,并网逆变器以同频同相纯正弦的并网电流输出,并进行相关保护。
离网逆变器,将控制器输出直流电转化为220V的交流用电,供给常用的交流负载如风扇,电灯等使用,并提供相关的保护。
变送器及数据采集卡,带USB输出直接连接至计算机,可以采样多路电压与电流:蓄电池电压与充放电电流、交流负载电压与电流、直流负载电压与电流、并网电流与电压等。
液晶显示计算机12,显示器嵌入在实验平台面板上,配合软件进行显示。
交直流负载,作为本系统的用电负荷,满足参数条件下可任意选取负载产品。
模拟太阳光源10,保证室内教学的要求,以及克服室外环境不稳定等不足,模拟太阳能发电的光源效果。
其工作流程是,太阳电池光伏阵列接收到光源后产生电能,根据负载参数选择进行电池板串联或者并联连接后输入到太阳能型控制器中,蓄电池接入太阳能型充放电控制器,由控制器实现对蓄电池的智能充放电,在光源充足时将富足的电能存储在蓄电池中,在负载功率较大时释放电能补充发电系统发电功率上的不足。发电系统的电能与蓄电池中储存的电能通过太阳能控制器输出,可同时提供两路用电。一路连接离网逆变器进行离网逆变的工作;另外一路送至直流负载,直接对参数匹配的直流负载进行供电。以上各支路都采用电流电压表进行面板的指示并且由面板后的变送器将数据信号输送至数据采集卡,通过USB接口与软件进行通信,实现电脑界面上对发电系统的数据监控与存储。
附图2 为本实用新型的系统平台显示界面面板图,面板最上方为开发的系统名称,中部整个区域为液晶显示屏,嵌入在系统的面板上,方便实验室对软件界面的观测,操作等。左下方开有USB接口,实验时可以用数据线实现将数据传送至电脑主机,也可以直接插入存储设备对数据采集卡上的数据进行直接存储。
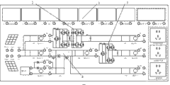
附图3为本实用新型的系统平台实验操作面板,形象的将原理图中的功能设置和区域划分展现出来,并且结合实验平台的特殊性质设计了实验连线接口,发电设备经实验操作面板电连接。其中电压电流表显示区1左边七组为直流的电流电压表,使得学生在实验室观察数据更加直观,最右边为一组数字的交流电流电压表,可对交流的电流、电压、功率、功率因数有更加精确地显示;实验时对于电流表需要进行串联连接,电压表进行并联连接。并网逆变器2和为离网逆变器3模块同时显示了内部原理的简图,学生在实验中也可以通过简图来了解各模块的整体工作原理,引发对个模块的兴趣,更深层次挖掘和学习其工作原理。面板的指示区下方左边为电池板的输入端,画有两块电池板进行表示,引入四根电池板的导线,实验时可以根据学生实际的操作进行串联或者并联的连接。电能引入后,每一级通路都设有通路指示灯,可以直观的显示哪一路正在工作。K1--K7为各路的断路器,起到保护和开关的作用,其中太阳能电池板、太阳能控制器间,蓄电池分别装有双路断路器,控制电能输入,可控制断路器实现太阳能电池单独供电实验,蓄电池单独供电实验,太阳能电池、蓄电池同时供电实验。在蓄电池部分特别设有两个反向的二极管,控制蓄电池充电与放电具有独立支路,巧妙的观测电池两端的供放电情况。面板右侧有三个插座,上方第一个为并网插座,即常规的市电,通过连线逆变支路接口与插座相连,即可实现并网。下方两个分别为交流负载的供电插座以及直流负载的供电插座。这种设计不拘泥于负载的具体产品,只要在功率允许的范围内都可以自由选择,方便学校和学生根据实际情况对负载进行选择。
附图4为本实用新型的系统平台机械图,系统平台上设有屏幕显示区5、实验操作区6、主机箱放置区7和和蓄电池放置区8,中间为电脑键盘的放置抽屉,而电池板和光源等为外部接入,不占用平台的空间。。
本实用新型开发的数据采集监控软件操作、显示界面。最上方为该界面可开展的实验项目,鼠标任意点击某一实验,软件即可切换至当前实验界面。下方为软件模拟的指示仪表,与面板上的仪表同步显示,在当前实验下,方便学生读取。最下方的按钮可以设置采样时间,按下停止按钮则停止当前采集状态,并将获得的数据保存数据到默认地址下。
新型多功能太阳能光伏发电系统教学实验平台可以根据新能源发电课程要求,开展与太阳能光伏发电相关实验教学活动。通过实验,学生能深刻理解,最终达到夯实基础、加深理解、提高素质、培养学生实践与创新能力的目的。同时,基于该平台,能够为学生提供更多的自主实验机会,利用实验平台提供的太阳能电池板、蓄电池储能单元以及负载单元等若干个相互独立的模块,自主设计与开发,组合与创新,进行更深一层科研探索。
Claims (5)
1.一种多功能光伏发电系统教学实验平台,包括实验操作面板和发电设备;其特征在于,所述发电设备包括模拟太阳光源、太阳能电池阵列、太阳能充放电控制器、并网逆变器、离网逆变器和蓄电池,所述发电器件通过实验操作面板上的电路连接图电连接,其连接关系为:所述太阳能电池阵列分别接入所述太阳能控制器和并网逆变器输入端,所述离网逆变器并联到所述太阳能控制器的输出端,所述蓄电池经防反二极管与所述太阳能型控制器连接;所述离网逆变器与并网逆变器输出端分别与交流输出接口相连;直流输出接口并联接入所述太阳能型控制器的输出端;所述模拟太阳光源用于产生模拟太阳光。
2.根据权利要求1所述的一种多功能光伏发电系统教学实验平台,其特征在于,所述实验操作面板上设有多个电压表和电流表,用于检测所述太阳能控制器输入端和输出端的电流和电压。
3.根据权利要求1所述的一种多功能光伏发电系统教学实验平台,其特征在于,所述实验操作面板上连接线路上设有断路器,用于控制电路通断。
4.根据权利要求1所述的一种多功能光伏发电系统教学实验平台,其特征在于,所述实验操作面板上连接线路上设有指示灯,用于显示电路通断。
5.根据权利要求1所述的一种多功能光伏发电系统教学实验平台,其特征在于,还包括多路电压电流数据采集卡、计算机和显示器,所述采集卡采集所述太阳能控制器输入端和输出端的电流和电压数据传输到所述计算机,所述显示器显示所述电流和电压数据。
Priority Applications (1)
| Application Number | Priority Date | Filing Date | Title |
|---|---|---|---|
| CN 201220079647 CN202795847U (zh) | 2012-03-06 | 2012-03-06 | 一种多功能光伏发电系统教学实验平台 |
Applications Claiming Priority (1)
| Application Number | Priority Date | Filing Date | Title |
|---|---|---|---|
| CN 201220079647 CN202795847U (zh) | 2012-03-06 | 2012-03-06 | 一种多功能光伏发电系统教学实验平台 |
Publications (1)
| Publication Number | Publication Date |
|---|---|
| CN202795847U true CN202795847U (zh) | 2013-03-13 |
Family
ID=47823061
Family Applications (1)
| Application Number | Title | Priority Date | Filing Date |
|---|---|---|---|
| CN 201220079647 Expired - Fee Related CN202795847U (zh) | 2012-03-06 | 2012-03-06 | 一种多功能光伏发电系统教学实验平台 |
Country Status (1)
| Country | Link |
|---|---|
| CN (1) | CN202795847U (zh) |
Cited By (1)
| Publication number | Priority date | Publication date | Assignee | Title |
|---|---|---|---|---|
| CN105262440A (zh) * | 2015-11-24 | 2016-01-20 | 国网山东省电力公司济宁供电公司 | 一种可移动分布式光伏发电综合测试平台 |
-
2012
- 2012-03-06 CN CN 201220079647 patent/CN202795847U/zh not_active Expired - Fee Related
Cited By (2)
| Publication number | Priority date | Publication date | Assignee | Title |
|---|---|---|---|---|
| CN105262440A (zh) * | 2015-11-24 | 2016-01-20 | 国网山东省电力公司济宁供电公司 | 一种可移动分布式光伏发电综合测试平台 |
| CN105262440B (zh) * | 2015-11-24 | 2017-06-13 | 国网山东省电力公司济宁供电公司 | 一种可移动分布式光伏发电综合测试平台 |
Similar Documents
| Publication | Publication Date | Title |
|---|---|---|
| CN102610146A (zh) | 一种多功能光伏发电系统教学实验平台 | |
| CN102610147A (zh) | 一种多功能风光互补型发电系统教学实验平台 | |
| CN202282132U (zh) | 太阳能户外广告装置和太阳能市电互补供电系统 | |
| CN106251755B (zh) | 一种便携式光伏电站模拟仪 | |
| CN202142223U (zh) | 风光互补离网发电教学实训装置 | |
| CN202795847U (zh) | 一种多功能光伏发电系统教学实验平台 | |
| CN202887550U (zh) | 一种多功能风光互补型发电系统教学实验平台 | |
| KR200447670Y1 (ko) | 교육용의 에너지수집 실험 장치 | |
| CN201773517U (zh) | 教学用太阳能供电演示装置 | |
| CN202549131U (zh) | 风光互补供电系统教学实训台 | |
| CN202487044U (zh) | 风能发电系统教学实训台 | |
| CN202677680U (zh) | 太阳能与风力发电模拟系统培训装置 | |
| CN203552547U (zh) | 一种太阳能光伏发电实验系统 | |
| CN103606325B (zh) | 一种太阳能光伏发电综合实验平台 | |
| CN202838768U (zh) | 一种交直流混合光伏系统实验装置 | |
| CN206115836U (zh) | 便携式光伏电站模拟仪 | |
| CN203520732U (zh) | 风光互补模拟发电试验台 | |
| CN104882051A (zh) | 一种光伏发电演示与实验系统 | |
| CN203573542U (zh) | 多功能风光互补实验教学装置 | |
| CN205487032U (zh) | 一种新能源教学实训设备装置 | |
| CN207038003U (zh) | 一种多功能风光互补发电教学实验平台 | |
| CN208655075U (zh) | 一种自供电的便携式物理原理演示箱 | |
| Sun et al. | The Design and Application of Photovoltaic Power Generation Systems | |
| CN201887533U (zh) | 一种能够不间断输出电能的太阳能设备 | |
| CN105374263A (zh) | 一种新能源教学实训设备装置 |
Legal Events
| Date | Code | Title | Description |
|---|---|---|---|
| C14 | Grant of patent or utility model | ||
| GR01 | Patent grant | ||
| CF01 | Termination of patent right due to non-payment of annual fee |
Granted publication date: 20130313 Termination date: 20140306 |