CN202786549U - Oven-drying and adjusting device for viscose fibers - Google Patents
Oven-drying and adjusting device for viscose fibers Download PDFInfo
- Publication number
- CN202786549U CN202786549U CN201220442929.6U CN201220442929U CN202786549U CN 202786549 U CN202786549 U CN 202786549U CN 201220442929 U CN201220442929 U CN 201220442929U CN 202786549 U CN202786549 U CN 202786549U
- Authority
- CN
- China
- Prior art keywords
- drying
- air
- heat pipe
- steam
- flow heat
- Prior art date
- Legal status (The legal status is an assumption and is not a legal conclusion. Google has not performed a legal analysis and makes no representation as to the accuracy of the status listed.)
- Expired - Lifetime
Links
- 229920000297 Rayon Polymers 0.000 title claims abstract description 26
- 239000000835 fiber Substances 0.000 title abstract description 26
- 238000000643 oven drying Methods 0.000 title 1
- 238000001035 drying Methods 0.000 claims abstract description 52
- 230000001105 regulatory effect Effects 0.000 claims abstract description 14
- 230000003534 oscillatory effect Effects 0.000 claims 6
- 238000009423 ventilation Methods 0.000 claims 3
- 230000007246 mechanism Effects 0.000 abstract description 14
- XLYOFNOQVPJJNP-UHFFFAOYSA-N water Chemical compound O XLYOFNOQVPJJNP-UHFFFAOYSA-N 0.000 abstract description 11
- 238000005265 energy consumption Methods 0.000 abstract description 6
- 239000007789 gas Substances 0.000 description 10
- 238000010438 heat treatment Methods 0.000 description 9
- 239000002918 waste heat Substances 0.000 description 8
- 239000002699 waste material Substances 0.000 description 3
- 230000009471 action Effects 0.000 description 2
- 230000003750 conditioning effect Effects 0.000 description 2
- 238000007602 hot air drying Methods 0.000 description 2
- 238000000034 method Methods 0.000 description 2
- 238000011084 recovery Methods 0.000 description 2
- 230000009467 reduction Effects 0.000 description 2
- 239000002253 acid Substances 0.000 description 1
- 230000009286 beneficial effect Effects 0.000 description 1
- 230000000903 blocking effect Effects 0.000 description 1
- 230000007797 corrosion Effects 0.000 description 1
- 238000005260 corrosion Methods 0.000 description 1
- 230000007812 deficiency Effects 0.000 description 1
- 239000000428 dust Substances 0.000 description 1
- 238000004134 energy conservation Methods 0.000 description 1
- 230000007613 environmental effect Effects 0.000 description 1
- 238000003912 environmental pollution Methods 0.000 description 1
- 238000007380 fibre production Methods 0.000 description 1
- 238000004519 manufacturing process Methods 0.000 description 1
- 239000000463 material Substances 0.000 description 1
- 239000000203 mixture Substances 0.000 description 1
- 238000012986 modification Methods 0.000 description 1
- 230000004048 modification Effects 0.000 description 1
- 230000010355 oscillation Effects 0.000 description 1
- 230000008569 process Effects 0.000 description 1
- 239000010865 sewage Substances 0.000 description 1
- 238000009834 vaporization Methods 0.000 description 1
- 230000008016 vaporization Effects 0.000 description 1
Classifications
-
- Y—GENERAL TAGGING OF NEW TECHNOLOGICAL DEVELOPMENTS; GENERAL TAGGING OF CROSS-SECTIONAL TECHNOLOGIES SPANNING OVER SEVERAL SECTIONS OF THE IPC; TECHNICAL SUBJECTS COVERED BY FORMER USPC CROSS-REFERENCE ART COLLECTIONS [XRACs] AND DIGESTS
- Y02—TECHNOLOGIES OR APPLICATIONS FOR MITIGATION OR ADAPTATION AGAINST CLIMATE CHANGE
- Y02P—CLIMATE CHANGE MITIGATION TECHNOLOGIES IN THE PRODUCTION OR PROCESSING OF GOODS
- Y02P70/00—Climate change mitigation technologies in the production process for final industrial or consumer products
- Y02P70/50—Manufacturing or production processes characterised by the final manufactured product
- Y02P70/62—Manufacturing or production processes characterised by the final manufactured product related technologies for production or treatment of textile or flexible materials or products thereof, including footwear
Landscapes
- Treatment Of Fiber Materials (AREA)
Abstract
本实用新型公开了一种粘胶纤维的烘干与调节装置,包括喂给机,喂给机与干燥调节机构相对应,干燥调节机构中设有链条输送装置,干燥调节机构的前区和中区的水蒸气出口均与振荡流热管换热器的进风口相连,振荡流热管换热器的出风口与干燥调节机构的后区相连通。它可以得到更高品质的粘胶纤维,节约能耗达35~40%。
The utility model discloses a drying and regulating device for viscose fibers, which comprises a feeder corresponding to a drying regulating mechanism, a chain conveying device is arranged in the drying regulating mechanism, the front area and the middle of the drying regulating mechanism The water vapor outlets in the zone are all connected to the air inlet of the oscillating flow heat pipe heat exchanger, and the air outlet of the oscillating flow heat pipe heat exchanger is connected to the rear area of the drying adjustment mechanism. It can obtain higher quality viscose fiber and save energy consumption by 35-40%.
Description
技术领域 technical field
本实用新型涉及一种粘胶纤维的烘干与调节装置。The utility model relates to a drying and regulating device for viscose fibers.
背景技术 Background technique
粘胶纤维一直被视为高污染、高耗能、高成本的产业,目前我国粘胶纤维产量约占世界产量的60%,由此带来的能耗及排污大增,能耗及环保问题俨然成为制约我国粘胶行业进一步快速发展的“瓶颈”性问题之一。其中,粘胶行业整体能耗水平比国际先进水平高出10~30%,此外在“三废”治理方面还存在很多问题。因此,节能、减排已成为粘胶行业可持续发展的核心工作。Viscose fiber has always been regarded as a high-pollution, high-energy-consuming, high-cost industry. At present, my country's viscose fiber production accounts for about 60% of the world's production, resulting in a large increase in energy consumption and sewage discharge, energy consumption and environmental protection issues. It has become one of the "bottleneck" problems restricting the further rapid development of my country's viscose industry. Among them, the overall energy consumption level of the viscose industry is 10-30% higher than the international advanced level. In addition, there are still many problems in the treatment of "three wastes". Therefore, energy saving and emission reduction have become the core tasks of the sustainable development of the viscose industry.
在粘胶纤维行业,烘干机是高耗能设备之一,也是节能减排的重点,目前通常采用的是普通暖风式烘干机,烘干1吨粘胶纤维约消耗2.8吨蒸汽,干燥尾气温度约为110℃,水蒸气含量约占60~70%,携带有大量余热的尾气直接排空一方面造成巨大的能源浪费,另一方面造成严重的环境污染。In the viscose fiber industry, the dryer is one of the high-energy-consuming equipment, and it is also the focus of energy conservation and emission reduction. At present, ordinary warm-air dryers are usually used, and drying 1 ton of viscose fiber consumes about 2.8 tons of steam. The temperature of the dry tail gas is about 110°C, and the water vapor content is about 60-70%. The direct discharge of the tail gas with a large amount of waste heat will cause huge energy waste on the one hand, and serious environmental pollution on the other hand.
粘胶纤维的烘干和调节,通常采用帘式或烘筒式干燥机分区分段干燥,前区干燥介质温度为70~100℃;中区100~120℃;后区60~70℃;然后进入调湿阶段。开松了的湿纤维由喂给机送到片状输送帘上,保持输送帘上的纤维层高约100毫米,移动速度为0.82~3.7米/分,送风机鼓入新鲜空气,同时热风机鼓入高压蒸汽,再由循环风机反复多次循环后由排气扇排出,该烘干过程中高压热蒸汽起到加热升温使水分气化的作用,新鲜空气起携湿作用。这种传统干燥系统中干燥尾气无法有效进行余热回收,其主要原因有两方面:第一,这三个区段中所利用的干燥介质均为蒸汽与空气的混合气体,干燥尾气含有大量的不凝性气体,而且空气比热小,装配了换热器之后也仅仅能回收小部分干燥尾气显热;第二,粘胶纤维的烘干过程干燥尾气中会夹带毛细纤维,若装配普通的翅片管式换热器,毛细纤维会积存在翅片上,阻塞通道且降低表面换热系数。因此,现有的粘胶纤维烘干工艺中干燥尾气余热无法有效进行回收,造成了极大的能源浪费。The drying and conditioning of viscose fiber usually adopts curtain type or drum dryer to dry in sections and sections. The drying medium temperature in the front area is 70-100°C; in the middle area 100-120°C; in the rear area 60-70°C; then Enter the humidity control stage. The loosened wet fiber is sent to the sheet conveying curtain by the feeder, and the fiber layer on the conveying curtain is kept at a height of about 100mm, and the moving speed is 0.82-3.7m/min. In the drying process, the high-pressure hot steam plays the role of heating and raising the temperature to vaporize the water, and the fresh air plays the role of carrying humidity. The dry tail gas in this traditional drying system cannot effectively recover waste heat. There are two main reasons for this: first, the drying medium used in these three sections is a mixture of steam and air, and the dry tail gas contains a large amount of unwanted condensable gas, and the specific heat of the air is small, and only a small part of the sensible heat of the dry tail gas can be recovered after the heat exchanger is installed; In the fin-and-tube heat exchanger, the capillary fibers will accumulate on the fins, blocking the passage and reducing the surface heat transfer coefficient. Therefore, in the existing viscose fiber drying process, the residual heat of the drying tail gas cannot be effectively recovered, resulting in a great waste of energy.
实用新型内容 Utility model content
本实用新型的目的是为克服上述现有技术的不足,提供一种粘胶纤维的烘干与调节装置,它可以烘干得到更高品质的粘胶纤维,同时干燥过程可节约能耗达35~40%。The purpose of this utility model is to overcome the deficiencies of the above-mentioned prior art and provide a drying and adjusting device for viscose fiber, which can dry viscose fiber with higher quality, and can save energy consumption up to 35% in the drying process. ~40%.
为实现上述目的,本实用新型采用下述技术方案:In order to achieve the above object, the utility model adopts the following technical solutions:
一种粘胶纤维的烘干与调节装置,包括喂给机,喂给机与干燥调节机构相对应,干燥调节机构中设有链条输送装置,干燥调节机构的前区和中区的水蒸气出口均与振荡流热管换热器的进风口相连,振荡流热管换热器的出风口与干燥调节机构的后区相连通。A viscose fiber drying and adjusting device, including a feeder, the feeding machine corresponds to the drying adjustment mechanism, the drying adjustment mechanism is equipped with a chain conveying device, and the water vapor outlets in the front and middle areas of the drying adjustment mechanism All are connected with the air inlet of the oscillating flow heat pipe heat exchanger, and the air outlet of the oscillating flow heat pipe heat exchanger is connected with the rear area of the drying adjustment mechanism.
所述干燥调节机构包括至少由两个并列相连通的过热蒸汽干燥器组成的前区和中区,以及由热风干燥器组成的后区,所述链条输送装置贯穿前区、中区和后区,所述前区和中区中链条输送装置下部均设有过热蒸汽装置。The drying adjustment mechanism includes a front area and a middle area composed of at least two superheated steam dryers connected in parallel, and a rear area composed of a hot air dryer, and the chain conveying device runs through the front area, the middle area and the rear area , The lower part of the chain conveying device in the front area and the middle area is equipped with a superheated steam device.
所述过热蒸汽装置包括循环风机,所述循环风机出风口与蒸汽加热盘管相通,蒸汽加热盘管的出风口与若干第一均匀送风装置相通,第一均匀送风装置位于链条输送装置下部;蒸汽加热盘管上连接有温控自动调节阀。The superheated steam device includes a circulation fan, the air outlet of the circulation fan communicates with the steam heating coil, the air outlet of the steam heating coil communicates with a plurality of first uniform air supply devices, and the first uniform air supply device is located at the lower part of the chain conveying device ; The steam heating coil is connected with a temperature-controlled automatic regulating valve.
所述后区中设有第二送风机,第二送风机的进风口与振荡流热管换热器的出风口相通,所述第二送风机的出风口与若干第二均匀送风装置相通。A second air blower is provided in the rear area, the air inlet of the second air blower communicates with the air outlet of the oscillating flow heat pipe heat exchanger, and the air outlet of the second air blower communicates with a plurality of second uniform air supply devices.
所述前区和中区的水蒸气出口与振荡流热管换热器的进风口相连的管道上设有压力控制器。A pressure controller is provided on the pipe connecting the water vapor outlet of the front zone and the middle zone to the air inlet of the oscillating flow heat pipe heat exchanger.
所述振荡流热管换热器的进、出风口分别与第一送风机和引风机相连,所述引风机与所述压力控制器相连。The air inlet and outlet of the oscillating flow heat pipe heat exchanger are respectively connected with the first blower and the induced draft fan, and the induced draft fan is connected with the pressure controller.
所述振荡流热管换热器中的换热元件为毛细光管。The heat exchanging elements in the oscillating flow heat pipe heat exchanger are capillary light pipes.
本实用新型包括两个过热蒸汽干燥区和一个热风干燥区,即对现有的帘式或烘筒式干燥机干燥工艺进行改进,在干燥的前区和中区不再鼓入新鲜空气,而是利用过热蒸汽间接加热,内部设循环风机反复多次循环,水分蒸发后干燥单元内的蒸汽压力达到某一设定值后由排气扇排至振荡流热管换热器,此时的干燥乏汽是纯蒸汽,不含有不凝性气体,因此利用振荡流热管换热器可以有效地回收余热,干燥乏汽经热回收后可至冷凝态,释放大量的气化潜热,因此乏汽的绝大部分余热可有效回收,同时振荡流热管换热器中主要的换热元件为毛细光管,不易沉积毛细纤维,而且管材质可有效抵御纤维干燥过程产生的油及弱酸性气体的腐蚀,振荡流热管换热器换热效率高、形式灵活,不易积灰等特性尤其适宜于粘胶短纤维的烘干系统余热回收。The utility model includes two superheated steam drying areas and a hot air drying area, which improves the drying process of the existing curtain type or drying drum type dryers, and no longer blows fresh air into the front and middle areas of drying, and It uses superheated steam for indirect heating, and a circulating fan is installed inside for repeated cycles. After the water evaporates, the steam pressure in the drying unit reaches a certain set value, and then it is exhausted by the exhaust fan to the oscillating flow heat pipe heat exchanger. At this time, the drying is exhausted. Steam is pure steam and does not contain non-condensable gases. Therefore, the use of oscillating flow heat pipe heat exchangers can effectively recover waste heat. Dry exhaust steam can be condensed after heat recovery, releasing a large amount of latent heat of vaporization. Most of the waste heat can be effectively recovered. At the same time, the main heat exchange element in the oscillating flow heat pipe heat exchanger is a capillary light tube, which is not easy to deposit capillary fibers, and the material of the tube can effectively resist the corrosion of oil and weak acid gas generated during the fiber drying process. Oscillation The flow heat pipe heat exchanger has high heat exchange efficiency, flexible form, and is not easy to accumulate dust. It is especially suitable for the recovery of waste heat in the drying system of viscose staple fiber.
此外,振荡流热管换热器回收所得余热用以加热新鲜空气,经加热后的新鲜空气直接由风机输送至粘胶纤维的后区干燥,完全可以满足后区所需的60~70℃的干燥需求。In addition, the waste heat recovered by the oscillating flow heat pipe heat exchanger is used to heat the fresh air, and the heated fresh air is directly transported by the fan to the rear area of the viscose fiber for drying, which can fully meet the drying requirements of the rear area at 60-70 °C. need.
本实用新型中的均匀送风装置、链条输送装置、温控自动调节阀均为现有设备,在此不再赘述。The uniform air supply device, the chain conveying device, and the temperature-controlled automatic regulating valve in the utility model are all existing equipment, and are not repeated here.
本实用新型的有益效果是,经改进后的纯过热蒸汽干燥装置,可以有效提高粘胶短纤维的干燥品质,同时干燥乏汽的大量余热得以有效回收,回收后的余热用以加热新鲜空气,热空气用于后区的热风干燥,经改善后的新型干燥工艺可以节约干燥能耗约35~40%。The beneficial effect of the utility model is that the improved pure superheated steam drying device can effectively improve the drying quality of viscose staple fiber, and at the same time, a large amount of waste heat of dry steam can be effectively recovered, and the recovered waste heat is used to heat fresh air, Hot air is used for hot air drying in the rear area, and the improved new drying process can save about 35-40% of drying energy consumption.
附图说明Description of drawings
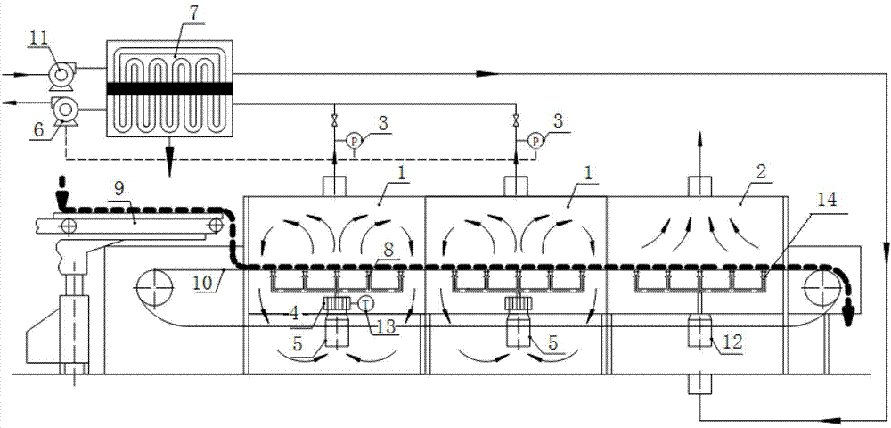
图1是本实用新型系统流程图;Fig. 1 is a flow chart of the utility model system;
其中1-过热蒸汽干燥器,2-热风干燥器,3-压力控制器,4-蒸汽加热盘管,5-循环风机,6-引风机,7-振荡流热管换热器,8-第一均匀送风装置,9-喂给机,10-链条输送装置,11-第一送风机,12-第二送风机,13-温控自动调节阀,14-第二均匀送风装置。Among them, 1-superheated steam dryer, 2-hot air dryer, 3-pressure controller, 4-steam heating coil, 5-circulation fan, 6-induced fan, 7-oscillating flow heat pipe heat exchanger, 8-first Uniform air supply device, 9-feeder, 10-chain conveying device, 11-first air supply fan, 12-second air supply fan, 13-temperature control automatic regulating valve, 14-second uniform air supply device.
具体实施方式 Detailed ways
下面结合附图和实施例对本实用新型进一步说明。Below in conjunction with accompanying drawing and embodiment the utility model is further described.
如附图1所示:粘胶纤维的烘干与调节装置,包括喂给机9,喂给机9与干燥调节机构相对应,干燥调节机构中设有链条输送装置10,干燥调节机构的前区和中区的水蒸气出口均与振荡流热管换热器7的进风口相连,振荡流热管换热器7的出风口与干燥调节机构的后区相连通。As shown in accompanying drawing 1: the drying and regulating device of viscose fiber comprises feeding machine 9, and feeding machine 9 is corresponding to drying regulating mechanism, and chain conveying device 10 is arranged in drying regulating mechanism, and the front of drying regulating mechanism The water vapor outlets in the zone and the middle zone are all connected to the air inlet of the oscillating flow heat pipe heat exchanger 7, and the air outlet of the oscillating flow heat pipe heat exchanger 7 is connected to the rear area of the drying adjustment mechanism.
干燥调节机构包括至少由两个并列相连通的过热蒸汽干燥器1组成的前区和中区,以及由热风干燥器2组成的后区,所述链条输送装置10贯穿前区、中区和后区,所述前区和中区中链条输送装置10下部均设有过热蒸汽装置。The drying adjustment mechanism includes a front area and a middle area consisting of at least two superheated steam dryers 1 connected in parallel, and a rear area composed of a hot air dryer 2. The chain conveyor 10 runs through the front area, the middle area and the rear area. Zone, the lower part of the chain conveying device 10 in the front zone and the middle zone are equipped with superheated steam devices.
过热蒸汽装置包括循环风机5,所述循环风机出风口与蒸汽加热盘管4相通,蒸汽加热盘4管的出风口与若干第一均匀送风装置8相通,第一均匀送风装置8位于链条输送装置10下部;蒸汽加热盘管4上连接有温控自动调节阀13。The superheated steam device includes a circulating fan 5, the air outlet of the circulating fan communicates with the steam heating coil 4, and the air outlet of the steam heating coil 4 communicates with a number of first uniform air supply devices 8, which are located in the chain The lower part of the conveying device 10 ; the steam heating coil 4 is connected with a temperature-controlled automatic regulating valve 13 .
后区中设有第二送风机12,第二送风机12的进风口与振荡流热管换热器7的出风口相通,所述第二送风机12的出风口与若干第二均匀送风装置14相通。前区和中区的水蒸气出口与振荡流热管换热器7的进风口相连的管道上设有压力控制器3。A second air blower 12 is arranged in the rear area, and the air inlet of the second air blower 12 communicates with the air outlet of the oscillating flow heat pipe heat exchanger 7 , and the air outlet of the second air blower 12 communicates with a plurality of second uniform air supply devices 14 . A pressure controller 3 is provided on the pipe connecting the water vapor outlet of the front zone and the middle zone to the air inlet of the oscillating flow heat pipe heat exchanger 7 .
振荡流热管换热器7的进、出风口分别与第一送风机11和引风机6相连,所述引风机6与所述压力控制器3相连。振荡流热管换热器7中的换热元件为毛细光管。The air inlet and outlet of the oscillating flow heat pipe heat exchanger 7 are connected to the first blower 11 and the induced fan 6 respectively, and the induced fan 6 is connected to the pressure controller 3 . The heat exchange element in the oscillating flow heat pipe heat exchanger 7 is a capillary light tube.
本实用新型的烘干与调节过程如下:Drying and adjustment process of the present utility model are as follows:
它包括至少2个过热蒸汽干燥器1(前区和中区)和1个热风干燥器2(后区),粘胶纤维在两个过热蒸汽干燥器1内完成主要的热力干燥后继续在热风干燥器2中进行深度干燥与调节。It includes at least 2 superheated steam dryers 1 (front zone and middle zone) and 1 hot air dryer 2 (back zone). Deep drying and conditioning are carried out in dryer 2.
粘胶纤维由喂给机9送至过热蒸汽干燥器1的前区,在循环风机5作用下,被蒸汽盘管4加热后的干燥介质(70~100℃)经第一均匀送风装置8送至干燥室内,用以烘干粘胶纤维,粘胶纤维得以干燥同时水分蒸发,过热蒸汽干燥器1内的压力升高,压力控制器3与引风机6联动,将裕量的水蒸气排出至振荡流热管换热器7,The viscose fiber is sent to the front area of the superheated steam dryer 1 by the feeder 9, and under the action of the circulation fan 5, the drying medium (70-100°C) heated by the steam coil 4 passes through the first uniform air supply device 8 Send it to the drying room to dry the viscose fiber, the viscose fiber is dried and the water evaporates at the same time, the pressure in the superheated steam dryer 1 rises, the pressure controller 3 and the induced draft fan 6 are linked to discharge the excess water vapor To the oscillating flow heat pipe heat exchanger 7,
在链条输送装置10作用下,粘胶纤维传送至过热蒸汽干燥器1的中区,干燥过程与前区相似,区别仅是干燥介质被加热的温度不同,中区干燥介质温度约为100~120℃,同时也将裕量的水蒸气排出至振荡流热管换热器7,Under the action of the chain conveying device 10, the viscose fiber is transported to the middle zone of the superheated steam dryer 1. The drying process is similar to that of the front zone, the only difference is that the temperature of the drying medium is different, and the temperature of the drying medium in the middle zone is about 100-120 ℃, and at the same time discharge the excess water vapor to the oscillating flow heat pipe heat exchanger 7,
振荡流热管换热器7加热的新风,由第二送风机12经第二均匀送风装置14送至热风干燥器7内,用以完成粘胶纤维的深度干燥和调节,干燥后的尾气排空。The fresh air heated by the oscillating flow heat pipe heat exchanger 7 is sent to the hot air dryer 7 by the second air blower 12 through the second uniform air supply device 14 to complete the deep drying and adjustment of the viscose fiber, and the exhaust gas after drying .
上述虽然结合附图对本实用新型的具体实施方式进行了描述,但并非对本实用新型保护范围的限制,所属领域技术人员应该明白,在本实用新型的技术方案的基础上,本领域技术人员不需要付出创造性劳动即可做出的各种修改或变形仍在本实用新型的保护范围以内。Although the specific implementation of the utility model has been described above in conjunction with the accompanying drawings, it does not limit the protection scope of the utility model. Those skilled in the art should understand that on the basis of the technical solution of the utility model, those skilled in the art do not need to Various modifications or deformations that can be made with creative efforts are still within the protection scope of the present utility model.
Claims (7)
Priority Applications (1)
| Application Number | Priority Date | Filing Date | Title |
|---|---|---|---|
| CN201220442929.6U CN202786549U (en) | 2012-08-31 | 2012-08-31 | Oven-drying and adjusting device for viscose fibers |
Applications Claiming Priority (1)
| Application Number | Priority Date | Filing Date | Title |
|---|---|---|---|
| CN201220442929.6U CN202786549U (en) | 2012-08-31 | 2012-08-31 | Oven-drying and adjusting device for viscose fibers |
Publications (1)
| Publication Number | Publication Date |
|---|---|
| CN202786549U true CN202786549U (en) | 2013-03-13 |
Family
ID=47813845
Family Applications (1)
| Application Number | Title | Priority Date | Filing Date |
|---|---|---|---|
| CN201220442929.6U Expired - Lifetime CN202786549U (en) | 2012-08-31 | 2012-08-31 | Oven-drying and adjusting device for viscose fibers |
Country Status (1)
| Country | Link |
|---|---|
| CN (1) | CN202786549U (en) |
Cited By (2)
| Publication number | Priority date | Publication date | Assignee | Title |
|---|---|---|---|---|
| CN106012061A (en) * | 2016-06-22 | 2016-10-12 | 成都丽雅纤维股份有限公司 | Pre-drying process for viscose staple fibers |
| CN107314658A (en) * | 2017-08-17 | 2017-11-03 | 文安县天华密度板有限公司 | A kind of novel wooden fiber multisection type flash drying method and apparatus |
-
2012
- 2012-08-31 CN CN201220442929.6U patent/CN202786549U/en not_active Expired - Lifetime
Cited By (2)
| Publication number | Priority date | Publication date | Assignee | Title |
|---|---|---|---|---|
| CN106012061A (en) * | 2016-06-22 | 2016-10-12 | 成都丽雅纤维股份有限公司 | Pre-drying process for viscose staple fibers |
| CN107314658A (en) * | 2017-08-17 | 2017-11-03 | 文安县天华密度板有限公司 | A kind of novel wooden fiber multisection type flash drying method and apparatus |
Similar Documents
| Publication | Publication Date | Title |
|---|---|---|
| CN202774086U (en) | Microwave-solar united tobacco leaf drying system | |
| CN104930539A (en) | Coal-fired power plant flue gas heat regenerative system and energy-saving water-saving ultra-clean discharging method | |
| CN203848526U (en) | Novel solar drying system | |
| CN204388102U (en) | A kind of flue gas waste heat utilization device | |
| CN203561164U (en) | Multilayer belt drying system | |
| CN103398561A (en) | Energy-saving type material drying system | |
| CN102797064B (en) | Drying and adjusting process and device for viscose fibers | |
| CN110440530A (en) | An industrial waste heat combined solar greenhouse drying system and method | |
| CN204509839U (en) | A kind of synthetic leather production line of heated by natural gas | |
| CN103438678B (en) | Efficient energy-saving pulp dewatering and drying equipment | |
| CN103940208B (en) | Plasterboard industrial exhaust heat drying system | |
| CN103743196B (en) | A hot air closed cycle high-efficiency drying and energy-saving process and system | |
| CN202786549U (en) | Oven-drying and adjusting device for viscose fibers | |
| CN203704603U (en) | Mechanical vapor recompression based drying device | |
| CN115628600A (en) | An energy-saving drum drying equipment | |
| CN204421044U (en) | Based on the flue gas waste heat utilization device of cold and heat combined supply | |
| CN103471284B (en) | Absorbing type heat and moisture waste gas energy recovery system | |
| CN205002539U (en) | Take waste heat recovery formula drying unit of tuber pipe | |
| CN101731731B (en) | Method for reducing energy consumption for pneumatic drying of cut tobacco | |
| CN218955412U (en) | Efficient heat supply energy-saving environment-friendly drying equipment | |
| CN207849918U (en) | Yarn air flow dryer | |
| CN207180159U (en) | Textile cloth superheated steam energy-saving drying device | |
| CN208219032U (en) | Drying and regulating device for viscose rayon | |
| CN101089527A (en) | Pneumatic drying energy saving device | |
| CN201828120U (en) | Dryer utilizing residual heat of condensed water |
Legal Events
| Date | Code | Title | Description |
|---|---|---|---|
| C14 | Grant of patent or utility model | ||
| GR01 | Patent grant | ||
| CX01 | Expiry of patent term | ||
| CX01 | Expiry of patent term |
Granted publication date: 20130313 |
