CN202741588U - 一模多用式冲压模具 - Google Patents
一模多用式冲压模具 Download PDFInfo
- Publication number
- CN202741588U CN202741588U CN 201220365141 CN201220365141U CN202741588U CN 202741588 U CN202741588 U CN 202741588U CN 201220365141 CN201220365141 CN 201220365141 CN 201220365141 U CN201220365141 U CN 201220365141U CN 202741588 U CN202741588 U CN 202741588U
- Authority
- CN
- China
- Prior art keywords
- locating
- module
- mold
- lower bolster
- utility
- Prior art date
- Legal status (The legal status is an assumption and is not a legal conclusion. Google has not performed a legal analysis and makes no representation as to the accuracy of the status listed.)
- Expired - Fee Related
Links
- 238000000465 moulding Methods 0.000 abstract description 4
- 238000004080 punching Methods 0.000 description 20
- 230000000694 effects Effects 0.000 description 5
- 238000004519 manufacturing process Methods 0.000 description 5
- 238000000034 method Methods 0.000 description 4
- 230000009286 beneficial effect Effects 0.000 description 1
- 238000006243 chemical reaction Methods 0.000 description 1
- 238000010586 diagram Methods 0.000 description 1
- 238000005516 engineering process Methods 0.000 description 1
- 239000000463 material Substances 0.000 description 1
- 239000002184 metal Substances 0.000 description 1
- 230000004048 modification Effects 0.000 description 1
- 238000012986 modification Methods 0.000 description 1
- 229910052755 nonmetal Inorganic materials 0.000 description 1
- 238000003825 pressing Methods 0.000 description 1
- 238000003672 processing method Methods 0.000 description 1
- 239000000047 product Substances 0.000 description 1
- 230000001105 regulatory effect Effects 0.000 description 1
- 239000011265 semifinished product Substances 0.000 description 1
- 239000002699 waste material Substances 0.000 description 1
Images
Landscapes
- Perforating, Stamping-Out Or Severing By Means Other Than Cutting (AREA)
Abstract
本实用新型涉及一模多用式冲压模具,包括下模板、成型模块,所述成型模块位于所述下模板的成型槽内,所述下模板上有定位槽,所述定位槽内放置第一定位模块,所述第一定位模块可以更换成其他定位模具。本实用新型提高了一次冲压的成品率,提高了模具的利用率,节约了资源,降低了加工成本。
Description
技术领域
本实用新型涉及模具领域,尤其是一种转片冲压模具。
背景技术
冲压模具,是在冷冲压加工中,将材料(金属或非金属)加工成零件(或半成品)的一种特殊工艺装备,称为冷冲压模具(俗称冷冲模)。模具在对坯料进行冲压前,需要先通过定位装置将坯料进行定位,一般定位装置是固定在下模固定板上;由于目前冲压模具的下模固定板上只有一种定位尺寸,即定位装置在下模固定板上的位置是不可以调节的,这样就导致了一副模具只能对一种规格尺寸的零件进行加工,而不能加工不同规格尺寸的零件,设备的利用率低下,浪费资源,产品的加工成本较高。实际生产中为了提高生产效率,采用三爪一次成型的加工方法,虽然能够提高设备的产能,但由于零件在冲压过程中受到的冲压力比较大,导致零件的变形量超出技术标准的要求,一次成品率较低,而且后续处理也比较困难,导致生产成本比较高。
实用新型内容
本申请人针对上述现有生产中这些缺点,提供一种一模多用式冲压模具,模具的利用率以及一次冲压的成品率较高,节约了资源,降低了加工成本。
本实用新型所采用的技术方案如下:
一模多用式冲压模具,包括下模板、成型模块;所述成型模块位于所述下模板的成型槽内,所述下模板上有定位槽,所述定位槽内放置第一定位模块;所述第一定位模块可以更换成其他定位模块;
进一步的技术方案如下:
所述第一定位模块或所述其他定位模块上分别开有圆孔和方孔;
所述第一定位模块或所述其他定位模块上的所述方孔内设有弹性装置,所述弹性装置中设置有弹簧。
本实用新型的有益效果在于:通过在模具的下模板上增加一个可放置定位模块的槽,可针对不同零件更换相应的定位模块,达到一模多用的目的;同时将三爪一次成型冲压一个零件的生产方法改成了一爪分三次成型冲压一个零件的方法,提高了一次冲压的成品率;冲压不同零件时,不必更换模具,只需更换下模板上的定位模块,提高了模具的利用率,节约了资源,降低了加工成本。
附图说明
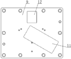
图1为本实用新型的主视图。
图2为下模板的主视图。
图3为本实用新型的冲压过程示意图。
图4为本实用新型更换定位模块和零件后的主视图。
具体实施方式
下面结合附图,说明本实用新型的具体实施方式。
如图1、图2、图4所示,本实用新型包括下模板9、成型模块2;成型模块2位于下模板9的成型槽12内,下模板9上有定位槽11,定位槽11内放置第一定位模块8;第一定位模块8可以更换成其他的定位模块16;第一定位模块8上开有大圆孔4、小圆孔6以及方孔5各一个,大圆孔4内插有定位销3,定位销3对零件1起到中心定位的作用,当先对零件1上的转片A进行冲压时,转片B片在第一定位模块8处,小圆孔6内插有定位销7,定位销7与转片B的边缘相抵接,起到辅助定位零件1的作用,使模具完成对转片A的冲压。
如图3所示,当零件1上的转片A冲压完毕后,取出定位销7,然后将转片A转至第一定位模块8处,第一定位模块8的方孔5内设有弹性装置,所述弹性装置中设置有弹簧,所述弹性装置采用已有技术结构;定位销10插入方孔5压在弹性装置上,定位销10与转片A相抵接,起到辅助定位零件1的作用,使模具完成对转片B的冲压,再次将零件1转换120度(箭头所示方向),使模具完成对转片C的冲压;在对零件1上的转片B和转片C进行冲压前,可以揿压定位销10,使所述弹性装置中的簧弹压缩,定位销10的高度降低,并定位于高度降低的位置,防止定位销10阻挡零件1的转动。
如图4所示,当需要加工不同规格尺寸的另一个零件13时,可以将图1和图2所示的第一定位模块8更换为相应的其他定位模块16;其他定位模块16上开有大圆孔15、小圆孔18以及方孔17各一个,大圆孔15内插有定位销14对零件13起到中心定位的作用,小圆孔18、方孔17内分别插有定位销7、定位销10对零件13起到辅助定位的作用;但大圆孔4、小圆孔6以及方孔5在第一定位模块8上的位置分别与大圆孔15、小圆孔18及方孔17在其他定位模块16上的位置不同,以此实现了只需更换下模板9上的定位模块,就可以达到一模多用的目的,同时冲压一处转片后只能将零件转换角度后才能进行再次冲压,减少了零件在冲压过程中的变形,提高了一次冲压的成品率。
以上描述是对本实用新型的解释,不是对实用新型的限定,本实用新型所限定的范围参见权利要求,在本实用新型的保护范围之内,可以作任何形式的修改。
Claims (3)
1.一模多用式冲压模具,包括下模板(9)、成型模块(2);成型模块(2)位于下模板(9)的成型槽(12)内,其特征在于:下模板(9)上有定位槽(11),定位槽(11)内放置第一定位模块(8);第一定位模块(8)可以更换成其他定位模块(16)。
2.如权利要求1所述的一模多用式冲压模具,其特征在于:所述第一定位模块(8)或其他定位模块(16)上分别开有圆孔和方孔。
3.如权利要求1所述的一模多用式冲压模具,其特征在于:第一定位模块(8)或其他定位模块(16)上的方孔内设有弹性装置,所述弹性装置中设置有弹簧。
Priority Applications (1)
| Application Number | Priority Date | Filing Date | Title |
|---|---|---|---|
| CN 201220365141 CN202741588U (zh) | 2012-07-26 | 2012-07-26 | 一模多用式冲压模具 |
Applications Claiming Priority (1)
| Application Number | Priority Date | Filing Date | Title |
|---|---|---|---|
| CN 201220365141 CN202741588U (zh) | 2012-07-26 | 2012-07-26 | 一模多用式冲压模具 |
Publications (1)
| Publication Number | Publication Date |
|---|---|
| CN202741588U true CN202741588U (zh) | 2013-02-20 |
Family
ID=47701036
Family Applications (1)
| Application Number | Title | Priority Date | Filing Date |
|---|---|---|---|
| CN 201220365141 Expired - Fee Related CN202741588U (zh) | 2012-07-26 | 2012-07-26 | 一模多用式冲压模具 |
Country Status (1)
| Country | Link |
|---|---|
| CN (1) | CN202741588U (zh) |
Cited By (1)
| Publication number | Priority date | Publication date | Assignee | Title |
|---|---|---|---|---|
| CN102756040A (zh) * | 2012-07-26 | 2012-10-31 | 无锡利博科技有限公司 | 一模多用式冲压模具 |
-
2012
- 2012-07-26 CN CN 201220365141 patent/CN202741588U/zh not_active Expired - Fee Related
Cited By (1)
| Publication number | Priority date | Publication date | Assignee | Title |
|---|---|---|---|---|
| CN102756040A (zh) * | 2012-07-26 | 2012-10-31 | 无锡利博科技有限公司 | 一模多用式冲压模具 |
Similar Documents
| Publication | Publication Date | Title |
|---|---|---|
| CN203304399U (zh) | 一种喇叭盆架冲压级进模具 | |
| CN203887063U (zh) | 成型修边翻边复合模具结构 | |
| CN203862864U (zh) | 圆环弯圆模 | |
| CN203711612U (zh) | 一种汽车塞子成型加工磨具 | |
| CN204934350U (zh) | 一种模具件 | |
| CN202741588U (zh) | 一模多用式冲压模具 | |
| CN203076438U (zh) | 一种冷冲压复合模 | |
| CN201644616U (zh) | 汽车板簧卡子下料、冲孔复合模具 | |
| CN205183534U (zh) | 一种组合式冲压模具 | |
| CN203076432U (zh) | 一种弯曲复合模 | |
| CN202185522U (zh) | 侧围软模侧整形侧翻边的成型结构 | |
| CN203305304U (zh) | 一种多功能冲压模 | |
| CN203184415U (zh) | 一种手机集成片异形冲压模 | |
| CN102989900A (zh) | 一种冷冲压复合模 | |
| CN203565654U (zh) | 一种弹片冲压连续模具 | |
| CN203253815U (zh) | 双压型模具 | |
| CN202779425U (zh) | 一种手机装饰件正反面冲压模 | |
| CN102756040A (zh) | 一模多用式冲压模具 | |
| CN203725594U (zh) | 拖拉机停车制动板的冲压模具 | |
| CN215786082U (zh) | 一种多用途兼容性好的冲孔模具 | |
| CN206405288U (zh) | 一种插座端子的冲压模具 | |
| CN105251887A (zh) | 一种油门组合弹簧片成型冲压模具 | |
| CN205147087U (zh) | 一种油门组合弹簧片成型冲压模具 | |
| CN205165565U (zh) | 一种摩托车导风板成型冲压模具 | |
| CN205096384U (zh) | 一种摩托车右下纵臂支座成型冲压模具 |
Legal Events
| Date | Code | Title | Description |
|---|---|---|---|
| C14 | Grant of patent or utility model | ||
| GR01 | Patent grant | ||
| CF01 | Termination of patent right due to non-payment of annual fee |
Granted publication date: 20130220 Termination date: 20150726 |
|
| EXPY | Termination of patent right or utility model |