CN202681919U - Fast-forecast type electronic clinical thermometer - Google Patents
Fast-forecast type electronic clinical thermometer Download PDFInfo
- Publication number
- CN202681919U CN202681919U CN 201220047127 CN201220047127U CN202681919U CN 202681919 U CN202681919 U CN 202681919U CN 201220047127 CN201220047127 CN 201220047127 CN 201220047127 U CN201220047127 U CN 201220047127U CN 202681919 U CN202681919 U CN 202681919U
- Authority
- CN
- China
- Prior art keywords
- temperature
- clinical thermometer
- electronic clinical
- fast
- processing unit
- Prior art date
- Legal status (The legal status is an assumption and is not a legal conclusion. Google has not performed a legal analysis and makes no representation as to the accuracy of the status listed.)
- Expired - Lifetime
Links
- 238000012545 processing Methods 0.000 claims abstract description 20
- 238000012937 correction Methods 0.000 claims description 3
- 238000000034 method Methods 0.000 abstract description 8
- 238000009529 body temperature measurement Methods 0.000 abstract description 7
- 238000005259 measurement Methods 0.000 abstract description 5
- 230000008569 process Effects 0.000 abstract description 5
- 230000008901 benefit Effects 0.000 abstract description 2
- 238000005538 encapsulation Methods 0.000 description 5
- 239000004593 Epoxy Substances 0.000 description 3
- 238000010586 diagram Methods 0.000 description 3
- 239000003822 epoxy resin Substances 0.000 description 3
- 229920000647 polyepoxide Polymers 0.000 description 3
- 230000000694 effects Effects 0.000 description 2
- 230000004044 response Effects 0.000 description 2
- 238000006243 chemical reaction Methods 0.000 description 1
- 230000008878 coupling Effects 0.000 description 1
- 238000010168 coupling process Methods 0.000 description 1
- 238000005859 coupling reaction Methods 0.000 description 1
- 230000002950 deficient Effects 0.000 description 1
- 238000001514 detection method Methods 0.000 description 1
- 238000005516 engineering process Methods 0.000 description 1
- 239000007788 liquid Substances 0.000 description 1
- 238000004519 manufacturing process Methods 0.000 description 1
- 238000012986 modification Methods 0.000 description 1
- 230000004048 modification Effects 0.000 description 1
- 230000035945 sensitivity Effects 0.000 description 1
- 230000006641 stabilisation Effects 0.000 description 1
- 238000011105 stabilization Methods 0.000 description 1
- 238000012546 transfer Methods 0.000 description 1
Images
Landscapes
- Measuring Temperature Or Quantity Of Heat (AREA)
Abstract
The utility model relates to a fast-forecast type electronic clinical thermometer which comprises a temperature sensing module (1) used to convert temperature signals to electric signals, a central processing unit (2) used to process and automatically calibrate collected signals of the temperature sensing module, a display module (4) used to display forecasted temperature, and a program input module (3) used to input temperature forecasted parameters, wherein the temperature sensing module (1), the display module (4) and the program input module (3) are respectively in electric connection with the central processing unit (2). By adopting the structure, the fast-forecast type electronic clinical thermometer achieves forecast type temperature measurement, saves temperature measurement time and therefore has the advantages of being fast in measurement speed and high in measurement accuracy.
Description
Technical field
This utility model relates to the temperature survey field, more precisely relates to a kind of fast prediction formula electronic thermometer.
Background technology
Electronic clinical thermometer compare with traditional liquid clinical thermometer have that measuring speed is fast, temperature survey advantage accurately.Existing electronic clinical thermometer generally is that the negative tempperature coefficient thermistor (NTC) by epoxy encapsulation comes sensing temperature, because the encapsulation of epoxy resin is arranged, so that the temperature-sensitive time is long.In addition, existing electronic clinical thermometer generally adopts cheaply R2F type thermometric chip, and this thermometric chip can only be measured 1 secondary data by per second, and the seriality of thermometric is low; And the thermometric chip of R2F type is because the low restriction of thermometric high frequency stability, and certainty of measurement can only reach 0.05 ℃.
For existing electronic thermometer, generally be that the method for matching resistor is mated different NTC sensors, the matching resistor precision is generally ± and 25 ohm, be equivalent to introduce 0.02 ℃ error.Pattern employing at displays temperature shows the actual temperature that reads, and measures actual temperature so that the process need of measuring just can reach in 3~5 minutes, takes longer.
The utility model content
The purpose of this utility model is to construct a kind of electronic thermometer of fast prediction formula, in order to overcome the defective that existing electronic thermometer Measuring Time is long, temperature measurement accuracy is low.
This utility model solves above-mentioned technical problem like this: construct a kind of fast prediction formula electronic clinical thermometer, comprise with temperature information be converted to the signal of telecommunication the temperature sensing module, be used for according to the acquired signal of temperature sensing module carry out temperature prediction and automatic calibration central processing unit, show predicted temperature display module, be used for the program input module of input temp Prediction Parameters, this temperature prediction parameter is temperature prediction curve or temperature prediction table or temperature history data base.Temperature sensing module, display module, program input module are electrically connected respectively central processing unit, the temperature sensing module converts the temperature information in the external world to the signal of telecommunication with certain frequency acquisition and sends to central processing unit, central processing unit carries out temperature prediction with the signal of telecommunication that receives according to the temperature prediction parameter of program input module input, and the temperature of prediction is shown by display module.
Fast prediction formula electronic clinical thermometer of the present utility model also comprises be used to the buzzer that sends indicating alarm, and buzzer is finished the buzzing that gives the alarm when appearance is wrong after the temperature survey prediction or in the temperature survey forecasting process.
Fast prediction formula electronic clinical thermometer of the present utility model, also comprise the LED light that is electrically connected with central processing unit, be used for the display system state, LED the different operating state of electronic clinical thermometer (such as: in the measurement, measure to finish or measure and make mistakes etc.) produce different display effects, with the prompting user.
Fast prediction formula electronic clinical thermometer of the present utility model, central processing unit adopt AD type single-chip microcomputer, preferably adopt the single-chip microcomputer of HY11P52.AD type single-chip microcomputer inside is from the erasable programming bin of having electronic (EEPROM), EEPROM storage temperature prediction curve and be used for realizing the temperature correction value of automatic calibration.Predicted temperature is proofreaied and correct the error that to remove resistance pairing generation from by temperature correction value.
Fast prediction formula electronic clinical thermometer of the present utility model, the temperature sensing module is used negative tempperature coefficient thermistor (NTC) bare chip.
Fast prediction formula electronic clinical thermometer of the present utility model is worked like this: by the program input module temperature prediction curve and corrected value are input in the central processing unit in advance; During the beginning thermometric, the temperature sensing module is surveyed measured object, and the resistance value of the NTC bare chip in the temperature sensing module changes under external temperature environment; The central processing unit collection is by the curtage signal of NTC bare chip, and obtain the variation tendency of this curtage, utilize the actual temperature of approximating method prediction measured object, also according to corrected value the temperature of prediction is proofreaied and correct simultaneously, the error that produces to eliminate matching resistor improves temperature measurement accuracy; Last central processing unit is shown to user with the temperature of prediction by display module.
This utility model adopts negative tempperature coefficient thermistor (NTC) bare chip to measure temperature, fast response time, adopt simultaneously high-precision AD type chip microcontroller high-speed temperature measurement, adopt simultaneously the prediction type thermometric, save the thermometric time, thereby provide a kind of measuring speed fast, the electronic clinical thermometer that certainty of measurement is high.
Description of drawings
Below by accompanying drawing this utility model is described.
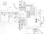
Fig. 1 is theory diagram of the present utility model.
Fig. 2 is the first circuit diagram of preferred embodiment of this utility model.
The specific embodiment
Below in conjunction with the drawings and specific embodiments this utility model is elaborated.
Fig. 1 is theory diagram of the present utility model.Fast prediction formula electronic clinical thermometer of the present utility model, comprise with temperature information be converted to the signal of telecommunication temperature sensing module 1, be used for the acquired signal of temperature sensing module processed and the central processing unit 2 of automatic calibration, show predicted temperature display module 4, be used for the program input module 3 of input temp Prediction Parameters, wherein temperature sensing module 1, display module 4, program input module 3 are electrically connected respectively central processing unit 2.
Fig. 2 is first preferred embodiment of this utility model, in the present embodiment, central processing unit adopts AD type single-chip microcomputer, the signal input part of AD type single-chip microcomputer is d. c. voltage signal, can reduce in the circuit capacity effect that produces because of production error or storage humidity, improve temperature measurement accuracy, preferred, AD type single-chip microcomputer is HY11P52 type single-chip microcomputer.AD type single-chip microcomputer can be realized the temperature survey of per second 60 times, has improved the accuracy of detection of variations in temperature, and analog-to-digital speed can reach 18bit simultaneously, realizes that the precision operations of temperature reaches 0.01 ℃.
In the present embodiment, the temperature sensing module is used the circuit structure that comprises negative tempperature coefficient thermistor (NTC) bare chip, RT1 is the bare chip of NTC among Fig. 2, because the encapsulation of having removed the outer field epoxy resin of NTC, thereby improved the response speed of NTC for temperature, and after having removed epoxy encapsulation, reduced because of the impact of epoxy resin for temperature sensing, improved the precision of temperature sensing.
The fast prediction formula electronic clinical thermometer of the present embodiment also comprises the program input module.The program input module is used for EEPROM input temp prediction curve and the corrected value to single-chip microcomputer.The temperature prediction curve is used for the prediction type thermometric,, according to the variation tendency of temperature, mates the temperature information of prediction behind temperature stabilization by gathering the information of several temperature with the temperature prediction curve.
The fast prediction formula electronic clinical thermometer of the present embodiment, AD type single-chip microcomputer also is electrically connected a buzzer, and buzzer is finished the buzzing that gives the alarm when a temperature survey is predicted afterwards or appearance is wrong in the temperature survey forecasting process at the fast prediction formula electronic clinical thermometer of the present embodiment.
The present embodiment also comprise fast LED light, be used to indicate the different operating state of electronic clinical thermometer.
In the present embodiment, AD type single-chip microcomputer also is electrically connected the display module interface, and the display module interface is used for being electrically connected external display, such as lcd screen etc., is used for the temperature information that shows that the present embodiment electronic clinical thermometer is predicted.
The fast prediction formula electronic clinical thermometer of the present embodiment is worked like this: the temperature sensing module is surveyed measured object, and the resistance value of the NTC bare chip in the temperature sensing module changes under external temperature environment; The collection of AD type single-chip microcomputer by the NTC bare chip the curtage signal and obtain the variation tendency of this curtage; AD type single-chip microcomputer compares variation tendency and the predefined temperature prediction curve of the curtage signal by the NTC bare chip, utilizes the actual temperature of approximating method prediction measured object; In the process of carrying out the match prediction, AD type single-chip microcomputer is also proofreaied and correct the temperature of prediction according to corrected value, and the error that produces to eliminate matching resistor improves temperature measurement accuracy; The temperature that AD type single-chip microcomputer will finally be predicted is shown to user by display module.
Below only be preferred embodiment of the present utility model, can not be in order to limit the present invention, all modifications of carrying out in the spirit and principles in the present invention, replacement etc. all are included within protection scope of the present invention.
Claims (4)
1. fast prediction formula electronic clinical thermometer comprises:
With temperature information be converted to the signal of telecommunication temperature sensing module (1),
Be used for according to the acquired signal of temperature sensing module carry out predicted temperature and automatic calibration central processing unit (2),
Show predicted temperature display module (4) and
The program input module (3) that is used for the input temp Prediction Parameters, described temperature sensing module (1), display module (4) and program input module (3) are electrically connected respectively described central processing unit (2), it is characterized in that, described temperature sensing module (1) is the circuit that comprises the negative tempperature coefficient thermistor bare chip.
2. fast prediction formula electronic clinical thermometer according to claim 1 is characterized in that, described fast prediction formula electronic clinical thermometer also comprises the buzzer described central processing unit of electrical connection, that be used for sending indicating alarm.
3. fast prediction formula electronic clinical thermometer according to claim 1 and 2, it is characterized in that, described central processing unit is AD type single-chip microcomputer, comprises for the storage temperature Prediction Parameters in the described AD type single-chip microcomputer and be used for to realize the erasable programming bin of having electronic of the temperature correction value of automatic calibration.
4. fast prediction formula electronic clinical thermometer according to claim 1 and 2 is characterized in that, described fast prediction formula electronic clinical thermometer also comprises the LED light that is electrically connected with described central processing unit, be used for the display system state.
Priority Applications (1)
| Application Number | Priority Date | Filing Date | Title |
|---|---|---|---|
| CN 201220047127 CN202681919U (en) | 2012-02-14 | 2012-02-14 | Fast-forecast type electronic clinical thermometer |
Applications Claiming Priority (1)
| Application Number | Priority Date | Filing Date | Title |
|---|---|---|---|
| CN 201220047127 CN202681919U (en) | 2012-02-14 | 2012-02-14 | Fast-forecast type electronic clinical thermometer |
Publications (1)
| Publication Number | Publication Date |
|---|---|
| CN202681919U true CN202681919U (en) | 2013-01-23 |
Family
ID=47537608
Family Applications (1)
| Application Number | Title | Priority Date | Filing Date |
|---|---|---|---|
| CN 201220047127 Expired - Lifetime CN202681919U (en) | 2012-02-14 | 2012-02-14 | Fast-forecast type electronic clinical thermometer |
Country Status (1)
| Country | Link |
|---|---|
| CN (1) | CN202681919U (en) |
Cited By (6)
| Publication number | Priority date | Publication date | Assignee | Title |
|---|---|---|---|---|
| CN103126652A (en) * | 2013-01-30 | 2013-06-05 | 莆田市超威电子科技有限公司 | Electronic thermometer capable of conducting measuring at ear lobe portion fast |
| CN104523245A (en) * | 2015-01-07 | 2015-04-22 | 何筱峰 | Passive RFID wireless body temperature detection patch and system |
| CN105867471A (en) * | 2016-04-28 | 2016-08-17 | 珠海格力电器股份有限公司 | Control method and device of temperature control type water heating equipment and temperature control type water heating equipment |
| CN108871615A (en) * | 2018-07-24 | 2018-11-23 | 杭州质子科技有限公司 | A kind of human body axillaty temperature anti-interference processing method based on long-time monitoring |
| CN113720489A (en) * | 2021-09-30 | 2021-11-30 | 湖南心诺智造医疗器械有限公司 | Electronic thermometer and temperature measuring method |
| CN114641676A (en) * | 2019-10-31 | 2022-06-17 | 泰合意株式会社 | Temperature sensor correction method |
-
2012
- 2012-02-14 CN CN 201220047127 patent/CN202681919U/en not_active Expired - Lifetime
Cited By (6)
| Publication number | Priority date | Publication date | Assignee | Title |
|---|---|---|---|---|
| CN103126652A (en) * | 2013-01-30 | 2013-06-05 | 莆田市超威电子科技有限公司 | Electronic thermometer capable of conducting measuring at ear lobe portion fast |
| CN104523245A (en) * | 2015-01-07 | 2015-04-22 | 何筱峰 | Passive RFID wireless body temperature detection patch and system |
| CN105867471A (en) * | 2016-04-28 | 2016-08-17 | 珠海格力电器股份有限公司 | Control method and device of temperature control type water heating equipment and temperature control type water heating equipment |
| CN108871615A (en) * | 2018-07-24 | 2018-11-23 | 杭州质子科技有限公司 | A kind of human body axillaty temperature anti-interference processing method based on long-time monitoring |
| CN114641676A (en) * | 2019-10-31 | 2022-06-17 | 泰合意株式会社 | Temperature sensor correction method |
| CN113720489A (en) * | 2021-09-30 | 2021-11-30 | 湖南心诺智造医疗器械有限公司 | Electronic thermometer and temperature measuring method |
Similar Documents
| Publication | Publication Date | Title |
|---|---|---|
| CN202681919U (en) | Fast-forecast type electronic clinical thermometer | |
| CN203216630U (en) | Automatic temperature detection system | |
| CN110231311A (en) | A kind of portable fiber-optic turbidity detection device | |
| CN106768036A (en) | Adjustable agricultural Temperature Humidity Sensor with infrared receiver | |
| CN104107032A (en) | Electronic thermometer and temperature calibration method thereof | |
| CN202060761U (en) | Double-sensor electronic thermometer | |
| CN202110000U (en) | An automatic detection device for temperature and humidity test equipment | |
| CN204730887U (en) | A kind of wireless infant incubator self-checking device | |
| CN103792021B (en) | Quartz crystal thermometer with GPS time service | |
| CN202748050U (en) | Temperature and humidity sensor | |
| CN207528353U (en) | Distance detection thermometers for accurate measurements | |
| CN201731957U (en) | Temperature correction system for temperature sensor final test | |
| CN201051023Y (en) | Probe for temperature and humidity measurement of big jujube drying room | |
| CN108225399A (en) | A kind of general modification method of sensing system | |
| CN205176246U (en) | Conductivity meter self -calibration system | |
| CN202255672U (en) | Temperature measuring system | |
| CN103234686B (en) | Pressure detection circuit and pressure gauge with digital display | |
| CN103126652A (en) | Electronic thermometer capable of conducting measuring at ear lobe portion fast | |
| CN205691245U (en) | A kind of Intellectual Thermal Transmitter of wireless calibration | |
| CN204422106U (en) | A kind of mensuration fermentation temperature sensor | |
| CN108613751A (en) | A kind of high-precision and high-stability temperature polling instrument and preparation method thereof, method for inspecting | |
| CN204649835U (en) | According to temperature, electric energy meter electric energy metering error is carried out to the calibrating installation of auto-compensation | |
| CN204269151U (en) | A kind of ice and snow sensor integrated morphology | |
| CN113310588A (en) | Remote temperature detection device based on mercury thermometer | |
| CN203349962U (en) | Multifunctional molten iron temperature measurement gun |
Legal Events
| Date | Code | Title | Description |
|---|---|---|---|
| C14 | Grant of patent or utility model | ||
| GR01 | Patent grant | ||
| CP03 | Change of name, title or address |
Address after: 518102 Guangdong, Baoan District, Fuyong, Xintian street, 71-4 Avenue, building D on the ground floor of the 7, eighth, 9, and the 10 floor of the eastern side of the road Patentee after: Shenzhen medical Polytron Technologies Inc Address before: 518067 Shenzhen City, Baoan District Province, Xixiang street, the labor community Po Yuen Industrial Zone, building 34, No. 5, No. Patentee before: Shenzhen Jumper Medical Equipment Co., Ltd. |
|
| CX01 | Expiry of patent term |
Granted publication date: 20130123 |
|
| CX01 | Expiry of patent term |