CN202676816U - Photoelectric coupling device, photoelectric isolation detection circuit and notification circuit - Google Patents

Photoelectric coupling device, photoelectric isolation detection circuit and notification circuit Download PDF

Info

Publication number
CN202676816U
CN202676816U CN 201220219107 CN201220219107U CN202676816U CN 202676816 U CN202676816 U CN 202676816U CN 201220219107 CN201220219107 CN 201220219107 CN 201220219107 U CN201220219107 U CN 201220219107U CN 202676816 U CN202676816 U CN 202676816U
Authority
CN
China
Prior art keywords
diode
photocoupler
resistor
current
photoelectrical coupler
Prior art date
Legal status (The legal status is an assumption and is not a legal conclusion. Google has not performed a legal analysis and makes no representation as to the accuracy of the status listed.)
Expired - Lifetime
Application number
CN 201220219107
Other languages
Chinese (zh)
Inventor
张作杰
何文培
娄杰明
张秋俊
Current Assignee (The listed assignees may be inaccurate. Google has not performed a legal analysis and makes no representation or warranty as to the accuracy of the list.)
Gree Zhongshan Small Home Appliances Co Ltd
Gree Electric Appliances Inc of Zhuhai
Original Assignee
Gree Zhongshan Small Home Appliances Co Ltd
Gree Electric Appliances Inc of Zhuhai
Priority date (The priority date is an assumption and is not a legal conclusion. Google has not performed a legal analysis and makes no representation as to the accuracy of the date listed.)
Filing date
Publication date
Application filed by Gree Zhongshan Small Home Appliances Co Ltd, Gree Electric Appliances Inc of Zhuhai filed Critical Gree Zhongshan Small Home Appliances Co Ltd
Priority to CN 201220219107 priority Critical patent/CN202676816U/en
Application granted granted Critical
Publication of CN202676816U publication Critical patent/CN202676816U/en
Anticipated expiration legal-status Critical
Expired - Lifetime legal-status Critical Current

Links

Images

Landscapes

  • Electronic Switches (AREA)

Abstract

The utility model relates to a photoelectric coupling device, including diode D1 ', diode D2, diode D3, diode D4, photoelectric coupler and current-limiting resistor R42', diode D2, diode D3, diode D4 is established ties in proper order with the syntropy, diode D1's negative pole is connected to diode D2's positive pole, photoelectric coupler's first input, diode D1's positive pole is connected to diode D4's negative pole, current-limiting resistor R42's first end, current-limiting resistor R42's second end is connected to photoelectric coupler's second input. The utility model discloses still relate to a photoelectric isolation detection circuitry, a photoelectric isolation detection circuitry and a notice circuit that is used for detecting the break-make electricity and carries out the notice that use the alternating current of alternating current load for detecting the alternating current load that uses the alternating current. The utility model discloses calorific capacity has been reduced, the security performance has been improved.

Description

Optical coupling device, photoelectricity isolation detection circuit and bulletin circuit
[technical field]
The utility model relates to optical coupling device, photoelectricity isolation detection circuit and bulletin circuit.
[background technology]
As shown in Figure 1, photoelectrical coupler (encapsulation of four pin) U4, its built-in light emitting diode and a phototriode, the first input end 1 of photoelectrical coupler, 2 contrapositions of the second input end are positive pole, the negative pole of light emitting diode, and the first output terminal 3 of photoelectrical coupler, 4 contrapositions of the second output terminal are collector, the emitter of phototriode.
Carry in this application the photoelectrical coupler of stating and be above-mentioned photoelectrical coupler.
See Fig. 2, the power on/off of the existing AC load by detecting use city's alternating current (220V/50Hz) in market is to carry out the bulletin circuit of bulletin to the user, comprise current-limiting resistance R42, diode D1, photoelectrical coupler U4, resistance R 43, electrochemical capacitor C27, single-chip microcomputer and bulletin module, the first end of current-limiting resistance R42 is connected negative pole and is connected with diode D1, photoelectrical coupler is attempted by the two ends of diode D1, the first input end of photoelectrical coupler is connected with the negative pole of diode D1, the second input end of photoelectrical coupler is connected with the positive pole of diode D1, first its working power of output termination of photoelectrical coupler, the second output terminal of photoelectrical coupler and resistance R 43, the positive pole of electrochemical capacitor C27 is connected successively, the positive pole of electrochemical capacitor C27, single-chip microcomputer and bulletin module are connected successively, the minus earth of electrochemical capacitor C27; This circuit with the positive pole of the second end of current-limiting resistance R42 and diode D1 as input end.
The principle of work of above-mentioned bulletin circuit is as follows: the two ends that the positive pole of the second end of current-limiting resistance R42 and diode D1 are connected to the load R0 that uses electric main; When AC power is in positive half period, electric current is from power supply L end minute two-way after K switch 1, one the tunnel flows back to power supply N through load R0 holds, power supply N end is flowed back to through current-limiting resistance R42, photoelectrical coupler U4 in another road, photoelectrical coupler U4 is in the conducting duty, then photoelectrical coupler U4 output electrical signals, electrochemical capacitor C27 is in charged state, and electrochemical capacitor C27 output high level is to single-chip microcomputer; When AC power was in negative half-cycle, electric current was from power supply N end minute two-way, and one the tunnel flows back to power supply L through load R0, K switch 1 holds, and power supply L end is flowed back to through diode D1, current-limiting resistance R42, K switch 1 in another road; Photoelectrical coupler U4 is in not on-state, electrochemical capacitor C27 is in discharge condition, and (by designing requirement, in a negative half-cycle, electrochemical capacitor C27 can not be discharged fully, need to continue to single-chip microcomputer output high level signal), electrochemical capacitor C27 output high level is to single-chip microcomputer; When AC power is in outage, photoelectrical coupler U4 is in not on-state, and electrochemical capacitor C27 is in discharge condition, and final electrochemical capacitor C27 can not export high level to single-chip microcomputer, Micro Controller Unit (MCU) driving bulletin module bulletin user, for example bulletin module is a warning circuit.
Wherein, as shown in Figure 3, above-mentioned bulletin circuit has comprised a general optical coupling device, comprise current-limiting resistance R42, diode D1, photoelectrical coupler U4, the first end of current-limiting resistance R42 is connected negative pole and is connected with diode D1, photoelectrical coupler U4 is attempted by the two ends of diode D1, the positive terminal of photoelectrical coupler is connected with the negative pole of diode D1, the negative pole end of photoelectrical coupler is connected with the positive pole of diode D1, and the second end of current-limiting resistance R42 and the positive pole of diode D1 are as the input end of optical coupling device.Wherein, the purpose of design of diode D1 is to prevent that photoelectrical coupler U4 is punctured by reverse voltage, diode D1 and photoelectrical coupler U4 built-in light emitting diode reverse, the purpose of design of current-limiting resistance R42 is to prevent that diode D1, photoelectrical coupler U4 pressurized from puncturing.
(above-mentioned photoelectricity isolation detection circuit for example when above-mentioned optical coupling device applies to alternating current, be connected in the interlock circuit and be, also connect with AC load), have following defective: the input terminal voltage of optical coupling device fluctuates with the fluctuation of alternating voltage, easily can't detect power supply signal if the selection of current-limiting resistance resistance is excessive, if the current-limiting resistance resistance is selected too small excessive photoelectrical coupler easily damage and the current-limiting resistance heating serious problems of causing of electric current that then exist.
[utility model content]
The technical problems to be solved in the utility model provides a kind of optical coupling device, has reduced thermal value, has improved security performance.
Above-mentioned technical matters solves by the following technical programs:
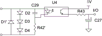
A kind of optical coupling device, it is characterized in that, comprise diode D1 ', diode D2, diode D3, diode D4, photoelectrical coupler and current-limiting resistance R42 ', diode D2, diode D3, diode D4 be successively series connection in the same way, the negative pole of the cathode connecting diode D1 ' of diode D2, the first input end of photoelectrical coupler, the negative pole of diode D4 connects the positive pole of diode D1 ', the first end of current-limiting resistance R42 ', and the second input end of photoelectrical coupler connects the second end of current-limiting resistance R42 '.
Also at the input end of photoelectrical coupler and meet a filter capacitor C29.
By such scheme as seen, the utlity model has two advantages: the one, utilize 3 general-purpose diodes to limit the input terminal voltage of photoelectrical coupler when the power supply positive-negative half-cycle, guarantee in the situation that voltage ripple of power network photoelectrical coupler voltage does not raise with line voltage, prevent that the optocoupler overvoltage from damaging; The 2nd, in the application scenario of load current less (electric current is less than diode D1 ' rated current), the most of voltage of load has been shared in the internal resistance that utilizes AC load itself to have, can save industry high-power current-limiting resistance of series connection before photoelectrical coupler commonly used, avoid the extra power consumption that produces of current-limiting resistance, anti-locking apparatus lost efficacy because resistance heating damages, and improved circuit reliability.
The utility model also provides a kind of photoelectricity isolation detection circuit of power on/off of the AC load for detection of using alternating current, it is characterized in that, comprise optical coupling device, resistance R 43 and electrochemical capacitor C27, optical coupling device comprises diode D1 ', diode D2, diode D3, diode D4, photoelectrical coupler and current-limiting resistance R42 ', diode D2, diode D3, diode D4 is successively series connection in the same way, the negative pole of the cathode connecting diode D1 ' of diode D2, the first input end of photoelectrical coupler, the negative pole of diode D4 connects the positive pole of diode D1 ', the first end of current-limiting resistance R42 ', the second input end of photoelectrical coupler U4 connects the second end of current-limiting resistance R42 '; The first output terminal of photoelectrical coupler connects working power, and the second output terminal of photoelectrical coupler is connected the minus earth of electrochemical capacitor C27 successively with the positive pole of resistance R 43, electrochemical capacitor C27.Also at the input end of photoelectrical coupler and meet a filter capacitor C29.Testing circuit relatively the utlity model has higher security performance.
The utility model also provides a kind of power on/off of the AC load for detection of using alternating current and the bulletin circuit that carries out bulletin, it is characterized in that, comprise optical coupling device, resistance R 43, electrochemical capacitor C27, single-chip microcomputer and bulletin module, optical coupling device comprises diode D1 ', diode D2, diode D3, diode D4, photoelectrical coupler and current-limiting resistance R42 ', diode D2, diode D3, diode D4 is successively series connection in the same way, the negative pole of the cathode connecting diode D1 ' of diode D2, the first input end of photoelectrical coupler, the negative pole of diode D4 connects the positive pole of diode D1 ', the first end of current-limiting resistance R42 ', the second input end of photoelectrical coupler U4 connects the second end of current-limiting resistance R42 '; The first output terminal of photoelectrical coupler connects working power, the second output terminal of photoelectrical coupler is connected successively with the positive pole of resistance R 43, electrochemical capacitor C27, the positive pole of electrochemical capacitor C27, single-chip microcomputer and bulletin module are connected successively, the minus earth of electrochemical capacitor C27.Also at the input end of photoelectrical coupler and meet a filter capacitor C29.Testing circuit relatively the utlity model has higher security performance.
The utility model also provides a kind of photoelectricity isolation detection circuit for detection of the alternating current zero crossing signal, it is characterized in that, comprise optical coupling device, resistance R 44, resistance R 45, resistance R 46 and triode Q1, optical coupling device comprises diode D1 ', diode D2, diode D3, diode D4, photoelectrical coupler and current-limiting resistance R42 ', diode D2, diode D3, diode D4 is successively series connection in the same way, the negative pole of the cathode connecting diode D1 ' of diode D2, the first input end of photoelectrical coupler U4, the negative pole of diode D4 connects the positive pole of diode D1 ', the first end of current-limiting resistance R42 ', the second input end of photoelectrical coupler U4 connects the second end of current-limiting resistance R42 '; The first output terminal of photoelectrical coupler U4 connects working power, the second output terminal of photoelectrical coupler U4 is connected with the first end of the first end of resistance R 44, resistance R 45, the second end ground connection of resistance R 44, the base stage of the second end connecting triode Q1 of resistance R 45, the collector of triode Q1 connects the working power of 5V, the grounded emitter of triode Q1 by resistance R 46.Also at the input end of photoelectrical coupler and meet a filter capacitor C29.Testing circuit relatively the utlity model has higher security performance.
[description of drawings]
Fig. 1 is the structural representation of photoelectrical coupler in the background technology;
Fig. 2 is the structural representation of bulletin circuit in the background technology;
Fig. 3 is the structural representation of optical coupling device in the background technology;
Fig. 4 is the structural representation of embodiment one optical coupling device;
Fig. 5 is the structural representation of embodiment two photoelectricity isolation detection circuits;
Fig. 6 is the application schematic diagram of embodiment two bulletin circuit;
Fig. 7 is the application schematic diagram of embodiment three bulletin circuit;
Fig. 8 is the structural representation of embodiment four photoelectricity isolation detection circuits.
[embodiment]
Embodiment one
As shown in Figure 4, the optical coupling device that the present embodiment provides comprises diode D1 ', diode D2, diode D3, diode D4, photoelectrical coupler U4 and current-limiting resistance R42 ', diode D2, diode D3, in the same way successively series connection of diode D4 (is the positive pole of the negative pole connection diode D3 of diode D2, the negative pole of diode D3 connects the positive pole of diode D4), the negative pole of the cathode connecting diode D1 ' of diode D2, the first input end of photoelectrical coupler U4, the negative pole of diode D4 connects the positive pole of diode D1 ', the first end of current-limiting resistance R42 ', the second input end of photoelectrical coupler U4 connects the second end of current-limiting resistance R42 '; The positive pole of diode D1 ', negative pole correspondence are as first input end, second input end of this device.
Wherein, also at the input end of photoelectrical coupler U4 and meet a filter capacitor C29.
This optical coupling device is applied in the alternating circuit (concrete connected mode: be connected in series with AC load) and has the following advantages: at 3 diode D2, D3, D4(IN4007) in the situation of forward conduction, each diode drop is about 0.7 volt, 3 diode D2, D3, totally 2 volts approximately of D4 pressure drops, these 3 diodes provide an AC supply voltage to photoelectrical coupler U4 with can be in positive half period at the power supply of AC load after photoelectrical coupler U4 input end is in parallel the time, can prevent that photoelectrical coupler U4 is because of the too high damage of pressure drop as photoelectrical coupler U4 voltage clamping circuit again; When the power supply of AC load was in negative half-cycle, electric current flowed back to power supply L end from the N end through load, diode D1 '; Only have an appointment 0.7 volt because of the D1 pressure drop again, less than the built-in light emitting diode breakdown reverse voltage of photoelectrical coupler U4, not conducting of photoelectrical coupler U4, thus guarantee photoelectrical coupler U4 trouble free service when the power-half cycle.
Embodiment two
As shown in Figure 5, the present embodiment provides a kind of optical coupling device based on embodiment one and for detection of the photoelectricity isolation detection circuit of the power on/off of the AC load of using alternating current, specifically comprise optical coupling device, resistance R 43 and electrochemical capacitor C27, optical coupling device comprises diode D1 ', diode D2, diode D3, diode D4, photoelectrical coupler U4 and current-limiting resistance R42 ', diode D2, diode D3, in the same way successively series connection of diode D4 (is the positive pole of the negative pole connection diode D3 of diode D2, the negative pole of diode D3 connects the positive pole of diode D4), the negative pole of the cathode connecting diode D1 ' of diode D2, the first input end of photoelectrical coupler U4, the negative pole of diode D4 connects the positive pole of diode D1 ', the first end of current-limiting resistance R42 ', the second input end of photoelectrical coupler U4 connects the second end of current-limiting resistance R42 '; The first output terminal of photoelectrical coupler U4 connects working power, and the second output terminal of photoelectrical coupler U4 is connected successively with the positive pole of resistance R 43, electrochemical capacitor C27; The positive pole of diode D1 ', negative pole correspondence are as first total input end, second total input end of this photoelectricity isolation detection circuit.
Wherein, also at the input end of photoelectrical coupler U4 and meet a filter capacitor C29.
When this photoelectricity isolation detection circuit detects the power on/off of the AC load of using alternating current, be to be connected in series with AC load; When AC power is in positive half period, electric current enters behind first total input end and divides two-way, one the tunnel flows back to second total input end through diode D2, D3, D4, second total input end is flowed back to through photoelectrical coupler U4, current-limiting resistance R42 ' in another road, photoelectrical coupler U4 is in the conducting duty, then photoelectrical coupler U4 output electrical signals, electrochemical capacitor C27 is in charged state, the positive pole output high level signal of electrochemical capacitor C27; When AC power is in negative half-cycle, electric current flows back to first total input end from second total input end through diode D1 ', photoelectrical coupler U4 is in not on-state, electrochemical capacitor C27 is in discharge condition (by designing requirement, in a negative half-cycle, electrochemical capacitor C27 can not be discharged fully), the positive pole of electrochemical capacitor C27 is still exported high level signal; When AC power was in outage, photoelectrical coupler U4 was in not on-state, and electrochemical capacitor C27 is in discharge condition, and the positive pole of final electrochemical capacitor C27 can not be exported high level signal.
This photoelectricity isolation detection circuit utilizes electrochemical capacitor C27 just so that still can keep low level output after high level output is distinguished outage in each the energising cycle that exchanges, thereby the power on/off that realizes alternating current detects.
In this circuit because the pressure limiting effect of 3 diode D2, D3, D4, so that photoelectrical coupler U4 is operated under the load rated safety voltage, and most alternating voltage transferred on the AC load (because after the deboost of three diode D2, D3, D4 is arranged, the resistance value of current-limiting resistance R42 ' does not require greatly, therefore, current-limiting resistance R42 ' thermal value is very little), improved the reliability of circuit.
Embodiment three
As shown in Figure 6, the present embodiment provides a kind of bulletin circuit of the photoelectricity isolation detection circuit based on embodiment two, it comprises photoelectricity isolation detection circuit, single-chip microcomputer and the bulletin module of embodiment two, the positive pole of electrochemical capacitor C27, single-chip microcomputer and bulletin module are connected successively, the minus earth of electrochemical capacitor C27; The positive pole of diode D1 ', negative pole correspondence are as first total input end, second total input end of this bulletin circuit.
This bulletin electric circuit inspection electric circuit inspection use alternating current AC load power on/off and when carrying out that the user carried out bulletin, be to be connected in series with AC load; Concrete principle of work is that in the normal power-up of alternating current, electrochemical capacitor C27 output high level signal is to single-chip microcomputer, after the alternating current outage, single-chip microcomputer can't detect the high level signal of electrochemical capacitor C27 output, just drives bulletin module bulletin user, and for example bulletin module is a warning circuit.
As shown in Figure 7, this bulletin circuit realizes that by the power on/off that detects AC load (it comprises that a water that is used for heating water tank makes water vapor volatilization humidification humidification heater to electric heater, be AC load R11) dry combustion method detect, specifically, AC load R11 and the photoelectricity isolation detection circuit with electric heater is connected in series; When the overheated dry combustion method of humidification heater R11, the temperature controller K2 of electric heater disconnects, and single-chip microcomputer detects low level signal and makes driving bulletin module, and prompting user need add water again.
Embodiment four
As shown in Figure 8, the present embodiment provides a kind of photoelectricity isolation detection circuit for detection of the alternating current zero crossing signal, specifically comprise optical coupling device, resistance R 44, resistance R 45, resistance R 46 and triode Q1, optical coupling device comprises diode D1 ', diode D2, diode D3, diode D4, photoelectrical coupler U4 and current-limiting resistance R42 ', diode D2, diode D3, in the same way successively series connection of diode D4 (is the positive pole of the negative pole connection diode D3 of diode D2, the negative pole of diode D3 connects the positive pole of diode D4), the negative pole of the cathode connecting diode D1 ' of diode D2, the first input end of photoelectrical coupler U4, the negative pole of diode D4 connects the positive pole of diode D1 ', the first end of current-limiting resistance R42 ', the second input end of photoelectrical coupler U4 connects the second end of current-limiting resistance R42 '; The first output terminal of photoelectrical coupler U4 connects working power, the second output terminal of photoelectrical coupler U4 is connected with the first end of the first end of resistance R 44, resistance R 45, the second end ground connection of resistance R 44, the base stage of the second end connecting triode Q1 of resistance R 45, the collector of triode Q1 connects the working power of 5V, the grounded emitter of triode Q1 by resistance R 46; The voltage signal of the collector of triode Q1 is as the output signal of this device; The positive pole of diode D1 ', negative pole correspondence are as first total input end, second total input end of this device.
Wherein, also at the input end of photoelectrical coupler U4 and meet a filter capacitor C29.
When this photoelectricity isolation detection circuit detects the alternating current zero crossing signal, be to be connected in series with AC load; When alternating current is in positive half cycle, photoelectrical coupler U4 conducting, the voltage signal of the collector of triode Q1 is low level; When alternating current is in negative half period, not conducting of photoelectrical coupler U4, the voltage signal of the collector of triode Q1 is high level; This photoelectricity isolation detection circuit is by exporting high-low level with expression alternating current zero crossing signal.
The utility model is not limited to above-described embodiment, based on simple replacement above-described embodiment, that do not make creative work, should belong to the scope that the utility model discloses.

Claims (8)

1.一种光电耦合装置,其特征在于,包括二极管D1′、二极管D2、二极管D3、二极管D4、光电耦合器和限流电阻R42′,二极管D2、二极管D3、二极管D4同向依次串联,二极管D2的正极连接二极管D1′的负极、光电耦合器的第一输入端,二极管D4的负极连接二极管D1′的正极、限流电阻R42′的第一端,光电耦合器的第二输入端连接限流电阻R42′的第二端。1. A photocoupler is characterized in that, comprises diode D1 ', diode D2, diode D3, diode D4, optocoupler and current-limiting resistor R42 ', diode D2, diode D3, diode D4 are connected in series successively in the same direction, and diode The positive pole of D2 is connected to the negative pole of diode D1' and the first input terminal of the photocoupler, the negative pole of diode D4 is connected to the positive pole of diode D1' and the first terminal of the current limiting resistor R42', and the second input terminal of the photocoupler is connected to the limiter The second end of the flow resistor R42'. 2.根据权利要求1所述的光电耦合装置,其特征在于,还在光电耦合器的输入端并接一滤波电容C29。2. The optocoupler device according to claim 1, characterized in that a filter capacitor C29 is also connected in parallel to the input end of the optocoupler. 3.一种用于检测使用交流电的交流负载的通断电的光电隔离检测电路,其特征在于,包括光电耦合装置、电阻R43和电解电容C27,光电耦合装置包括二极管D1′、二极管D2、二极管D3、二极管D4、光电耦合器和限流电阻R42′,二极管D2、二极管D3、二极管D4同向依次串联,二极管D2的正极连接二极管D1′的负极、光电耦合器的第一输入端,二极管D4的负极连接二极管D1′的正极、限流电阻R42′的第一端,光电耦合器的第二输入端连接限流电阻R42′的第二端;光电耦合器的第一输出端连接工作电源,光电耦合器的第二输出端与电阻R43、电解电容C27的正极依次串联,电解电容C27的负极接地。3. A photoelectric isolation detection circuit for detecting the on-off power of an AC load using alternating current, characterized in that it includes a photocoupler, a resistor R43 and an electrolytic capacitor C27, and the photocoupler includes a diode D1 ', a diode D2, a diode D3, diode D4, photocoupler and current-limiting resistor R42', diode D2, diode D3, and diode D4 are connected in series in the same direction, the anode of diode D2 is connected to the cathode of diode D1', the first input terminal of photocoupler, and diode D4 The negative pole of the diode D1' is connected to the positive pole of the diode D1', the first end of the current limiting resistor R42', the second input end of the photocoupler is connected to the second end of the current limiting resistor R42'; the first output end of the photocoupler is connected to the working power supply, The second output terminal of the photocoupler is connected in series with the positive electrode of the resistor R43 and the electrolytic capacitor C27 in sequence, and the negative electrode of the electrolytic capacitor C27 is grounded. 4.根据权利要求3所述的光电隔离检测电路,其特征在于,还在光电耦合器的输入端并接一滤波电容C29。4. The photoelectric isolation detection circuit according to claim 3, characterized in that a filter capacitor C29 is also connected in parallel to the input end of the photocoupler. 5.一种用于检测使用交流电的交流负载的通断电并进行告示的告示电路,其特征在于,包括光电耦合装置、电阻R43、电解电容C27、单片机和告示模块,光电耦合装置包括二极管D1′、二极管D2、二极管D3、二极管D4、光电耦合器和限流电阻R42′,二极管D2、二极管D3、二极管D4同向依次串联,二极管D2的正极连接二极管D1′的负极、光电耦合器的第一输入端,二极管D4的负极连接二极管D1′的正极、限流电阻R42′的第一端,光电耦合器的第二输入端连接限流电阻R42′的第二端;光电耦合器的第一输出端连接工作电源,光电耦合器的第二输出端与电阻R43、电解电容C27的正极依次串联,电解电容C27的正极、单片机和告示模块依次串联,电解电容C27的负极接地。5. A notice circuit for detecting the power-on and power-off of an AC load using alternating current and giving notice, it is characterized in that it includes a photoelectric coupling device, a resistor R43, an electrolytic capacitor C27, a single-chip microcomputer and a notice module, and the photoelectric coupling device includes a diode D1 ′, diode D2, diode D3, diode D4, photocoupler and current limiting resistor R42′, diode D2, diode D3 and diode D4 are connected in series in the same direction, and the anode of diode D2 is connected to the cathode of diode D1′, the first of photocoupler One input terminal, the cathode of the diode D4 is connected to the positive pole of the diode D1', the first terminal of the current limiting resistor R42', the second input terminal of the photocoupler is connected to the second terminal of the current limiting resistor R42'; the first terminal of the photocoupler The output end is connected to the working power supply, the second output end of the photocoupler is connected in series with the positive pole of the resistor R43 and the electrolytic capacitor C27 in sequence, the positive pole of the electrolytic capacitor C27, the single-chip microcomputer and the notice module are connected in series in sequence, and the negative pole of the electrolytic capacitor C27 is grounded. 6.根据权利要求5所述的告示电路,其特征在于,还在光电耦合器的输入端并接一滤波电容C29。6. The notice circuit according to claim 5, characterized in that a filter capacitor C29 is also connected in parallel to the input end of the photocoupler. 7.一种用于检测交流过零信号的光电隔离检测电路,其特征在于,包括光电耦合装置、电阻R44、电阻R45、电阻R46和三极管Q1,光电耦合装置包括二极管D1′、二极管D2、二极管D3、二极管D4、光电耦合器和限流电阻R42′,二极管D2、二极管D3、二极管D4同向依次串联,二极管D2的正极连接二极管D1′的负极、光电耦合器的第一输入端,二极管D4的负极连接二极管D1′的正极、限流电阻R42′的第一端,光电耦合器的第二输入端连接限流电阻R42′的第二端;光电耦合器的第一输出端连接工作电源,光电耦合器的第二输出端与电阻R44的第一端、电阻R45的第一端连接,电阻R44的第二端接地,电阻R45的第二端连接三极管Q1的基极,三极管Q1的集电极通过电阻R46连接工作电源,三极管Q1的发射极接地。7. A photoelectric isolation detection circuit for detecting AC zero-crossing signals, characterized in that it includes a photocoupler, a resistor R44, a resistor R45, a resistor R46 and a triode Q1, and the photocoupler includes a diode D1 ', a diode D2, a diode D3, diode D4, photocoupler and current-limiting resistor R42', diode D2, diode D3, and diode D4 are connected in series in the same direction, the anode of diode D2 is connected to the cathode of diode D1', the first input terminal of photocoupler, and diode D4 The negative pole of the diode D1' is connected to the positive pole of the diode D1', the first end of the current limiting resistor R42', the second input end of the photocoupler is connected to the second end of the current limiting resistor R42'; the first output end of the photocoupler is connected to the working power supply, The second output end of the photocoupler is connected to the first end of the resistor R44 and the first end of the resistor R45, the second end of the resistor R44 is grounded, the second end of the resistor R45 is connected to the base of the transistor Q1, and the collector of the transistor Q1 The working power is connected through the resistor R46, and the emitter of the triode Q1 is grounded. 8.根据权利要求7所述的光电隔离检测电路,其特征在于,还在光电耦合器的输入端并接一滤波电容C29。8. The photoelectric isolation detection circuit according to claim 7, characterized in that a filter capacitor C29 is also connected in parallel to the input end of the photocoupler.
CN 201220219107 2012-05-15 2012-05-15 Photoelectric coupling device, photoelectric isolation detection circuit and notification circuit Expired - Lifetime CN202676816U (en)

Priority Applications (1)

Application Number Priority Date Filing Date Title
CN 201220219107 CN202676816U (en) 2012-05-15 2012-05-15 Photoelectric coupling device, photoelectric isolation detection circuit and notification circuit

Applications Claiming Priority (1)

Application Number Priority Date Filing Date Title
CN 201220219107 CN202676816U (en) 2012-05-15 2012-05-15 Photoelectric coupling device, photoelectric isolation detection circuit and notification circuit

Publications (1)

Publication Number Publication Date
CN202676816U true CN202676816U (en) 2013-01-16

Family

ID=47497713

Family Applications (1)

Application Number Title Priority Date Filing Date
CN 201220219107 Expired - Lifetime CN202676816U (en) 2012-05-15 2012-05-15 Photoelectric coupling device, photoelectric isolation detection circuit and notification circuit

Country Status (1)

Country Link
CN (1) CN202676816U (en)

Cited By (10)

* Cited by examiner, † Cited by third party
Publication number Priority date Publication date Assignee Title
CN103135039A (en) * 2013-02-06 2013-06-05 王翥 Power supply line fault monitoring device
CN105572523A (en) * 2014-10-09 2016-05-11 中兴通讯股份有限公司 AC detection circuit
CN106383312A (en) * 2016-12-01 2017-02-08 北京简佑科技有限公司 Motor state detection circuit and motor state display device
CN106569015A (en) * 2015-10-13 2017-04-19 泰科电子(上海)有限公司 AC load detection circuit
CN110456263A (en) * 2019-08-02 2019-11-15 恒大智慧充电科技有限公司 A relay adhesion detection circuit, device and detection method thereof
CN111795714A (en) * 2019-04-03 2020-10-20 深圳市正弦电气股份有限公司 ABZ differential encoder detection circuit without UVW magnetic pole signal
CN111796140A (en) * 2020-06-30 2020-10-20 上海宏力达信息技术股份有限公司 Detection circuit for simultaneously detecting zero crossing point and stopping power recovery
CN112986794A (en) * 2021-01-25 2021-06-18 中国电子科技集团公司第二十九研究所 Pulse matching load fault detection circuit and method
CN114924108A (en) * 2022-05-31 2022-08-19 中国电信股份有限公司 Current detection circuit, AC load equipment control system and detection system
CN114966473A (en) * 2021-02-25 2022-08-30 江苏弘历电气有限公司 A Novel AC On-Off Detection Circuit

Cited By (13)

* Cited by examiner, † Cited by third party
Publication number Priority date Publication date Assignee Title
CN103135039A (en) * 2013-02-06 2013-06-05 王翥 Power supply line fault monitoring device
CN105572523A (en) * 2014-10-09 2016-05-11 中兴通讯股份有限公司 AC detection circuit
CN106569015A (en) * 2015-10-13 2017-04-19 泰科电子(上海)有限公司 AC load detection circuit
CN106569015B (en) * 2015-10-13 2019-10-18 泰科电子(上海)有限公司 AC load detection circuit
CN106383312A (en) * 2016-12-01 2017-02-08 北京简佑科技有限公司 Motor state detection circuit and motor state display device
CN106383312B (en) * 2016-12-01 2023-06-27 北京简佑科技有限公司 Motor state detection circuit and motor state display device
CN111795714A (en) * 2019-04-03 2020-10-20 深圳市正弦电气股份有限公司 ABZ differential encoder detection circuit without UVW magnetic pole signal
CN110456263A (en) * 2019-08-02 2019-11-15 恒大智慧充电科技有限公司 A relay adhesion detection circuit, device and detection method thereof
CN111796140A (en) * 2020-06-30 2020-10-20 上海宏力达信息技术股份有限公司 Detection circuit for simultaneously detecting zero crossing point and stopping power recovery
CN111796140B (en) * 2020-06-30 2023-06-30 上海宏力达信息技术股份有限公司 Detection circuit for simultaneously detecting zero crossing point and stopping and restoring electricity
CN112986794A (en) * 2021-01-25 2021-06-18 中国电子科技集团公司第二十九研究所 Pulse matching load fault detection circuit and method
CN114966473A (en) * 2021-02-25 2022-08-30 江苏弘历电气有限公司 A Novel AC On-Off Detection Circuit
CN114924108A (en) * 2022-05-31 2022-08-19 中国电信股份有限公司 Current detection circuit, AC load equipment control system and detection system

Similar Documents

Publication Publication Date Title
CN202676816U (en) Photoelectric coupling device, photoelectric isolation detection circuit and notification circuit
CN204068347U (en) A kind of solar control circuit
CN203368132U (en) Power switching circuit and dual-power supply device
CN204631181U (en) The testing circuit of a kind of rechargeable battery positive and negative electrode reversal connection
CN202917976U (en) Protective device of solar energy LED power supply input polarity reversal connection
CN103166175B (en) LED drive power protection circuit against input over-voltage
CN202134942U (en) A wind-solar hybrid energy storage power supply control system
CN112467843A (en) Intelligent identification quick-charging power type heating control device for electric heating product
CN102869173A (en) Light-emitting diode (LED) drive power supply device
CN201386972Y (en) Automatic non-stop transfer to battery LED emergency lights
CN205812466U (en) LED drives control circuit
CN204206316U (en) A kind of restraining device of impulse current of starting shooting and television set
CN101394135B (en) Control system and controller power source for electric appliance
CN104935061A (en) Cell charging prompt circuit and lamp
CN208508505U (en) A kind of protection circuit that can restore automatically
CN201590934U (en) Ultraviolet lamp failure detection circuit and device
CN206149132U (en) Switching power supply shutdown rapid discharging circuit based on resistance -capacitance reduction voltage circuit
CN205265344U (en) Can realize two switching of power's calorimeter M -bus power supply unit
CN204462339U (en) A kind of electric quantity detecting circuit and solar water heater control panel
CN202276144U (en) Protective device of base station communication power supply and base station communication power supply
CN203167355U (en) LED driver preventing LED from flickering
CN201332464Y (en) Switch power supply circuit and television
CN207835111U (en) A kind of condensed discharge equipment of high voltage low current electric energy
CN206712153U (en) Self-powered intelligent and safe monitoring socket
CN206506741U (en) A kind of intelligent emergent ball bubble of outside mechanical switch control

Legal Events

Date Code Title Description
C14 Grant of patent or utility model
GR01 Patent grant
CX01 Expiry of patent term

Granted publication date: 20130116

CX01 Expiry of patent term