CN202664239U - 磁化保健电子温控保暖内衣 - Google Patents
磁化保健电子温控保暖内衣 Download PDFInfo
- Publication number
- CN202664239U CN202664239U CN 201220393235 CN201220393235U CN202664239U CN 202664239 U CN202664239 U CN 202664239U CN 201220393235 CN201220393235 CN 201220393235 CN 201220393235 U CN201220393235 U CN 201220393235U CN 202664239 U CN202664239 U CN 202664239U
- Authority
- CN
- China
- Prior art keywords
- underwear
- electronic temperature
- temperature
- controlled thermal
- heating wire
- Prior art date
- Legal status (The legal status is an assumption and is not a legal conclusion. Google has not performed a legal analysis and makes no representation as to the accuracy of the status listed.)
- Expired - Fee Related
Links
- ZPPUVHMHXRANPA-UHFFFAOYSA-N germanium titanium Chemical compound [Ti].[Ge] ZPPUVHMHXRANPA-UHFFFAOYSA-N 0.000 claims abstract description 7
- 238000010438 heat treatment Methods 0.000 claims description 16
- 238000007600 charging Methods 0.000 claims description 10
- 230000036541 health Effects 0.000 claims description 9
- 239000011229 interlayer Substances 0.000 claims description 5
- 238000002653 magnetic therapy Methods 0.000 abstract description 4
- 230000008901 benefit Effects 0.000 abstract description 2
- 238000005485 electric heating Methods 0.000 abstract 2
- 230000000694 effects Effects 0.000 description 8
- 239000000835 fiber Substances 0.000 description 6
- 238000010792 warming Methods 0.000 description 4
- WHXSMMKQMYFTQS-UHFFFAOYSA-N Lithium Chemical compound [Li] WHXSMMKQMYFTQS-UHFFFAOYSA-N 0.000 description 3
- 230000007613 environmental effect Effects 0.000 description 3
- 239000004744 fabric Substances 0.000 description 3
- 229910052744 lithium Inorganic materials 0.000 description 3
- 244000025254 Cannabis sativa Species 0.000 description 2
- CURLTUGMZLYLDI-UHFFFAOYSA-N Carbon dioxide Chemical compound O=C=O CURLTUGMZLYLDI-UHFFFAOYSA-N 0.000 description 2
- 238000005516 engineering process Methods 0.000 description 2
- 230000006872 improvement Effects 0.000 description 2
- 238000009413 insulation Methods 0.000 description 2
- 238000004064 recycling Methods 0.000 description 2
- 230000001225 therapeutic effect Effects 0.000 description 2
- 210000002268 wool Anatomy 0.000 description 2
- 235000017166 Bambusa arundinacea Nutrition 0.000 description 1
- 235000017491 Bambusa tulda Nutrition 0.000 description 1
- 229920000742 Cotton Polymers 0.000 description 1
- 241000196324 Embryophyta Species 0.000 description 1
- 240000004859 Gamochaeta purpurea Species 0.000 description 1
- 241000233855 Orchidaceae Species 0.000 description 1
- 244000082204 Phyllostachys viridis Species 0.000 description 1
- 235000015334 Phyllostachys viridis Nutrition 0.000 description 1
- 239000011425 bamboo Substances 0.000 description 1
- 230000003796 beauty Effects 0.000 description 1
- 229910052799 carbon Inorganic materials 0.000 description 1
- 229910002092 carbon dioxide Inorganic materials 0.000 description 1
- 239000001569 carbon dioxide Substances 0.000 description 1
- 238000004140 cleaning Methods 0.000 description 1
- 239000003245 coal Substances 0.000 description 1
- 238000010586 diagram Methods 0.000 description 1
- 238000007599 discharging Methods 0.000 description 1
- 239000000428 dust Substances 0.000 description 1
- 230000005611 electricity Effects 0.000 description 1
- 238000004134 energy conservation Methods 0.000 description 1
- 238000005265 energy consumption Methods 0.000 description 1
- 239000010410 layer Substances 0.000 description 1
- 238000000034 method Methods 0.000 description 1
- 238000000554 physical therapy Methods 0.000 description 1
- 230000008569 process Effects 0.000 description 1
- 239000002699 waste material Substances 0.000 description 1
- 238000009941 weaving Methods 0.000 description 1
Images
Landscapes
- Magnetic Treatment Devices (AREA)
- Professional, Industrial, Or Sporting Protective Garments (AREA)
- Thermotherapy And Cooling Therapy Devices (AREA)
Abstract
磁化保健电子温控保暖内衣,包括内衣、电热丝和电池盒。电热丝缝制在内衣的夹层中,电热丝通过温度控制断路器和电池盒内的可充电电池相连接,温度控制断路器内设热敏传感器;在内衣的领口处设置2-4个饼状的钛锗磁块;其优点是:既可以加热、保温,还可以进行颈部磁疗;内设温度控制断路器,使用时更加节能;本实用新型适用于冬季时的老人、妇女、儿童、病人及经常在室外的各类人群。
Description
技术领域
本实用新型涉及一种服装,尤其涉及一种磁性保健与电子产品相综合的内衣。
背景技术
在冬季的时候,许多地区气温很低,在没有空调的环境下,老人、孩子和在室外的人们会感觉很寒冷,经常会有人冻感冒生病,普通的棉衣服只能保暖但不能提供热量,难以消除人们的寒冷。
专利号为01273351.2的中国专利公开了一种调温式电热内衣,它包括电源和包有电热丝的内外织物层,其特征在于:电热丝的一端与三极管的发射极连接,另一端与直流电源的负极连接,一可变电位器的一端连接在直流电源正极与三极管的集电极之间的电路上,另一端接在直流电源的负极与电热丝之间的电路上,三极管的基极与可变电位器的中间头连接。另外,很多的上班族由于长时间的坐在电脑面前,会导致颈椎的酸痛,于是市场上出现了一些具有磁疗的枕头,可以对颈椎起到一定的理疗作用。
随着生活水平的提高,产品的种类越来越丰富,功能越来越多,人们的需求不断的提高,上述产品各有各的作用,但功能相对单一,难以满足人们多样化、多功能的需求。
发明内容
本实用新型要解决的技术问题是提供一种多功能的内衣,这种内衣既能提供热量又能保暖,还能帮人们进行磁疗、保健。
为了解决上述技术问题,本实用新型提供了一种磁化保健电子温控保暖内衣,包括内衣、电热丝和电池盒,电热丝缝制在内衣的夹层中,电热丝通过温度控制断路器和电池盒内的可充电电池相连接,温度控制断路器内设热敏传感器;在内衣的领口处设置2-4个饼状的钛锗磁块。电热丝可以产生热量提高内衣周围的温度,带有热敏传感器的温度控制断路器可以将内衣周围的温度控制在一个比较温暖舒适的范围内,起到加热、保温的作用,这样不仅使内衣的电力能耗降到最低使内衣持续保暖,而且又减少充电的次数,饼状的钛锗磁块可以对于颈椎酸痛有很好的磁疗作用,减少酸痛病症,对无颈椎痛的人也会有一定的磁疗保健作用。
本实用新型的进一步改进,所述电池盒上设可以控制电路的开关、可以接充电插头的圆形充电孔和USB接口,这样既可以用充电器进行充电,也可以用电脑进行充电,电池盒内安装可充电锂电池或手机电池,这类电池容量大,可以反复充电,许多手机用坏以后电池还可以继续使用,而且此电池盒还可装大小适宜的各类手机电池,对手机电池进行回收利用既经济又环保。
本实用新型的进一步改进,上述钛锗磁块还可以用磁条或磁环替代,将磁条或磁环缝制在内衣的衣领夹层中,也可以对于颈椎起到磁疗保健作用。
本实用新型与现有技术相比,优点是:此内衣加工方便,衣服轻薄又简练,还可以在外面配上任何自己喜欢的外套,不影响人们服饰的搭配;具有多种功能,不仅可以加热、保温,还可以对颈部进行磁疗;其内设温度控制断路器,使用时更加节能,从而降低煤电的消耗,减少二氧化碳的的排放,可以起到低碳的效果;设置两种充电孔充电更加方便;这种内衣还能将废旧手机的可充电锂电池在寒冷的冬季得到再循环利用,既经济又环保;本实用新型适用于冬季的老人、妇女、儿童、病人及经常在到室外的各类人群。
附图说明
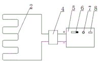
图1是本实用新型的结构示意图。
图2是本实用新型的电路连接图。
具体实施方式
如图1、图2所示,本实用新型包括内衣1、电热丝2和电池盒5,电热丝2缝制在内衣1前后面的夹层中,电热丝2通过温度控制断路器4与电池盒5内的可充电电池相连接,温度控制断路器4内设热敏传感器;在内衣的领口处设置2-4个饼状的钛锗磁块3;电池盒5上设可以控制电路的开关6、可以接充电插头的圆形充电孔7和USB接口8;内衣1的面料由导电纤维、羊毛、草本植物麻和兰科纤维类的不老草纤维、竹纤维混合编织而成。制作时,在内衣1的外面可以加一层可拆卸的外套,用于阻挡灰尘,方便清洗。
电热丝2通电后可以产生热量提高内衣周围的温度,带有热敏传感器的温度控制断路器4可以将内衣周围的温度控制在一个比较温暖舒适的范围内,当温度升高的时候自动切断电源,温度降低后又可以自动接通电源,起到加热、保温的作用,饼状的钛锗磁块3可以对人体的颈椎起到磁疗保健的作用;设置两种充电插孔7、8,这样既可以用普通圆头充电器进行充电,也可以用电脑进行充电,电池盒内安装3.4V—6.8V专配的可充电锂电池或手机电池,这类电池容量大,可以反复充电,手机电池的回收利用既经济又环保;由羊毛、草本纤维与导电纤维编织而成的面料,不但能起到增强韧性和保暖的作用,还可以防静电,而且不老草受热后所扩散出来的气味被人体表皮吸收后还可以起到美容、养体的作用。
Claims (3)
1.磁化保健电子温控保暖内衣,包括内衣(1)、电热丝(2)和电池盒(5),其特征在于:电热丝(2)缝制在内衣(1)的夹层中,电热丝(2)通过温度控制断路器(4)与电池盒(5)内的可充电电池相连接;温度控制断路器(4)内设热敏传感器。
2.根据权利要求1所述的磁化保健电子温控保暖内衣,其特征还在于:所述电池盒(5)上设可以控制电路的开关(6)、可以接充电插头的圆形充电孔(7)和USB接口(8)。
3.根据权利要求1所述的磁化保健电子温控保暖内衣,其特征还在于:所述钛锗磁块(3)还可以用磁条或磁环替代,将磁条或磁环缝制在内衣(1)的衣领夹层中。
Priority Applications (1)
| Application Number | Priority Date | Filing Date | Title |
|---|---|---|---|
| CN 201220393235 CN202664239U (zh) | 2012-08-09 | 2012-08-09 | 磁化保健电子温控保暖内衣 |
Applications Claiming Priority (1)
| Application Number | Priority Date | Filing Date | Title |
|---|---|---|---|
| CN 201220393235 CN202664239U (zh) | 2012-08-09 | 2012-08-09 | 磁化保健电子温控保暖内衣 |
Publications (1)
| Publication Number | Publication Date |
|---|---|
| CN202664239U true CN202664239U (zh) | 2013-01-16 |
Family
ID=47485189
Family Applications (1)
| Application Number | Title | Priority Date | Filing Date |
|---|---|---|---|
| CN 201220393235 Expired - Fee Related CN202664239U (zh) | 2012-08-09 | 2012-08-09 | 磁化保健电子温控保暖内衣 |
Country Status (1)
| Country | Link |
|---|---|
| CN (1) | CN202664239U (zh) |
Cited By (3)
| Publication number | Priority date | Publication date | Assignee | Title |
|---|---|---|---|---|
| CN103599592A (zh) * | 2013-11-29 | 2014-02-26 | 周丽球 | 一种磁疗衣服 |
| CN108523252A (zh) * | 2018-06-15 | 2018-09-14 | 天津市多乐康科技发展有限公司 | 一种衣领能够拆卸的内衣 |
| US12351977B2 (en) | 2019-03-15 | 2025-07-08 | Ember Technologies, Inc. | Actively heated or cooled garments or footwear |
-
2012
- 2012-08-09 CN CN 201220393235 patent/CN202664239U/zh not_active Expired - Fee Related
Cited By (3)
| Publication number | Priority date | Publication date | Assignee | Title |
|---|---|---|---|---|
| CN103599592A (zh) * | 2013-11-29 | 2014-02-26 | 周丽球 | 一种磁疗衣服 |
| CN108523252A (zh) * | 2018-06-15 | 2018-09-14 | 天津市多乐康科技发展有限公司 | 一种衣领能够拆卸的内衣 |
| US12351977B2 (en) | 2019-03-15 | 2025-07-08 | Ember Technologies, Inc. | Actively heated or cooled garments or footwear |
Similar Documents
| Publication | Publication Date | Title |
|---|---|---|
| CN202843108U (zh) | 护理枕 | |
| CN202664239U (zh) | 磁化保健电子温控保暖内衣 | |
| CN106942793B (zh) | 一种缓解痛经的暖宫内衣 | |
| CN210642488U (zh) | 一种石墨烯养护文胸 | |
| CN207269901U (zh) | 一种碳纤维加热护膝 | |
| CN206433804U (zh) | 一种新型电热服 | |
| CN201805956U (zh) | 一种低压电热保暖内衣 | |
| CN205409762U (zh) | 光伏电热服装 | |
| CN203121066U (zh) | 控温式电暖服 | |
| CN204540890U (zh) | 新型医疗保健型电暖护肘 | |
| CN203952541U (zh) | 可调控温度的发热保暖科技校服 | |
| CN203457817U (zh) | 一种发热肚兜 | |
| CN207803511U (zh) | 一种具有加热功能的衣服 | |
| CN207023305U (zh) | 一种老人电热服装 | |
| CN201806834U (zh) | 远红外暖手袋 | |
| CN202425613U (zh) | 具有温差发电装置的热能衣服 | |
| CN202801904U (zh) | 一种新型暖脚装置 | |
| CN104872832A (zh) | 一种通电恒温灭菌纱布缝制的美体塑身内衣 | |
| CN202154127U (zh) | 一种电热保暖鞋 | |
| CN204579947U (zh) | 一种智能电热服 | |
| CN103565578A (zh) | 一种新型暖脚装置 | |
| CN204862311U (zh) | 一种低压恒温的保暖灭菌被套 | |
| CN206964031U (zh) | 一种保暖穿戴物 | |
| CN205790136U (zh) | 一种服装融入式锂电池 | |
| CN203058318U (zh) | 发热衣服 |
Legal Events
| Date | Code | Title | Description |
|---|---|---|---|
| C14 | Grant of patent or utility model | ||
| GR01 | Patent grant | ||
| C17 | Cessation of patent right | ||
| CF01 | Termination of patent right due to non-payment of annual fee |
Granted publication date: 20130116 Termination date: 20130809 |