CN202662914U - Color-changing metering socket - Google Patents

Color-changing metering socket Download PDF

Info

Publication number
CN202662914U
CN202662914U CN 201220234361 CN201220234361U CN202662914U CN 202662914 U CN202662914 U CN 202662914U CN 201220234361 CN201220234361 CN 201220234361 CN 201220234361 U CN201220234361 U CN 201220234361U CN 202662914 U CN202662914 U CN 202662914U
Authority
CN
China
Prior art keywords
variable color
socket
led
electric energy
panel
Prior art date
Legal status (The legal status is an assumption and is not a legal conclusion. Google has not performed a legal analysis and makes no representation as to the accuracy of the status listed.)
Withdrawn - After Issue
Application number
CN 201220234361
Other languages
Chinese (zh)
Inventor
吕勇
倪时昌
Current Assignee (The listed assignees may be inaccurate. Google has not performed a legal analysis and makes no representation or warranty as to the accuracy of the list.)
ZHEJIANG REXENSE TECHNOLOGY CO LTD
Original Assignee
ZHEJIANG REXENSE TECHNOLOGY CO LTD
Priority date (The priority date is an assumption and is not a legal conclusion. Google has not performed a legal analysis and makes no representation as to the accuracy of the date listed.)
Filing date
Publication date
Application filed by ZHEJIANG REXENSE TECHNOLOGY CO LTD filed Critical ZHEJIANG REXENSE TECHNOLOGY CO LTD
Priority to CN 201220234361 priority Critical patent/CN202662914U/en
Application granted granted Critical
Publication of CN202662914U publication Critical patent/CN202662914U/en
Anticipated expiration legal-status Critical
Withdrawn - After Issue legal-status Critical Current

Links

Images

Landscapes

  • Circuit Arrangement For Electric Light Sources In General (AREA)

Abstract

The utility model discloses a color-changing metering socket. The color-changing metering socket comprises a standard socket interface used for being connected with an external electric appliance, a central processing unit used for reading a real-time electric energy consumption value of the electric appliance from an electric energy metering system and controlling color displayed by an light emitting diode (LED) color-changing panel according to the real-time electric energy consumption value, the LED color-changing panel which is controlled by the central processing unit and can display different colors, the electric energy metering system used for metering the electric energy consumption value of the electric appliance connected to the standard socket interface, and a system power supply module used for supplying power for the central processing unit, the electric energy metering system and the LED color-changing panel. When the electric appliance operates, a panel of the color-changing metering socket can meter electric energy consumed by the electric appliance and instantaneous power (electricity load) under the condition that the color-changing metering socket is provided with power. The socket panel can change colors gradually according to the instantaneous power of the electric appliance, and therefore a user can know working state and electric consumption of the electric appliance.

Description

The variable color Metering socket
Technical field
The utility model relates to socket.
Background technology
The whole world is faced with energy crisis, and energy-conserving and emission-cutting technology becomes the important research direction of advocating various countries.In fact, user's bad consumption habit and the wrong method for electrically of using are the major reasons that causes the occasion energy wastes such as family and office.If give suitable guidance and correction to user's consumption habit with method for electrically, just can in the situation that the comfortableness that does not affect the user, convenience are experienced, save a large amount of energy, the actual effect that produces is not second to building a new pipe of reinforced concrete at Three Gorges Power Station.
Yet, because each electrical appliance itself can not measure and adopts suitable mode to notify the user himself real-time power consumption situation, therefore the user can't be known the electricity consumption situation of each electrical appliance in real time, thereby also can't be targetedly to bad consumption habit and wrong correcting with method for electrically.
Electrical appliance in family, working environment is of a great variety, is most convenient, the most reliable method by the electricity consumption situation of measuring each electrical appliance for the socket of these electric power supplies.The user is by these intelligent sockets, not only can know the electricity consumption situation that each electrical appliance is real-time, and can carry out statistic of classification to the data of electricity consumption, thereby can be easy to sum up bad consumption habit and wrong problem place with method for electrically, and by the timing on the socket, control function, revise targetedly consumption habit and formulate electricity consumption planning, thereby reach the purpose of energy-saving and emission-reduction.
Summary of the invention
Technical problem to be solved in the utility model provides and a kind ofly can identify power load, gives the user variable color Metering socket with caution, for this reason, the utility model by the following technical solutions:
Described variable color Metering socket comprises:
The standard socket interface is used for being connected with outside electrical appliance;
Central processing unit is used for reading the real-time power consumption value of electrical equipment from electric energy metered system, and controls the shown color of LED variable color panel according to the size of real-time power consumption value;
LED variable color panel, described LED variable color panel is controlled by central processing unit, can show different colors;
Electric energy metered system is used for the power consumption value that metering is connected to the electrical appliance on the standard socket interface;
The system power supply module is used to central processing unit, electric energy metered system and the power supply of LED variable color panel.
By above technical scheme, whether the panel of variable color Metering socket can be according to there being electricity to demonstrate different colors on the variable color Metering socket, and in the situation that electricity is arranged, when electrical appliance is inserted in when working on the variable color Metering socket, the variable color Metering socket can measure electric energy and the instantaneous power (namely using electric loading) that this electrical appliance consumes.Socket panel can change color gradually according to the size of electrical appliance instantaneous power, thereby makes the user very clear, knows the operating state of electrical appliance and the situation that consumes electric energy.
Description of drawings
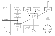
Fig. 1 is internal logic structure schematic diagram of the present utility model;
Fig. 2 is variable color panel structure chart one of the present utility model;
Fig. 3 is variable color panel structure chart two of the present utility model;
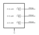
Fig. 4 is the structural representation one of LED luminous plaque of the present utility model;
Fig. 5 is the structural representation two of LED luminous plaque of the present utility model.
Embodiment
With reference to accompanying drawing.Major function of the present utility model is that the electricity consumption situation of the electrical equipment that is attached thereto is measured, and notifies intuitively the energy consumption of the current electrical appliance of user by the color that changes panel.The user can be known the real-time electricity consumption situation of each electrical appliance according to the color of each variable color Metering socket panel, adjusts the operating state of each electrical appliance, thereby reaches energy-conservation purpose.Adjust the operating state of each electrical appliance for the ease of the user, some other functional module that the utility model is also integrated.The below describes in detail:
The utility model is a kind of variable color Metering socket 1, comprising:
Standard socket interface 10 is used for being connected with outside electrical appliance;
Central processing unit 30 is used for reading the real-time power consumption value 41 of electrical equipment from electric energy metered system 40, and controls the shown color of LED variable color panel 90 according to the size of real-time power consumption value 41;
LED variable color panel 90, described LED variable color panel 90 are subjected to central processing unit 30 controls, can show different colors;
Electric energy metered system 40 is used for the power consumption value that metering is connected to the electrical appliance on the standard socket interface 10;
System power supply module 20 is used to central processing unit 30, electric energy metered system 40 and 90 power supplies of LED variable color panel.
In the utility model, the power supply object of system power supply module also comprises wireless communication module 50, electric energy on-off controller 60, touch control system 80.
With reference to accompanying drawing 1.Standard socket interface 10 is the interfaces for the power supply of electrical appliance, and the attaching plug of electrical appliance can obtain the electric main supply from this interface.Standard socket interface 10 can be supported the socket type of various criterion, includes but not limited to GB, Europe superscript, American Standard, English mark.
The core of this variable color Metering socket 1 is central processing unit 30, is the intelligent chip that possesses logical operation capability and data-handling capacity, is arithmetic core and the control core of this variable color Metering socket 1.
Electric energy metered system 40 comprises electric energy sensing element and electric energy computation chip.Electric energy metered system 40 can measure the power consumption value 41 of the electrical appliance that is connected on the standard socket interface 10.Central processing unit 30 is known the power consumption value 41 of electrical appliance by electric energy metered system 40, thereby changes the color of LED variable color panel 90 according to the size of power consumption value 41.
System power supply module 20 can change the electric main input into DC power supply, is central processing unit 30, electric energy metered system 40, wireless communication module 50, electric energy on-off controller 60, touch control system 80, and 90 power supplies of LED variable color panel.Simultaneously, in the present embodiment, system power supply module 20 also provides standard direct current 5V power supply for standard USB charging inlet 70, is used for directly USB device being charged.
Described socket also comprises wireless communication module 50, and described central processing unit 30 can be by the operating state of the described variable color Metering socket of described wireless communication module 50 outputs; Described central processing unit 30 can also receive the operating state that control command changes the variable color Metering socket from wireless communication module 50.
Wireless communication module 50 is variable color Metering socket 1 and extraneous important channel of realizing information exchange, for variable color Metering socket 1 and other wireless devices have been set up reliable and stable wireless communication 51.Central processing unit 30 can be notified by wireless communication module 50 operating state of the current variable color Metering socket 1 of other equipment, and these states include but not limited to: the state of electric energy on-off controller 60 (connecting or disconnection); The real-time power consumption information 41 of electrical appliance is so that other equipment can be known the real-time power consumption of electrical appliance accurately; The Show Color of LED variable color panel 90.
On the other hand, central processing unit 30 also can be by the control command of wireless communication module 50 receptions from other wireless devices, thereby change the operating state of variable color Metering socket 1, these control commands include but not limited to: control electric energy on-off controller 60 is switched on or switched off; Read the power consumption information of electrical appliance; Change the Show Color of LED variable color panel 90; Variable color Metering socket 1 operational factor is set.
The user can read or change by radio communication function the operating state of variable color Metering socket 1, and content includes but not limited to: read the electric energy that electrical appliance consumes; Remove the historical record of electric energy metrical; Read, arrange the color of socket panel; The open and close of control variable color Metering socket 1 internal relay, thus control is to the power supply of electrical appliance.
During use, the user is after the power consumption value 41 of knowing the electrical appliance that variable color Metering socket 1 connects, just can be according to the economize on electricity strategy, control electric energy on-off controller 60 by wireless communication 51 to the 1 transmission order of variable color Metering socket and connect or disconnect, thus the power supply supply of electrical appliance that control variable color Metering socket 1 connects.
Described socket also comprises touch control system 80 and electric energy on-off controller 60, and described central processing unit 30 can from touch control system 80 identification users' touch order, come logical the closing of electric power of control criterion jack interface 10 by electric energy on-off controller 60.
Touch control system 80 comprises touch sensible film 81 and touches process chip, can identify user's finger touch order, and notify central processing unit 30 with touch order.Central processing unit 30 is carried out accordingly action according to order.
Whether electric energy on-off controller 60 is used for control provides power supply for standard socket interface 10.Central processing unit 30 can be exported control level and control the electric energy on-off controller and connect or disconnect.
Central processing unit 30 can be from touch control system 80 identification users' touch order, thereby to electric energy on-off controller 60 output control levels, control electric energy on-off controller 60 connects or disconnects, and realizes the power supply provider switch of standard socket interface 10 is controlled by control electric energy on-off controller 60.If electric energy on-off controller 60 is switched on, then standard socket interface 10 will be switched on civil power, thereby can be to the electrical appliance power supply that is attached thereto; If electric energy on-off controller 60 is disconnected, then will there be commercial power supply on the standard socket interface 10, the electrical appliance that is attached thereto so also is de-energized and quits work.
Specifically in the present embodiment, possess soft-touch control on this variable color Metering socket 1 panel, the user can control by soft-touch control the open and close state of variable color Metering socket 1 internal electric energy on-off controller 60, thereby control is to the Power supply of electrical appliance; The electric energy on-off controller 60(relay of Metering socket inside) also can control its open and close by radio communication function.
Described LED variable color panel 90 comprises stacked transparent panel 91 and LED luminous plaque 92, is provided with touch sensible film 81 between described transparent panel and the LED luminous plaque.
LED variable color panel 90 is subjected to central processing unit 30 control, can show different colors, and notifies the size of the power consumption value 41 of the electrical appliance that user's variable color Metering socket 1 connects by changing shown color.In the present embodiment, if the power consumption value 41 of electrical appliance is less, then LED variable color panel 90 is shown in green; If real-time power consumption value 41 is larger, then LED variable color panel 90 is shown as yellow; If real-time power consumption value 41 is very large, then LED variable color panel 90 is shown in red.Like this, the user can open-and-shut color from LED variable color panel 90 be known the real-time power consumption situation of the electrical appliance that variable color Metering socket 1 connects.
With reference to accompanying drawing 2,3.The outermost layer of LED variable color panel 90 is transparent material front panels 91, and the centre is the translucent touch sensible film 81 of one deck, and internal layer is LED luminous plaque 92.
Transparent material front panel 91 is outermost layers of variable color Metering socket 1, adopts comparatively hard, smooth light-transmitting materials to make, and for the protection of touch sensible film 81, also plays the effect of light diffusion simultaneously.The user need to be when touching to send order, finger contact be exactly transparent material front panel 91, rather than directly contact touch sensible film 81.Transparent material front panel 91 not only provides zingy outward appearance for variable color Metering socket 1; and provide very good touch feeling for the user; and protected touch sensible film 81; make touch sensible film 81 can not be subject to extraneous pollution; thereby guaranteed the sensitivity of touch sensible film 81, prolonged the life-span of product.
Touch sensible film 81 is translucent conductive material, is connected with the touch process chip by wire.Touch sensible film 81 sticks to the back of transparent material front panel 91 closely.When the user touches transparent material front panel 91, can change the distributed capacitance of touch sensible film 81, this variation process chip that will be touched detects, and notice central processing unit 30.Central processing unit 30 is carried out accordingly operation according to user's touch action, changes the operating state of variable color Metering socket 1.Touch sensible film 81 must use conductive material, when the user touches transparent material front panel 91 like this, just can change the distributed capacitance of touch sensible film 81, thus identification user's touch order.Because user's contact point and touch sensible film 81 are every transparent material front panel 91, so in order to ensure touch sensible film 81 good sensitivity is arranged, be necessary for the upper suitable capacitor of touch sensible film 81 couplings, adjust the distributed capacitance size of touch sensible film 81 by the appearance value size of adjusting capacitor, thereby adjust the distance of reaction of touch sensible film 81.In the utility model, for the appearance value size of the capacitor of touch sensible film 81 coupling can guarantee that the distance of reaction of touch sensible film 81 just in time is the thickness of transparent material front panel 91.On the other hand, touch sensible film 81 must be translucent material, like this, just can not block the light that LED luminous plaque 92 sends.
With reference to accompanying drawing 4,5.The light-emitting diode (being called for short LED) of three kinds of colors of RGB has been installed in LED luminous plaque 92 inside, and the control pin of three kinds of colors of RGB of LED is connected with three pulse-width modulations (being called for short PWM) signal of central processing unit 30 respectively.Central processing unit 30 is recently controlled respectively three kinds of color LED brightness separately of RGB by changing these three pwm signals duty separately.LED luminous plaque 92 is made by material transparent, that be beneficial to the light diffusion, is wrapped in the LED of three kinds of colors of RGB.When the LED of three kinds of colors of RGB is lit when luminous, the light that they send will be diffused into LED luminous plaque 92 whole panels uniformly, and not only just luminous in the position that LED installs.Like this, the light that the LED of three kinds of colors of RGB sends is in harmonious proportion together by LED luminous plaque 92, can become different colors.For example, if light simultaneously red LED and blue led, and do not light green LED, then light will be blended and become purple, and at this time LED luminous plaque 92 whole panels will send the light of purple.LED luminous plaque 92 sticks to the back of touch sensible film 81 closely.Because touch sensible film 81 is translucent materials, the light that therefore can send LED luminous plaque 92 is delivered on the transparent material front panel 91, makes whole LED variable color panel 90 present evenly subdued colour.
Described variable color Metering socket also comprises standard USB charging inlet 70.
Standard USB charging inlet 70 is 5V power supplys on the variable color Metering socket 1, has adopted the hardware interface form of standard USB.The most smart machine, mobile phone for example, PDA etc. can directly charge by this interface, and needn't re-use power supply adaptor.In the present embodiment, system power supply module 20 provides standard direct current 5V power supply for standard USB charging inlet 70, is used for directly USB device being charged.
When the utility model uses:
Central processing unit 30 periodically reads the power consumption value 41 of the electrical appliance that variable color Metering socket 1 connects from electric energy metered system 40.The cycle that central processing unit 30 reads can configure according to user's requirement, and general value is from hundreds of milliseconds to the several seconds.Central processing unit 30 reads after the power consumption value 41, just adjusts the color of LED luminous plaque 92 according to the size of power consumption value 41, thereby changes the color of transparent panel 91.Like this, the user can be known the real-time power consumption situation of the electrical appliance that variable color Metering socket 1 connects very intuitively from the color of LED variable color panel 90.
L when power consumption value 41 hour, the signal of the pwm signal output high duty ratio of central processing unit 30 control connection green LED makes green LED generation high-high brightness; The signal of the simultaneously pwm signal of control connection red LED and blue led output low duty ratio makes red LED and blue led only send atomic weak light.Like this, LED variable color panel 90 is just shown in green, notifies the user, and the power consumption of electrical appliance is lower at present.
L is along with power consumption value 41 progressively increases, and central processing unit 30 progressively reduces to connect the output high duty ratio of the pwm signal of green LED, and the brightness that green LED is produced progressively reduces; Increase simultaneously the output duty cycle of the pwm signal that connects red LED and blue led, the brightness that red LED and blue led are produced progressively increases.Like this, along with power consumption value 41 progressively increases, the color relation that LED variable color panel 90 shows is progressively excessive to yellow by green.The user just can know that by the change color trend of LED variable color panel 90 power consumption of present electrical appliance is progressively increasing.
When l progressively is increased to larger numerical value when power consumption value 41 (this numerical value can configure by wireless communication module 50 according to user's request), the signal of equal duty ratio makes green LED and blue led produce intermediate light in the pwm signal output of central processing unit 30 control connection green LED and blue led; The simultaneously pwm signal of control connection red LED output makes red LED only send the light of less brightness than the signal of low duty ratio.Like this, LED variable color panel 90 just is shown as yellow, notifies the user, and the power consumption of electrical appliance is larger at present.
L is along with power consumption value 41 continues to increase, and then central processing unit 30 progressively reduces to connect the output high duty ratio of green LED and the pwm signal of blueness, and the brightness that green LED and blue led are produced progressively reduces; Increase simultaneously the output duty cycle of the pwm signal that connects red LED, the brightness that red LED is produced progressively increases.Like this, along with power consumption value 41 continues to increase, the color relation that LED variable color panel 90 shows is progressively excessive to redness by yellow.
When l continues to be increased to very large numerical value when power consumption value 41 (this numerical value can configure by wireless communication module 50 according to user's request), the signal of the pwm signal output high duty ratio of central processing unit 30 control connection red LED makes red LED produce high-high brightness; The signal of the simultaneously pwm signal of control connection green LED and blue led output low duty ratio makes green LED and blue led only send atomic weak light.Like this, LED variable color panel 90 is just shown in red, notifies the user, and the power consumption of electrical appliance is very large at present.
L as a same reason, when power consumption value 41 progressively reduces, but central processing unit 30 will adopt the control method opposite with the similar process of above-mentioned color control method, make shown color progressively the reducing along with power consumption value 41 of LED variable color panel 90, progressively from redness excessively to yellow, then excessively to green.
LED variable color panel 90 is except changing the color according to power consumption value 41, can also be according to user's requirement, change into random color, the method for change color still changes the LED that connects three kinds of colors of RGB by controlling pwm signal brightness realizes.The user can require the color of LED variable color panel 90 not change according to the size of power consumption value 41, but shows the desirable color of user.For example, at friend's party or other special occasions, the user can regulate atmosphere by changing LED variable color panel 90 shown colors, for example allow LED variable color panel 90 be shown as purple, pink etc. cooperates the atmosphere in whole room, perhaps decorates tone.The user can pass through other Wireless Telecom Equipments, and the wireless communication module 50 in variable color Metering socket 1 sends the order of change color, changes in color order at this to have comprised the set color code of user.After wireless communication module 50 receives this order, will be the set color code notice central processing unit 30 of user.Central processing unit 30 calculates according to the set color code of user will show this color, the separately brightness of the required light that sends of the LED of three kinds of colors of RGB.Then, according to the LED of three kinds of colors of RGB of calculating needed brightness value separately, the suitable duty ratio of the pwm signal of three kinds of color LED of control connection RGB output makes the LED of three kinds of colors of RGB produce needed brightness respectively.Like this, on LED variable color panel 90, just presented the needed color of user.
The user also can by the radio communication function of Metering socket, like color, the brightness that socket panel is set according to oneself.In this case, the color of socket panel is no longer according to changing with electric loading.

Claims (5)

1. variable color Metering socket is characterized in that described variable color Metering socket comprises:
The standard socket interface is used for being connected with outside electrical appliance;
Central processing unit is used for reading the real-time power consumption value of electrical equipment from electric energy metered system, and controls the shown color of LED variable color panel according to the size of real-time power consumption value;
LED variable color panel, described LED variable color panel is controlled by central processing unit, can show different colors;
Electric energy metered system is used for the power consumption value that metering is connected to the electrical appliance on the standard socket interface;
The system power supply module is used to central processing unit, electric energy metered system and the power supply of LED variable color panel.
2. a kind of variable color Metering socket as claimed in claim 1 is characterized in that described socket also comprises wireless communication module, and described central processing unit can be exported by described wireless communication module the operating state of described variable color Metering socket; Described central processing unit can also receive the operating state that control command changes the variable color Metering socket from wireless communication module.
3. a kind of variable color Metering socket as claimed in claim 1, it is characterized in that described socket also comprises touch control system and electric energy on-off controller, described central processing unit can be identified from touch control system user's touch order, comes logical the closing of electric power of control criterion jack interface by the electric energy on-off controller.
4. a kind of variable color Metering socket as claimed in claim 1 is characterized in that described LED variable color panel comprises stacked transparent panel and LED luminous plaque, is provided with the touch sensible film between described transparent panel and the LED luminous plaque.
5. a kind of variable color Metering socket as claimed in claim 1 is characterized in that described variable color Metering socket also comprises standard USB charging inlet.
CN 201220234361 2012-05-23 2012-05-23 Color-changing metering socket Withdrawn - After Issue CN202662914U (en)

Priority Applications (1)

Application Number Priority Date Filing Date Title
CN 201220234361 CN202662914U (en) 2012-05-23 2012-05-23 Color-changing metering socket

Applications Claiming Priority (1)

Application Number Priority Date Filing Date Title
CN 201220234361 CN202662914U (en) 2012-05-23 2012-05-23 Color-changing metering socket

Publications (1)

Publication Number Publication Date
CN202662914U true CN202662914U (en) 2013-01-09

Family

ID=47457794

Family Applications (1)

Application Number Title Priority Date Filing Date
CN 201220234361 Withdrawn - After Issue CN202662914U (en) 2012-05-23 2012-05-23 Color-changing metering socket

Country Status (1)

Country Link
CN (1) CN202662914U (en)

Cited By (3)

* Cited by examiner, † Cited by third party
Publication number Priority date Publication date Assignee Title
CN102723643A (en) * 2012-05-23 2012-10-10 浙江瑞瀛网络科技有限公司 Color-changing metering socket
CN103616863A (en) * 2013-11-22 2014-03-05 青岛海尔软件有限公司 Risk forecast method for household air conditioner and household refrigerator
CN103631223A (en) * 2013-11-22 2014-03-12 青岛海尔软件有限公司 Risk estimating method for household air conditioner

Cited By (5)

* Cited by examiner, † Cited by third party
Publication number Priority date Publication date Assignee Title
CN102723643A (en) * 2012-05-23 2012-10-10 浙江瑞瀛网络科技有限公司 Color-changing metering socket
CN103616863A (en) * 2013-11-22 2014-03-05 青岛海尔软件有限公司 Risk forecast method for household air conditioner and household refrigerator
CN103631223A (en) * 2013-11-22 2014-03-12 青岛海尔软件有限公司 Risk estimating method for household air conditioner
CN103631223B (en) * 2013-11-22 2016-03-02 青岛海尔软件有限公司 Domestic air conditioning risk forecast method
CN103616863B (en) * 2013-11-22 2016-05-04 青岛海尔软件有限公司 The risk predictor method of domestic air conditioning and refrigerator

Similar Documents

Publication Publication Date Title
CN102856741B (en) Multi-channel remote control switch socket
CN202423743U (en) Smart power socket device and control system
CN204045865U (en) Multifunctional intellectual remote control socket
CN202259989U (en) Socket having function of metering power and electric energy
CN203536656U (en) USB interface intelligent socket possessing wireless control function
CN202737259U (en) Intelligent timing socket
CN109361266A (en) An intelligent house management system, control method, electronic device and storage medium
CN202662914U (en) Color-changing metering socket
CN206422581U (en) Battery multi-way intelligence charger
CN204886324U (en) A power management and power display system
CN207994685U (en) It is a kind of that there is the mobile power for automatically switching indicator light colors
CN202309671U (en) Single live wire capacitor touch control wall switch
CN102723643B (en) Color-changing metering socket
CN204241881U (en) A kind of Smart Home power consumption control system
CN103904715A (en) Wall-in intelligent USB charging socket
CN205210544U (en) Intelligence house power supply management system based on wi -Fi
CN205583301U (en) Intelligent socket
CN203574191U (en) Fixed type intelligent socket
CN206077071U (en) A kind of intelligent power distribution management system
CN202994982U (en) Keyboard plate test tool
CN207993148U (en) A kind of intelligent electric energy meter interactive device
CN203119867U (en) Wireless touch switch
CN104217498A (en) Prepayment electric energy meter capable of monitoring and controlling electricity consumption
CN208335446U (en) An intelligent power consumption detection device
CN211880683U (en) Wall switch based on Zigbee

Legal Events

Date Code Title Description
C14 Grant of patent or utility model
GR01 Patent grant
AV01 Patent right actively abandoned

Granted publication date: 20130109

Effective date of abandoning: 20150225

RGAV Abandon patent right to avoid regrant