CN202652653U - Constant current drive power supply for remote control dimming and color LED panel lights - Google Patents

Constant current drive power supply for remote control dimming and color LED panel lights Download PDF

Info

Publication number
CN202652653U
CN202652653U CN201220310621.6U CN201220310621U CN202652653U CN 202652653 U CN202652653 U CN 202652653U CN 201220310621 U CN201220310621 U CN 201220310621U CN 202652653 U CN202652653 U CN 202652653U
Authority
CN
China
Prior art keywords
pin
resistance
capacitor
circuit
transistor
Prior art date
Legal status (The legal status is an assumption and is not a legal conclusion. Google has not performed a legal analysis and makes no representation as to the accuracy of the status listed.)
Expired - Fee Related
Application number
CN201220310621.6U
Other languages
Chinese (zh)
Inventor
陈伟星
Current Assignee (The listed assignees may be inaccurate. Google has not performed a legal analysis and makes no representation or warranty as to the accuracy of the list.)
JIANGSU S-SHINE LIGHTING TECHNOLOGY Co Ltd
Original Assignee
JIANGSU S-SHINE LIGHTING TECHNOLOGY Co Ltd
Priority date (The priority date is an assumption and is not a legal conclusion. Google has not performed a legal analysis and makes no representation as to the accuracy of the date listed.)
Filing date
Publication date
Application filed by JIANGSU S-SHINE LIGHTING TECHNOLOGY Co Ltd filed Critical JIANGSU S-SHINE LIGHTING TECHNOLOGY Co Ltd
Priority to CN201220310621.6U priority Critical patent/CN202652653U/en
Application granted granted Critical
Publication of CN202652653U publication Critical patent/CN202652653U/en
Anticipated expiration legal-status Critical
Expired - Fee Related legal-status Critical Current

Links

Images

Classifications

    • YGENERAL TAGGING OF NEW TECHNOLOGICAL DEVELOPMENTS; GENERAL TAGGING OF CROSS-SECTIONAL TECHNOLOGIES SPANNING OVER SEVERAL SECTIONS OF THE IPC; TECHNICAL SUBJECTS COVERED BY FORMER USPC CROSS-REFERENCE ART COLLECTIONS [XRACs] AND DIGESTS
    • Y02TECHNOLOGIES OR APPLICATIONS FOR MITIGATION OR ADAPTATION AGAINST CLIMATE CHANGE
    • Y02BCLIMATE CHANGE MITIGATION TECHNOLOGIES RELATED TO BUILDINGS, e.g. HOUSING, HOUSE APPLIANCES OR RELATED END-USER APPLICATIONS
    • Y02B20/00Energy efficient lighting technologies, e.g. halogen lamps or gas discharge lamps
    • Y02B20/40Control techniques providing energy savings, e.g. smart controller or presence detection

Landscapes

  • Circuit Arrangement For Electric Light Sources In General (AREA)
  • Led Devices (AREA)

Abstract

A constant-current drive power supply for a remote-control dimming and color regulating LED panel lamp belongs to the illumination device technology field and comprises an EMC filtering circuit, a rectification circuit, a first power-supply drive circuit, a second power-supply drive circuit, a remote-control emission circuit, a receiving module and a programmed control circuit. The EMC filtering circuit is connected with the rectification circuit. The rectification circuit is connected with the first power-supply drive circuit and the second power-supply drive circuit to carry out DC power supply. The programmed control circuit is connected with the first power-supply drive circuit, the second power-supply drive circuit and the receiving module. The receiving module is matched with the remote-control emission circuit to carry out signal transmission. The advantages are that the constant-current drive power supply has double-channel constant-current output and independent loop control, switching and multi-stage dimming and color regulating operation of the LED panel lamp can be achieved by the remote-control circuit, and the drive power supply is convenient and practical.

Description

Remote control light modulating toning LED Panel light constant-current driving power supply
Technical field
The utility model belongs to the lighting device technical field, is specifically related to a kind of remote control light modulating toning LED Panel light constant-current driving power supply
Background technology
The LED Panel light is the indoor illumination light fitting of a top grade, and it adopts ultra-high brightness LED as light source, is widely used in the places that needs are energy-conservation and the high-color rendering index throws light on such as hotel, meeting room, factory's Administrative Area, dwelling house, school, hospital.The LED Panel light has been overturned the characteristics of luminescence of conventional light source, and is ultra-thin with it, the characteristic excellences such as face is luminous, energy-saving and environmental protection, health expose, and are the choosings of premier office and family's light fixture.But along with the raising of people to the quality of life requirement, they have also had requirements at the higher level to the illuminating effect of LED Panel light, hope can change the spatial vision effect according to the integral illumination needs, and to embody the lighting environment of hommization, this just need to carry out the light modulation toning to the LED Panel light and process.The design of the light modulation toning circuit of LED Panel light has very important impact to the performance performance of LED Panel light, the brightness of existing LED Panel light, colour temperature and switch are regulated and can not arbitrarily be set according to the illumination needs, often needing people to go to wall stirs and just can realize inductive switch, very inconvenience, more pay attention to the crowd of quality of life and grade for those, it is essential that the intelligence of hommization is regulated
Summary of the invention
The purpose of this utility model is to provide a kind of remote control light modulating toning LED Panel light constant-current driving power supply, can realize by remote control mode switch and the multistage light modulation toning of two-channel LED Panel light, and is convenient practical again.
The purpose of this utility model reaches like this, a kind of remote control light modulating toning LED Panel light constant-current driving power supply, comprise the EMC filter circuit, rectification circuit, the first power driving circuit, the second source drive circuit, remote controlled transmitting circuit, receiver module and sequence circuit, described EMC filter circuit connects rectification circuit, described rectification circuit connects the first power driving circuit and the second source drive circuit carries out direct current supply, described sequence circuit and the first power driving circuit, the second source drive circuit is connected with receiver module, and described receiver module and described remote controlled transmitting circuit are used and carry out the signal transmission.
In a specific embodiment of the present utility model, described EMC filter circuit comprises fuse FUSH, thermistor NTC, resistance R 1~R3, capacitor C 1, C2 and filter inductance T1, T2, the L end of the termination civil power of fuse FUSH, the end of the other end connecting resistance R1 of fuse FUSH and 1 pin of filter inductance T1, the end of another termination thermistor NTC of resistance R 1 and 2 pin of filter inductance T1, the N end of another termination civil power of thermistor NTC, the end of the 3 pin connecting resistance R2 of filter inductance T1, one end of capacitor C 1, one end of resistance R 3 and 2 pin of filter inductance T2,4 pin of another termination filter inductance T1 of resistance R 2, the other end of capacitor C 1,1 pin of the other end of resistance R 3 and filter inductance T2,3 pin of filter inductance T2 connect an end of capacitor C 2 and become the zero line output N-end of circuit, 4 pin of filter inductance T2 connect the other end of capacitor C 2, and become the live wire output L+ end of circuit.
In another specific embodiment of the present utility model, described rectification circuit comprises rectifier bridge BD1, capacitor C 3, C4, diode D1~D3 and resistance R 4,1 pin of rectifier bridge BD1 and 3 pin connect respectively L+ end and the N-end of EMC filter circuit, 2 pin of rectifier bridge BD1 connect the positive pole of capacitor C 3 and the negative pole of diode D3, and as the output OUT+ of direct-flow positive voltage end, the negative pole of capacitor C 3 connects the positive pole of diode D2 and the negative pole of diode D1, the end of the negative pole connecting resistance R4 of diode D2, the positive pole of another terminating diode D3 of resistance R 4 and the positive pole of capacitor C 4, the negative pole of capacitor C 4, the positive pole of diode D1 is connected 4 pin and is connected with rectifier bridge BD1, and becomes the output OUT-end of negative DC voltage.
In another specific embodiment of the present utility model, described the first power driving circuit comprises constant-current driven chip U1, capacitor C 5~C8, resistance R 5~R13, diode D4, inductance L 1, L2, transistor Q1 and filter inductance T3, the end of one termination capacitor C5 of resistance R 5 and an end of resistance R 6,1 pin of another termination constant-current driven chip U1 of the other end of capacitor C 5 and resistance R 6,2 pin of constant-current driven chip U1 connect an end of capacitor C 6 and an end of resistance R 9, the end of the other end connecting resistance R10 of resistance R 9, one end of resistance R 11, one end of resistance R 12 and the source electrode of transistor Q1, the end of the grid connecting resistance R8 of transistor Q1 and 4 pin of constant-current driven chip U1,8 pin of another termination constant-current driven chip U1 of resistance R 8 and an end of resistance R 7,5 pin of constant-current driven chip U1 connect 1 pin of the touch light modulation chip U4 in the sequence circuit, 6 pin of constant-current driven chip U1 are connected with the end that 7 pin are connected with capacitor C, the drain electrode of transistor Q1 connects an end of inductance L 2 and the positive pole of diode D4, one end of another termination inductance L 1 of inductance L 2, the negative pole of another termination capacitor C 8 of inductance L 1 and 2 pin of filter inductance T3, the end of the 3 pin connecting resistance R13 of filter inductance T3, and be connected to LED Panel light negative pole, the other end of the 4 pin connecting resistance R13 of filter inductance T3, and it is anodal to be connected to the LED Panel light, the other end of resistance R 5, the negative pole of diode D4,1 pin of the positive pole of capacitor C 8 and filter inductance T3 connects the OUT+ end of rectification circuit, the other end of capacitor C 6,3 pin of constant-current driven chip U1, the other end of capacitor C 7, the other end of resistance R 7, the other end of resistance R 10, the other end of the other end of resistance R 11 and resistance R 12 connects the OUT-end of rectification circuit jointly.
In another specific embodiment of the present utility model, described second source drive circuit and the first power driving circuit are identical circuit, and 5 pin of the constant-current driven chip U1 in the described second source drive circuit connect 2 pin of the touch light modulation chip U4 in the sequence circuit.
Also have in the specific embodiment of the present utility model, described remote controlled transmitting circuit comprises resistance R 23~R29, capacitor C 15~C18, light-emitting diode D10, transistor Q4~Q6, resonator X2, transmitting antenna ANT, switch S 1~S4 and wireless remote control coding chip U3, the end of one terminating resistor R24 of resistance R 23 and the base stage of transistor Q5, the end of the collector electrode connecting resistance R26 of transistor Q5, the end of the other end connecting resistance R25 of resistance R 26,2 pin of wireless remote control coding chip U3 and an end of capacitor C 17,1 pin of another termination wireless remote control coding chip U3 of resistance R 25, the end of the 4 pin connecting resistance R27 of wireless remote control coding chip U3, the base stage of another termination transistor Q6 of resistance R 27, the collector electrode of transistor Q6 connects the emitter of transistor Q4, one end of capacitor C 15,3 pin of one end resonator X2 of resistance R 28,2 pin of the end resonator X2 of the base stage connecting resistance R29 of transistor Q4, the negative pole of the other end sending and receiving optical diode D10 of resistance R 28,5 of wireless remote control coding chip U3,6,7,8 pin connect respectively switch S 4, S1, S2, the end of S3, switch S 4, S1, S2, the other end of the common connecting resistance R23 of the other end of S3, transmitting antenna ANT connects an end of capacitor C 16, the other end of resistance R 24, the emitter of transistor Q5, the positive pole of light-emitting diode D10, the other end of capacitor C 15, the other end of resistance R 29, one end of capacitor C 18,1 pin of resonator X2, the other end of capacitor C 18, the other end of the collector electrode of transistor Q4 and capacitor C 16 meets DC power supply+12V jointly, the other end of capacitor C 17,3 pin of wireless remote control coding chip U3 and the emitter common ground of transistor Q6.
More of the present utility model and in specific embodiment, described sequence circuit comprises resistance R 30~R37, capacitor C 19, C20, light-emitting diode D11~D14, transistor Q7~Q10, switch S 9~S12 and touch light modulation chip U4, touch the end of the 1 pin connecting resistance R34 of light modulation chip U4, the base stage of another termination transistor Q9 of resistance R 34, the end of the collector electrode connecting resistance R35 of transistor Q9 and the grid of transistor Q7, touch the end of the 2 pin connecting resistance R36 of light modulation chip U4, the base stage of another termination transistor Q10 of resistance R 36, the end of the collector electrode connecting resistance R37 of transistor Q10 and the grid of transistor Q8, touch 4 of light modulation chip U4,5,6,7 pin are connecting resistance R30 respectively, R31, R32, the end of R33, resistance R 30, R31, R32, the other end of R33 is sending and receiving optical diode D11 respectively, D12, D13, the negative pole of D14,9 pin that touch light modulation chip U4 are connected with 3 pin of receiver module, 15 pin that touch light modulation chip U4 connect an end of capacitor C 20,16 pin of light modulation chip U4 are touched in the other end contact of capacitor C 20, touch 17 of light modulation chip U4,18,19,20 pin connect respectively switch S 9, S10, S11, the end of S12, the drain electrode of the drain electrode of transistor Q7 and transistor Q8 meets DC power supply+12V jointly, the emitter of transistor Q9, the emitter of transistor Q10, one end of capacitor C 19, touch 8 pin and the light-emitting diode D11 of light modulation chip U4, D12, D13, the positive pole of D14 meets DC power supply+3.3V jointly, the source electrode of transistor Q7, the source electrode of transistor Q8, the other end of resistance R 35, the other end of resistance R 37, touch 3 pin of light modulation chip U4, the other end of capacitor C 19 and switch S 9, S10, S11, the other end common ground of S12.
The utility model has been owing to adopted said structure, twin-channel constant current output, and independent loop control can realize switch and multistage light modulation toning operation to the LED Panel light by remote control circuit, and is convenient practical again.
Description of drawings
Fig. 1 is theory diagram of the present utility model.
Fig. 2 is EMC filter circuit figure of the present utility model.
Fig. 3 is rectification circuit figure of the present utility model.
Fig. 4 is the first power driving circuit figure of the present utility model.
Fig. 5 is remote controlled transmitting circuit figure of the present utility model.
Fig. 6 is sequence circuit figure of the present utility model.
Embodiment
In order to make the public can fully understand technical spirit of the present utility model and beneficial effect; the applicant will describe in detail embodiment of the present utility model below by reference to the accompanying drawings; but the applicant is not restriction to technical scheme to the description of embodiment, anyly makes form and immaterial variation all should be considered as protection range of the present utility model according to the utility model design.
See also Fig. 1, a kind of remote control light modulating toning LED Panel light constant-current driving power supply comprises EMC filter circuit, rectification circuit, the first power driving circuit, second source drive circuit, remote controlled transmitting circuit, receiver module and sequence circuit.Described EMC filter circuit connects rectification circuit, described rectification circuit connects the first power driving circuit and the second source drive circuit carries out direct current supply, described sequence circuit is connected with receiver module with the first power driving circuit, second source drive circuit, described receiver module receives from the signal of described remote controlled transmitting circuit and sends described sequence circuit to, and described sequence circuit is mixed colours with the light modulation that realizes twin-channel LED Panel light according to signal controlling the first power driving circuit and the second source drive circuit of receiver module.
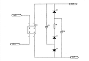
See also Fig. 2, described EMC filter circuit comprises fuse FUSH, thermistor NTC, resistance R 1~R3, capacitor C 1, C2 and filter inductance T1, T2.L end and N that two inputs of described EMC filter circuit access respectively civil power hold, civil power is carried out filtering after, the alternating current of stable output is delivered to rectification circuit.
See also Fig. 3, described rectification circuit comprises rectifier bridge BD1, capacitor C 3, C4, diode D1~D3 and resistance R 4, and in the utility model, described rectifier bridge BD1 adopts BD107S.Described rectification circuit will be transformed into direct current from the alternating current of EMC filter circuit, be used for described the first power driving circuit and second source drive circuit are carried out direct current supply.
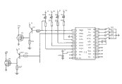
The utility model comprises the power driving circuit that two-way is identical, be respectively the first power driving circuit and second source drive circuit, described the first power driving circuit is connected with sequence circuit with the second source drive circuit, realizes the light modulation toning of twin-channel LED Panel light.See also Fig. 4, described the first power driving circuit comprises constant-current driven chip U1, capacitor C 5~C8, resistance R 5~R13, diode D4, inductance L 1, L2, transistor Q1 and filter inductance T3, in the utility model, described constant-current driven chip U1 adopts GR8210, and transistor Q1 is metal-oxide-semiconductor 5N60C.Because described second source drive circuit is identical with the first power driving circuit, so the diagram of omission repeats no more.5 pin of constant-current driven chip U1 in described the first power driving circuit connect 1 pin of the touch light modulation chip U4 in the sequence circuit, and 5 pin of the constant-current driven chip U1 in the described second source drive circuit connect 2 pin of the touch light modulation chip U4 in the sequence circuit.The signal that described the first power driving circuit and second source drive circuit send according to sequence circuit drives the LED Panel light of output separately respectively.
See also Fig. 5, Fig. 5 is remote controlled transmitting circuit figure of the present utility model, and itself and receiver module cooperatively interact and carry out the signal transmission.Described remote controlled transmitting circuit comprises resistance R 23~R29, capacitor C 15~C18, light-emitting diode D10, transistor Q4~Q6, resonator X2, transmitting antenna ANT, switch S 1~S4 and wireless remote control coding chip U3, in the utility model, described wireless remote control coding chip U3 adopts EV1527, and resonator X2 is R315.Receiver module adopts J04V-315M, and 3 pin of receiver module are connected with 9 pin that touch light modulation chip U4.Described remote controlled transmitting circuit cooperates the transmission that realizes four road signals by the operation to four switches with receiver module, and receiver module transmits signals to sequence circuit again and processes.
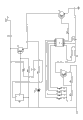
See also Fig. 6, described sequence circuit comprises resistance R 30~R37, capacitor C 19, C20, light-emitting diode D11~D14, transistor Q7~Q10, switch S 9~S12 and touches light modulation chip U4, in the utility model, transistor Q7, Q8 are metal-oxide-semiconductor SI2302, and described touch light modulation chip U4 adopts SSL-A042C.Light-emitting diode D11~D14 is the status indicator lamp that corresponds respectively to the switch S 1~S4 in the remote controlled transmitting circuit, and when pressing a certain switch and come into force, its corresponding indicator light is lighted, and then is at indicator light at ordinary times and extinguishes state.
Described touch light modulation chip U4 can realize the binary channels light modulation, and two passages are regulated respectively and are independent of each other, by PWM(1 pin, 2 pin separately) metal-oxide-semiconductor is controlled in end output or constant-current driven chip reaches dimming function.In the utility model, have non-pole light regulating and two kinds of patterns of four sections light modulations.17,18 pin of described touch light modulation chip U4 are that light-modulating mode arranges end, are specially: unsettled when 17 pin, 1 pin is exported the non-pole light regulating signal; When 17 pin ground connection, four sections dim signals of 1 pin output; Unsettled when 18 pin, 2 pin are exported the non-pole light regulating signal; When 18 pin ground connection, four sections dim signals of 2 pin output.In the situation of carrying out non-pole light regulating, press the switch S 1/S2 in the remote controlled transmitting circuit, corresponding LED Panel light is lighted, and brightness rises to 100% complete bright state gradually by 0%, presses switch S 1/S2 again, and corresponding LED Panel light extinguishes; Long by switch S 1/S2 at illuminating state, then corresponding LED Panel light begins the light modulation that circulates from current brightness; Extinguishing state length by switch S 1/S2, then corresponding LED Panel light begins the light modulation that circulates from minimum brightness; If the circulation light modulation is to the high brightness light modulation, transfer to maximum brightness and still do not decontrol switch, then regulate from the trend low-light level, transfer to the minimum switch of not decontroling yet, then again regulate to high brightness, when being adjusted to needed brightness, trip switch gets final product.Press trip switch in the process of circulation light modulation in length, then brightness stops at current state, recover long during by the circulation light modulation, the light modulation direction changes reverse light modulation into again, if arrange the purpose of reverse light modulation be for long by the process of light modulation in brightness transfer and can regulate when excessive.Four sections light modulations for extinguish-glimmer-low is bright-in bright-highlighted-extinguish ... according to this circulation.Switch S 3 is the adjusted in concert switch, long LED Panel light by 3, two passages of the switch S continuous light tuning that circulates simultaneously.Switch S 4 is the colour temperature by-pass cock, if a passage adopts white LED lamp, another passage adopts warm light LED lamp, and the 7 kinds of tones of then can arranging in pairs or groups are sectional-regulated mode.In addition, described touch light modulation chip U4 also can be connected directly to wall touch switch, and this is reserved function, can start this function according to client's needs.In this case, 11,12,13,14 pin of described touch light modulation chip U4 connect respectively and switch S 1, S2, S3, wall touch switch that S4 is suitable.
The LED Panel light constant-current driving power supply of present design, realize switch and the multistage light modulation toning of two-channel LED Panel light are operated by remote control circuit, convenient and practical, novel fashion, the decoration that can be applicable to general family is decorated or the remote control control of the LED Panel light of some high-grade Conference Rooms, simultaneously also can promote the use of other kinds LED light fixture, practicality is stronger

Claims (7)

1. A kind of remote control light modulating toning LED Panel light constant-current driving power supply, comprise the EMC filter circuit, rectification circuit, the first power driving circuit, the second source drive circuit, remote controlled transmitting circuit, receiver module and sequence circuit, described EMC filter circuit connects rectification circuit, described rectification circuit connects the first power driving circuit and the second source drive circuit carries out direct current supply, described sequence circuit and the first power driving circuit, the second source drive circuit is connected with receiver module, and described receiver module and described remote controlled transmitting circuit are used and carry out the signal transmission.
2. Remote control light modulating toning LED Panel light constant-current driving power supply according to claim 1, it is characterized in that described EMC filter circuit comprises fuse FUSH, thermistor NTC, resistance R 1~R3, capacitor C 1, C2 and filter inductance T1, T2, the L end of the termination civil power of fuse FUSH, the end of the other end connecting resistance R1 of fuse FUSH and 1 pin of filter inductance T1, the end of another termination thermistor NTC of resistance R 1 and 2 pin of filter inductance T1, the N end of another termination civil power of thermistor NTC, the end of the 3 pin connecting resistance R2 of filter inductance T1, one end of capacitor C 1, one end of resistance R 3 and 2 pin of filter inductance T2,4 pin of another termination filter inductance T1 of resistance R 2, the other end of capacitor C 1,1 pin of the other end of resistance R 3 and filter inductance T2,3 pin of filter inductance T2 connect an end of capacitor C 2 and become the zero line output N-end of circuit, 4 pin of filter inductance T2 connect the other end of capacitor C 2, and become the live wire output L+ end of circuit.
3. Remote control light modulating toning LED Panel light constant-current driving power supply according to claim 1, it is characterized in that described rectification circuit comprises rectifier bridge BD1, capacitor C 3, C4, diode D1~D3 and resistance R 4,1 pin of rectifier bridge BD1 and 3 pin connect respectively L+ end and the N-end of EMC filter circuit, 2 pin of rectifier bridge BD1 connect the positive pole of capacitor C 3 and the negative pole of diode D3, and as the output OUT+ of direct-flow positive voltage end, the negative pole of capacitor C 3 connects the positive pole of diode D2 and the negative pole of diode D1, the end of the negative pole connecting resistance R4 of diode D2, the positive pole of another terminating diode D3 of resistance R 4 and the positive pole of capacitor C 4, the negative pole of capacitor C 4, the positive pole of diode D1 is connected 4 pin and is connected with rectifier bridge BD1, and becomes the output OUT-end of negative DC voltage.
4. Remote control light modulating toning LED Panel light constant-current driving power supply according to claim 1, it is characterized in that described the first power driving circuit comprises constant-current driven chip U1, capacitor C 5~C8, resistance R 5~R13, diode D4, inductance L 1, L2, transistor Q1 and filter inductance T3, the end of one termination capacitor C5 of resistance R 5 and an end of resistance R 6,1 pin of another termination constant-current driven chip U1 of the other end of capacitor C 5 and resistance R 6,2 pin of constant-current driven chip U1 connect an end of capacitor C 6 and an end of resistance R 9, the end of the other end connecting resistance R10 of resistance R 9, one end of resistance R 11, one end of resistance R 12 and the source electrode of transistor Q1, the end of the grid connecting resistance R8 of transistor Q1 and 4 pin of constant-current driven chip U1,8 pin of another termination constant-current driven chip U1 of resistance R 8 and an end of resistance R 7,5 pin of constant-current driven chip U1 connect 1 pin of the touch light modulation chip U4 in the sequence circuit, 6 pin of constant-current driven chip U1 are connected with the end that 7 pin are connected with capacitor C, the drain electrode of transistor Q1 connects an end of inductance L 2 and the positive pole of diode D4, one end of another termination inductance L 1 of inductance L 2, the negative pole of another termination capacitor C 8 of inductance L 1 and 2 pin of filter inductance T3, the end of the 3 pin connecting resistance R13 of filter inductance T3, and be connected to LED Panel light negative pole, the other end of the 4 pin connecting resistance R13 of filter inductance T3, and it is anodal to be connected to the LED Panel light, the other end of resistance R 5, the negative pole of diode D4,1 pin of the positive pole of capacitor C 8 and filter inductance T3 connects the OUT+ end of rectification circuit, the other end of capacitor C 6,3 pin of constant-current driven chip U1, the other end of capacitor C 7, the other end of resistance R 7, the other end of resistance R 10, the other end of the other end of resistance R 11 and resistance R 12 connects the OUT-end of rectification circuit jointly.
5. Remote control light modulating toning LED Panel light constant-current driving power supply according to claim 1, it is characterized in that described second source drive circuit and the first power driving circuit are identical circuit, 5 pin of the constant-current driven chip U1 in the described second source drive circuit connect 2 pin of the touch light modulation chip U4 in the sequence circuit.
6. Remote control light modulating toning LED Panel light constant-current driving power supply according to claim 1, it is characterized in that described remote controlled transmitting circuit comprises resistance R 23~R29, capacitor C 15~C18, light-emitting diode D10, transistor Q4~Q6, resonator X2, transmitting antenna ANT, switch S 1~S4 and wireless remote control coding chip U3, the end of one terminating resistor R24 of resistance R 23 and the base stage of transistor Q5, the end of the collector electrode connecting resistance R26 of transistor Q5, the end of the other end connecting resistance R25 of resistance R 26,2 pin of wireless remote control coding chip U3 and an end of capacitor C 17,1 pin of another termination wireless remote control coding chip U3 of resistance R 25, the end of the 4 pin connecting resistance R27 of wireless remote control coding chip U3, the base stage of another termination transistor Q6 of resistance R 27, the collector electrode of transistor Q6 connects the emitter of transistor Q4, one end of capacitor C 15,3 pin of one end resonator X2 of resistance R 28,2 pin of the end resonator X2 of the base stage connecting resistance R29 of transistor Q4, the negative pole of the other end sending and receiving optical diode D10 of resistance R 28,5 of wireless remote control coding chip U3,6,7,8 pin connect respectively switch S 4, S1, S2, the end of S3, switch S 4, S1, S2, the other end of the common connecting resistance R23 of the other end of S3, transmitting antenna ANT connects an end of capacitor C 16, the other end of resistance R 24, the emitter of transistor Q5, the positive pole of light-emitting diode D10, the other end of capacitor C 15, the other end of resistance R 29, one end of capacitor C 18,1 pin of resonator X2, the other end of capacitor C 18, the other end of the collector electrode of transistor Q4 and capacitor C 16 meets DC power supply+12V jointly, the other end of capacitor C 17,3 pin of wireless remote control coding chip U3 and the emitter common ground of transistor Q6.
7. Remote control light modulating toning LED Panel light constant-current driving power supply according to claim 1, it is characterized in that described sequence circuit comprises resistance R 30~R37, capacitor C 19, C20, light-emitting diode D11~D14, transistor Q7~Q10, switch S 9~S12 and touch light modulation chip U4, touch the end of the 1 pin connecting resistance R34 of light modulation chip U4, the base stage of another termination transistor Q9 of resistance R 34, the end of the collector electrode connecting resistance R35 of transistor Q9 and the grid of transistor Q7, touch the end of the 2 pin connecting resistance R36 of light modulation chip U4, the base stage of another termination transistor Q10 of resistance R 36, the end of the collector electrode connecting resistance R37 of transistor Q10 and the grid of transistor Q8, touch 4 of light modulation chip U4,5,6,7 pin are connecting resistance R30 respectively, R31, R32, the end of R33, resistance R 30, R31, R32, the other end of R33 is sending and receiving optical diode D11 respectively, D12, D13, the negative pole of D14,9 pin that touch light modulation chip U4 are connected with 3 pin of receiver module, 15 pin that touch light modulation chip U4 connect an end of capacitor C 20,16 pin of light modulation chip U4 are touched in the other end contact of capacitor C 20, touch 17 of light modulation chip U4,18,19,20 pin connect respectively switch S 9, S10, S11, the end of S12, the drain electrode of the drain electrode of transistor Q7 and transistor Q8 meets DC power supply+12V jointly, the emitter of transistor Q9, the emitter of transistor Q10, one end of capacitor C 19, touch 8 pin and the light-emitting diode D11 of light modulation chip U4, D12, D13, the positive pole of D14 meets DC power supply+3.3V jointly, the source electrode of transistor Q7, the source electrode of transistor Q8, the other end of resistance R 35, the other end of resistance R 37, touch 3 pin of light modulation chip U4, the other end of capacitor C 19 and switch S 9, S10, S11, the other end common ground of S12
CN201220310621.6U 2012-06-29 2012-06-29 Constant current drive power supply for remote control dimming and color LED panel lights Expired - Fee Related CN202652653U (en)

Priority Applications (1)

Application Number Priority Date Filing Date Title
CN201220310621.6U CN202652653U (en) 2012-06-29 2012-06-29 Constant current drive power supply for remote control dimming and color LED panel lights

Applications Claiming Priority (1)

Application Number Priority Date Filing Date Title
CN201220310621.6U CN202652653U (en) 2012-06-29 2012-06-29 Constant current drive power supply for remote control dimming and color LED panel lights

Publications (1)

Publication Number Publication Date
CN202652653U true CN202652653U (en) 2013-01-02

Family

ID=47421669

Family Applications (1)

Application Number Title Priority Date Filing Date
CN201220310621.6U Expired - Fee Related CN202652653U (en) 2012-06-29 2012-06-29 Constant current drive power supply for remote control dimming and color LED panel lights

Country Status (1)

Country Link
CN (1) CN202652653U (en)

Cited By (2)

* Cited by examiner, † Cited by third party
Publication number Priority date Publication date Assignee Title
CN102752931A (en) * 2012-06-29 2012-10-24 江苏三显照明科技有限公司 Constant-current driving power supply for remote-control light-adjusting and color-adjusting LED (Light-Emitting Diode) panel lamp
CN110167234A (en) * 2019-06-10 2019-08-23 宁波颐道照明有限公司 A kind of light modulation toning LED lamp circuit

Cited By (2)

* Cited by examiner, † Cited by third party
Publication number Priority date Publication date Assignee Title
CN102752931A (en) * 2012-06-29 2012-10-24 江苏三显照明科技有限公司 Constant-current driving power supply for remote-control light-adjusting and color-adjusting LED (Light-Emitting Diode) panel lamp
CN110167234A (en) * 2019-06-10 2019-08-23 宁波颐道照明有限公司 A kind of light modulation toning LED lamp circuit

Similar Documents

Publication Publication Date Title
CN205232499U (en) LED lamp convenient to adjust luminance
CN104470159A (en) LED lighting system
CN202907281U (en) LED variable color bulb based on control of bluetooth mobile phone
CN104113972B (en) LED power switching circuit
CN208317065U (en) LED drive power based on the toning of 2.4G remote control light modulating
CN208158951U (en) A kind of LED power circuit of tunable optical color-temperature regulating
CN102170734A (en) LED (Light-emitting Diode) intelligent control device and method for controlling LED Lamp
CN202209547U (en) Novel energy-saving LED daylight lamp
CN203827553U (en) Intelligent light bulb
CN102752931A (en) Constant-current driving power supply for remote-control light-adjusting and color-adjusting LED (Light-Emitting Diode) panel lamp
TWI618446B (en) An led illumination control circuit has various different color temperatures by using an ac switch to switching
CN104470134A (en) Method and device for controlling LED lamp color temperature changing
CN202652653U (en) Constant current drive power supply for remote control dimming and color LED panel lights
CN202444653U (en) RGBW-LED crystal lamp intelligent remote control device
CN203057606U (en) An LED light-emitting apparatus realizing color temperature changes
CN106793244B (en) LED intelligent illumination system on a kind of wall
CN205336577U (en) Single wire system alternating current carrier wave switching device that adjusts luminance
CN211352500U (en) Intelligent bedside lamp control device
CN202918547U (en) Centralized powered LED device
CN106572576A (en) Bluetooth networking (MESH) double-color panel lamp
CN208424863U (en) A kind of LED light having color temperature adjustment function
CN207783224U (en) Intelligent power, Intelligent illumination device and intelligent illuminating system
CN208337946U (en) A kind of light modulation toning driving circuit of LED light
CN210670672U (en) Dimmable LED lamp
CN210405720U (en) LED lamp circuit capable of intelligently adjusting light and color

Legal Events

Date Code Title Description
C14 Grant of patent or utility model
GR01 Patent grant
CF01 Termination of patent right due to non-payment of annual fee

Granted publication date: 20130102

Termination date: 20160629

CF01 Termination of patent right due to non-payment of annual fee