CN202622316U - 一种油缸活塞拆装平台 - Google Patents
一种油缸活塞拆装平台 Download PDFInfo
- Publication number
- CN202622316U CN202622316U CN 201220243895 CN201220243895U CN202622316U CN 202622316 U CN202622316 U CN 202622316U CN 201220243895 CN201220243895 CN 201220243895 CN 201220243895 U CN201220243895 U CN 201220243895U CN 202622316 U CN202622316 U CN 202622316U
- Authority
- CN
- China
- Prior art keywords
- base
- disassembling
- end support
- platform
- assembling platform
- Prior art date
- Legal status (The legal status is an assumption and is not a legal conclusion. Google has not performed a legal analysis and makes no representation as to the accuracy of the status listed.)
- Expired - Lifetime
Links
- 229910000831 Steel Inorganic materials 0.000 claims abstract description 5
- 239000010959 steel Substances 0.000 claims abstract description 5
- 238000003466 welding Methods 0.000 claims description 9
- 238000012423 maintenance Methods 0.000 abstract description 7
- 238000010276 construction Methods 0.000 abstract description 5
- 238000005516 engineering process Methods 0.000 abstract description 4
- 230000009286 beneficial effect Effects 0.000 abstract description 3
- 238000004519 manufacturing process Methods 0.000 abstract description 2
- 239000003921 oil Substances 0.000 description 8
- 238000009434 installation Methods 0.000 description 3
- 230000007812 deficiency Effects 0.000 description 1
- 239000010720 hydraulic oil Substances 0.000 description 1
- 238000003780 insertion Methods 0.000 description 1
- 230000037431 insertion Effects 0.000 description 1
Images
Landscapes
- Actuator (AREA)
Abstract
本实用新型属于工程施工设备制造维修领域,特别是一种油缸活塞拆装平台。它具有底座,其关键技术是底座由型钢组合成框型结构,在底座的一端两侧分别安装耳端支架,在耳端支架之间安装转盘;在底座的另一端两侧分别安装支撑架,在支撑架上组焊支架圆环构成杆端支架,在杆端支架之间安装扳手;在底座上位于扳杆端部下方安装千斤顶。本实用新型的有益效果是:适用于不同规格的油缸活塞螺母拆装,用一个平台即可实现多种油缸活塞螺母的拆装,尤其适用于大型、超大型液压设备油缸的现场维修。采用油缸活塞拆装平台不仅大大降低劳动强度,而且使用中安装方便,进度快,使得更换工作效率更高、质量更好,安全可靠。
Description
技术领域
本实用新型属于工程施工设备制造维修领域,特别是大型液压油缸维修工装的装置。
背景技术
大型工程建设必然使用大型、超大型工程施工设备,施工现场设备的及时维修特别重要。在大型施工设备中液压设备占绝大多数,现场更换液压密封件、易损件是常见的,例如液压油缸。由于油缸端盖和活塞上的密封件和耐磨件更换需要拆卸活塞杆上固定活塞的螺母,而大型设备所用油缸螺母的拧紧力矩非常大,拆装非常困难。
发明内容
本实用新型要解决的问题就是针对现有技术中的不足而提供一种适用于拆装不同规格油缸活塞螺母的拆装平台,以利于大型、超大型液压设备油缸的现场维修。其技术方案如下:
它具有底座,其关键技术是底座由型钢组合成框型结构,在底座的一端两侧分别安装耳端支架,在耳端支架之间安装转盘,转盘由中心带矩形孔的内盘和外圈均布轴孔的外盘组焊而成,转盘通过轴孔由销轴与耳端支架相连;在底座的另一端两侧分别安装支撑架,在支撑架上组焊支架圆环构成杆端支架,在杆端支架之间安装扳手,扳手一端是扳杆,扳手另一端为大头部,大头部中心开有六边形内孔,大头部两侧组焊定位圆环;在底座上位于扳杆端部下方安装千斤顶。
与现有技术相比,本实用新型的有益效果是:
1、本实用新型适用于不同规格的油缸活塞螺母拆装,用一个平台即可实现多种油缸活塞螺母的拆装,尤其适用于大型、超大型液压设备油缸的现场维修。
2、采用油缸活塞拆装平台不仅大大降低劳动强度,而且使用中安装方便,进度快,使得更换工作效率更高、质量更好,安全可靠。
3、油缸活塞拆装平台采用组装式,不仅便于运输,而且节约成本。
附图说明
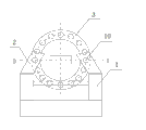
图1,是本实用新型结构示意图;
图2,是图1左视图;
图3,是图1右视图;
图4,是图1的A-A剖视图;
图5,是图2的B-B剖视图;
图6,是转盘的内盘结构示意图;
图7,是转盘的外盘结构示意图;
图8,是图3的C-C剖视图;
图9,是杆端支架结构示意图;
图10,是扳手结构示意图;
图11,是图10俯视图;
图12,是千斤顶顶盖结构示意图。
具体实施方式
参见图1-图12,本实用新型具有底座1,其关键技术是底座1由型钢组合成框型结构,在底座1的一端两侧通过螺栓7分别安装耳端支架2,在耳端支架2之间安装转盘3,转盘3由中心带矩形孔的内盘11和外圈均布轴孔的外盘12组焊而成,转盘3通过轴孔由销轴10与耳端支架2相连,转盘3中心的矩形孔用于套在活塞杆耳端上,外盘12的轴孔孔间距可根据千斤顶行程确定,顶升一次至少可旋转一个孔距;在底座1的另一端两侧通过螺栓7分别安装支撑架16,在支撑架16上组焊支架圆环13构成杆端支架5,在杆端支架5之间安装扳手6,扳手6一端是扳杆14,扳手6另一端为大头部,大头部中心开有六边形内孔,大头部两侧组焊定位圆环15,安装时定位圆环15套入支架圆环13,使用时扳手大头部的六边形内孔套在活塞螺母上,并由定位圆环15限位;在底座1上位于扳杆14端部下方安装千斤顶8。
在千斤顶8与扳杆14之间安装顶盖9。
在底座1上位于耳端支架2和杆端支架5之间安装定位架4,定位架4包括底支架17以及三角块18,底支架17通过螺栓安装在底座1上,底支架17上固定角铁19,角铁19之间安放三角块18,角铁19上开有螺孔,螺孔内置有调整螺栓20,转动调整螺栓20即可使三角块18移动,实现调整目的。
使用时,先将油缸端盖移到活塞一端后再将活塞杆总成吊放在定位架4上,通过调整螺栓20使活塞杆中心线与两端支架中心重合,将扳手六边形内孔套上活塞螺母,安装千斤顶8及顶盖9,转动扳手使其贴近顶盖;使转盘3的矩形孔套住活塞杆耳端,转动扳手使销轴10能插入转盘和耳端支架的轴孔中;操作千斤顶顶升以转动螺母。当千斤顶行程达到耳端销轴换孔位置后,降下千斤顶,抽出销轴,下压扳手转动活塞杆,直到耳端支架上的孔与转盘上的下一个轴孔重合,插入销轴,再次操作千斤顶顶升。如此反复循环即可拧松螺母。拆下螺母后,即可拆下活塞和油缸端盖进行密封件和易损件的更换。
活塞和油缸端盖上的密封件和易损件更换完成后回装到活塞杆上,将千斤顶换到平台的另一侧进行顶升即可将螺母拧紧。
改变耳端支架的安装位置,可适用于不同长度的活塞杆。
转盘中心的矩形孔尺寸根据活塞杆耳端尺寸确定,当用于小于设计尺寸的活塞杆时,矩形孔与活塞杆耳端的间隙可用钢板填塞。
Claims (3)
1.一种油缸活塞拆装平台,具有底座(1),其特征是底座(1)由型钢组合成框型结构,在底座(1)的一端两侧分别安装耳端支架(2),在耳端支架(2)之间安装转盘(3),转盘(3)由中心带矩形孔的内盘(11)和外圈均布轴孔的外盘(12)组焊而成,转盘(3)通过轴孔由销轴(10)与耳端支架(2)相连;在底座(1)的另一端两侧分别安装支撑架(16),在支撑架(16)上组焊支架圆环(13)构成杆端支架(5),在杆端支架(5)之间安装扳手(6),扳手(6)一端是扳杆(14),扳手(6)另一端为大头部,大头部中心开有六边形内孔,大头部两侧组焊定位圆环(15);在底座(1)上位于扳杆(14)端部下方安装千斤顶(8)。
2.根据权利要求1所述油缸活塞拆装平台,其特征是在千斤顶(8)与扳杆(14)之间安装顶盖(9)。
3.根据权利要求1所述油缸活塞拆装平台,其特征是在底座(1)上位于耳端支架(2)和杆端支架(5)之间安装定位架(4),定位架(4)包括底支架(17)以及三角块(18),底支架(17)安装在底座(1)上,底支架(17)上固定角铁(19),角铁(19)之间安放三角块(18),角铁(19)上开有螺孔,螺孔内置有调整螺栓(20)。
Priority Applications (1)
| Application Number | Priority Date | Filing Date | Title |
|---|---|---|---|
| CN 201220243895 CN202622316U (zh) | 2012-05-28 | 2012-05-28 | 一种油缸活塞拆装平台 |
Applications Claiming Priority (1)
| Application Number | Priority Date | Filing Date | Title |
|---|---|---|---|
| CN 201220243895 CN202622316U (zh) | 2012-05-28 | 2012-05-28 | 一种油缸活塞拆装平台 |
Publications (1)
| Publication Number | Publication Date |
|---|---|
| CN202622316U true CN202622316U (zh) | 2012-12-26 |
Family
ID=47375559
Family Applications (1)
| Application Number | Title | Priority Date | Filing Date |
|---|---|---|---|
| CN 201220243895 Expired - Lifetime CN202622316U (zh) | 2012-05-28 | 2012-05-28 | 一种油缸活塞拆装平台 |
Country Status (1)
| Country | Link |
|---|---|
| CN (1) | CN202622316U (zh) |
Cited By (3)
| Publication number | Priority date | Publication date | Assignee | Title |
|---|---|---|---|---|
| CN102717260A (zh) * | 2012-05-28 | 2012-10-10 | 中国水利水电第七工程局有限公司 | 一种油缸活塞拆装平台 |
| CN104191404A (zh) * | 2014-08-28 | 2014-12-10 | 湖南大学 | 一种新型工程液压油缸拆解平台 |
| CN112643306A (zh) * | 2020-11-25 | 2021-04-13 | 娄底鼎力液压科技有限公司 | 一种新型油缸拆装机 |
-
2012
- 2012-05-28 CN CN 201220243895 patent/CN202622316U/zh not_active Expired - Lifetime
Cited By (5)
| Publication number | Priority date | Publication date | Assignee | Title |
|---|---|---|---|---|
| CN102717260A (zh) * | 2012-05-28 | 2012-10-10 | 中国水利水电第七工程局有限公司 | 一种油缸活塞拆装平台 |
| CN102717260B (zh) * | 2012-05-28 | 2014-02-12 | 中国水利水电第七工程局有限公司 | 一种油缸活塞拆装平台 |
| CN104191404A (zh) * | 2014-08-28 | 2014-12-10 | 湖南大学 | 一种新型工程液压油缸拆解平台 |
| CN104191404B (zh) * | 2014-08-28 | 2016-09-28 | 湖南大学 | 一种新型工程液压油缸拆解平台 |
| CN112643306A (zh) * | 2020-11-25 | 2021-04-13 | 娄底鼎力液压科技有限公司 | 一种新型油缸拆装机 |
Similar Documents
| Publication | Publication Date | Title |
|---|---|---|
| CN202622316U (zh) | 一种油缸活塞拆装平台 | |
| CN102717260B (zh) | 一种油缸活塞拆装平台 | |
| CN202645596U (zh) | 一种液压支架柱顶拆装机 | |
| CN203470477U (zh) | 一种用于板带轧机的支撑辊快速换辊装置 | |
| CN216030564U (zh) | 一种岸桥吊具锁头油缸便携式拆卸装置 | |
| CN203197000U (zh) | 冷弯成型水平机架的快换装置 | |
| CN212527518U (zh) | 一种油缸活塞杆工装 | |
| CN210122841U (zh) | 摩擦片腰环装置 | |
| CN209774523U (zh) | 一种大动力油缸接长杆拆解装置 | |
| CN210947754U (zh) | 一种用于建筑模板的快速装拆装置 | |
| CN211198319U (zh) | 一种钢管柱竖向吊装卡具 | |
| CN210239674U (zh) | 一种可拆装开挖台架 | |
| CN209698325U (zh) | 一种用于船舶曲面分段焊接的定位胎具 | |
| CN206598069U (zh) | 一种用于立辊油缸的传感器更换装置 | |
| CN203092480U (zh) | 事故配压阀活塞拆装专用工具 | |
| CN203711492U (zh) | 一种翻钢机推床结构 | |
| CN222066783U (zh) | 快速拆装隧道支护架 | |
| CN202899641U (zh) | 一种网架式胎架 | |
| CN204672340U (zh) | 用于中速磨煤机磨辊拆除的支撑装置 | |
| CN201744831U (zh) | 一种快速拆卸轴上备件的装置 | |
| CN214329850U (zh) | 一种钢管连接支架 | |
| CN220903185U (zh) | 一种用于半环压盖千斤顶拆卸的装置 | |
| CN218640975U (zh) | 一种推土机履带涨紧缸活塞拆卸工具 | |
| CN218860162U (zh) | 一种起重设备用支撑件 | |
| CN206036539U (zh) | 一种单立柱拼接屏安装支架 |
Legal Events
| Date | Code | Title | Description |
|---|---|---|---|
| C14 | Grant of patent or utility model | ||
| GR01 | Patent grant | ||
| AV01 | Patent right actively abandoned |
Granted publication date: 20121226 Effective date of abandoning: 20140212 |
|
| RGAV | Abandon patent right to avoid regrant |