CN202610968U - Box-shaped steel multi-layer frame and villa structure - Google Patents
Box-shaped steel multi-layer frame and villa structure Download PDFInfo
- Publication number
- CN202610968U CN202610968U CN 201220257547 CN201220257547U CN202610968U CN 202610968 U CN202610968 U CN 202610968U CN 201220257547 CN201220257547 CN 201220257547 CN 201220257547 U CN201220257547 U CN 201220257547U CN 202610968 U CN202610968 U CN 202610968U
- Authority
- CN
- China
- Prior art keywords
- steel
- box
- shaped steel
- cold
- layer frame
- Prior art date
- Legal status (The legal status is an assumption and is not a legal conclusion. Google has not performed a legal analysis and makes no representation as to the accuracy of the status listed.)
- Expired - Fee Related
Links
- 229910000831 Steel Inorganic materials 0.000 title claims abstract description 38
- 239000010959 steel Substances 0.000 title claims abstract description 38
- 238000010276 construction Methods 0.000 abstract description 3
- 230000007613 environmental effect Effects 0.000 abstract description 2
- 238000005452 bending Methods 0.000 abstract 3
- 238000005516 engineering process Methods 0.000 description 4
- 210000001503 joint Anatomy 0.000 description 4
- 238000009434 installation Methods 0.000 description 2
- 238000000465 moulding Methods 0.000 description 2
- 230000009286 beneficial effect Effects 0.000 description 1
- 230000001680 brushing effect Effects 0.000 description 1
- 238000010586 diagram Methods 0.000 description 1
- 230000000694 effects Effects 0.000 description 1
- 239000000463 material Substances 0.000 description 1
- 238000012986 modification Methods 0.000 description 1
- 230000004048 modification Effects 0.000 description 1
- 238000005457 optimization Methods 0.000 description 1
- 239000003973 paint Substances 0.000 description 1
- 239000002699 waste material Substances 0.000 description 1
Images
Landscapes
- Supports Or Holders For Household Use (AREA)
Abstract
The utility model relates to a box-shaped steel multi-layer frame and villa structure. The box-shaped steel multi-layer frame and villa structure comprises cold-bending section steel, a supporting bracket and steel columns, wherein the side and the bottom of the cold-bending section steel are connected with the supporting bracket through bolts; a connecting steel plate of the supporting bracket is welded on the steel columns; and the cold-bending section steel is open box-shaped steel. Compared with the prior art, the box-shaped steel multi-layer frame and villa structure is safe in connecting and hoisting and stable in structure nodes, improves the safety mounting speed, and is suitable for villas and multi-storey residential houses due to the characteristics of economy, environmental friendliness, earthquake proof, various model change, high construction speed and the like.
Description
Technical field
The utility model relates to a kind of construction steel structure, is specially a kind of box steel multilayer steelframe and villa structure.
Background technology
Traditional handicraft steel multistory frame structure is to adopt H steel cross section, beam column to adopt butt joint of end plate plane or single bar-type plate holder plate to connect through bolt; End plate plane butt joint connected mode is applicable to the portal frame structure, also is the representative connected mode of traditional handicraft, helps a bit alignment.Unfavorable factor has: at first the member of plane butt joint lacks the protection support system, and is stronger to the dependence of high-strength bolt because member is influenced by external force such as deadweight and snow load, to the surface-limited paint brushing of end plate; Secondly adopt plane butt joint connected mode like frame construction, because the specification of buttcover plate is different with former member, member must be done and interrupt processing; And the existence of the member after interrupting is weakened by force intensity, the drawback that the weld job amount increases; It is three stressed a little less than adopting wall scroll plate holder plate to be connected to be on stressed, is unfavorable for the stable of structure.These two kinds of traditional connected modes are relatively more difficult to lifting requirements, have the phenomenon of potential safety hazard and materials waste.
The utility model content
The technical problem that the utility model solved is to provide a kind of box steel multilayer steelframe and villa structure, to solve the problem in the above-mentioned background technology.
The technical problem that the utility model solved adopts following technical scheme to realize:
Box steel multilayer steelframe and villa structure comprise cold-rolled forming section, Support bracket, steel column, and the side of cold-rolled forming section is connected with Support bracket through bolt with the bottom, and the connection steel plate of said Support bracket is welded on the steel column.
Said cold-rolled forming section is an opening box shaped steel.
Compared with prior art, the beneficial effect of the utility model is: the utility model has been done optimization, has reasonably been calculated on steel using amount, can be according to client's demand, and the variation in moulding that the design scope of application is bigger and the structure of expansion.The connected mode of the utility model, lifting safety, structure node is stable, improves safe installation rate; With economy, environmental protection, antidetonation, variation in moulding is many, speed of application is fast etc., and characteristics are fit to villa and use the multilayer residential houses.Expand industry technology, innovated a kind of technology that is more suitable for the steel work industry.
Description of drawings
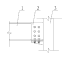
Fig. 1 is the perspective view of the utility model.
Fig. 2 is Fig. 1 front view.
Fig. 3 is the A portion partial enlarged drawing of Fig. 1.
Fig. 4 is Fig. 3 lateral view.
The specific embodiment
For technological means, creation characteristic that the utility model is realized, reach purpose and be easy to understand understanding with effect, below in conjunction with concrete diagram, further set forth the utility model.
Shown in Fig. 1~4; Box steel multilayer steelframe and villa structure comprise cold-rolled forming section 1, Support bracket 2, steel column 3, and the side of cold-rolled forming section 1 is connected with Support bracket 2 through bolt with the bottom; The connection steel plate of said Support bracket 2 is welded on the steel column 3, adds strong stability and stressed; This type of attachment helps lifting safety, helps the stable of structure node, helps improving safe installation rate.
Said cold-rolled forming section 1 is by the opening box shaped steel of steel plate through the large mold cold roll forming.
Said cold-rolled forming section 1 is used very extensive in developed country; Because with conspicuous characteristics, on the steel work industry application to reach 70% utility ratio.In China is that other industry is with extensive use; Like automobile making, industries such as plant equipment; In the steel work industry just in popularization and application.
More than show and described basic principle of the utility model and the advantage of principal character and the utility model.The technician of the industry should understand; The utility model is not restricted to the described embodiments; The principle of describing in the foregoing description and the manual that the utility model just is described; Under the prerequisite that does not break away from the utility model spirit and scope, the utility model also has various changes and modifications, and these variations and improvement all fall in the utility model scope that requires protection.The utility model requires protection domain to be defined by appending claims and equivalent thereof.
Claims (2)
1. box steel multilayer steelframe and villa structure comprise cold-rolled forming section, Support bracket, steel column, it is characterized in that: the side of cold-rolled forming section is connected with Support bracket through bolt with the bottom, and the connection steel plate of said Support bracket is welded on the steel column.
2. box steel multilayer steelframe according to claim 1 and villa structure is characterized in that: said cold-rolled forming section is an opening box shaped steel.
Priority Applications (1)
| Application Number | Priority Date | Filing Date | Title |
|---|---|---|---|
| CN 201220257547 CN202610968U (en) | 2012-06-04 | 2012-06-04 | Box-shaped steel multi-layer frame and villa structure |
Applications Claiming Priority (1)
| Application Number | Priority Date | Filing Date | Title |
|---|---|---|---|
| CN 201220257547 CN202610968U (en) | 2012-06-04 | 2012-06-04 | Box-shaped steel multi-layer frame and villa structure |
Publications (1)
| Publication Number | Publication Date |
|---|---|
| CN202610968U true CN202610968U (en) | 2012-12-19 |
Family
ID=47344679
Family Applications (1)
| Application Number | Title | Priority Date | Filing Date |
|---|---|---|---|
| CN 201220257547 Expired - Fee Related CN202610968U (en) | 2012-06-04 | 2012-06-04 | Box-shaped steel multi-layer frame and villa structure |
Country Status (1)
| Country | Link |
|---|---|
| CN (1) | CN202610968U (en) |
Cited By (1)
| Publication number | Priority date | Publication date | Assignee | Title |
|---|---|---|---|---|
| CN106149881A (en) * | 2016-07-20 | 2016-11-23 | 李涛 | A kind of assembled light steel house building system |
-
2012
- 2012-06-04 CN CN 201220257547 patent/CN202610968U/en not_active Expired - Fee Related
Cited By (1)
| Publication number | Priority date | Publication date | Assignee | Title |
|---|---|---|---|---|
| CN106149881A (en) * | 2016-07-20 | 2016-11-23 | 李涛 | A kind of assembled light steel house building system |
Similar Documents
| Publication | Publication Date | Title |
|---|---|---|
| CN203546909U (en) | Special joints for box structure building system | |
| CN203559594U (en) | Combined type protection shed | |
| CN202755656U (en) | Split bolt fixing structure for double-layer steel plate shearing wall | |
| CN202627475U (en) | Scaffold wall connecting member | |
| CN212376021U (en) | Steel corbel and support-free installation connecting node comprising same | |
| CN202577347U (en) | Waterproof structure of basement steel formwork | |
| CN202611223U (en) | Recyclable bolt type scaffold wall connection piece | |
| CN202610968U (en) | Box-shaped steel multi-layer frame and villa structure | |
| CN204402039U (en) | A kind of aluminum alloy mould plate system exterior wall straightening board member | |
| CN203547021U (en) | Novel steel column | |
| CN203741724U (en) | Anti-collision wall formwork system | |
| CN202936996U (en) | Wall connecting piece for scaffold | |
| CN203330607U (en) | On-site butt joint connection and location device for construction steel structure box type section steel column | |
| CN203878771U (en) | Steel structural frame | |
| CN203701386U (en) | Steel-structure floor slab group | |
| CN206467789U (en) | A kind of light steel wall and steel column magnetic connecting structure | |
| CN205222516U (en) | Stand and track crossbeam connection structure between assembled maintenance | |
| CN203603490U (en) | Supporting structure used for erecting formwork truss on prefabricated beam | |
| CN203834686U (en) | Corrugated web H-shaped steel beam and column connecting structure | |
| CN201434476Y (en) | Mounting bracket of out-door air-conditioner | |
| CN203589461U (en) | U upright bracket of switch cabinet | |
| CN204885841U (en) | Low -voltage distribution cabinet section bar assembly structure | |
| CN205502621U (en) | Reinforcing apparatus that is connected of assemblyization building wall and post | |
| CN206917061U (en) | A kind of steel construction assembled wallboard | |
| CN203200900U (en) | Steel structure bracket, steel structure bracket component and bearing device |
Legal Events
| Date | Code | Title | Description |
|---|---|---|---|
| C14 | Grant of patent or utility model | ||
| GR01 | Patent grant | ||
| C17 | Cessation of patent right | ||
| CF01 | Termination of patent right due to non-payment of annual fee |
Granted publication date: 20121219 Termination date: 20140604 |