CN202598700U - Personalized environment control system for expressway tollbooth - Google Patents

Personalized environment control system for expressway tollbooth Download PDF

Info

Publication number
CN202598700U
CN202598700U CN 201220292327 CN201220292327U CN202598700U CN 202598700 U CN202598700 U CN 202598700U CN 201220292327 CN201220292327 CN 201220292327 CN 201220292327 U CN201220292327 U CN 201220292327U CN 202598700 U CN202598700 U CN 202598700U
Authority
CN
China
Prior art keywords
air
control system
toll
fan
personalized
Prior art date
Legal status (The legal status is an assumption and is not a legal conclusion. Google has not performed a legal analysis and makes no representation as to the accuracy of the status listed.)
Expired - Lifetime
Application number
CN 201220292327
Other languages
Chinese (zh)
Inventor
杨斌
何耀东
王书中
冀海燕
Current Assignee (The listed assignees may be inaccurate. Google has not performed a legal analysis and makes no representation or warranty as to the accuracy of the list.)
Hebei University of Technology
Original Assignee
Hebei University of Technology
Priority date (The priority date is an assumption and is not a legal conclusion. Google has not performed a legal analysis and makes no representation as to the accuracy of the date listed.)
Filing date
Publication date
Application filed by Hebei University of Technology filed Critical Hebei University of Technology
Priority to CN 201220292327 priority Critical patent/CN202598700U/en
Application granted granted Critical
Publication of CN202598700U publication Critical patent/CN202598700U/en
Anticipated expiration legal-status Critical
Expired - Lifetime legal-status Critical Current

Links

Images

Landscapes

  • Duct Arrangements (AREA)

Abstract

本实用新型公开一种高速公路收费亭个性化环境控制系统,其特征在于该控制系统包括单盘管双风机处理两股气流系统、个性化通风空调输配系统、周边环境控制系统、人体热气流控制系统和收费窗口风幕保护系统;本实用新型利用室内机排出的冷凝水来预冷新风,并将空调室内机的制冷盘管分为两部分,分别用来处理预冷后新风和收费亭内的循环风,提高了空调制冷效率,节省了换热器面积;同样采用了个性化的送风方式,即在送风末端安装了控制装置,使送风更加科学;增加了人体热气流控制系统,降低了人体周围的温度,使人体吸入更多新鲜空气;同时,排出的人体热气流与空调的室外机在收费窗口下形成了两道风幕,有效的阻隔了收费亭外污染空气的入侵。

Figure 201220292327

The utility model discloses a personalized environment control system for a highway toll booth. Control system and toll window air curtain protection system; the utility model uses the condensed water discharged from the indoor unit to pre-cool the fresh air, and divides the cooling coil of the air-conditioning indoor unit into two parts, which are used to process the pre-cooled fresh air and the toll booth respectively The circulating air in the air improves the cooling efficiency of the air conditioner and saves the area of the heat exchanger; it also adopts a personalized air supply method, that is, a control device is installed at the end of the air supply to make the air supply more scientific; it increases the control of human thermal airflow The system reduces the temperature around the human body and allows the human body to inhale more fresh air; at the same time, the hot air flow from the human body and the outdoor unit of the air conditioner form two air curtains under the toll window, which effectively blocks the polluted air outside the toll booth. invasion.

Figure 201220292327

Description

The personalized environmental control system of a kind of expressway tol lcollection booth
Technical field
The utility model relates to the indoor environmental condition control technology, is specially the personalized environmental control system of a kind of expressway tol lcollection booth.
Background technology
Existing expressway tol lcollection booth environment pollution is serious; Air pollutant concentration big (containing the pernicious gas in a large amount of vehicle exhausts) in the booth; The general at present split wall-hanging air conditioner that adopts is regulated the indoor humiture of carrying out; Air conditioning energy consumption is high, and not energy-conservation, the probability that the staff of long-term work under this environment suffers from occupational disease is very high.
Chinese patent (ZL 2,007 2 0095681.X) is to improving highway toll booth air quality; A kind of pneumatic control device is disclosed; This device not only has the air temperature modification function; Also adopt the staff of personalized air supply mode in tollbooth to carry ozone, improved the adjusting control function of toll booth air quality.But this utility model does not improve the efficient of air-conditioning effectively, and the adjusting control ability of individual blowing mode is not enough simultaneously, the measure that does not yet stop the outer contaminated air of booth to be invaded.
The utility model content
To the deficiency of prior art, the technical problem that the utility model quasi-solution is determined is to provide a kind of expressway tol lcollection booth personalized environmental control system; This control system has small investment; Instant effect, easy for installation simple and easy, can energy-conservation and effectively improve environment; Effectively the protection staff is healthy, improves the characteristics of staff's operating efficiency.
The technical scheme that the utility model solve the technical problem is; Design the personalized environmental control system of a kind of expressway tol lcollection booth, it is characterized in that this control system comprises two strands of air flow systems of the two blower fans processing of single coil, personalized air conditioner distributing system, surrounding enviroment control system, human heat jet system and charging window air curtain protection system;
The two blower fans of described single coil are handled two strands of air flow systems and are comprised that being installed in the outer new wind of tollbooth gets air port, filter, is installed in the two blower fan indoor split-type air conditioners of condensed water pre-cooler, combined type single coil in the tollbooth and connects the individual blowing pipeline that new wind is got air port, filter, pre-cooler and indoor set, connects the condensate draining pipe of pre-cooler and indoor set;
Said indoor set and pre-cooler are installed on the inboard wall of tollbooth, and the installation site of indoor set should have suitable distance a little more than pre-cooler between two units, and the input port of indoor set is connected through the fresh wind tube road with the pre-cooler delivery outlet; Said indoor set comprises cooling coil, adiabatic baffle plate, condensate drip tray, condensation water drainage hole and condensation water drainage pipe; Said condensed water pre-cooler comprises condensate drip tray, condensation water drainage pipe and condensed water desuperheating coil; Said adiabatic baffle plate is with the cooling coil separated into two parts in the indoor set; Form two air ducts; The condensed water drip tray is installed in the below of cooling coil, and this drip tray is installed bottom surface, back has drainage grade, and is equipped with the condensation water drainage hole in the place, main frame angle of drip tray; The condensation water drainage hole is connected to the condensation water drainage pipe, and condensate draining pipe is connected with the condensed water desuperheating coil;
Said personalized air conditioner distributing system comprises individual blowing mouth, volume damper, wind-warm syndrome control valve, individual blowing air channel and controller; The end in said fresh wind tube road and individual blowing mouth and volume damper, wind-warm syndrome control valve are connected; Said volume damper and wind-warm syndrome control valve are installed in respectively in the terminal pipeline in new wind air channel, and are connected with said controller through lead;
Said surrounding enviroment control system comprise be used for to tollbooth in the air duct of used for indoor machine circulated air in handling tollbooth, the two blower fan in circulated air provide blower fan, the cooling coil of power to be used for part, the room thermostat of circulated air in the cooling and dehumidifying tollbooth; Said room thermostat is installed in the personnel workspace, and is connected with corresponding fan frequency converter through lead;
Said human heat jet system comprises drawing-in type small fan group, human heat air-flow wind output channel, human heat air-flow exhaust outlet, water conservancy diversion blinds and controller; Said drawing-in type small fan group is made up of 2-5 drawing-in type small fan, and drawing-in type small fan group links to each other with controller through lead, and drawing-in type small fan group is installed under the desktop of desk in the tollbooth; Said human heat air-flow wind output channel is packed under tollbooth staff's the desk; The one of which end is connected with drawing-in type small fan group, and the other end extends to outside the tollbooth through the hole of charging window place side wall, and at its terminal human heat air-flow exhaust outlet of installing; The water conservancy diversion blinds is equipped with in human heat air-flow exhaust outlet inside, and the water conservancy diversion blinds tilts to install;
Said charging window air curtain protection system comprises the off-premises station thermal current exhaust duct that is installed in the outer off-premises station of booth, off-premises station ventilating fan, off-premises station thermal current exhaust outlet, old name for the Arabian countries in the Middle East's ground circle and they are linked together; Off-premises station lands installation; Off-premises station thermal current exhaust outlet is connected with off-premises station with the off-premises station ventilating fan through old name for the Arabian countries in the Middle East's ground circle, and guarantees that the airflow direction of off-premises station ventilating fan makes progress.
Compared with prior art; Fresh air process condensate pipe precooling and the two blower fan indoor set cooling and dehumidifyings of combined type single coil that the utility model obtains because of eminence outside tollbooth; Deliver to the working region through individual blowing air channel and end equipment, drawing-in type small fan group is installed under desk, the thermal current that the major part that the suction human body forms from pin to waist makes progress; The small-sized air channel that thermal current is installed down through desktop is discharged from, and outside charging window, forms the first pipe protection property air curtain; Pedestal mounted air-conditioner outdoor unit (condenser) exhaust fan connects through old name for the Arabian countries in the Middle East's ground circle, forms the second pipe protection property air curtain in the tollbooth window outside; The combined type coil pipe is used for circulated air (temperature of control room inner rim environment) in the process chamber and by the new wind of outdoor introducing and precooling, adiabatic baffle plate is divided into two compartments with it.Therefore, the utility model possesses the characteristics of the air quality that improves tollbooth staff respiratory region through carrying brand-new wind to respiratory region and getting rid of the thermal current below the human body waist; Through the control of individual blowing temperature and wind speed, possess the characteristics of improving the workspace thermal environment; Through the twice air curtain that forms in the tollbooth window outside simultaneously, possess the characteristics that the outer contaminated air of effective prevention booth is invaded; Reduce the characteristics of refrigerant loop and hold facility area fully through facility in the two fan houses of single coil; Through using the new wind of condensed water preliminary treatment to possess energy-conservation characteristics; Improve indoor neighboring area temperature through control workspace temperature and possess energy-conservation characteristics.
Description of drawings
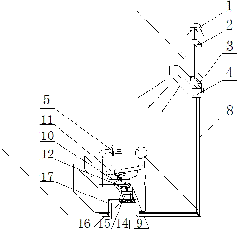
Fig. 1 is the overall structure sketch map of a kind of embodiment of the personalized environmental control system of the utility model expressway tol lcollection booth;
Fig. 2. for the single coil of a kind of embodiment of the personalized environmental control system of the utility model expressway tol lcollection booth is handled two bursts of air flow system principle schematic;
Fig. 3 is personalized air conditioner distributing system and the human heat jet system sketch map of a kind of embodiment of the personalized environmental control system of the utility model expressway tol lcollection booth;
Fig. 4 is Fig. 3 A-A cutaway view of a kind of embodiment of the personalized environmental control system of the utility model expressway tol lcollection booth;
Fig. 5 is the charging window air curtain protection system structural representation of a kind of embodiment of the personalized environmental control system of the utility model expressway tol lcollection booth.
The specific embodiment
Further narrate the utility model below in conjunction with embodiment and accompanying drawing thereof.
The personalized environmental control system of the utility model designed high speed toll booth (is called for short the control system; Referring to Fig. 1-5), this control system comprises two strands of air flow systems of the two blower fans processing of single coil, personalized air conditioner distributing system, surrounding enviroment control system, human heat jet system and charging window air curtain protection system.
1. the two blower fans of single coil are handled two strands of air flow systems
The two blower fans of described single coil are handled two strands of air flow systems and are comprised that being installed in the outer new wind of tollbooth gets air port 1, filter 2, is installed in the two blower fan indoor split-type air conditioners (abbreviation indoor set) 4 of condensed water pre-cooler (abbreviation pre-cooler) 3, combined type single coil in the tollbooth and connects pre-cooler 3 and the individual blowing pipeline (being called for short the fresh wind tube road) 8 of indoor set 4 in fresh wind port 1, filter 2, the tollbooth, connect the condensate draining pipe 22 (referring to Fig. 2) of pre-cooler 3 and indoor set 4 in the tollbooth; The new wind of the taking from eminence wind of making a fresh start is got air port 1; Behind fresh wind tube road 8 entering filters, 2 purification filterings; Send into the new wind of pre-cooler 3 precooling treatment in the tollbooth by fresh wind tube road 8 again, the new wind after the precooling carries out cooling and dehumidifying through the compartment that indoor set 4 is used to handle new wind again; The air port of circulated air in the tollbooth through indoor set 4 directly gets into its circulated air and handles compartment and carry out cooling and dehumidifying.Send in the tollbooth through two strands of air-flows of circulated air in the new wind after the processing of indoor set 4 cooling and dehumidifyings, the booth.
Said indoor set 4 is installed on the inboard wall of tollbooth with pre-cooler 3, and the installation site of indoor set 4 is a little more than having suitable distance between pre-cooler 3, two units, and the input port of indoor set 4 is connected through fresh wind tube road 8 with pre-cooler 3 delivery outlets; The working media of said indoor set 4 (cold-producing medium) endless form can be compression, absorption, absorption type or semiconductor refrigeration type etc.The cooling coil 20 that fills cold-producing medium in the indoor set 4 provides cold, is used for the circulating air in the process chamber and takes from outdoor fresh air.The fan operation state and the ventilation state of indoor set 4 as changing air-supply wind speed size, can also can pass through remote controller control through the Keyboard Control of controller 9.The structure of indoor set 4 comprises cooling coil 20, adiabatic baffle plate 21, condensate drip tray 18, condensation water drainage hole 19 and condensation water drainage pipe 22; Said adiabatic baffle plate 21 is with 20 separated into two parts of the cooling coil in the indoor set 4; Part cooling coil is used for accomplishing loop with the heat exchange of indoor circulation wind, and (loop-length of embodiment is 1 meter; Account for total length 2/3); In the time of heat exchange, another part cooling coil can accomplish again with the loop of hot and humid new air heat-exchange (loop-length of embodiment is 0.5 meter, account for total length 1/3) heat exchange; Said adiabatic baffle plate 21 is installed in indoor set 4 inside, requires it that cooling coil is divided into two parts, to form two air ducts; Its geomery confirms that according to the appearance and size of indoor set 4 adiabatic baffle plate 21 can adopt modes such as bolt or draw-in groove to connect; Condensed water drip tray 18 is installed in the below of cooling coil 20 in the said indoor set 4, and these 18 ends of drip tray are provided with drainage grade, and is equipped with condensation water drainage hole 19 in place, main frame angle, and osculum 19 is connected to condensation water drainage pipe 22.The condensate that this means the cooling coil in the said indoor set 4 directly leans on gravity to flow to voluntarily in the condensed water desuperheating coil 23 of pre-cooler 3 without any need for power set through condensate draining pipe 22, is used for the new wind of precooling.
Said condensed water pre-cooler 3 is installed in the booth, and the position is a little less than indoor set 4.Comprise condensate drip tray 18, condensation water drainage hole 19 and condensed water desuperheating coil 23, the shape of pre-cooler 3 can be confirmed according to its inner face shaping size that coil pipe is installed.Pre-cooler 3 outsides can be provided with external thermal insulation as required.Pre-cooler 3 is handled between new style and is linked to each other with condensate draining pipe 22 through fresh wind tube road 8 with filter 2, indoor set 4, and condensate draining pipe 22 materials can adopt being flexible coupling of plastic or other material, and the outside adds the rubber and plastic insulation.
Said filter 2 is installed in outside the booth, adopts prior art.Its input port is got air port 1 and is directly linked to each other with being located at the new wind of eminence, and the other end is extended into outward in the booth by booth through fresh wind tube road 8, links to each other with the input port of pre-cooler 3.Said filter 2 can adopt conventional water-tight measure to be fixed on the tollbooth top through support, and is connected through the bolt seals waterproof respectively with described fresh wind tube road 8; The hole of fresh wind tube road 8 on tollbooth top or side wall extends in the tollbooth.Contain filtration, sorbing material in the said filter 2 to purify new wind, adopt all to be full of mode design, guarantee all to handle the new wind that gets into.Fresh wind tube road 8 directly links to each other with the input port of filter 2, and new wind is got air port 1 and is installed in the outer higher position of booth, to obtain outdoor fresh air (not by the air of the bigger automobile exhaust pollution of proportion).
2. personalized air conditioner distributing system
Said personalized air conditioner distributing system comprises individual blowing mouth 5, volume damper 6, wind-warm syndrome control valve 7, individual blowing air channel 8 and controller 9 (referring to Fig. 3).The end in said fresh wind tube road 8 and individual blowing mouth 5 and air quantity, wind-warm syndrome control and regulation valve are connected; New 8 cross sections, wind air channel can be circular, square, rectangle or other shapes, and material can be the hard connection of metal, plastics or other suitable material, and there is heat-insulation layer its outside, also decorative layer can be arranged; Or being flexible coupling of band insulation.Said individual blowing terminal 5 can be installed on staff's the desk tops, near other positions near wall or the staff; Guarantee that the terminal position of air-supply is near worker work area; Novel wind energy is enough delivered to staff's respiratory region, and can regulate air-supply wind speed and temperature according to individual demand.The shape of said individual blowing mouth end or air outlet 5 can be circle, square etc.; Size can be chosen (the terminal employing of the individual blowing mouth of embodiment outlet diameter is the circular free jet air port of 100mm) according to design of air conditioning; Establish hexagon honeycomb metal net in the individual blowing mouth end, so that exit flow is evenly soft.The position of individual blowing terminal 5 can directly manually or through controller 9 be regulated, to change the direction of air-supply according to a sexual needs.Described volume damper 6 is installed in respectively in the terminal pipeline in new wind air channel 8 with wind-warm syndrome control valve 7, and is connected with said controller 9 through lead, and is controlled by controller 9, to regulate control air-supply wind speed and temperature.Said volume damper 6 can be on-off type magnetic valve, electric control valve or electrical ball valve with wind-warm syndrome control valve 7.
3. surrounding enviroment are controlled system
Said surrounding enviroment control system comprises that air duct, two blower fan that indoor set 4 is used for handling circulated air in the tollbooth are used for the blower fan of power, part, the room thermostat that cooling coil 20 is used for circulated air in the cooling and dehumidifying tollbooth to circulated air in the booth being provided; Said room thermostat is installed in the personnel workspace, and is connected with corresponding fan frequency converter through lead.The air port of circulated air in the tollbooth through indoor set 4 directly gets into its circulated air and handles compartment and carry out cooling and dehumidifying, and circulated air is admitted in the tollbooth in the tollbooth after handling through cooling and dehumidifying.Room thermostat is connected with corresponding fan frequency converter through lead, to regulate rotation speed of fan to the room design temperature.
4. human heat jet system
Said human heat jet system comprises drawing-in type small fan group 11, human heat air-flow wind output channel 10, human heat air-flow exhaust outlet 12, water conservancy diversion blinds 13 and controller 9 (referring to Fig. 4).Drawing-in type small fan group 11 is installed under the desktop of desk in the tollbooth, scalable; Utilize the heating of these drawing-in type small fan 11 active absorption human body selfs, the intensity of reduction human heat air-flow makes human body top can not form the turbulent flow with webbing interlayer, makes new wind penetrate this thermal current more easily, sucks resh air requirement thereby improve human body.
Said drawing-in type small fan group 11 can be made up of 2-5 drawing-in type small fan, and the drawing-in type small fan group of embodiment is 3 drawing-in type small fans for 11 every groups, and each drawing-in type small fan power is 6W; Drawing-in type small fan group 11 is installed in the front end of human heat air-flow exhaust duct 10, can connect through modes such as bolt or draw-in grooves, so that dismantle, clean.Said drawing-in type small fan group 11 can be installed more than two groups.Mounting distance between each drawing-in type small fan is advisable to be no more than the staff lumbar region.Drawing-in type small fan group 11 links to each other with controller 9 through lead, and the user can independently control the number that vacuum fans are opened through controller 9 according to the hotness of oneself.
The suspension bracket form that said human heat air-flow wind output channel 10 is sent out through built-in fitting, expansion bolt or ail gun is fixed under tollbooth staff's the desk.Human heat air-flow wind output channel 10 cross sections can be circle, square or rectangle (embodiment selects rectangle for use), and material can be metal, plastics or other suitable materials.Human heat air-flow wind output channel 10 front ends connect above-mentioned drawing-in type small fan group 11, and the other end extends to outside the booth through the hole of charging window place side wall, its terminal human heat air-flow exhaust outlet 12 that connects.Said human heat air-flow exhaust outlet 12 installation sites arrive the charging window lower limb, form the first road air curtain in the tollbooth window outside, and its shape material does not have specific (special) requirements.Water conservancy diversion blinds 13 is equipped with in human heat air-flow exhaust outlet 12 inside, and water conservancy diversion blinds 13 tilts to install, and the angle of inclination is in the 10-30 degree scope; Scalable (guarantees that simultaneously thermal current does not flow back in the tollbooth through window; Only flow resistances that increase) more, and detachable, be convenient to clean.
5. charging window air curtain protection system
Said charging window air curtain protection system comprises off-premises station thermal current exhaust duct (old name for the Arabian countries in the Middle East's ground circle) 15 (referring to the Fig. 5) that are installed in the outer off-premises station 17 of booth, off-premises station ventilating fan 16, off-premises station thermal current exhaust outlet 14, old name for the Arabian countries in the Middle East's ground circle 15 and they are linked together.By the human heat air-flow that aspirates in the above-mentioned human heat jet system, deliver to the charging window lower limb through exhaust duct, form the first road air curtain in the tollbooth window outside; Pedestal mounted air conditioning chamber external condenser exhaust fan 16 connects through old name for the Arabian countries in the Middle East's ground circle 15, forms the second road air curtain in the tollbooth window outside.The charging window outside can effectively prevent to invade the room air pollution that causes because of the Piston Wind that outdoor wind is invaded or oversize vehicle enters charge station under the protection of from bottom to top dual warm-air curtain.Water conservancy diversion blinds 13 also can be equipped with in off-premises station thermal current exhaust outlet 14 inside.
Said off-premises station 17 can land outside charging window belongs to the tollbooth of side wall to be installed or installs in the first-class suitable location of ground support, and the airflow direction that guarantees off-premises station ventilating fan 16 upwards; Off-premises station ventilating fan 16 is connected through the front end of connected modes such as welding, draw-in groove, bolt and old name for the Arabian countries in the Middle East ground circle 15, the end connection off-premises station thermal current exhaust outlet 14 of old name for the Arabian countries in the Middle East's ground circle 15.Old name for the Arabian countries in the Middle East's ground circle 15 front ends and cross section, off-premises station ventilating fan 16 junction are circular, along the exhaust airstream direction, arrive end and become the square-section, and its material can be metal, plastics etc.Said off-premises station thermal current exhaust outlet 14 also is installed in the charging window lower limb, and setting height(from bottom) is discharged with guarantor's body heat air-flow a little less than the position (embodiment is low 10cm) of above-mentioned human heat air-flow exhaust outlet 12 smoothly.
Said controller 9 is through lead and said indoor set 4, individual blowing mouth 5, volume damper 6, wind-warm syndrome control valve 7 and inhale formula small fan group 11 and link to each other and control each parts running status and ventilation state, and it can be installed on tollbooth staff's the desk tops or other suitable positions.Controller 9 panels are provided with LCDs and " On/Off ", " setting " and " adjusting " button; The user of service can be provided with, regulate operational factor, the wind pushing temperature of indoor set 4 voluntarily; Can be through regulating the air supply mode of adjusting the individual blowing system that is provided with of individual blowing mouth 5, volume damper 6, wind-warm syndrome control valve 7; Can also control the unlatching number of suction formula small fan group 11, come satisfying personalized comfortableness requirement.Described individual blowing mouth 5, volume damper 6, wind-warm syndrome control valve 7 also can pass through manual adjustments.Controller 9 itself is a prior art.
The condensed water that the utility model utilizes indoor set to discharge comes the new wind of precooling; And the refrigeration coil of indoor apparatus of air conditioner is divided into two parts; Be used for handling new wind and the two strands of air-flows of circulated air in the booth after the precooling respectively, improved the refrigerating efficiency of air-conditioning, saved the area of heat exchanger; Adopted personalized air supply mode equally, promptly control device has been installed,, made the science more of blowing to regulate wind pushing temperature, wind speed etc. at the air-supply end; Increased the control system of human heat air-flow, reduced human body temperature on every side, made human body suck more fresh airs; Simultaneously, the human heat air-flow of discharge and the off-premises station of air-conditioning have formed the twice air curtain under charging window, have effectively intercepted the outer air-polluting invasion of tollbooth.
The utility model is not addressed part and is applicable to prior art.
The utility model is applicable to newsstand simultaneously, the sentry box, sub-district, and parking fee collective system booth etc. is exposed to the incomplete sealing small building under the high pollution air chamber external environment.The utility model small investment, instant effect, easy for installation simple and easy.Energy-saving effect obviously also effectively improves environment, can realize industrialization, standardization.

Claims (5)

1.一种高速公路收费亭个性化环境控制系统,其特征在于该控制系统包括单盘管双风机处理两股气流系统、个性化通风空调输配系统、周边环境控制系统、人体热气流控制系统和收费窗口风幕保护系统;1. A personalized environment control system for expressway toll booths, characterized in that the control system includes a single-coil dual-fan system for handling two streams of airflow, a personalized ventilation and air-conditioning transmission and distribution system, a peripheral environment control system, and a human body thermal airflow control system And toll window air curtain protection system; 所述的单盘管双风机处理两股气流系统包括安装在收费亭外的新风取风口、过滤器、安装在收费亭内的冷凝水预冷装置、组合式单盘管双风机分体空调室内机、以及连接新风取风口、过滤器、预冷装置和室内机的个性化送风管道,连接预冷装置与室内机的冷凝水排水管;The single-coil double-fan system for processing two airflows includes a fresh air inlet installed outside the toll booth, a filter, a condensate water precooling device installed in the toll booth, and a combined single-coil double-fan split air-conditioning indoor machine, and the personalized air supply pipe connecting the fresh air inlet, filter, pre-cooling device and indoor unit, and the condensate drain pipe connecting the pre-cooling device and indoor unit; 所述室内机与预冷装置均安装在收费亭内侧墙壁上,室内机的安装位置略高于预冷装置,两机组之间应有适当的距离,室内机的输入口与预冷装置输出口通过新风管道相连接;所述室内机包括冷盘管、绝热挡板、凝结水接水盘、凝结水排水孔和凝结水排水管;所述冷凝水预冷装置包括凝结水接水盘、凝结水排水管和冷凝水预冷盘管;所述绝热挡板将室内机中的冷盘管分成两部分,形成两个空气通道,冷盘管的下方安装冷凝水接水盘,该接水盘安装后底面有排水坡度,并于接水盘最低盘角处打有凝结水排水孔,凝结水排水孔接有凝结水排水管,冷凝水排水管与冷凝水预冷盘管相连接;Both the indoor unit and the pre-cooling device are installed on the inner wall of the toll booth. The installation position of the indoor unit is slightly higher than the pre-cooling device. There should be an appropriate distance between the two units. The input port of the indoor unit and the output port of the pre-cooling device Connected through fresh air pipes; the indoor unit includes a cold coil, a heat insulating baffle, a condensate drain pan, a condensate drain hole, and a condensate drain pipe; the condensate precooling device includes a condensate drain pan, a condensate Water drain pipe and condensed water pre-cooling coil; the heat insulation baffle divides the cooling coil in the indoor unit into two parts to form two air passages, and a condensed water receiving tray is installed under the cooling coil. After installation, there is a drainage slope on the bottom surface, and a condensate drain hole is drilled at the lowest corner of the water receiving tray. The condensate drain hole is connected to a condensate drain pipe, and the condensate drain pipe is connected to the condensate pre-cooling coil; 所述个性化通风空调输配系统包括个性化送风口、风量调节阀、风温调节阀、个性化送风风道和控制器;所述新风管道的末端与个性化送风口及风量调节阀、风温调节阀门相连接;所述风量调节阀和风温调节阀分别安装在新风风道的末端管道内,并通过导线与所述控制器相连接;The personalized ventilation and air-conditioning transmission and distribution system includes a personalized air supply outlet, an air volume regulating valve, an air temperature regulating valve, a personalized air supply duct and a controller; The air temperature regulating valves are connected; the air volume regulating valve and the air temperature regulating valve are respectively installed in the end pipes of the fresh air duct, and are connected to the controller through wires; 所述周边环境控制系统包括室内机用于处理收费亭内循环风的空气通道、双风机中用于给收费亭内循环风提供动力的风机、冷盘管中用于冷却除湿亭内循环风的部分、室温控制器;所述室温控制器安装在人员工作区内,并通过导线与对应风机变频器相连接;The surrounding environment control system includes an air passage for the indoor unit to process the circulating air in the toll booth, a fan for powering the circulating air in the toll booth among the double fans, and a cooling coil for cooling the circulating air in the dehumidification booth. Part, the room temperature controller; the room temperature controller is installed in the personnel work area, and is connected to the corresponding fan frequency converter through wires; 所述人体热气流控制系统包括抽吸式小风扇组、人体热气流排风风道、人体热气流排风口、导流百叶和控制器;所述抽吸式小风扇组由2-5个抽吸式小风扇组成,抽吸式小风扇组通过导线与控制器相连,抽吸式小风扇组安装在收费亭内办公桌的桌面下;所述人体热气流排风风道固装在收费亭工作人员的办公桌下;其一端与抽吸式小风扇组连接,另一端通过收费窗口所在侧墙的孔洞延伸至收费亭外,并在其末端安装人体热气流排风口;人体热气流排风口内部装有导流百叶,导流百叶倾斜安装;The human body thermal air flow control system includes a suction-type small fan group, a human body thermal air exhaust duct, a human body thermal air exhaust outlet, guide louvers and a controller; the suction-type small fan group consists of 2-5 It consists of small suction fans, the small suction fan group is connected to the controller through wires, and the small suction fan group is installed under the desktop of the desk in the toll booth; Under the desk of the booth staff; one end of it is connected with a suction-type small fan group, the other end extends to the outside of the toll booth through the hole in the side wall where the toll window is located, and a human thermal air exhaust outlet is installed at its end; the human thermal air flow There are diversion louvers inside the air outlet, and the diversion louvers are installed obliquely; 所述收费窗口风幕保护系统包括安装在亭外的室外机、室外机排风扇、室外机热气流排风口、天方地圆以及将它们连接在一起的室外机热气流排风管,室外机落地安装,室外机热气流排风口通过天方地圆和室外机排风扇与室外机连接,并保证室外机排风扇的气流方向向上。The toll window air curtain protection system includes an outdoor unit installed outside the kiosk, an outdoor unit exhaust fan, an outdoor unit hot air outlet, a square and an earth circle, and an outdoor unit hot air exhaust pipe connecting them together. During installation, the hot air outlet of the outdoor unit is connected to the outdoor unit through the sky, earth and the exhaust fan of the outdoor unit, and ensure that the airflow direction of the exhaust fan of the outdoor unit is upward. 2.根据权利要求1所述的高速公路收费亭个性化环境控制系统,其特征在于所述绝热挡板将室内机中的冷盘管分成两部分,一部分冷盘管的循环风换热环路长度为1米,另一部分冷盘管的新风换热环路长度为0.5米。2. The individualized environment control system for expressway toll booths according to claim 1, wherein the thermal insulation baffle divides the cold coil in the indoor unit into two parts, and the circulating air heat exchange loop of a part of the cold coil The length is 1 meter, and the length of the fresh air heat exchange loop of the other part of the cold coil is 0.5 meters. 3.根据权利要求1所述的高速公路收费亭个性化环境控制系统,其特征在于所述个性化送风口末端采用出口直径为100mm的圆形自由射流风口;所述个性化送风口末端内安装有六边形蜂窝状金属网。3. The individualized environment control system for expressway toll booths according to claim 1, characterized in that the end of the individualized air supply outlet adopts a circular free jet air outlet with an outlet diameter of 100mm; the end of the individualized air supply outlet is installed There are hexagonal honeycomb metal mesh. 4.根据权利要求1所述的高速公路收费亭个性化环境控制系统,其特征在于所述抽吸式小风扇组安装两组以上。4. The personalized environment control system for expressway toll booths according to claim 1, characterized in that two or more groups of suction-type small fan groups are installed. 5.根据权利要求1所述的高速公路收费亭个性化环境控制系统,其特征在于所述导流百叶倾斜安装的倾斜角度为10-30度。5. The individualized environment control system for expressway toll booths according to claim 1, characterized in that the inclination angle of the guide louvers installed obliquely is 10-30 degrees.
CN 201220292327 2012-06-20 2012-06-20 Personalized environment control system for expressway tollbooth Expired - Lifetime CN202598700U (en)

Priority Applications (1)

Application Number Priority Date Filing Date Title
CN 201220292327 CN202598700U (en) 2012-06-20 2012-06-20 Personalized environment control system for expressway tollbooth

Applications Claiming Priority (1)

Application Number Priority Date Filing Date Title
CN 201220292327 CN202598700U (en) 2012-06-20 2012-06-20 Personalized environment control system for expressway tollbooth

Publications (1)

Publication Number Publication Date
CN202598700U true CN202598700U (en) 2012-12-12

Family

ID=47316232

Family Applications (1)

Application Number Title Priority Date Filing Date
CN 201220292327 Expired - Lifetime CN202598700U (en) 2012-06-20 2012-06-20 Personalized environment control system for expressway tollbooth

Country Status (1)

Country Link
CN (1) CN202598700U (en)

Cited By (3)

* Cited by examiner, † Cited by third party
Publication number Priority date Publication date Assignee Title
CN102705912A (en) * 2012-06-20 2012-10-03 河北工业大学 Personalized environment control system for expressway toll booth
CN113091136A (en) * 2021-04-15 2021-07-09 严国华 Split air conditioner with fresh air function
CN113970183A (en) * 2021-11-05 2022-01-25 格力电器(武汉)有限公司 A quick draining device for a split wall-mounted air conditioner interior unit

Cited By (4)

* Cited by examiner, † Cited by third party
Publication number Priority date Publication date Assignee Title
CN102705912A (en) * 2012-06-20 2012-10-03 河北工业大学 Personalized environment control system for expressway toll booth
CN102705912B (en) * 2012-06-20 2014-07-30 河北工业大学 Personalized environment control system for expressway toll booth
CN113091136A (en) * 2021-04-15 2021-07-09 严国华 Split air conditioner with fresh air function
CN113970183A (en) * 2021-11-05 2022-01-25 格力电器(武汉)有限公司 A quick draining device for a split wall-mounted air conditioner interior unit

Similar Documents

Publication Publication Date Title
CN102705912B (en) Personalized environment control system for expressway toll booth
CN202734058U (en) Air-conditioner indoor unit with fresh air heat recovery device
CN201225722Y (en) Combined air-conditioner plant unit with bypass air dust
CN207394975U (en) Cabinet-type indoor fresh air purification air-conditioning
CN103807928A (en) Wall-mounted ventilation purifier
KR101036549B1 (en) Constant temperature, humidity system for energy saving
CN104864527A (en) Tunnel-type evaporative-condensation direct-expansion cooling-air type ventilation and air-conditioning system for subway station
WO2020037836A1 (en) New-type air conditioning terminal system for high and large spaces
CN206113121U (en) A fresh air dehumidification unit for reviewing humidity independent control air conditioning system
CN100470147C (en) Air quality control device in highway toll booth
CN202598700U (en) Personalized environment control system for expressway tollbooth
CN209726361U (en) It is a kind of list blower be total to ventilation by air passage equipment
CN205425192U (en) New trend purification type integral type air conditioner based on internet
CN107763737A (en) A kind of indoor apparatus of air conditioner and air-conditioning
CN215175486U (en) Fresh air induction device
CN208442986U (en) Intelligent aeration air-conditioning system applied to Environmental Control System of Metro
CN208253831U (en) In conjunction with the recovery type heat split-type air conditioner of mechanical refrigeration and evaporation cooling technique
CN207815516U (en) Domestic hanging air conditioner
CN103062882B (en) PM2.5-class purification air conditioning terminal with special-shaped filter screen and heat exchanger
CN212746762U (en) Multi-energy dehumidification and humidification integrated efficient purification total heat exchange fresh air equipment
CN206361874U (en) On serve back air cleaning system
CN208253835U (en) A kind of evaporation cooling channel air-conditioning system of combination laminar air-supply
CN218936531U (en) Fresh air humidity regulator
CN106123114A (en) Use the convection current radiant type wall air-conditioner device of fiber ventilation terminal
CN206496448U (en) Air conditioning system

Legal Events

Date Code Title Description
C14 Grant of patent or utility model
GR01 Patent grant
AV01 Patent right actively abandoned

Granted publication date: 20121212

Effective date of abandoning: 20140730

RGAV Abandon patent right to avoid regrant