CN202594423U - Railway open-wagon loading system - Google Patents
Railway open-wagon loading system Download PDFInfo
- Publication number
- CN202594423U CN202594423U CN201220224111.7U CN201220224111U CN202594423U CN 202594423 U CN202594423 U CN 202594423U CN 201220224111 U CN201220224111 U CN 201220224111U CN 202594423 U CN202594423 U CN 202594423U
- Authority
- CN
- China
- Prior art keywords
- car
- loading
- gondola
- machine
- track
- Prior art date
- Legal status (The legal status is an assumption and is not a legal conclusion. Google has not performed a legal analysis and makes no representation as to the accuracy of the status listed.)
- Withdrawn - After Issue
Links
Images
Classifications
-
- Y—GENERAL TAGGING OF NEW TECHNOLOGICAL DEVELOPMENTS; GENERAL TAGGING OF CROSS-SECTIONAL TECHNOLOGIES SPANNING OVER SEVERAL SECTIONS OF THE IPC; TECHNICAL SUBJECTS COVERED BY FORMER USPC CROSS-REFERENCE ART COLLECTIONS [XRACs] AND DIGESTS
- Y02—TECHNOLOGIES OR APPLICATIONS FOR MITIGATION OR ADAPTATION AGAINST CLIMATE CHANGE
- Y02P—CLIMATE CHANGE MITIGATION TECHNOLOGIES IN THE PRODUCTION OR PROCESSING OF GOODS
- Y02P70/00—Climate change mitigation technologies in the production process for final industrial or consumer products
- Y02P70/10—Greenhouse gas [GHG] capture, material saving, heat recovery or other energy efficient measures, e.g. motor control, characterised by manufacturing processes, e.g. for rolling metal or metal working
Landscapes
- Harvesting Machines For Specific Crops (AREA)
Abstract
本实用新型所述的铁路敞车装车系统,设计一种铁路装车装置,具体为定量称式铁路敞车装车系统。是由调车机、装车机、装车楼、敞车轨道、敞车固定装置所组成;跨越敞车轨道建有固定的装车楼,装车机装于装车楼内,由调车机实现敞车轨道上的敞车对准上方的装车机的出料口;其特征在于在敞车轨道上装有敞车固定装置;敞车轨道一侧铺设有调车机轨道,调车机在调车机轨道上自由行走;调车机、敞车固定装置及装车机与PLC控制系统相连进行全程变频调速自动控制。本实用新型具有结构新颖、布局合理、节约资金、定位准确、装车效率高、省工省时、安全可靠等特点,故属于一种集经济性与实用性为一体的新型铁路敞车装车系统。
The railway open car loading system described in the utility model is a railway loading device, specifically a quantitative weighing type railway open car loading system. It is composed of a car shunting machine, a car loading machine, a car loading building, a gondola car track, and a gondola car fixing device; a fixed car loading building is built across the gondola car track, and the car loading machine is installed in the car loading building, and the gondola car is realized by the shunting machine. The gondola car on the track is aligned with the discharge port of the loading machine above; it is characterized in that a gondola car fixing device is installed on the gondola car track; a shunting machine track is laid on one side of the gondola car track, and the shunting machine walks freely on the shunting machine track ; The shunting machine, gondola car fixing device and loading machine are connected with the PLC control system for automatic control of frequency conversion and speed regulation throughout the process. The utility model has the characteristics of novel structure, reasonable layout, saving money, accurate positioning, high loading efficiency, saving labor and time, safety and reliability, etc., so it belongs to a new railway open car loading system integrating economy and practicability .
Description
技术领域 technical field
本实用新型所述的铁路敞车装车系统,设计一种铁路装车装置,具体为定量称式铁路敞车装车系统。The railway open car loading system described in the utility model is a railway loading device, specifically a quantitative weighing type railway open car loading system.
背景技术 Background technique
目前装车系统已经广泛应用于铁路敞车散料转用基地及场所,其中粮食、煤炭等散料存储和转运发展日益迅速。该系统目前采用两种装车机:At present, the loading system has been widely used in railway gondola car bulk material transfer bases and places, in which the storage and transfer of bulk materials such as grain and coal are developing rapidly. The system currently uses two loaders:
其一是轨道移动式装车机,由于该方案是敞车固定,装车机移动,装车机需在全行程范围内配备走行轨道,装车机移动速度慢,与敞车调整好位置后,再进行装车,且由于敞车长度不一,经常发生装车错位,调整难度大,效率很底,由以上可知,采用移动式装车机的方式,投资高、维护量大,装车效率底,采用该方案者甚少。The first is the rail-mobile loading machine. Since the plan is that the gondola car is fixed and the loading machine moves, the loading machine needs to be equipped with running tracks within the entire stroke range. The moving speed of the loading machine is slow. After adjusting the position with the gondola car, Loading, and because the length of the gondola car is different, the loading misplacement often occurs, the adjustment is difficult, and the efficiency is very low. From the above, it can be seen that the use of a mobile loading machine requires high investment, large maintenance, and low loading efficiency. There are very few people who adopt this program.
其二是定量称式装车楼装车机,该方案具有装车机固定,敞车移动的特点,投资少,装车效率高,故目前采用该装车方案较多;。The second is the quantitative scale loading building loading machine. This scheme has the characteristics of fixed loading machine and mobile gondola car, less investment and high loading efficiency. Therefore, this loading scheme is widely used at present;
但装车系统中所采用的调车设备有以下三种:1、采用机车调车;2、采用铁牛调车;3、采用绞车等其他调车设备。However, there are three types of shunting equipment used in the loading system: 1. Shunting equipment using locomotives; 2. Shunting equipment using iron oxen; 3. Using other shunting equipment such as winches.
以上几种调车方式均具有敞车调车难,调整费时而不准确,甚至影响装车重量的缺点。故而装车效率慢;调车调整耗时,难于控制甚至出现会将散料装到敞车外的情况;而且采用钢丝绳驱动,造成土建和设备投资很大,且需要投入大量的人力物力去维护,且不能采用PLC自动化程序控制的缺点,同样造成大量的人力物力的资源浪费。The above several shunting methods all have the disadvantages that it is difficult to shunt the gondola car, the adjustment is time-consuming and inaccurate, and even affects the loading weight. Therefore, the loading efficiency is slow; the shunting and adjustment takes time, it is difficult to control and even the bulk materials will be loaded outside the gondola car; and the use of wire rope drives results in a large investment in civil engineering and equipment, and requires a lot of manpower and material resources for maintenance. And the disadvantage of not being able to use PLC automatic program control also causes a lot of waste of manpower and material resources.
针对上述现有技术中所存在的问题,研究设计一种新型的铁路敞车装车系统,从而克服现有技术中所存在的问题是十分必要的。In view of the problems existing in the above-mentioned prior art, it is very necessary to study and design a novel railway open car loading system, thereby overcoming the problems existing in the prior art.
实用新型内容 Utility model content
鉴于上述现有技术中所存在的问题,本实用新型的目的是研究设计一种新型的铁路敞车装车系统。用以解决现有技术中存在的:In view of the problems existing in the above-mentioned prior art, the purpose of this utility model is to study and design a novel railway open car loading system. To solve the problems existing in the prior art:
1、轨道移动式装车机:1. Track mobile loading machine:
(1)易发生装车错位,调整难度大,效率很底;(1) Loading misalignment is prone to occur, adjustment is difficult, and efficiency is very low;
(2)投资高、维护量大。(2) High investment and large amount of maintenance.
2、定量称式装车楼装车机,采用机车调车、铁牛调车及绞车等其他方式吊车都存在:2. Quantitative weighing type loading building loading machine, using locomotive shunting, iron ox shunting and winches and other methods of cranes exist:
(1)敞车调车难,调整费时而不准确,甚至影响装车重量的缺点,故而装车效率低;(1) It is difficult to adjust the gondola car, the adjustment is time-consuming and inaccurate, and even affects the loading weight, so the loading efficiency is low;
(2)调车调整耗时,难于控制甚至出现会将散料装到敞车外的情况;(2) It takes time to adjust the shunting car, it is difficult to control and even the bulk material will be loaded outside the gondola car;
(3)采用钢丝绳驱动,造成土建和设备投资很大,且需要投入大量的人力物力去维护,且不能采用PLC自动化程序控制的缺点,同样造成大量的人力物力的资源浪费。(3) The use of steel wire rope drive results in a large investment in civil engineering and equipment, and requires a lot of manpower and material resources to maintain, and the disadvantage of not being able to use PLC automatic program control also causes a lot of waste of manpower and material resources.
本实用新型的技术解决方案是这样实现的:The technical solution of the present utility model is realized in this way:
本实用新型所述的铁路敞车装车系统,是由装车机、装车楼、敞车轨道、敞车固定装置所组成;跨越敞车轨道建有固定的装车楼,装车机装于装车楼上,敞车轨道上的敞车对准上方的装车机的出料口;其特征在于在敞车轨道上装有敞车固定装置;敞车轨道一侧铺设有调车机轨道,调车机在调车机轨道上自由行走;调车机、敞车固定装置及装车机与PLC控制系统相连进行全程变频调速自动控制。The railway gondola car loading system described in the utility model is composed of a car loading machine, a car loading building, a gondola car track, and a gondola car fixing device; a fixed car loading building is built across the gondola track, and the car loading machine is installed in the car loading building On the top, the gondola car on the gondola track is aligned with the discharge port of the loading machine above; it is characterized in that a gondola car fixing device is installed on the gondola car track; a shunting machine track is laid on one side of the gondola car track, and the shunting machine is on the shunting machine track The car shunting machine, gondola fixing device and loading machine are connected with the PLC control system for automatic control of the whole process by frequency conversion and speed regulation.
本实用新型所述的敞车固定装置分别装在装车楼一侧的敞车装车等待区、装车楼内装车区及装车楼另一侧的敞车装完车的停放区。The gondola car fixing device described in the utility model is respectively contained in the gondola car loading waiting area on one side of the loading building, the loading area in the loading building and the parking area of the gondola car loading on the other side of the loading building.
本实用新型所述的敞车固定装置,是由导向杆、夹紧臂、驱动杆、驱动执行元件及支撑架所组成;支撑架装于敞车轨道的下部;驱动执行元件装于支撑架上,在驱动执行元件的两端对称铰装有驱动杆,驱动杆的上端与夹紧臂的下端交接,夹紧臂与装于支撑架上端两侧的导向杆铰接;夹紧臂的顶端对称对准敞车轮的两侧。The gondola car fixing device described in the utility model is composed of a guide rod, a clamping arm, a drive rod, a drive actuator and a support frame; the support frame is mounted on the lower part of the gondola track; the drive actuator is mounted on the support frame, The two ends of the driving actuator are symmetrically hinged with a driving rod, the upper end of the driving rod is connected with the lower end of the clamping arm, and the clamping arm is hinged with the guide rods installed on both sides of the upper end of the support frame; the top of the clamping arm is symmetrically aligned with the open sides of the wheel.
本实用新型所述的调车机是由车体、行走装置、导向轮、驱动装置、牵引臂及位置检测装置所组成;在车体的下部两端装有与调车机轨道相配合的行走装置;导向轮,驱动装置及位置检测装置装于车体下部;牵引臂铰装于车体一侧,动力执行机构装于车体上部,通过连杆与牵引臂的中上部相连接;牵引臂端部两侧分别装有前钩装置和后钩装置。The shunting machine described in the utility model is composed of a car body, a running device, a guide wheel, a driving device, a traction arm and a position detection device; device; the guide wheel, the driving device and the position detection device are installed in the lower part of the car body; the traction arm is hinged on one side of the car body, the power actuator is installed in the upper part of the car body, and is connected with the middle and upper part of the traction arm through a connecting rod; the traction arm The two sides of the end are respectively equipped with a front hook device and a rear hook device.
首先调车机牵引整列空敞车使第二节空敞车位于敞车定位装置的位置,通过敞车定位装置使第二节空敞车固定,将第一节敞车与第二节敞车进行人工摘钩后,调车机通过后沟与第一节空敞车的前端相连接,控制系统发出指令,调车机牵引空敞车进入到装车楼内通过装车楼内的敞车固定装置对空敞车进行夹紧定位固定,定位完毕装车机开始装货,同时调车机与空敞车分离;调车机抬起牵引臂,并高速返回到空车接车位,以同样方式牵引第二节空敞车到装车楼内前一辆敞车后面,待第一节敞车装完货后,通过前钩装置与装完货的重敞车的后端相连接,系统控制驱动调车机将重敞车推出装车楼,同时将空敞车拖入装车楼通过装车楼内的敞车固定装置对空敞车进行夹紧定位固定,固定后将后钩装置与空敞车分离,调车机继续推动重敞车向前进入指定位置并通过敞车固定装置固定;以此方式继续下一个循环。First, the shunting machine pulls the entire row of open-top cars so that the second open-top car is located at the position of the gondola car positioning device, and the second open-top car is fixed through the gondola car positioning device. The locomotive is connected to the front end of the first section of open car through the rear ditch, the control system issues an instruction, the shunting machine pulls the open car into the loading building, and clamps, positions and fixes the open car with the gondola fixing device in the loading building After positioning, the loading machine starts loading, and at the same time, the shunting machine separates from the open car; the shunting machine raises the traction arm, returns to the empty car pick-up space at high speed, and pulls the second open car to the loading building in the same way Behind the previous gondola car, after the first gondola car has been loaded, it is connected with the rear end of the loaded heavy gondola car through the front hook device, and the system controls to drive the shunting machine to push the heavy gondola car out of the loading building, and at the same time put the empty car The gondola car is dragged into the loading building, and the open car is clamped, positioned and fixed by the gondola fixing device in the loading building. After fixing, the rear hook device is separated from the open car, and the shunting machine continues to push the heavy gondola car forward to the designated position and pass The fixture is fixed; continue in this way for the next cycle.
调车机布置在敞车轨道的侧面,利用调车机进行牵引待装敞车,调车机与装车机进行连锁保护;调车机与敞车固定装置以及装车机采用PLC进行全程变频调速自动控制,定位准确。该种布置方式区别于铁牛等其他布置方式的优点是占空间小,调车距离短,且不受整列敞车长度的限制。The shunting machine is arranged on the side of the gondola car track, and the shunting machine is used to pull the gondola car to be loaded, and the shunting machine and the loading machine are interlocked for protection; Control and accurate positioning. The advantage of this arrangement, which is different from other arrangements such as iron cattle, is that it takes up less space, the shunting distance is short, and it is not limited by the length of the whole gondola car.
调车机走行装置为调车机提供行走和支撑作用;导向装置具有牵引整列空车和推送整列重车时平衡水平转矩的作用;驱动及位置检测装置具有对空车和重车牵引提供动力以及实时检测调车机位置的功能;后钩装置连接待装空车,将空敞车送入装车楼定位后,后钩与空敞车脱钩;前钩装置连接已装货物的重车,将重敞车推出装车楼到重敞车等待区。The running device of the shunting machine provides walking and supporting functions for the shunting machine; the guiding device has the function of balancing the horizontal torque when pulling the whole row of empty cars and pushing the whole row of heavy cars; the driving and position detection device has the function of providing power for the traction of empty cars and heavy cars And the function of real-time detection of the position of the shunting machine; the rear hook device is connected to the empty car to be loaded, and after the empty car is sent to the loading building for positioning, the rear hook is decoupled from the empty car; the front hook device is connected to the loaded heavy car, and the heavy car The gondola car is pushed out of the loading building to the waiting area for the heavy gondola car.
本实用新型的优点是显而易见的,主要表现在:The advantages of the utility model are obvious, mainly manifested in:
(1)本实用新型适应性强;系统可适应国内所有铁路敞车,包括解列敞车和不解列敞车,甚至底卸漏斗车。(1) The utility model has strong adaptability; the system can be adapted to all domestic railway gondola cars, including detached gondola cars and non-detachable gondola cars, and even bottom unloading hopper cars.
(2)本实用新型布置合理;各单机布置合理,单机功能得以充分实现。(2) The layout of the utility model is reasonable; the layout of each stand-alone machine is reasonable, and the functions of the stand-alone machine can be fully realized.
(3)本实用新型效率高;相互配合紧密,实现高效率作业,效率可比国内三车翻车机效率。(3) The utility model has high efficiency; it cooperates closely to realize high-efficiency operation, and the efficiency is comparable to that of domestic three-vehicle dumpers.
(4)本实用新型节约资金;节约土建以及设备资金。(4) The utility model saves funds; saves civil engineering and equipment funds.
本实用新型具有结构新颖、布局合理、节约资金、定位准确、装车效率高、省工省时、安全可靠等优点,其大批量投入市场必将产生积极的社会效益和显著的经济效益。The utility model has the advantages of novel structure, reasonable layout, saving money, accurate positioning, high loading efficiency, saving labor and time, safety and reliability, etc., and its large batches put into the market will surely produce positive social benefits and significant economic benefits.
附图说明 Description of drawings
本实用新型共有幅附图,其中:The utility model has a total of drawings, wherein:
附图1本实用新型结构示意图;Accompanying
附图2本实用新型俯视图;Accompanying
附图3敞车固定装置结构示意图;Accompanying drawing 3 schematic diagram of the structure of the gondola fixing device;
附图4调车机俯视图;Accompanying drawing 4 top view of shunting machine;
附图5调车机侧视图。Accompanying drawing 5 shunting machine side view.
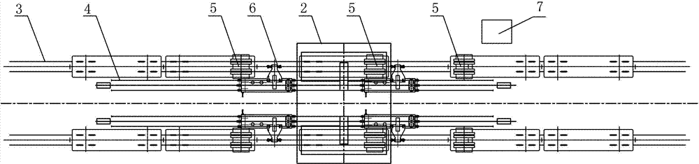
在图中:1、装车机2、装车楼3、敞车轨道4、调车机轨道5、敞车固定装置5.1、导向杆5.2、夹紧臂5.3、驱动杆5.4、驱动执行元件5.5支撑架6、调车机6.1、行走装置6.2、导向轮6.3、驱动装置6.4、牵引臂6.5、后钩装置6.6、动力执行机构6.7、连杆6.8前钩装置6.9、位置检测装置6.10车体4、PLC控制系统。In the figure: 1,
具体实施方式 Detailed ways
本实用新型的具体实施例如附图所示,是由装车机1、装车楼2、敞车轨道3、敞车固定装置5所组成;跨越敞车轨道3建有固定的装车楼2,装车机1装于装车楼2上,敞车轨道3上的敞车对准上方的装车机1的出料口;其特征在于在敞车轨道3上装有敞车固定装置5;敞车轨道3一侧铺设有调车机轨道4,调车机6在调车机轨道4上自由行走;调车机6、敞车固定装置5及装车机1与PLC控制系统7相连进行全程变频调速自动控制。The specific implementation example of the present utility model is shown in accompanying drawing, is made up of
敞车固定装置5分别装在装车楼2一侧的敞车装车等待区、装车楼2内装车区及装车楼2另一侧的敞车装完车的停放区。Gondola
敞车固定装置5是由导向杆5.1、夹紧臂5.2、驱动杆5.3、驱动执行元件5.4及支撑架5.5所组成;支撑架5.5装于敞车轨道2的下部;驱动执行元件5.4装于支撑架5.5上,在驱动执行元件5.4的两端对称铰装有驱动杆5.3,驱动杆5.3的上端与夹紧臂5.2的下端交接,夹紧臂5.2与装于支撑架5.5上端两侧的导向杆5.1铰接;夹紧臂5.2的顶端对称对准敞车轮的两侧。The gondola
调车机6是由车体6.10、行走装置6.1、导向轮6.2、驱动装置6.3、牵引臂6.4及位置检测装置6.9所组成;在车体6.10的下部两端装有与调车机轨道4相配合的行走装置6.1;导向轮6.2,驱动装置6.3及位置检测装置6.9装于车体下部;牵引臂6.4铰装于车体6.10一侧,动力执行机构6.6装于车体6.10上部,通过连杆6.7与牵引臂6.4的中上部相连接;牵引臂6.4端部两侧分别装有前钩装置6.8和后钩装置6.9。The shunting
以上所述,仅为本实用新型的较佳的具体实施方式,但本实用新型的保护范围并不局限于此,所有熟悉本技术领域的技术人员在本实用新型公开的技术范围内,根据本实用新型的技术方案及其本实用新型的构思加以等同替换或改变均应涵盖在本实用新型的保护范围之内。The above is only a preferred embodiment of the present utility model, but the scope of protection of the present utility model is not limited thereto, all those skilled in the art are within the technical scope disclosed in the utility model, according to the present invention Any equivalent replacement or change of the technical solution of the utility model and the concept of the utility model shall be covered within the protection scope of the utility model.
Claims (4)
Priority Applications (1)
| Application Number | Priority Date | Filing Date | Title |
|---|---|---|---|
| CN201220224111.7U CN202594423U (en) | 2012-05-17 | 2012-05-17 | Railway open-wagon loading system |
Applications Claiming Priority (1)
| Application Number | Priority Date | Filing Date | Title |
|---|---|---|---|
| CN201220224111.7U CN202594423U (en) | 2012-05-17 | 2012-05-17 | Railway open-wagon loading system |
Publications (1)
| Publication Number | Publication Date |
|---|---|
| CN202594423U true CN202594423U (en) | 2012-12-12 |
Family
ID=47311983
Family Applications (1)
| Application Number | Title | Priority Date | Filing Date |
|---|---|---|---|
| CN201220224111.7U Withdrawn - After Issue CN202594423U (en) | 2012-05-17 | 2012-05-17 | Railway open-wagon loading system |
Country Status (1)
| Country | Link |
|---|---|
| CN (1) | CN202594423U (en) |
Cited By (3)
| Publication number | Priority date | Publication date | Assignee | Title |
|---|---|---|---|---|
| CN102649511A (en) * | 2012-05-17 | 2012-08-29 | 大连华锐重工集团股份有限公司 | Railway gondola car loading system |
| CN103922159A (en) * | 2014-01-26 | 2014-07-16 | 交通运输部水运科学研究所 | Freight train loading method |
| CN103922160A (en) * | 2014-01-26 | 2014-07-16 | 交通运输部水运科学研究所 | Freight train loading system |
-
2012
- 2012-05-17 CN CN201220224111.7U patent/CN202594423U/en not_active Withdrawn - After Issue
Cited By (6)
| Publication number | Priority date | Publication date | Assignee | Title |
|---|---|---|---|---|
| CN102649511A (en) * | 2012-05-17 | 2012-08-29 | 大连华锐重工集团股份有限公司 | Railway gondola car loading system |
| CN102649511B (en) * | 2012-05-17 | 2014-03-19 | 大连华锐重工集团股份有限公司 | Railway gondola car loading system |
| CN103922159A (en) * | 2014-01-26 | 2014-07-16 | 交通运输部水运科学研究所 | Freight train loading method |
| CN103922160A (en) * | 2014-01-26 | 2014-07-16 | 交通运输部水运科学研究所 | Freight train loading system |
| CN103922159B (en) * | 2014-01-26 | 2016-04-13 | 交通运输部水运科学研究所 | Cargo train stowage |
| CN103922160B (en) * | 2014-01-26 | 2016-08-17 | 交通运输部水运科学研究所 | Cargo train Load System |
Similar Documents
| Publication | Publication Date | Title |
|---|---|---|
| CN103303692B (en) | A kind of automation both arms frame mixed-windrowed locomotive efficiently | |
| CN202864283U (en) | Band type belt conveyor | |
| EP3020664A1 (en) | Movable loading machine with twin telescopic boom structure | |
| CN202899040U (en) | Crossing tunnel box girder transporting and mounting all-in-one machine | |
| CN201301134Y (en) | Colliery railway quick loading gauge addition device | |
| CN103192740B (en) | Rigid movable overhead line system below electrified railway coal hopper bunker | |
| CN202594423U (en) | Railway open-wagon loading system | |
| CN210884370U (en) | Continuous gangue loader for mine car | |
| CN203473974U (en) | Efficient automated double-arm-rack blended stacking machine | |
| CN104670245A (en) | Steel wire rope dragged rail tramcar continuous conveying system | |
| CN204490063U (en) | Be applied to the flexible entrucking unit of bulk cargo loading system end | |
| CN101725491B (en) | Device and method for power generation by potential energy of vehicles on high slope of highway | |
| CN102817611A (en) | Suspension type tunneling frontal dust removal device | |
| CN102649511B (en) | Railway gondola car loading system | |
| CN203557104U (en) | Steel material leveling unit line structure | |
| CN203211120U (en) | Rigid movable contact net arranged below electrified railway coaling funnel hopper | |
| CN202294798U (en) | Steel wire rope pulling type hillside orchard cargo transport | |
| CN206086494U (en) | Split type tire fortune roof beam car | |
| CN105668120B (en) | Tunnel piercing long-distance belt conveyer | |
| CN203439725U (en) | Door type bucket wheel reclaimer | |
| CN203962034U (en) | A kind of rock gangway is reprinted belt conveyor by portable buffering | |
| CN203889696U (en) | Solid powder loading dust collection system used for cleaner production | |
| CN204713072U (en) | Rope traction orbit mine car continuous haulage system | |
| CN203889697U (en) | Solid powder loading dust collection system used for cleaner production | |
| CN205308658U (en) | Coal dress car logo knows automatic sprinkler |
Legal Events
| Date | Code | Title | Description |
|---|---|---|---|
| C14 | Grant of patent or utility model | ||
| GR01 | Patent grant | ||
| AV01 | Patent right actively abandoned | ||
| AV01 | Patent right actively abandoned | ||
| AV01 | Patent right actively abandoned |
Granted publication date: 20121212 Effective date of abandoning: 20140319 |
|
| AV01 | Patent right actively abandoned |
Granted publication date: 20121212 Effective date of abandoning: 20140319 |
