CN202585670U - Power storage accumulator for electromobile - Google Patents

Power storage accumulator for electromobile Download PDF

Info

Publication number
CN202585670U
CN202585670U CN201220139010XU CN201220139010U CN202585670U CN 202585670 U CN202585670 U CN 202585670U CN 201220139010X U CN201220139010X U CN 201220139010XU CN 201220139010 U CN201220139010 U CN 201220139010U CN 202585670 U CN202585670 U CN 202585670U
Authority
CN
China
Prior art keywords
electromobile
accumulator
storage battery
power storage
electric motor
Prior art date
Legal status (The legal status is an assumption and is not a legal conclusion. Google has not performed a legal analysis and makes no representation as to the accuracy of the status listed.)
Expired - Fee Related
Application number
CN201220139010XU
Other languages
Chinese (zh)
Inventor
吴长钊
Current Assignee (The listed assignees may be inaccurate. Google has not performed a legal analysis and makes no representation or warranty as to the accuracy of the list.)
Individual
Original Assignee
Individual
Priority date (The priority date is an assumption and is not a legal conclusion. Google has not performed a legal analysis and makes no representation as to the accuracy of the date listed.)
Filing date
Publication date
Application filed by Individual filed Critical Individual
Priority to CN201220139010XU priority Critical patent/CN202585670U/en
Application granted granted Critical
Publication of CN202585670U publication Critical patent/CN202585670U/en
Anticipated expiration legal-status Critical
Expired - Fee Related legal-status Critical Current

Links

Images

Classifications

    • YGENERAL TAGGING OF NEW TECHNOLOGICAL DEVELOPMENTS; GENERAL TAGGING OF CROSS-SECTIONAL TECHNOLOGIES SPANNING OVER SEVERAL SECTIONS OF THE IPC; TECHNICAL SUBJECTS COVERED BY FORMER USPC CROSS-REFERENCE ART COLLECTIONS [XRACs] AND DIGESTS
    • Y02TECHNOLOGIES OR APPLICATIONS FOR MITIGATION OR ADAPTATION AGAINST CLIMATE CHANGE
    • Y02EREDUCTION OF GREENHOUSE GAS [GHG] EMISSIONS, RELATED TO ENERGY GENERATION, TRANSMISSION OR DISTRIBUTION
    • Y02E60/00Enabling technologies; Technologies with a potential or indirect contribution to GHG emissions mitigation
    • Y02E60/10Energy storage using batteries

Landscapes

  • Electric Propulsion And Braking For Vehicles (AREA)
  • Battery Mounting, Suspending (AREA)
  • Arrangement Or Mounting Of Propulsion Units For Vehicles (AREA)

Abstract

The utility model discloses an accumulator of an electromobile, particularly discloses a power storage accumulator for the electromobile. The power storage accumulator for the electromobile is characterized in that the accumulator is installed in an accumulator body of the electromobile, a solar battery panel is connected below the accumulator, a stretching rod is connected on the rear part of the solar battery panel, and a panel cabin covers the solar battery panel. The power storage accumulator for the electromobile has the beneficial effects that the power storage accumulator for the electromobile is convenient to use, and the accumulator of the electromobile is supplied with power immediately by using solar energy sources effectively, so that the electromobile can be ridden in a long distance.

Description

Accumulation electric motor car storage battery
Technical field
The present invention relates to a kind of electric motor car storage battery, particularly a kind of accumulation electric motor car storage battery.
Background technology
The power supply of vehicle dependent storage battery is gone, yet electric motor car storage battery electric weight is limited, drives far way of electric motor car, has limitation thereby electric motor car is used.
Summary of the invention
The present invention provides a kind of accumulation electric motor car storage battery that can be convenient for people to use in order to remedy the defective of prior art.
The present invention realizes through following technical scheme:
Accumulation electric motor car storage battery is characterized in that: in the electric motor car storage battery body storage battery is housed, the storage battery below connects is equipped with solar panel, and expansion link is equipped with in the connection of solar cell postlaminar part, and solar panel is covered with the plate storehouse.
The invention has the beneficial effects as follows: this accumulation electric motor car storage battery, be fit to each electric motor car and use, easy to use, effectively utilize solar energy resources, in time be electric motor car storage battery supply electric energy, drive electric motor car and also can bring a lot of convenience to people far on the way.
Description of drawings
Below in conjunction with accompanying drawing the present invention is further described.
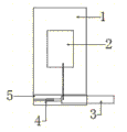
Accompanying drawing 1 is the structural representation of accumulation electric motor car storage battery of the present invention
Among the figure, 1 electric motor car storage battery body, 2 storage batterys, 3 solar panels, 4 expansion links, 5 plate storehouses.
Embodiment
Accompanying drawing is a kind of specific embodiment of the present invention.This invention accumulation electric motor car storage battery is characterized in that: in the electric motor car storage battery body 1 storage battery 2 is housed, storage battery 2 belows connect is equipped with solar panel 3, and solar panel 3 rear portions connect is equipped with expansion link 4, and solar panel 3 is covered with plate storehouse 5.This invention accumulation electric motor car storage battery; When being close to, electric motor car storage battery body 1 electric energy exhausts during use, by expansion link 4 controls, with extracting out in the solar panel 3 slave plate storehouses 5; Solar panel 3 receives solar energy; And becoming electric energy to transform light energy, power storage is advanced in the storage battery 2, thereby is storage battery 2 supply electric energy.

Claims (1)

1. accumulation electric motor car storage battery; It is characterized in that: storage battery (2) is housed in the electric motor car storage battery body (1); Storage battery (2) below connects is equipped with solar panel (3); Solar panel (3) rear portion connects is equipped with expansion link (4), and solar panel (3) is covered with plate storehouse (5).
CN201220139010XU 2012-04-05 2012-04-05 Power storage accumulator for electromobile Expired - Fee Related CN202585670U (en)

Priority Applications (1)

Application Number Priority Date Filing Date Title
CN201220139010XU CN202585670U (en) 2012-04-05 2012-04-05 Power storage accumulator for electromobile

Applications Claiming Priority (1)

Application Number Priority Date Filing Date Title
CN201220139010XU CN202585670U (en) 2012-04-05 2012-04-05 Power storage accumulator for electromobile

Publications (1)

Publication Number Publication Date
CN202585670U true CN202585670U (en) 2012-12-05

Family

ID=47255048

Family Applications (1)

Application Number Title Priority Date Filing Date
CN201220139010XU Expired - Fee Related CN202585670U (en) 2012-04-05 2012-04-05 Power storage accumulator for electromobile

Country Status (1)

Country Link
CN (1) CN202585670U (en)

Cited By (1)

* Cited by examiner, † Cited by third party
Publication number Priority date Publication date Assignee Title
CN104201305A (en) * 2014-08-22 2014-12-10 长江上海航道管理处 Novel storage battery device

Cited By (1)

* Cited by examiner, † Cited by third party
Publication number Priority date Publication date Assignee Title
CN104201305A (en) * 2014-08-22 2014-12-10 长江上海航道管理处 Novel storage battery device

Similar Documents

Publication Publication Date Title
CN103738195B (en) A kind of compound energy electro-vehicle energy control method
CN201679244U (en) Solar electric bicycle charging shed
CN202585670U (en) Power storage accumulator for electromobile
CN202863180U (en) Automatically-charged forklift
CN201810192U (en) Solar electric roller shutter window
CN201666013U (en) Solar energy charging vehicle shed
CN202156494U (en) A solar self-balancing electric vehicle
CN202029790U (en) Solar skylight for automobile
CN203305849U (en) Electric vehicle with photovoltaic power generation electric energy supplementation device
CN202399931U (en) Solar electric vehicle
CN203876932U (en) Energy-saving electric bicycle
CN203601514U (en) Solar electric cycle
CN201932016U (en) Solar-energy electric vehicle
CN202389225U (en) Novel solar electric vehicle
CN205573643U (en) Photovoltaic power generation new energy automobile
CN204210321U (en) A kind of full automatic solar Rechargeable vehicle
CN202429295U (en) Sunshade for electric vehicle
CN204506547U (en) A kind of photovoltaic plate supporting device
CN202863170U (en) Wind energy electrocar
CN204749876U (en) Electric automobile power generation facility
CN203372388U (en) Novel cockpit of bulk cargo ship
CN201211847Y (en) solar electric car
CN202777792U (en) Solar remote control car
CN202499234U (en) Solar electric bicycle
CN202354103U (en) Reaping assisting device for solar reaping machine

Legal Events

Date Code Title Description
C14 Grant of patent or utility model
GR01 Patent grant
C17 Cessation of patent right
CF01 Termination of patent right due to non-payment of annual fee

Granted publication date: 20121205

Termination date: 20130405