CN202555822U - Environment-friendly aluminum paste production system - Google Patents
Environment-friendly aluminum paste production system Download PDFInfo
- Publication number
- CN202555822U CN202555822U CN2012202015900U CN201220201590U CN202555822U CN 202555822 U CN202555822 U CN 202555822U CN 2012202015900 U CN2012202015900 U CN 2012202015900U CN 201220201590 U CN201220201590 U CN 201220201590U CN 202555822 U CN202555822 U CN 202555822U
- Authority
- CN
- China
- Prior art keywords
- ball mill
- classification device
- outlet
- inlet
- sieve classification
- Prior art date
- Legal status (The legal status is an assumption and is not a legal conclusion. Google has not performed a legal analysis and makes no representation as to the accuracy of the status listed.)
- Expired - Fee Related
Links
- 238000004519 manufacturing process Methods 0.000 title claims abstract description 8
- XAGFODPZIPBFFR-UHFFFAOYSA-N aluminium Chemical compound [Al] XAGFODPZIPBFFR-UHFFFAOYSA-N 0.000 title claims description 9
- 229910052782 aluminium Inorganic materials 0.000 title claims description 5
- 238000001914 filtration Methods 0.000 claims abstract description 6
- 238000003860 storage Methods 0.000 claims abstract description 6
- 239000002904 solvent Substances 0.000 claims abstract description 5
- IJGRMHOSHXDMSA-UHFFFAOYSA-N Atomic nitrogen Chemical compound N#N IJGRMHOSHXDMSA-UHFFFAOYSA-N 0.000 claims description 6
- 238000007789 sealing Methods 0.000 claims description 5
- 239000012065 filter cake Substances 0.000 claims description 3
- 238000003756 stirring Methods 0.000 claims description 3
- 239000007789 gas Substances 0.000 claims description 2
- 239000007788 liquid Substances 0.000 claims description 2
- 229910052757 nitrogen Inorganic materials 0.000 claims description 2
- 238000010334 sieve classification Methods 0.000 claims 8
- 230000005540 biological transmission Effects 0.000 claims 1
- 238000004064 recycling Methods 0.000 claims 1
- 238000012216 screening Methods 0.000 abstract description 25
- 239000000463 material Substances 0.000 abstract description 18
- -1 aluminum-silver Chemical compound 0.000 abstract description 17
- 239000002002 slurry Substances 0.000 abstract description 8
- 238000002156 mixing Methods 0.000 abstract description 3
- 238000011084 recovery Methods 0.000 abstract description 2
- 238000000227 grinding Methods 0.000 description 5
- 229910052751 metal Inorganic materials 0.000 description 4
- 239000002184 metal Substances 0.000 description 4
- 239000003973 paint Substances 0.000 description 4
- 238000000498 ball milling Methods 0.000 description 3
- 239000003638 chemical reducing agent Substances 0.000 description 3
- 239000002245 particle Substances 0.000 description 3
- 239000000049 pigment Substances 0.000 description 3
- 238000007873 sieving Methods 0.000 description 3
- 229910001873 dinitrogen Inorganic materials 0.000 description 2
- 230000000694 effects Effects 0.000 description 2
- 238000000034 method Methods 0.000 description 2
- 101000801619 Homo sapiens Long-chain-fatty-acid-CoA ligase ACSBG1 Proteins 0.000 description 1
- 102100033564 Long-chain-fatty-acid-CoA ligase ACSBG1 Human genes 0.000 description 1
- BQCADISMDOOEFD-UHFFFAOYSA-N Silver Chemical compound [Ag] BQCADISMDOOEFD-UHFFFAOYSA-N 0.000 description 1
- 229910000831 Steel Inorganic materials 0.000 description 1
- 239000003082 abrasive agent Substances 0.000 description 1
- 239000002253 acid Substances 0.000 description 1
- 235000010634 bubble gum Nutrition 0.000 description 1
- 229920002678 cellulose Polymers 0.000 description 1
- 239000001913 cellulose Substances 0.000 description 1
- 235000015218 chewing gum Nutrition 0.000 description 1
- 229940112822 chewing gum Drugs 0.000 description 1
- 239000000498 cooling water Substances 0.000 description 1
- 239000002537 cosmetic Substances 0.000 description 1
- 238000010586 diagram Methods 0.000 description 1
- 239000003814 drug Substances 0.000 description 1
- 239000000975 dye Substances 0.000 description 1
- 229920001971 elastomer Polymers 0.000 description 1
- 230000007613 environmental effect Effects 0.000 description 1
- 230000004927 fusion Effects 0.000 description 1
- 239000011521 glass Substances 0.000 description 1
- 239000003292 glue Substances 0.000 description 1
- 230000005484 gravity Effects 0.000 description 1
- 239000000976 ink Substances 0.000 description 1
- 238000004898 kneading Methods 0.000 description 1
- 230000013011 mating Effects 0.000 description 1
- 230000007935 neutral effect Effects 0.000 description 1
- 230000003647 oxidation Effects 0.000 description 1
- 238000007254 oxidation reaction Methods 0.000 description 1
- 239000004033 plastic Substances 0.000 description 1
- 229920003023 plastic Polymers 0.000 description 1
- 229910052573 porcelain Inorganic materials 0.000 description 1
- 239000000843 powder Substances 0.000 description 1
- 238000010298 pulverizing process Methods 0.000 description 1
- 239000011347 resin Substances 0.000 description 1
- 229920005989 resin Polymers 0.000 description 1
- 238000005096 rolling process Methods 0.000 description 1
- 239000005060 rubber Substances 0.000 description 1
- 239000000565 sealant Substances 0.000 description 1
- 238000010008 shearing Methods 0.000 description 1
- 229920002379 silicone rubber Polymers 0.000 description 1
- 239000004945 silicone rubber Substances 0.000 description 1
- 229910052709 silver Inorganic materials 0.000 description 1
- 239000004332 silver Substances 0.000 description 1
- 239000007921 spray Substances 0.000 description 1
- 238000005507 spraying Methods 0.000 description 1
- 239000010959 steel Substances 0.000 description 1
- 239000004575 stone Substances 0.000 description 1
Images
Classifications
-
- Y—GENERAL TAGGING OF NEW TECHNOLOGICAL DEVELOPMENTS; GENERAL TAGGING OF CROSS-SECTIONAL TECHNOLOGIES SPANNING OVER SEVERAL SECTIONS OF THE IPC; TECHNICAL SUBJECTS COVERED BY FORMER USPC CROSS-REFERENCE ART COLLECTIONS [XRACs] AND DIGESTS
- Y02—TECHNOLOGIES OR APPLICATIONS FOR MITIGATION OR ADAPTATION AGAINST CLIMATE CHANGE
- Y02E—REDUCTION OF GREENHOUSE GAS [GHG] EMISSIONS, RELATED TO ENERGY GENERATION, TRANSMISSION OR DISTRIBUTION
- Y02E60/00—Enabling technologies; Technologies with a potential or indirect contribution to GHG emissions mitigation
- Y02E60/10—Energy storage using batteries
Landscapes
- Crushing And Grinding (AREA)
Abstract
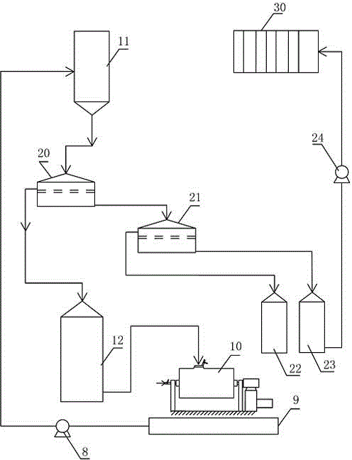
本实用新型涉及一种环保型铝银浆的生产系统,其包括:球磨机、筛分分级装置、用于滤除铝银浆中的油的压滤机和用于将该压滤机生成的滤饼与溶剂混合搅拌的捏合机。球磨机的底部设有用于收集球磨机输出的铝银浆的浆池,该浆池通过一输送泵与一储料罐相连。所述筛分分级装置包括一、二级筛分分级装置;所述储料罐的底部出口与所述一级筛分分级装置的入口相连,该一级筛分分级装置的细料出口与所述二级筛分分级装置的入口相连;所述一级筛分分级装置的粗料出口与一粗料回收罐的入料口相连。所述二级筛分分级装置的粗、细料出口分别与第一、第二收集罐相连,第一、第二收集罐通过抽液泵与压滤机相连。
The utility model relates to an environment-friendly aluminum-silver slurry production system, which comprises: a ball mill, a screening and grading device, a filter press for filtering out oil in the aluminum-silver slurry, and a filter press for generating the filter press. A kneader for mixing cake and solvent. The bottom of the ball mill is provided with a slurry tank for collecting the aluminum-silver slurry output from the ball mill, and the slurry tank is connected with a storage tank through a delivery pump. The screening and classifying device includes primary and secondary screening and classifying devices; the bottom outlet of the storage tank is connected to the inlet of the primary screening and classifying device, and the fine material outlet of the primary screening and classifying device is connected to the The inlet of the secondary screening and grading device is connected; the coarse material outlet of the primary screening and grading device is connected with the material inlet of a coarse material recovery tank. The coarse and fine material outlets of the secondary screening and grading device are respectively connected to the first and second collection tanks, and the first and second collection tanks are connected to the filter press through a suction pump.
Description
技术领域 technical field
本实用新型涉及生产金属油漆用铝银浆的设备,具体是一种环保型铝银浆的生产系统。 The utility model relates to equipment for producing aluminum-silver paste for metal paint, in particular to an environment-friendly production system for aluminum-silver paste.
背景技术 Background technique
金属油漆用铝银浆生产时采用球磨机将铝粉碾磨成金属油漆所需的粒径。现有的球磨机在工作时,表面温度较高,提高了车间温度,在夏季不利于工人作业,球磨机滚筒内的铝粉在高温下容易发生熔合,影响碾磨效果;如何提供一种结构简单、滚筒温度较低且避免铝粉被空气氧化的球磨机,是本领域要解决的技术问题。现有的铝银浆球磨、筛分与压滤往往不能构成整体,且不能分级筛分。 When producing aluminum silver paste for metal paint, a ball mill is used to grind aluminum powder into the particle size required for metal paint. When the existing ball mill is working, the surface temperature is high, which increases the workshop temperature, which is unfavorable for workers to work in summer, and the aluminum powder in the ball mill drum is prone to fusion at high temperature, which affects the grinding effect; how to provide a simple structure, A ball mill that has a lower drum temperature and prevents the aluminum powder from being oxidized by air is a technical problem to be solved in this field. The existing aluminum-silver paste ball milling, screening and press filtration often cannot form a whole, and cannot be graded and screened.
实用新型内容 Utility model content
本实用新型要解决的技术问题是提供一种适于将球磨、筛分和压滤构成整体的环保型铝银浆的生产系统。 The technical problem to be solved by the utility model is to provide an environment-friendly aluminum-silver paste production system which is suitable for ball milling, sieving and press-filtering as a whole.
为了解决上述技术问题,本实用新型提供了一种环保型铝银浆的生产系统,包括:球磨机、筛分分级装置、用于滤除铝银浆中的油的压滤机和用于将该压滤机生成的滤饼与溶剂混合搅拌的捏合机。 In order to solve the above-mentioned technical problems, the utility model provides a production system of environment-friendly aluminum-silver paste, including: a ball mill, a screening and grading device, a filter press for filtering out oil in the aluminum-silver paste and a A kneader for mixing and stirring the filter cake generated by the filter press and the solvent.
所述筛分分级装置包括一、二级筛分分级装置;所述储料罐的底部出口与所述一级筛分分级装置的入口相连,该一级筛分分级装置的细料出口与所述二级筛分分级装置的入口相连;所述一级筛分分级装置的粗料出口与一粗料回收罐的入料口相连。 The screening and classifying device includes primary and secondary screening and classifying devices; the bottom outlet of the storage tank is connected to the inlet of the primary screening and classifying device, and the fine material outlet of the primary screening and classifying device is connected to the The inlet of the secondary screening and grading device is connected; the coarse material outlet of the primary screening and grading device is connected with the material inlet of a coarse material recovery tank.
所述二级筛分分级装置的粗、细料出口分别与第一、第二收集罐相连,第一、第二收集罐通过抽液泵与压滤机相连;压滤机用于滤除铝银浆中的油,并将铝银浆压滤呈饼块,然后采用溶剂捏合后,即得到所需粒径的铝银粉,用于制作金属油漆。 The coarse and fine material outlets of the secondary screening and grading device are connected to the first and second collection tanks respectively, and the first and second collection tanks are connected to the filter press through a liquid suction pump; the filter press is used to filter out aluminum The oil in the silver paste, and the aluminum silver paste is press-filtered into a cake, and then kneaded with a solvent to obtain the aluminum silver powder with the required particle size, which is used to make metal paint.
所述球磨机包括筒体,在该筒体的中心轴线上且于该筒体的左右两端设有转轴,该对转轴轴承配合在一对轴承座上,右端的转轴与一减速机传动配合,该减速机与一电动机传动配合;左端的所述转轴为空心管轴,该空心管轴上设有进气控制阀,该空心管轴的外端口与压缩氮气源相连;在筒体的柱面上设有进出料口,该进出料口上设有密封盖,该密封盖上设有带阀的出料管,该出料管的入口设有滤网。 The ball mill includes a cylindrical body, on the central axis of the cylindrical body and at the left and right ends of the cylindrical body, there are rotating shafts, the pair of rotating shaft bearings are fitted on a pair of bearing seats, and the rotating shaft at the right end is driven and matched with a reducer, The speed reducer cooperates with an electric motor; the rotating shaft at the left end is a hollow tube shaft, on which an air intake control valve is arranged, and the outer port of the hollow tube shaft is connected with a compressed nitrogen source; There is a material inlet and outlet on the top, a sealing cover is provided on the material inlet and outlet, a discharge pipe with a valve is provided on the sealing cover, and a filter screen is provided at the inlet of the discharge pipe.
本实用新型的上述技术方案相比现有技术具有以下优点:本实用新型中的球磨机是横卧绕轴转动的滚筒,内有石(瓷)球或钢球。在转动时,附有研磨料的球在转动中提高、滚下,在滚下时,球间的摩擦和撞击使颜料聚集体分离。尤其是撞击,对烧结的聚集体有分散效果,用于碾磨、粉碎难以分散的颜料。球磨机在工作时,在简体内的研磨介质和物料一起随筒体转动提升至一定高度,由于重力作用而脱离筒壁沿抛物线下落,物料在研磨介质的冲击作用和研磨介质的滚动和滑动产生的摩擦和剪切作用下粉碎。球磨过程在密闭的筒体内进行,无有害气体的排放,适于环保;筛分分级系统包括多级适于串联的筛分分级装置,实现分级筛分。 Compared with the prior art, the above-mentioned technical solution of the utility model has the following advantages: the ball mill in the utility model is a cylinder that is recumbent and rotates around an axis, and there are stone (porcelain) balls or steel balls inside. During the rotation, the balls with abrasives are raised and rolled down during the rotation, and the friction and impact between the balls separate the pigment aggregates when they are rolled down. Especially the impact has a dispersing effect on the sintered aggregates, and is used for grinding and pulverizing pigments that are difficult to disperse. When the ball mill is working, the grinding medium and the material in the body are lifted to a certain height with the rotation of the cylinder, and due to gravity, they fall away from the cylinder wall and fall along a parabola. The impact of the material on the grinding medium and the rolling and sliding of the grinding medium are generated Crushed by friction and shear. The ball milling process is carried out in a closed cylinder without harmful gas emissions, which is suitable for environmental protection; the screening and grading system includes multi-stage sieving and grading devices suitable for series connection to achieve grading and sieving.
附图说明 Description of drawings
为了使本实用新型的内容更容易被清楚的理解,下面根据的具体实施例并结合附图,对本实用新型作进一步详细的说明,其中 In order to make the content of the utility model easier to understand clearly, the utility model will be further described in detail according to the specific embodiments below in conjunction with the accompanying drawings, wherein
图1为本实用新型的铝银浆的生产系统的结构示意图; Fig. 1 is the structural representation of the production system of aluminum-silver paste of the present utility model;
图2为本实用新型的球磨机的结构示意图。 Fig. 2 is a structural schematic diagram of the ball mill of the present invention.
具体实施方式 Detailed ways
见图1,本实施例的环保型铝银浆的生产系统包括:球磨机10、筛分分级装置、用于滤除铝银浆中的油的压滤机30和用于将该压滤机30生成的滤饼与溶剂混合搅拌的捏合机。
See Fig. 1, the production system of the environment-friendly type aluminum-silver paste of the present embodiment comprises:
球磨机10的底部设有用于收集球磨机10输出的铝银浆的浆池9,该浆池9通过一输送泵8与一储料罐11相连。
The bottom of the
所述筛分分级装置包括一二级筛分分级装置20和二级筛分分级装置21;所述储料罐11的底部出口与所述一级筛分分级装置20的入口相连,该一级筛分分级装置20的细料出口与所述二级筛分分级装置20、21的入口相连;所述一级筛分分级装置20、21的粗料出口与一粗料回收罐12的入料口相连。
Described screening and classifying device comprises a secondary screening and classifying
所述二级筛分分级装置21的粗、细料出口分别与第一收集罐22和第二收集罐23相连,该第一、第二收集罐通过抽液泵24与压滤机30相连。
The coarse and fine material outlets of the secondary screening and
所述球磨机包括筒体1,在该筒体1的中心轴线上且于该筒体1的左右两端设有转轴,该对转轴轴承配合在一对轴承座3上,右端的转轴与一减速机2传动配合,该减速机2与一电动机传动配合。
The ball mill includes a
左端的所述转轴为空心管轴,该空心管轴上设有进气控制阀5,该空心管轴的外端口与压缩氮气源相连,用于输入氮气并防止铝粉氧化,同时可方便出料。
The rotating shaft at the left end is a hollow tube shaft, on which an air
在筒体1的柱面上设有进出料口4,该进出料口4上设有密封盖7,该密封盖7上设有带阀的出料管,该出料管的入口设有滤网,以防止大颗粒或团块的物料流出。
On the cylindrical surface of the
所述筒体1的上方设有喷淋管6,用于喷淋冷却水,防止筒体1表面温度过高。
The top of the
捏合机是由一对互相配合和旋转的叶片(通常呈S形)所产生强烈剪切作用而使半干状态迅速反应从而获得均匀的混合搅拌。捏合机广泛应用于高粘度密封胶、硅橡胶、中性酸性玻璃胶、口香糖、泡泡糖、纸浆、纤维素、亦用于电池、油墨、颜料、染料、医药、树脂、塑料、橡胶、化妆品等行业。 The kneader is a pair of mating and rotating blades (usually S-shaped) that generate a strong shearing action to make the semi-dry state react quickly to obtain uniform mixing and stirring. Kneading machine is widely used in high viscosity sealant, silicone rubber, neutral acid glass glue, chewing gum, bubble gum, pulp, cellulose, also used in battery, ink, pigment, dye, medicine, resin, plastic, rubber, cosmetics and other industries .
显然,上述实施例仅仅是为清楚地说明本实用新型所作的举例,而并非是对本实用新型的实施方式的限定。对于所属领域的普通技术人员来说,在上述说明的基础上还可以做出其它不同形式的变化或变动。这里无需也无法对所有的实施方式予以穷举。而这些属于本实用新型的精神所引伸出的显而易见的变化或变动仍处于本实用新型的保护范围之中。 Apparently, the above-mentioned embodiments are only examples for clearly illustrating the utility model, rather than limiting the implementation manner of the utility model. For those of ordinary skill in the art, other changes or changes in different forms can be made on the basis of the above description. It is not necessary and impossible to exhaustively list all the implementation manners here. And these obvious changes or variations derived from the spirit of the present utility model are still within the protection scope of the present utility model.
Claims (1)
Priority Applications (1)
| Application Number | Priority Date | Filing Date | Title |
|---|---|---|---|
| CN2012202015900U CN202555822U (en) | 2012-05-08 | 2012-05-08 | Environment-friendly aluminum paste production system |
Applications Claiming Priority (1)
| Application Number | Priority Date | Filing Date | Title |
|---|---|---|---|
| CN2012202015900U CN202555822U (en) | 2012-05-08 | 2012-05-08 | Environment-friendly aluminum paste production system |
Publications (1)
| Publication Number | Publication Date |
|---|---|
| CN202555822U true CN202555822U (en) | 2012-11-28 |
Family
ID=47205526
Family Applications (1)
| Application Number | Title | Priority Date | Filing Date |
|---|---|---|---|
| CN2012202015900U Expired - Fee Related CN202555822U (en) | 2012-05-08 | 2012-05-08 | Environment-friendly aluminum paste production system |
Country Status (1)
| Country | Link |
|---|---|
| CN (1) | CN202555822U (en) |
Cited By (5)
| Publication number | Priority date | Publication date | Assignee | Title |
|---|---|---|---|---|
| CN107837934A (en) * | 2017-10-24 | 2018-03-27 | 河南浩丰铝业科技发展有限公司 | A kind of aluminium silver oar Preparation equipment of high buoyancy, high brightness |
| CN109395861A (en) * | 2018-11-08 | 2019-03-01 | 丹阳市美尔鑫化工有限公司 | A kind of aluminium pigment preparation ball milling, screening and the press filteration system of environmental protection |
| CN109465074A (en) * | 2018-11-07 | 2019-03-15 | 丹阳市美尔鑫化工有限公司 | A kind of environmentally friendly aluminum paste production multistage screening plant of green non-pollution |
| CN109499722A (en) * | 2018-11-08 | 2019-03-22 | 丹阳市美尔鑫化工有限公司 | A kind of environmentally friendly aluminum paste production system of green non-pollution |
| CN112111183A (en) * | 2020-10-27 | 2020-12-22 | 内蒙古旭阳新材料有限公司 | Aluminum paste automated production system |
-
2012
- 2012-05-08 CN CN2012202015900U patent/CN202555822U/en not_active Expired - Fee Related
Cited By (5)
| Publication number | Priority date | Publication date | Assignee | Title |
|---|---|---|---|---|
| CN107837934A (en) * | 2017-10-24 | 2018-03-27 | 河南浩丰铝业科技发展有限公司 | A kind of aluminium silver oar Preparation equipment of high buoyancy, high brightness |
| CN109465074A (en) * | 2018-11-07 | 2019-03-15 | 丹阳市美尔鑫化工有限公司 | A kind of environmentally friendly aluminum paste production multistage screening plant of green non-pollution |
| CN109395861A (en) * | 2018-11-08 | 2019-03-01 | 丹阳市美尔鑫化工有限公司 | A kind of aluminium pigment preparation ball milling, screening and the press filteration system of environmental protection |
| CN109499722A (en) * | 2018-11-08 | 2019-03-22 | 丹阳市美尔鑫化工有限公司 | A kind of environmentally friendly aluminum paste production system of green non-pollution |
| CN112111183A (en) * | 2020-10-27 | 2020-12-22 | 内蒙古旭阳新材料有限公司 | Aluminum paste automated production system |
Similar Documents
| Publication | Publication Date | Title |
|---|---|---|
| CN202555822U (en) | Environment-friendly aluminum paste production system | |
| CN205797710U (en) | A kind of high efficiency baby rice powder screening plant | |
| CN108355569B (en) | Solid-liquid mixing device for preparing superfine slurry | |
| CN203292061U (en) | Device for sieving, mixing and discharging refractory raw material | |
| CN106423453A (en) | Raw material crushing and mixing all-in-one machine suitable for paint machining and operation method thereof | |
| CN214159277U (en) | Slurry mixing device | |
| CN209222327U (en) | A kind of grinding device for coating material production | |
| CN205886702U (en) | Biological new material production is with mixing mixer | |
| CN104437784A (en) | Pulverizer | |
| CN202555346U (en) | Centrifugal bead mill | |
| CN206296009U (en) | Horizontal pin nanometer sand mill | |
| CN204307568U (en) | A kind of double helix agitator tank | |
| CN209348718U (en) | A kind of building coating disperse mill of abundant grinding dispersion | |
| CN202570276U (en) | Environment-friendly ball-milling, screening and press-filtering system for producing aluminum paste | |
| CN209519854U (en) | A kind of paint grinding device | |
| CN205495758U (en) | Vacuum powder extruder | |
| CN202570275U (en) | Ball-milling, screening and classification system for production of environment-friendly aluminum paste | |
| CN104258764B (en) | A kind of double helix agitator tank | |
| CN219210104U (en) | Raw material crusher for building coating production | |
| CN204816712U (en) | Vertical grinding device | |
| CN206435314U (en) | A kind of high-efficiency pulverizer | |
| CN205966076U (en) | A stirring grinder for ink production | |
| CN204769041U (en) | Powder grinding device | |
| CN211134116U (en) | Equipment for removing gas on surface of nano calcium carbonate acid | |
| CN208390148U (en) | A kind of high throughput sand mill |
Legal Events
| Date | Code | Title | Description |
|---|---|---|---|
| C14 | Grant of patent or utility model | ||
| GR01 | Patent grant | ||
| C17 | Cessation of patent right | ||
| CF01 | Termination of patent right due to non-payment of annual fee |
Granted publication date: 20121128 Termination date: 20130508 |
