CN202550548U - 一种电压质量调节装置 - Google Patents

一种电压质量调节装置 Download PDF

Info

Publication number
CN202550548U
CN202550548U CN201220135263XU CN201220135263U CN202550548U CN 202550548 U CN202550548 U CN 202550548U CN 201220135263X U CN201220135263X U CN 201220135263XU CN 201220135263 U CN201220135263 U CN 201220135263U CN 202550548 U CN202550548 U CN 202550548U
Authority
CN
China
Prior art keywords
voltage
unit
power supply
module
power
Prior art date
Legal status (The legal status is an assumption and is not a legal conclusion. Google has not performed a legal analysis and makes no representation as to the accuracy of the status listed.)
Expired - Lifetime
Application number
CN201220135263XU
Other languages
English (en)
Inventor
何维国
刘隽
赵国亮
胡为进
包海龙
蒋晓春
Current Assignee (The listed assignees may be inaccurate. Google has not performed a legal analysis and makes no representation or warranty as to the accuracy of the list.)
Shanghai Electric Power Corp
China Electric Power Research Institute Co Ltd CEPRI
Original Assignee
Shanghai Electric Power Corp
China Electric Power Research Institute Co Ltd CEPRI
Priority date (The priority date is an assumption and is not a legal conclusion. Google has not performed a legal analysis and makes no representation as to the accuracy of the date listed.)
Filing date
Publication date
Application filed by Shanghai Electric Power Corp, China Electric Power Research Institute Co Ltd CEPRI filed Critical Shanghai Electric Power Corp
Priority to CN201220135263XU priority Critical patent/CN202550548U/zh
Application granted granted Critical
Publication of CN202550548U publication Critical patent/CN202550548U/zh
Anticipated expiration legal-status Critical
Expired - Lifetime legal-status Critical Current

Links

Images

Classifications

    • YGENERAL TAGGING OF NEW TECHNOLOGICAL DEVELOPMENTS; GENERAL TAGGING OF CROSS-SECTIONAL TECHNOLOGIES SPANNING OVER SEVERAL SECTIONS OF THE IPC; TECHNICAL SUBJECTS COVERED BY FORMER USPC CROSS-REFERENCE ART COLLECTIONS [XRACs] AND DIGESTS
    • Y02TECHNOLOGIES OR APPLICATIONS FOR MITIGATION OR ADAPTATION AGAINST CLIMATE CHANGE
    • Y02EREDUCTION OF GREENHOUSE GAS [GHG] EMISSIONS, RELATED TO ENERGY GENERATION, TRANSMISSION OR DISTRIBUTION
    • Y02E40/00Technologies for an efficient electrical power generation, transmission or distribution
    • Y02E40/40Arrangements for reducing harmonics

Landscapes

  • Rectifiers (AREA)

Abstract

一种电压质量调节装置,涉及一种用于交流干线或交流配电网络的电路装置,尤其是涉及到一种适用于高压交流电网稳定电压和减少谐波或波纹的装置,包括电压调节模块、可控整流模块和检测控制模块,电压质量调节装置连接在三相系统电源和敏感负载之间,电压调节模块为多重化级联IGBT功率模块,每相由n个PWM可控整流单元和n个串联连接的基波电压补偿单元组成;主电路是IGBT组成的H桥功率单元电路,每个PWM可控整流单元连接一个基波电压补偿单元;隔离变压器包含n个二次绕组,每个二次绕组对应连接一个PWM可控整流单元。该装置可以显著提高敏感用户供电电能质量,减少电网和敏感负载用电设备的故障、降低电网损耗、提高电能利用率。

Description

一种电压质量调节装置
技术领域
本实用新型涉及一种用于交流干线或交流配电网络的电路装置,尤其是涉及到一种适用于高压交流电网稳定电压和减少谐波或波纹的装置。 
背景技术
城市电网中现代工业、商业和居民用电设备,如高性能办公设备、精密实验仪器、变频调速设备、可编程逻辑控制器、各种自动生产线以及计算机系统等对电源特性变化敏感性负荷呈逐年上升趋势,对电能质量的要求不断提高。对敏感用户(如半导体制造企业)而言,几十毫秒的电压暂降就可能导致设备损坏、生产线停产,造成巨大经济损失。与此同时,分布式能源、冲击性和干扰性负荷的大量接入等因素都使得电网电能质量存在日趋恶化的趋势,严重威胁电力系统的安全运行和用电设备的正常工作。 
针对敏感负荷电能质量控制问题,国内外开展了电能质量控制产品的研究制造。但是,电能质量控制装置还没有形成标准化的产品,并且主要停留在低压小容量范围,中国实用新型专利“低谐波电源质量控制系统”(实用新型专利号:ZL201020133972公开号:CN201656479)公开了一种低谐波电源质量控制系统。该低谐波电源质量控制系统包含检测装置、电力调整装置、阻性负载装置。检测装置接收来自于阻性负载装置的反馈信号。检测装置输出的控制信号可以用电压或电流为信号。电力调整装置接收到所述控制信号后,以比例方式输出驱动电压。所述比例方式为在连续输出时间间隔输出全功率驱动电压,并在连续不输出时间间隔停止输出全功率驱动电压。阻性负载装置接收驱动电压后,输出反馈信号到检测装置。以比例方式在连续输出时间间隔输出全功率驱动电压,并在连续不输出时间间隔停止输出全功率驱动电压,将能够有效的减少产生电力的谐波。但是该装置仅适用于小功率的阻性负载装置,不适用于高压大功率的电网电能质量控制;其目的是减少阻性负载装置产生的谐波对电源质量的影响,而不是通过改善供电电网的电能质量,为敏感负载提供更高质量的电源。 
实用新型内容
本实用新型的目的是要提供一种电压质量调节装置,解决提高敏感用户供电电能质量,减少电网和敏感负载用电设备的故障、降低电网损耗、提高电能利用率的技术问题。 
本实用新型解决上述技术问题所采用的技术方案是: 
一种电压质量调节装置,包括电压调节模块、可控整流模块和检测控制模块,所述的电压质量调节装置连接在三相系统电源和敏感负载之间,所述的检测控制模块的检测输入端连接到三相系统电源,所述的检测控制模块的控制输出端,连接到电压调节模块和可控整流模块,其特征在于: 
所述的电压调节模块为多重化级联IGBT功率模块,每相由n个串联连接的基波电压补偿单元组成,其中1≤n≤20; 
所述的可控整流模块包含n个PWM可控整流单元,每个PWM可控整流单元连接一个基波电压补偿单元; 
所述PWM可控整流单元的交流侧,通过一台多绕组隔离变压器连接到三相系统电源; 
所述隔离变压器包含3n个二次绕组,每个二次绕组对应连接一个PWM可控整流单元; 
所述的基波电压补偿单元的主电路是IGBT连接组成的H桥功率单元电路,每一路H桥功率单元电路的输入端,分别连接到对应的PWM可控整流单元的直流侧。 
本实用新型的电压质量调节装置的一种较佳的技术方案,其特征在于所述的电压调节模块设有谐波电压补偿单元和与其对应的PWM可控整流单元,所述的谐波电压补偿单元的主电路是IGBT连接组成的H桥功率单元电路;所述隔离变压器设有为谐波电压补偿单元供电的二次绕组;所述为谐波电压补偿单元供电的二次绕组,通过所述对应的PWM可控整流单元,连接到所述的谐波电压补偿单元的H桥功率单元电路的输入端;连接在三相系统电源同一相上的谐波电压补偿单元与基波电压调节模块串联连接。 
本实用新型的电压质量调节装置的一种更好的技术方案,其特征在于所述的电压质量调节装置还设有可控旁路开关元件,所述可控旁路开关元件与所述的电压调节模块的输出端并联,连接在三相系统电源和敏感负载之间;所述可控旁路开关元件的控制极,通过光耦或光纤隔离连接到所述的检测控制模块。 
本实用新型的电压质量调节装置的一种改进的技术方案,其特征在于所述的检测控制模块包含数字信号处理器、信号调理元件、电流/电压转换元件和网络接口单元;所述的数字信号处理器设有AD转换器和PWM输出端口,所述AD转换器的模拟信号输入端,通过信号调理元件和电流/电压转换元件连接到三相系统电源的电压互感器和电流互感器;所述PWM输出端口通过IGBT驱动电路,分别连接到各路基波电压补偿单元和谐波电压补偿单元的IGBT的栅极;所述的数字信号处理器通过网络接口单元连接到三相系统电源的电网监控系统。 
本实用新型的有益效果是: 
1.本实用新型的电压质量调节装置,可以显著提高敏感用户供电电能质量,减少电网和敏感负载用电设备的故障、降低电网损耗、提高电能利用率。 
2.采用多重化级联IGBT功率模块,通过功率单元的串联,降低了功率器件的耐压要求,可采用技术成熟、价格低廉的低压IGBT组成逆变单元,通过串联单元的个数适应不同的输出电压要求。 
3.由于逆变器采用多重化PWM技术,经叠加可得到理想的相电压波形,堪称完美无谐波。输入功率因数可达0.95以上,不必设置输入滤波器和功率因数补偿装置,进一步降低了系统成本。波形的改善除减小输出谐波外,还可以降低噪声和dv/dt值。 
4.由于电压调节模块和可控整流模块的各功率单元具有相同的结构及参数,便于将功率单元做成模块化,实现冗余设计,即使在个别单元故障时也可通过单元旁路功能将该单元短路,或者通过可控旁路开关元件继续供电,进一步提高了敏感负荷系统供电的可靠性行。 
附图说明
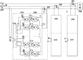
图1是本实用新型的电压质量调节装置的主电路图; 
图2是多重化级联IGBT功率模块的工作原理框图; 
图3是本实用新型的电压质量调节装置的H桥单元电路图; 
图4是本实用新型的电压质量调节装置的控制单元电路图。 
以上图中的各部件的标号:100-三相电源,200-多重化级联IGBT功率模块,101~10n-PWM可控整流单元,201~20n-H桥功率模块,210-可控整流模块,300-数字信号处理器,310-AD转换器,320-PWM输出端口,400-信号调理元件,410-电流/电压转换元件,500-网络接口单元,700-IGBT驱动电路,900-敏感负载。 
具体实施方式
为了能更好地理解本实用新型的上述技术方案,下面结合附图和实施例进行进一步详细描述。 
图1是本实用新型的电压质量调节装置的主电路图,包括电压调节模块200、可控整流模块210和检测控制模块(图中未表示),所述的电压质量调节装置连接在三相系统电源100和敏感负载900之间,所述的检测控制模块的检测输入端连接到三相系统电源 100,所述的检测控制模块的控制输出端,连接到电压调节模块200和可控整流模块210。电压调节模块200为多重化级联IGBT功率模块,每相由n个串联连接的基波电压补偿单元201~20n组成,其中1≤n≤20(参见图3)。 
图3是本实用新型的电压质量调节装置的H桥单元电路图,图3中仅表示了三相多重化级联IGBT功率模块中的一相,另外两相的电路结构完全相同。图中,可控整流模块210包含n个PWM可控整流单元101~10n,每一个PWM可控整流单元连接一个基波电压补偿单元,即可控整流单元101连接到基波电压补偿单元201,可控整流单元102连接到基波电压补偿单元203,依次类推;PWM可控整流单元101~10n的交流侧,通过一个多绕组隔离变压器T10连接到三相系统电源100;所述隔离变压器包含3n个二次绕组,每个二次绕组对应连接一个PWM可控整流单元。 
在本实施例中,PWM可控整流单元101~10n的主电路与基波电压补偿单元201~20n的主电路相同,都是绝缘栅双极型晶体管(IGBT)连接组成的H桥功率单元电路,每个功率单元101~10n或201~20n都是由IGBT(T1至T4)构成,所有的PWM可控整流单元101~10n,组成单相电压型PWM可控整流,完成从系统吸收有功能量或向系统倒灌能量的功能,保证直流侧电容C1~Cn两端的电压稳定。所有基波电压补偿单元201~20n,组成三相输入、单相输出的PWM电压型逆变器。每个功率单元201~20n的输出电压为1、0、-1三种状态电平,每相n个单元叠加,就可产生2n+1种不同的电平等级。 
基波电压补偿单元201~20n的每一路H桥功率单元电路的输入端,分别连接到对应的PWM可控整流单元的直流侧。 
隔离变压器T10为三相电力变压器,共有3n个二次绕组,分成n组,每组之间通过隔离变压器的不同联接组别,实现180/3n的相位差(参见图2)。图2中以5单元级联模式为例,以中间Δ接法为参考(相位差为0),上下方各有两套分别超前(+180/3n、+360/3n)和滞后(-180/3n、-360/3n)的4组绕组。通过变压器的不同联接组别,可以实现所需相差角度。若每组由5个额定电压为690V的功率单元串联,相电压为690V×5=3450V,所对应的线电压为6000V,从而实现了用低压功率元件实现高压电压补偿的功能。采用功率单元串联,而不是用传统的器件串联来实现高压输出,所以不存在器件均压的问题。每个功率单元承受的输出电流都等于负载相电流,即,I1=I2=…=In;每个功率单元承受的电压Ui(i=1-n)为输出相电压U的1/n;每个功率单元承受1/3n的输出功率。 
根据本实用新型的电压质量调节装置的另一个实施例,电压调节模块200设有谐波电压补偿单元和与其对应的PWM可控整流单元,所述的谐波电压补偿单元的主电路与基 波电压补偿单元的主电路完全相同,都是IGBT连接组成的H桥功率单元电路;隔离变压器T10设有为谐波电压补偿单元供电的二次绕组;所述为谐波电压补偿单元供电的二次绕组,通过所述对应的PWM可控整流单元,连接到所述的谐波电压补偿单元的H桥功率单元电路的输入端;连接在三相系统电源同一相上的谐波电压补偿单元和基波电压补偿单元串联连接后,通过电感L与电容器Cx组成的LC滤波电路,串联接入三相系统电源100和敏感负载900之间。逆变输出侧的滤波电感L在负载侧发生短路时提供限流保护功能。 
在图1所示的本实用新型的电压质量调节装置的实施例中,电压质量调节装置还设有可控旁路开关元件BT,可控旁路开关元件BT可以采用双向晶闸管或其他反向并联的可控电力开关器件组成,可控旁路开关元件BT与电压调节模块200的输出端并联,也就是与LC滤波电路中的滤波电容Cx并联,连接在三相系统电源100和敏感负载900之间;所述可控旁路开关元件BT的控制极,通过光耦或光纤隔离连接到所述的检测控制模块。当电压调节模块200发生故障时,所述的检测控制模块在关闭电压调节模块的同时,接通可控旁路开关元件BT,三相系统电源100可以通过可控旁路开关元件BT继续向敏感负载900供电。 
本实用新型的电压质量调节装置的检测控制模块如图4所示,包含数字信号处理器300、信号调理元件400、电流/电压转换元件410和网络接口单元500,数字信号处理器300设有AD转换器310和PWM输出端口320,AD转换器310的模拟信号输入端,通过信号调理元件400和电流/电压转换元件410连接到三相系统电源的电压互感器和电流互感器,接收电源电压和电流检测信号;PWM输出端口320通过IGBT驱动电路700,分别连接到各路基波电压补偿单元和谐波电压补偿单元的IGBT(T1至T4)的栅极,把数字信号处理器300产生的PWM控制信号传送给多重化级联的各个功率单元;数字信号处理器300通过网络接口单元500连接到三相系统电源的电网监控系统,实现远程监控和联网控制。 
在本实用新型的一个实施例中,数字信号处理器300为TI公司的TMS320F28335型数字信号处理器,该处理器具有150MHz的高速处理能力,具备32位浮点处理单元,6个DMA通道支持ADC、McBSP和EMIF,有多达18路的PWM输出,其中有6路为TI特有的更高精度的PWM输出(HRPWM),12位16通道ADC。IGBT驱动电路700可以使用任何现有的IGBT驱动集成电路,典型的实施例是EXB8系列的EXB840,EXB841,EXB850,EXB851,M579系列的M57957,M57958,M57962,HL系列的HL402,GH系列的GH-039等。在该实施例中,网络接口单元500采用EtherCAT从站控制器ET1100,EtherCAT是开放的实时以太网络通讯协议,能够满足电力系统规模的不断扩大,系统运行方式越来越复杂,对自 动化水平的要求越来越高的要求。 
28335产生8路PWM波,经过IGBT驱动电路700送出。板卡上将所有输入故障信号相“或”送给6路封锁PWM输入信号(TZ),确保一旦发生故障28335可直接从硬件上封锁所有PWM。 
模拟量采集通道连接的信号调理元件400和电流/电压转换元件410包括:两路电压霍尔元件(CHV-50P/1200A)输入,2路电流霍尔元件输入,4路热敏电阻采样输入,AD转换器采用28335内部12bitAD。 
DIDO连接的4路DI输入端子连接的数字输入信号包括:整流桥左桥臂故障,右桥臂故障,逆变桥左桥臂故障,右桥臂故障,驱动板电源欠压故障;DO输出端的数字输出信号包括:8路PWM信号,封锁旁路信号和驱动板复位信号。 
本技术领域中的普通技术人员应当认识到,以上的实施例仅是用来说明本实用新型的技术方案,而并非用作为对本实用新型的限定,任何基于本实用新型的实质精神对以上所述实施例所作的变化、变型,都将落在本实用新型的权利要求的保护范围内。 

Claims (4)

1.一种电压质量调节装置,包括电压调节模块、可控整流模块和检测控制模块,所述的电压质量调节装置连接在三相系统电源和敏感负载之间,所述的检测控制模块的检测输入端连接到三相系统电源,所述的检测控制模块的控制输出端,连接到电压调节模块和可控整流模块,其特征在于:
所述的电压调节模块为多重化级联IGBT功率模块,每相由n个串联连接的基波电压补偿单元组成,其中1≤n≤20;
所述的可控整流模块包含n个PWM可控整流单元,每个PWM可控整流单元连接一个基波电压补偿单元;
所述PWM可控整流单元的交流侧,通过一台多绕组隔离变压器连接到三相系统电源;
所述隔离变压器包含3n个二次绕组,每个二次绕组对应连接一个PWM可控整流单元;
所述的基波电压补偿单元的主电路是IGBT连接组成的H桥功率单元电路,每一路H桥功率单元电路的输入端,分别连接到对应的PWM可控整流单元的直流侧。
2.根据权利要求1所述的电压质量调节装置,其特征在于所述的电压调节模块设有谐波电压补偿单元和与其对应的PWM可控整流单元,所述的谐波电压补偿单元的主电路是IGBT连接组成的H桥功率单元电路;所述隔离变压器设有为谐波电压补偿单元供电的二次绕组;所述为谐波电压补偿单元供电的二次绕组,通过所述对应的PWM可控整流单元,连接到所述的谐波电压补偿单元的H桥功率单元电路的输入端;连接在三相系统电源同一相上的谐波电压补偿单元与基波电压调节模块串联连接。
3.根据权利要求1所述的电压质量调节装置,其特征在于所述的电压质量调节装置还设有可控旁路开关元件,所述可控旁路开关元件与所述的电压调节模块的输出端并联,连接在三相系统电源和敏感负载之间;所述可控旁路开关元件的控制极,通过光耦或光纤隔离连接到所述的检测控制模块。
4.根据权利要求1、2或3所述的电压质量调节装置,其特征在于所述的检测控制模块包含数字信号处理器、信号调理元件、电流/电压转换元件和网络接口单元;所述的数字信号处理器设有AD转换器和PWM输出端口,所述AD转换器的模拟信号输入端,通过信号调理元件和电流/电压转换元件连接到三相系统电源的电压互感器 和电流互感器;所述PWM输出端口通过IGBT驱动电路,分别连接到各路基波电压补偿单元和谐波电压补偿单元的IGBT的栅极;所述的数字信号处理器通过网络接口单元连接到三相系统电源的电网监控系统。 
CN201220135263XU 2012-04-01 2012-04-01 一种电压质量调节装置 Expired - Lifetime CN202550548U (zh)

Priority Applications (1)

Application Number Priority Date Filing Date Title
CN201220135263XU CN202550548U (zh) 2012-04-01 2012-04-01 一种电压质量调节装置

Applications Claiming Priority (1)

Application Number Priority Date Filing Date Title
CN201220135263XU CN202550548U (zh) 2012-04-01 2012-04-01 一种电压质量调节装置

Publications (1)

Publication Number Publication Date
CN202550548U true CN202550548U (zh) 2012-11-21

Family

ID=47171117

Family Applications (1)

Application Number Title Priority Date Filing Date
CN201220135263XU Expired - Lifetime CN202550548U (zh) 2012-04-01 2012-04-01 一种电压质量调节装置

Country Status (1)

Country Link
CN (1) CN202550548U (zh)

Cited By (3)

* Cited by examiner, † Cited by third party
Publication number Priority date Publication date Assignee Title
CN107677943A (zh) * 2017-10-25 2018-02-09 广西电网有限责任公司电力科学研究院 一种高压xlpe电缆及其附件基波叠加多谐波试验装置
CN112688364A (zh) * 2020-12-22 2021-04-20 南京理工大学 一种用于大兆瓦级电网特性实时模拟装置的变流拓扑结构
CN112886828A (zh) * 2021-01-13 2021-06-01 江苏金风科技有限公司 一种电网模拟器拓扑结构及其控制方法

Cited By (4)

* Cited by examiner, † Cited by third party
Publication number Priority date Publication date Assignee Title
CN107677943A (zh) * 2017-10-25 2018-02-09 广西电网有限责任公司电力科学研究院 一种高压xlpe电缆及其附件基波叠加多谐波试验装置
CN112688364A (zh) * 2020-12-22 2021-04-20 南京理工大学 一种用于大兆瓦级电网特性实时模拟装置的变流拓扑结构
CN112886828A (zh) * 2021-01-13 2021-06-01 江苏金风科技有限公司 一种电网模拟器拓扑结构及其控制方法
CN112886828B (zh) * 2021-01-13 2022-08-12 江苏金风科技有限公司 一种电网模拟器拓扑结构及其控制方法

Similar Documents

Publication Publication Date Title
CN201035433Y (zh) 能量双向流动的电压调节器
CN102593859B (zh) 一种基于mmc的三相upqc拓扑电路
CN105024575B (zh) 一种地铁能量回馈装置
US20140176088A1 (en) Distribution transformer power flow controller
CN104901305A (zh) 具有功率融通功能的牵引供电末端网压提升装置及其方法
CN105471297B (zh) T型三电平变流器功率模块
CN109494770A (zh) 一种三相负荷不平衡智能调节装置及方法
CN202550540U (zh) 一种分相储能装置无串联变压器的电能质量控制装置
CN204068723U (zh) 一种三相电压暂降发生装置
CN202550548U (zh) 一种电压质量调节装置
CN202550538U (zh) 一种逐周限流保护电能质量控制装置
CN107154630A (zh) 一种混合型电力电子变电站
CN208094195U (zh) 一种低压配电网电能质量控制系统
CN107394801B (zh) 一种基于三相四线制三电平svg的台区变不平衡电流治理装置
CN202550547U (zh) 一种综合过流保护电流质量调节装置
CN202817756U (zh) 有源电力滤波装置
CN202050256U (zh) 基于dsp的ups控制系统
CN202550556U (zh) 一种复合电能质量控制装置
CN202550534U (zh) 一种综合过流保护电能质量控制装置
CN202550542U (zh) 一种逐周限流保护电流质量调节装置
CN204144950U (zh) 一种补偿式程控线路有载调压系统
CN202550533U (zh) 一种互备保护型电流质量调节装置
CN202564949U (zh) 一种互备保护型电能质量控制装置
CN202565186U (zh) 一种igbt构成的vsc换流器
CN202004466U (zh) 无串联变压器级联多电平动态电压调节器

Legal Events

Date Code Title Description
C14 Grant of patent or utility model
GR01 Patent grant
CX01 Expiry of patent term
CX01 Expiry of patent term

Granted publication date: 20121121