CN202484515U - 一种正向水锤防护装置 - Google Patents
一种正向水锤防护装置 Download PDFInfo
- Publication number
- CN202484515U CN202484515U CN2012201137065U CN201220113706U CN202484515U CN 202484515 U CN202484515 U CN 202484515U CN 2012201137065 U CN2012201137065 U CN 2012201137065U CN 201220113706 U CN201220113706 U CN 201220113706U CN 202484515 U CN202484515 U CN 202484515U
- Authority
- CN
- China
- Prior art keywords
- valve
- separator tube
- pipe
- water hammer
- pressure
- Prior art date
- Legal status (The legal status is an assumption and is not a legal conclusion. Google has not performed a legal analysis and makes no representation as to the accuracy of the status listed.)
- Withdrawn - After Issue
Links
- XLYOFNOQVPJJNP-UHFFFAOYSA-N water Substances O XLYOFNOQVPJJNP-UHFFFAOYSA-N 0.000 title claims abstract description 46
- 230000001681 protective effect Effects 0.000 title abstract 4
- 238000012423 maintenance Methods 0.000 claims description 13
- 239000003795 chemical substances by application Substances 0.000 claims description 6
- 238000003466 welding Methods 0.000 claims description 3
- 238000007789 sealing Methods 0.000 claims description 2
- ZZUFCTLCJUWOSV-UHFFFAOYSA-N furosemide Chemical compound C1=C(Cl)C(S(=O)(=O)N)=CC(C(O)=O)=C1NCC1=CC=CO1 ZZUFCTLCJUWOSV-UHFFFAOYSA-N 0.000 claims 1
- 230000008901 benefit Effects 0.000 abstract description 2
- 239000013589 supplement Substances 0.000 abstract 4
- 238000004519 manufacturing process Methods 0.000 abstract 1
- 230000002265 prevention Effects 0.000 abstract 1
- 238000000034 method Methods 0.000 description 6
- 230000009471 action Effects 0.000 description 5
- 239000007789 gas Substances 0.000 description 5
- 230000005540 biological transmission Effects 0.000 description 4
- 230000006837 decompression Effects 0.000 description 4
- 230000015556 catabolic process Effects 0.000 description 3
- 230000008569 process Effects 0.000 description 3
- 238000000926 separation method Methods 0.000 description 3
- 238000012544 monitoring process Methods 0.000 description 2
- 230000000630 rising effect Effects 0.000 description 2
- WHXSMMKQMYFTQS-UHFFFAOYSA-N Lithium Chemical compound [Li] WHXSMMKQMYFTQS-UHFFFAOYSA-N 0.000 description 1
- 230000003139 buffering effect Effects 0.000 description 1
- 238000004364 calculation method Methods 0.000 description 1
- 230000008859 change Effects 0.000 description 1
- 238000010205 computational analysis Methods 0.000 description 1
- 230000001276 controlling effect Effects 0.000 description 1
- 230000007423 decrease Effects 0.000 description 1
- 230000000694 effects Effects 0.000 description 1
- 125000001145 hydrido group Chemical group *[H] 0.000 description 1
- 230000006872 improvement Effects 0.000 description 1
- 230000000977 initiatory effect Effects 0.000 description 1
- 238000009434 installation Methods 0.000 description 1
- 239000007788 liquid Substances 0.000 description 1
- 229910052744 lithium Inorganic materials 0.000 description 1
- 230000010355 oscillation Effects 0.000 description 1
- 230000001105 regulatory effect Effects 0.000 description 1
Images
Landscapes
- Pipe Accessories (AREA)
Abstract
一种正向水锤防护装置,包括主体装置和自动控制系统;主体装置包括直管、缓冲管、连接管、空气阀、压力波动预止阀、泄水管、补气管和补气闸阀;缓冲管两端密闭封堵,缓冲管位于直管上方,缓冲管中部侧壁通过连接管与直管中部侧壁连接,缓冲管上设置空气阀,缓冲管侧壁通过压力波动预止阀安装泄水管,缓冲管侧壁通过补气闸阀安装补气管;自动控制系统包括压力变送器、控制箱、控制电缆和信号电缆;压力变送器安装在直管的出水端,压力变送器、压力波动预止阀分别经信号电缆、控制电缆与控制箱连接。本实用新型有效防护或消弱正向水锤,特别适用于长距离输水管线,具有防护有效、结构简单、制作容易、安装方便、安全稳定、占地小及投资少等特点。
Description
技术领域
本实用新型属于长距离输水管线正向水锤防护设备技术领域,涉及一种正向水锤防护装置,具体涉及一种设备化、设施化和自动控制相结合的正向水锤防护装置。
背景技术
大流量、长距离输水管道工程的流量调配问题非常复杂,各种开关阀或运行中流量的调节操作往往会使管道产生水锤,其主要表现在关阀正向水锤:即在阀门关闭时会引起流量的变化,随之带来压力振荡波动。水锤主要来自阀门局部阻力与管线沿程阻力的消长,其引发的压力波动以阀门前段为最大;关阀正向水锤随着阀门关闭即时到来,没有延迟性,表现极快,这将会严重威胁整个输水系统的供水安全。
目前国内外解决该问题的方法主要有设施化与设备化两种方案。设施化方案有单向补给水箱、调压塔、空气压力罐等,其特点是传统、安全及稳定;而设备化方案有普通泄压阀、压力波动预止阀等,因其具有占地少、投资省及安全有效的特点,正被现代社会广泛地采纳。单向补给水箱或者调压塔因其占地大、投资高,受水压以及工程条件的严格限制;空气压力罐则因其体积大,应用于较大管径的系统当中会产生较大的一次投资及后期的运行费用;普通泄压阀常作为二次防护的主要工具,但大量的实践证明,在水锤发生、压力升高瞬间闪过时,因其反应速度跟不上快速压力波而不能及时打开,导致无法有效解决水锤;压力波动预止阀在防护正向水锤时表现比普通泄压阀更加优越、反应更加灵敏,但仍具有普通泄压阀前述的同等缺点。上述几种水锤防护措施在特定情况下行之有效,但常因其自身特点受水压要求和工程条件的限制。
实用新型内容
本实用新型的目的是提供一种可消除在大流量、长距离输水管道工程中因关阀或运行中流量的调节操作而出现的正向水锤的装置,该装置不仅结合设施化的“传统、安全、稳定”和设备化的“占地少、投资省”双重优点,而且不受水压要求和工程条件的限制。
为了实现上述目的,本实用新型采取的技术方案如下:一种正向水锤防护装置,包括主体装置和自动控制系统;主体装置包括直管、缓冲管、连接管、空气阀、压力波动预止阀、泄水管、补气管和补气闸阀;缓冲管两端密闭封堵,缓冲管位于直管上方,缓冲管中部侧壁通过连接管与直管中部侧壁连接, 缓冲管上设置空气阀,缓冲管侧壁通过压力波动预止阀安装泄水管,缓冲管侧壁通过补气闸阀安装补气管;自动控制系统包括压力变送器、控制箱、控制电缆和信号电缆;压力变送器安装在直管的出水端,压力变送器经信号电缆与控制箱连接,压力波动预止阀经控制电缆与控制箱连接。
缓冲管两端采用法兰盲板焊接或法兰连接封堵;为了检修空气阀,空气阀与缓冲管之间安装有检修闸阀;为了检修压力波动预止阀,压力波动预止阀与缓冲管之间安装有检修蝶阀。
使用时,直管两端连接在输水管道上,注意将压力变送器位于出水端。本实用新型主要通过缓冲管的弹性吸纳、空气阀的单向补气、压力波动预止阀的排水泄压及压力变送器的压力传感等四种作用,达到有效防护或消弱管线的正向水锤。与现有正向水锤防护技术相比具有防护有效、结构简单、制作容易、安装方便、安全稳定、占地小及投资少等特点。
本实用新型解决上述问题的技术构思是:通过设计一个适用于大流量、长距离输水管道的简易的“气压罐”,具有一定的“弹性吸纳”功能;其不能完成的“吸纳”能量则通过监测输水管道压力信号来自动控制压力波动预止阀开启泄水来释放完成;再次通过空气阀的单向补气,既保证“气压罐”的压力平衡,又能实现控制和调节输水管道系统中空气的补气,从而能够保护“气压罐”不被可能出现的负压(如输水管线管道检修排空等)压瘪。这种有效的正向水锤装置,即可使“气压罐”达到最佳有效体积,同时罐体内部气体缓冲将可弥补压力波动预止阀开启需要持续压升过程的缺点。
附图说明
图1 为本实用新型的结构示意图,
图2为图1的俯视图,
图3为图1的右视图,
图4为自动控制系统的结构示意图。
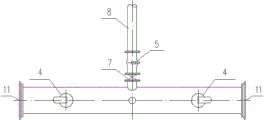
图中:1—直管,2—缓冲管,3—连接管,4—空气阀,5—压力波动预止阀,6—检修闸阀,7—检修蝶阀,8—泄水管,9—补气管,10—补气闸阀,11—法兰盲板,12—透视窗,13—压力变送器 ,14—控制箱,15—控制电缆 ,16—信号电缆。
具体实施方式
下面通过附图,对本实用新型做进一步的详细描述。如图1至图4所示:一种正向水锤防护装置,包括主体装置和自动控制系统;主体装置包括直管1、缓冲管2、连接管3、空气阀4、压力波动预止阀5、泄水管8、补气管9和补气闸阀10;缓冲管2、连接管3与直管1口径等同;缓冲管2两端密闭封堵,缓冲管2位于直管1上方,缓冲管2中部侧壁通过连接管3与直管1中部侧壁连接, 缓冲管2上设置空气阀4,缓冲管2侧壁通过压力波动预止阀5安装泄水管8,缓冲管2侧壁通过补气闸阀10安装补气管9;自动控制系统包括压力变送器13、控制箱14、控制电缆15和信号电缆16;压力变送器13安装在直管1的出水端,用以监测输水管线主管道的压力变化,压力变送器13经信号电缆16与控制箱14连接,压力波动预止阀5经控制电缆15与控制箱14连接。
控制箱14接收压力变送器13监测到的压力升高信号,并反馈于压力波动预止阀5,从而控制压力波动预止阀5的快速开启动作;压力波动预止阀5的排水泄压使系统压力下降至正常范围,控制箱14接收压力变送器13监测到的低压信号,并反馈于压力波动预止阀5,从而控制压力波动预止阀5的缓慢关闭动作;控制电缆15用以传输控制箱14输出的反馈控制信号,信号电缆16用以传输压力变送器13接收的压力信号。控制箱14可采用两相电源(220V)、锂电池或太阳能电池供电,同时具备数据远传功能。
补气管9和补气闸阀10,用于缓冲管2的补气;空气阀4为缓冲管2保气、补气之用,空气阀4为单向空气阀,具备真空破坏自动开启进气功能。即仅允许空气进入,而不让空气排出,起到保护缓冲管2不被可能出现的负压压瘪;压力波动预止阀5用以快速泄水达到减弱因正向水锤引起的管线主管道内部升压,压力波动预止阀5的控制方式为水力驱动和电磁式驱动结合式,具备快开慢关功能;泄水管8用以排除缓冲管2的泄水。
缓冲管2两端采用法兰盲板11焊接封堵;这样,缓冲管2相当于一个简易的气压罐,具有一定的弹性吸纳功能;法兰盲板11上设置有封闭承压的透视窗12,透视窗12设有刻度示意线,用以观测缓冲管2内部气水分离面的高度。
为了检修空气阀4,空气阀4与缓冲管2之间安装有检修闸阀6;为了检修压力波动预止阀5,压力波动预止阀5与缓冲管2之间安装有检修蝶阀7。为了保证缓冲管2内部的水气平衡和压力稳定,在缓冲管2两侧分别安装空气阀4及检修闸阀6。检修蝶阀7、压力波动预止阀5和泄水管8的口径等同;使用时,直管1两端连接在输水管道上,直管1与输水管道口径等同。
空气阀4与压力波动预止阀5的口径、缓冲管2长度可按照实际工程正向水锤理论计算分析确定,直管1、缓冲管2、连接管3、空气阀4、压力波动预止阀5、检修闸阀6与检修蝶阀7的承压能力按照实际工程计算得到的试验压力确定。
本实用新型的工作原理如下:图1中的箭头是输水管道水流的方向。装置正常运行时,检修闸阀6和检修蝶阀7始终处于开启状态,压力波动预止阀5和补气闸阀10始终处于关闭状态。
当输水管道空管充水时,手动打开补气闸阀10,排除输水管线主管道与缓冲管2中的大量气体,同时观测透视窗12的刻度示意线和缓冲管内部气水分离面高度,当气水分离面高度达到设定刻度后,及时关闭补气闸阀10。当输水管道系统长时间运行后,缓冲管2内的气体可能会缓慢泄漏,可利用小型移动式空压机通过补气管9与补气闸阀10对缓冲管进行一定的补气。
当输水管道检修排空、事故爆管或一旦出现负压等情况下,空气阀4形成真空破坏自动开启,迅速向缓冲管2与输水管道内补气,以避免缓冲管2与输水管道形成负压而压瘪。在装置正常运行状态下,空气阀始终处于闭气状态,保证缓冲管2内空气量稳定;当正向水锤发生后,缓冲管2内部压力急速升高,导致缓冲管2内液面上升,同时使得缓冲管2内空气受到压缩而体积减小,从而保证缓冲管2内水气平衡和压力稳定。
当输水管线进行阀门开关或运行中流量的调节操作后,输水管线系统将出现升压过程的正向水锤现象,缓冲管2通过其水气平衡作用弹性吸纳一定的水锤能量;同时压力变送器13及时监测到输水管道内的压力升高信号,通过自动控制系统传输压力信号至压力波动预止阀5,压力波动预止阀5水力自行驱动,快速开启、排水泄压;同时当一旦出现压力波动预止阀5水力开启迟缓,输水管道内部压力继续升高,则通过压力变送器13的压力传感和自动控制系统的动作反馈控制压力波动预止阀5电磁式快速开启,从而超越压力波动预止阀5的水力开启动作,达到自动开启的二次保护;当排水泄压使系统压力下降至正常范围,控制箱14接收压力变送器13监测到的低压信号,并反馈于压力波动预止阀5,从而控制压力波动预止阀5自动缓慢关闭。因为有了压力波动预止阀5的补充泄压功能,使得缓冲管2的体积有效减小;同时缓冲管2的内部气体缓冲弥补了压力波动预止阀5开启动作需要持续压升过程的缺点。
以上实施例仅用以说明本实用新型而并非限制本实用新型所描述的技术方案,本领域的技术人员应当理解,凡是不脱离本实用新型技术方案的改进或等同替换,均应涵盖在本实用新型的权利要求范围中。
Claims (7)
1.一种正向水锤防护装置,其特征在于:包括主体装置和自动控制系统;所述主体装置包括直管(1)、缓冲管(2)、连接管(3)、空气阀(4)、压力波动预止阀(5)、泄水管(8)、补气管(9)和补气闸阀(10);所述缓冲管(2)两端密闭封堵,所述缓冲管(2)位于所述直管(1)上方,所述缓冲管(2)中部侧壁通过所述连接管(3)与所述直管(1)中部侧壁连接, 所述缓冲管(2)上设置所述空气阀(4),所述缓冲管(2)侧壁通过所述压力波动预止阀(5)安装所述泄水管(8),所述缓冲管(2)侧壁通过所述补气闸阀(10)安装所述补气管(9);所述自动控制系统包括压力变送器(13)、控制箱(14)、控制电缆(15)和信号电缆(16);所述压力变送器(13)安装在所述直管(1)的出水端,所述压力变送器(13)经所述信号电缆(16)与所述控制箱(14)连接,所述压力波动预止阀(5)经所述控制电缆(15)与所述控制箱(14)连接。
2.如权利要求1所述的一种正向水锤防护装置,其特征在于:所述缓冲管(2)两端采用法兰盲板(11)焊接封堵,所述法兰盲板(11)上设置有封闭承压的透视窗(12),所述透视窗(12)设有刻度示意线。
3.如权利要求1所述的一种正向水锤防护装置,其特征在于:所述缓冲管(2)两侧分别安装所述空气阀(4)。
4.如权利要求3所述的一种正向水锤防护装置,其特征在于:所述空气阀(4)与所述缓冲管(2)之间安装有检修闸阀(6)。
5.如权利要求1所述的一种正向水锤防护装置,其特征在于:所述压力波动预止阀(5)与所述缓冲管(2)之间安装有检修蝶阀(7)。
6.如权利要求1至5任意一项所述的一种正向水锤防护装置,其特征在于:所述空气阀(4)为单向空气阀;所述压力波动预止阀(5)为水力驱动与电磁驱动结合式压力波动预止阀。
7.如权利要求6所述的一种正向水锤防护装置,其特征在于:所述缓冲管(2)、所述连接管(3)与所述直管(1)口径等同。
Priority Applications (1)
| Application Number | Priority Date | Filing Date | Title |
|---|---|---|---|
| CN2012201137065U CN202484515U (zh) | 2012-03-23 | 2012-03-23 | 一种正向水锤防护装置 |
Applications Claiming Priority (1)
| Application Number | Priority Date | Filing Date | Title |
|---|---|---|---|
| CN2012201137065U CN202484515U (zh) | 2012-03-23 | 2012-03-23 | 一种正向水锤防护装置 |
Publications (1)
| Publication Number | Publication Date |
|---|---|
| CN202484515U true CN202484515U (zh) | 2012-10-10 |
Family
ID=46958936
Family Applications (1)
| Application Number | Title | Priority Date | Filing Date |
|---|---|---|---|
| CN2012201137065U Withdrawn - After Issue CN202484515U (zh) | 2012-03-23 | 2012-03-23 | 一种正向水锤防护装置 |
Country Status (1)
| Country | Link |
|---|---|
| CN (1) | CN202484515U (zh) |
Cited By (2)
| Publication number | Priority date | Publication date | Assignee | Title |
|---|---|---|---|---|
| CN102606842A (zh) * | 2012-03-23 | 2012-07-25 | 中国市政工程西北设计研究院有限公司 | 一种正向水锤防护装置 |
| CN110043744A (zh) * | 2019-04-24 | 2019-07-23 | 河海大学 | 一种确定高扬程输水系统停泵事故泵后阀门关闭规律的方法 |
-
2012
- 2012-03-23 CN CN2012201137065U patent/CN202484515U/zh not_active Withdrawn - After Issue
Cited By (4)
| Publication number | Priority date | Publication date | Assignee | Title |
|---|---|---|---|---|
| CN102606842A (zh) * | 2012-03-23 | 2012-07-25 | 中国市政工程西北设计研究院有限公司 | 一种正向水锤防护装置 |
| CN102606842B (zh) * | 2012-03-23 | 2013-09-04 | 中国市政工程西北设计研究院有限公司 | 一种正向水锤防护装置 |
| CN110043744A (zh) * | 2019-04-24 | 2019-07-23 | 河海大学 | 一种确定高扬程输水系统停泵事故泵后阀门关闭规律的方法 |
| CN110043744B (zh) * | 2019-04-24 | 2020-06-16 | 河海大学 | 一种确定高扬程输水系统停泵事故泵后阀门关闭规律的方法 |
Similar Documents
| Publication | Publication Date | Title |
|---|---|---|
| CN102606842B (zh) | 一种正向水锤防护装置 | |
| CN201473933U (zh) | 抽水蓄能电站尾水事故闸门与尾水调压井联合布置结构 | |
| CN206829250U (zh) | 一种双灌补偿式无负压加压泵站供水设备 | |
| CN102452538A (zh) | 油罐用无源自动降温控制系统 | |
| CN204573450U (zh) | 一种临时高压消防系统专用的水锤消除器 | |
| CN207073162U (zh) | 一种高扬程加压泵站泵后管阀件组合系统 | |
| CN201739592U (zh) | 多功能减压阀 | |
| CN202484515U (zh) | 一种正向水锤防护装置 | |
| CN2633806Y (zh) | 煤仓堵塞水炮疏通装置 | |
| CN208137030U (zh) | 一种长距离高扬程输水管道防水锤调压塔 | |
| CN204083393U (zh) | 进水阀用高中压进排气阀 | |
| CN102900459B (zh) | 自平衡水封式防爆器 | |
| CN214119698U (zh) | 输送有污染性介质的输水管道水锤消除装置 | |
| CN108343757B (zh) | 液控带旁通联动球阀 | |
| CN102454185A (zh) | 气压供水罐自动补气装置 | |
| CN204140961U (zh) | 水电站复合密封电手动进水球阀 | |
| CN113123917A (zh) | 一种带预警及防护措施的回水排气系统 | |
| CN208858329U (zh) | 井口安全控制系统的自动补压装置 | |
| CN200985771Y (zh) | 低压产气田井口紧急关断阀 | |
| CN111810704B (zh) | 一种浮球式双向截止阀控制系统 | |
| CN209368949U (zh) | 适于大型深埋长距离输水泵站用的水锤防护装置 | |
| CN101008457A (zh) | 箱式双向调压塔 | |
| CN108561670A (zh) | 一种用于重力流输水系统水锤防护系统 | |
| CN109440870B (zh) | 适于大型深埋长距离输水泵站用的水锤防护装置 | |
| CN107990034B (zh) | 一种自带检修的快吸缓排式空气阀 |
Legal Events
| Date | Code | Title | Description |
|---|---|---|---|
| C14 | Grant of patent or utility model | ||
| GR01 | Patent grant | ||
| AV01 | Patent right actively abandoned |
Granted publication date: 20121010 Effective date of abandoning: 20130904 |
|
| RGAV | Abandon patent right to avoid regrant |