CN202387856U - 双气缸铆接装置 - Google Patents

双气缸铆接装置 Download PDF

Info

Publication number
CN202387856U
CN202387856U CN2011203961197U CN201120396119U CN202387856U CN 202387856 U CN202387856 U CN 202387856U CN 2011203961197 U CN2011203961197 U CN 2011203961197U CN 201120396119 U CN201120396119 U CN 201120396119U CN 202387856 U CN202387856 U CN 202387856U
Authority
CN
China
Prior art keywords
cylinder
double
pushing block
push block
utility
Prior art date
Legal status (The legal status is an assumption and is not a legal conclusion. Google has not performed a legal analysis and makes no representation as to the accuracy of the status listed.)
Expired - Lifetime
Application number
CN2011203961197U
Other languages
English (en)
Inventor
陈景斌
Current Assignee (The listed assignees may be inaccurate. Google has not performed a legal analysis and makes no representation or warranty as to the accuracy of the list.)
Xiangxin Technology Co Ltd
Original Assignee
DONGGUAN XIANGXIN AUTO MOULD CO LTD
Priority date (The priority date is an assumption and is not a legal conclusion. Google has not performed a legal analysis and makes no representation as to the accuracy of the date listed.)
Filing date
Publication date
Application filed by DONGGUAN XIANGXIN AUTO MOULD CO LTD filed Critical DONGGUAN XIANGXIN AUTO MOULD CO LTD
Priority to CN2011203961197U priority Critical patent/CN202387856U/zh
Application granted granted Critical
Publication of CN202387856U publication Critical patent/CN202387856U/zh
Anticipated expiration legal-status Critical
Expired - Lifetime legal-status Critical Current

Links

Images

Landscapes

  • Presses And Accessory Devices Thereof (AREA)

Abstract

一种双气缸铆接装置,由左气缸、右气缸、左推块、右推块、加工台组成,左气缸安装在加工台上表面左侧,其主轴与左推块配合连接;右气缸安装在加工台上表面右侧,其主轴与右推块配合连接;左气缸与右气缸均与控制器连接,本实用新型结构简单、设计合理,体积小,使用及维护便捷,可有效替代现有的冲压完成铆接加工。

Description

双气缸铆接装置
技术领域
    本实用新型涉及机加工设备,具体的说是一种双气缸铆接装置。 
背景技术
产品加工时常常需要使用到铆接,通俗的讲铆接就是指两个厚度不大的板,通过在其部位上打洞,然后将铆钉放进去,用铆钉枪将铆钉铆死,而将两个板或物体连接在一起的方法现有的铆接装置通常为冲床。
现有的铆接加工过程中均使用冲床,对需铆合点单个加工,在实际工业应用中,零件上常常全有对称设计的铆点,使用冲压加工,加工速度慢,加工效果差,同时在组装线上放一台冲床会占用一个很大的空间,同时其冲压力较大,易造成零件冲压时的折损,同时使用维护较为复杂。
综上所述为了更能简单而有方便的铆接产品,又不用占用很大的空间,研发一种使用便捷、加工效率高的柳接装置成为了本行业中亟待解决的问题。
实用新型内容
本实用新型的目的是克服现有技术所存在的不足,提供一种体积小、使用及所作所为便捷,加工效率高的双气缸铆接装置。
本实用新型为解决其技术问题所采用的技术方案是:一种双气缸铆接装置,由左气缸、右气缸、左推块、右推块、加工台组成,左气缸安装在加工台上表面左侧,其主轴与左推块配合连接;右气缸安装在加工台上表面右侧,其主轴 与右推块配合连接;左气缸与右气缸均与控制器连接。
本实用新型的工作原理是,通过左右气缸推动左右推块,将置于左右推块内的待加工零件铆接。
本实用新型结构简单、设计合理,体积小,使用及维护便捷,可有效替代现有的冲压完成铆接加工。 
附图说明
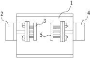
附图1是本实用新型的结构示意图,也是摘要用图。
图中各标号分别是:(1)加工台、(2)左气缸、(3)左推块、(4)右气缸、(5)右推块。
具体实施方式
现结合附图举一实施例对本实用新型作出进一步的说明。
实施例:
左气缸2安装在加工台1上表面左侧,其主轴与左推块3配合连接;右气缸4安装在加工台1上表面右侧,其主轴与右推块5配合连接;左气缸2与右气缸4均与控制器连接。
以上的实施例仅是用来说明本实用新型,而并非用作为对本实用新型的限定,只要在本实用新型的实质精神范围内,对以上实施例的变化、变型都将落在本实用新型的权利要求书范围内。

Claims (1)

1.双气缸铆接装置,由左气缸、右气缸、左推块、右推块、加工台组成,其特征在于:左气缸安装在加工台上表面左侧,其主轴与左推块配合连接;右气缸安装在加工台上表面右侧,其主轴 与右推块配合连接;左气缸与右气缸均与控制器连接。
CN2011203961197U 2011-10-18 2011-10-18 双气缸铆接装置 Expired - Lifetime CN202387856U (zh)

Priority Applications (1)

Application Number Priority Date Filing Date Title
CN2011203961197U CN202387856U (zh) 2011-10-18 2011-10-18 双气缸铆接装置

Applications Claiming Priority (1)

Application Number Priority Date Filing Date Title
CN2011203961197U CN202387856U (zh) 2011-10-18 2011-10-18 双气缸铆接装置

Publications (1)

Publication Number Publication Date
CN202387856U true CN202387856U (zh) 2012-08-22

Family

ID=46662808

Family Applications (1)

Application Number Title Priority Date Filing Date
CN2011203961197U Expired - Lifetime CN202387856U (zh) 2011-10-18 2011-10-18 双气缸铆接装置

Country Status (1)

Country Link
CN (1) CN202387856U (zh)

Cited By (4)

* Cited by examiner, † Cited by third party
Publication number Priority date Publication date Assignee Title
CN104128515A (zh) * 2014-08-27 2014-11-05 吴中区横泾博尔机械厂 电路板金属元件双面铆压机
CN104162619A (zh) * 2014-08-01 2014-11-26 大连四达高技术发展有限公司 气动铆接装置
CN104174776A (zh) * 2014-08-27 2014-12-03 吴中区横泾博尔机械厂 电路板金属元件双面铆压机的左铆压机构
CN105903820A (zh) * 2016-06-06 2016-08-31 河南新科隆电器有限公司 一种半自动支架铆合装置

Cited By (5)

* Cited by examiner, † Cited by third party
Publication number Priority date Publication date Assignee Title
CN104162619A (zh) * 2014-08-01 2014-11-26 大连四达高技术发展有限公司 气动铆接装置
CN104128515A (zh) * 2014-08-27 2014-11-05 吴中区横泾博尔机械厂 电路板金属元件双面铆压机
CN104174776A (zh) * 2014-08-27 2014-12-03 吴中区横泾博尔机械厂 电路板金属元件双面铆压机的左铆压机构
CN104128515B (zh) * 2014-08-27 2016-02-10 吴中区横泾博尔机械厂 电路板金属元件双面铆压机
CN105903820A (zh) * 2016-06-06 2016-08-31 河南新科隆电器有限公司 一种半自动支架铆合装置

Similar Documents

Publication Publication Date Title
CN202387856U (zh) 双气缸铆接装置
CN102530543A (zh) 一种间歇自动送料装置
CN203170605U (zh) 一种食品分拣机
CN202894706U (zh) 活塞压销钉机构
CN202715658U (zh) 金属平板机
CN203409862U (zh) 一种一面支撑四面配合限位一面压制的接木压平机
CN203901762U (zh) 采用曲柄连杆结构的活塞式双工位冲压机
CN204583975U (zh) 打侧凸点机构
CN203510739U (zh) 一种电子元件用冲压机的动力装置
CN202336562U (zh) 油压铆接装置
CN206373256U (zh) 一种冲床用工件定位装置
CN205238166U (zh) 一种小型冲孔机
CN203197538U (zh) 一种拆卸链条销的装置
CN202986196U (zh) 瓦楞纸板自动翻转机
CN201726269U (zh) 卡簧压装机构
CN202911174U (zh) 冲压机
CN202030195U (zh) 一种用于放置废料盘的盘架
CN203317273U (zh) 一种安装汽车水箱安装孔上的保护扣用的工装
CN203541340U (zh) 一种孔用挡圈冲压摆盘一体机
CN202481666U (zh) 锻造毛坯件提升装置
CN203127895U (zh) 包装膜叠层装置
CN202910106U (zh) 正时齿轮盖校平装置
CN202449554U (zh) 一种间歇自动送料装置
CN204892774U (zh) 一种金属板材冲压剪切自动化设备的送料装置
CN205110481U (zh) 双层液压冲床

Legal Events

Date Code Title Description
C14 Grant of patent or utility model
GR01 Patent grant
C56 Change in the name or address of the patentee

Owner name: XIANGXIN TECHNOLOGY CO., LTD.

Free format text: FORMER NAME: LUCKY XIANGXIN AUTOMOTIVE COMPONENT TOOL + DIE CO., LTD.

CP01 Change in the name or title of a patent holder

Address after: 523000 Guangdong province Dongguan city Changan town sand community Huaqiang Road

Patentee after: XIANGXIN SCIENCE & TECHNOLOGY CO., LTD.

Address before: 523000 Guangdong province Dongguan city Changan town sand community Huaqiang Road

Patentee before: Dongguan Xiangxin Auto Mould Co.,Ltd.

C56 Change in the name or address of the patentee
CP02 Change in the address of a patent holder

Address after: The town of Changan road 523000 Guangdong city of Dongguan province No. 893

Patentee after: XIANGXIN SCIENCE & TECHNOLOGY CO., LTD.

Address before: 523000 Guangdong province Dongguan city Changan town sand community Huaqiang Road

Patentee before: XIANGXIN SCIENCE & TECHNOLOGY CO., LTD.

CX01 Expiry of patent term

Granted publication date: 20120822

CX01 Expiry of patent term