CN202367690U - Multipurpose wheel pulling device - Google Patents

Multipurpose wheel pulling device Download PDF

Info

Publication number
CN202367690U
CN202367690U CN2011204566250U CN201120456625U CN202367690U CN 202367690 U CN202367690 U CN 202367690U CN 2011204566250 U CN2011204566250 U CN 2011204566250U CN 201120456625 U CN201120456625 U CN 201120456625U CN 202367690 U CN202367690 U CN 202367690U
Authority
CN
China
Prior art keywords
clamp
wheel
pulling
arm
tie
Prior art date
Legal status (The legal status is an assumption and is not a legal conclusion. Google has not performed a legal analysis and makes no representation as to the accuracy of the status listed.)
Expired - Fee Related
Application number
CN2011204566250U
Other languages
Chinese (zh)
Inventor
王钦
王志斌
张军飞
Current Assignee (The listed assignees may be inaccurate. Google has not performed a legal analysis and makes no representation or warranty as to the accuracy of the list.)
YUFENG INDUSTRY GROUP Co Ltd
Original Assignee
YUFENG INDUSTRY GROUP Co Ltd
Priority date (The priority date is an assumption and is not a legal conclusion. Google has not performed a legal analysis and makes no representation as to the accuracy of the date listed.)
Filing date
Publication date
Application filed by YUFENG INDUSTRY GROUP Co Ltd filed Critical YUFENG INDUSTRY GROUP Co Ltd
Priority to CN2011204566250U priority Critical patent/CN202367690U/en
Application granted granted Critical
Publication of CN202367690U publication Critical patent/CN202367690U/en
Anticipated expiration legal-status Critical
Expired - Fee Related legal-status Critical Current

Links

Images

Landscapes

  • Gripping Jigs, Holding Jigs, And Positioning Jigs (AREA)

Abstract

The utility model relates to a multipurpose wheel pulling device, which is characterized by comprising a plurality of T-shaped clamping plates and pulling plates corresponding to the clamping plates. Each clamping plate is formed by fixedly connecting one end of each stick-shaped clamping plate shaft onto the center of a clamping plate base plate, the other end of each clamping plate shaft is provided with a pin hole, fastening bolts are sleeved in the pin holes to enable the clamping plates to be in fastening connection with one end of each pulling plate, a support vertically and fixedly connected with the other end of each pulling plate is arranged at the other end of each pulling plate and provided with a jack, and the axis of a jack piston rod corresponds to the axis of a wheel axle 2. The multipurpose wheel pulling device has the advantages that the clamping plates clamp wheel holes, the pulling plates fix stretching gears or belt pulleys, the tops of the jack piston rods abut against wheel axles so as to pull out the wheel axles of the gears or the belt pulleys, so that dismounting work of large gears or belt pulleys which can be originally finished jointly by many persons is reduced and can be finished by 1-2 persons, and the operation is simple, convenient, safe and reliable.

Description

The multipurpose pulley extractor
Technical field
The utility model relates to the dismounting equipment of a kind of gear or belt pulley, particularly a kind of multipurpose pulley extractor.
Background technology
In actual production process, often run at present the situation of dismounting large gear or belt pulley; The weight that has reaches the hundreds of kilogram; The many people of workman that often need repairing accomplish jointly, need employ plurality of devices in the unloading process and need heating to dismantle mostly, and operation is inconvenience and dangerous very.
The utility model content
The purpose of the utility model provides a kind of more laborsaving, safe multipurpose pulley extractor of maintenance, dismantlement work that makes large gear or belt pulley.
In order to accomplish above-mentioned purpose, the technical scheme that the utility model adopts is:
The multipurpose pulley extractor; Comprise a plurality of T shape clamps and with the corresponding arm-tie of clamp, described clamp by an end of rod shape clamp axle vertically be fixed in the clamp base plate in form in the heart, the other end of described clamp axle is provided with pin-and-hole; Fastening bolt is sleeved in the pin-and-hole and with the fastening connection of an end of clamp and arm-tie; The other end of arm-tie is provided with perpendicular affixed support, and support is provided with jack, and the axis of jack piston rod is corresponding with the axis of wheel shaft.
Described support is provided with vertical chute, and adjustment can be moved in the end of arm-tie in chute.
Described support and arm-tie pass through bolt.
The beneficial effect of the utility model is: block the wheel hole with clamp; Arm-tie is stretching gear or belt pulley fixedly; The top of jack piston rod withstands on the wheel shaft in order to gear or belt pulley are extracted wheel shaft, makes script need many people could the common large gear of accomplishing or the disassemble and assemble work of belt pulley, is reduced to 1-2 people and just can accomplishes; Simple to operation, safe and reliable.
Description of drawings
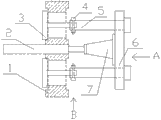
Fig. 1 is the assembling sketch map of the utility model.
Fig. 2 is that the A of clamp among Fig. 1 is to view.
Fig. 3 is that the B of clamp among Fig. 1 is to view.
Fig. 4 is that the A of Fig. 1 medium-height trestle is to view.
Among the figure: 1, wheel, 2, wheel shaft, 3, clamp, 4, fastening bolt, 5, arm-tie, 6, support, 7, jack, 8, chute, 9, the clamp axle, 10, the clamp base plate.
The specific embodiment
The utility model is a kind of multipurpose pulley extractor; Block the wheel hole with clamp, arm-tie is stretching gear or belt pulley fixedly, and the top of jack piston rod withstands on the wheel shaft in order to gear or belt pulley are extracted wheel shaft; Make script need the common large gear of accomplishing of many people's ability or the disassemble and assemble work of belt pulley; Be reduced to 1-2 people and just can accomplish, simple to operation, safe and reliable.
Below in conjunction with accompanying drawing and specific embodiment the utility model is explained further details.
Specific embodiment is like Fig. 1, Fig. 2, shown in Figure 3, multipurpose pulley extractor; Comprise two T shapes clamp 3, form through fastening bolt 4 and clamp 3 fixing arm-ties 5 and the supports that are connected two arm-ties 56; Clamp 3 by an end of a rod shape clamp axle 9 be fixed in a clamp base plate 10 in form in the heart, the other end of clamp axle 9 is provided with pin-and-hole, the end that clamp axle 9 has a pin-and-hole passes the wheel hole of gear or belt pulley 1; 10 of clamp base plates are stuck in outside the wheel hole of wheel 1; Fastening bolt 4 is sleeved in the pin-and-hole of clamp 3 and an end of clamp 3 and arm-tie 5 is fixed together, and the other end of arm-tie 5 has been provided with the support 6 of connection, supporting role, and support 6 is provided with vertical chute 8; The end of arm-tie 5 can move up and down in chute and adjust; To adapt to the gear or the belt pulley 1 of different sizes, model, be fixed together with the end and the support 6 of bolt arm-tie 5, support 6 is provided with hydraulic jack 7; The base of jack 7 withstands on the support 6, makes the axis of jack 7 piston rods corresponding with the axis of wheel shaft 2.
When needs with mounted gear or belt pulley 1 when wheel shaft 2 disassembles; An end that earlier clamp 3 is had a pin-and-hole passes the wheel hole of wheel 1; Fastening bolt 4 cover is put in the pin-and-hole of clamps 3 and an end attaching nut of clamp 3 and arm-tie 5 is fixed together, the other end with arm-tie 5 connects upper bracket 6 again, in chute 8, moves up and down the end of adjustment arm-tie 5; Thereby make the clamp 3 that is fixed together with arm-tie 5 keep suitable distance; To adapt to the gear or the belt pulley 1 of different sizes, model, be fixed together with the end and the support 6 of bolt arm-tie 5, the base with hydraulic jack 7 withstands on the support 6 then; The top of jack 7 piston rods withstands on the wheel shaft 2 of gear or belt pulley 1, starts jack 7 and gear or belt pulley 1 are disassembled from wheel shaft 2 gets final product.Block the wheel hole with clamp; Arm-tie is stretching gear or belt pulley fixedly; The top of jack piston rod withstands on the wheel shaft in order to gear or belt pulley are extracted wheel shaft, makes script need many people could the common large gear of accomplishing or the disassemble and assemble work of belt pulley, is reduced to 1-2 people and just can accomplishes; Simple to operation, safe and reliable.

Claims (3)

1. multipurpose pulley extractor; It is characterized in that: comprise a plurality of T shape clamps (3) and with the corresponding arm-tie of clamp (3) (5); Described clamp (3) by an end of rod shape clamp axle (9) vertically be fixed in clamp base plate (10) in form in the heart; The other end of described clamp axle (9) is provided with pin-and-hole, and fastening bolt (4) is sleeved in the pin-and-hole and with the fastening connection of an end of clamp (3) and arm-tie (5), the other end of arm-tie (5) is provided with perpendicular affixed support (6); Support (6) is provided with jack (7), and the axis of jack (7) piston rod is corresponding with the axis of wheel shaft (2).
2. multipurpose pulley extractor according to claim 1 is characterized in that: described support (6) is provided with vertical chute (8), and adjustment can be moved in the end of arm-tie (5) in chute (8).
3. multipurpose pulley extractor according to claim 1 is characterized in that: described support (6) passes through bolt with arm-tie (5).
CN2011204566250U 2011-11-17 2011-11-17 Multipurpose wheel pulling device Expired - Fee Related CN202367690U (en)

Priority Applications (1)

Application Number Priority Date Filing Date Title
CN2011204566250U CN202367690U (en) 2011-11-17 2011-11-17 Multipurpose wheel pulling device

Applications Claiming Priority (1)

Application Number Priority Date Filing Date Title
CN2011204566250U CN202367690U (en) 2011-11-17 2011-11-17 Multipurpose wheel pulling device

Publications (1)

Publication Number Publication Date
CN202367690U true CN202367690U (en) 2012-08-08

Family

ID=46591413

Family Applications (1)

Application Number Title Priority Date Filing Date
CN2011204566250U Expired - Fee Related CN202367690U (en) 2011-11-17 2011-11-17 Multipurpose wheel pulling device

Country Status (1)

Country Link
CN (1) CN202367690U (en)

Cited By (5)

* Cited by examiner, † Cited by third party
Publication number Priority date Publication date Assignee Title
CN102773831A (en) * 2012-08-14 2012-11-14 新兴铸管股份有限公司 Shaft coupler pulling tool
CN104015156A (en) * 2013-03-04 2014-09-03 中国石油化工股份有限公司 Hydraulic puller
CN105150163A (en) * 2015-07-29 2015-12-16 上海市机械施工集团有限公司 Device for mounting and dismounting milling tooth of double-wheel slotter
CN108262602A (en) * 2018-03-21 2018-07-10 上海振华重工(集团)股份有限公司 A kind of large scale equipment axis pin assembling and disassembling device
CN111168623A (en) * 2020-01-16 2020-05-19 神华宝日希勒能源有限公司 Disassembly and assembly tool for pushing the motor gear

Cited By (6)

* Cited by examiner, † Cited by third party
Publication number Priority date Publication date Assignee Title
CN102773831A (en) * 2012-08-14 2012-11-14 新兴铸管股份有限公司 Shaft coupler pulling tool
CN104015156A (en) * 2013-03-04 2014-09-03 中国石油化工股份有限公司 Hydraulic puller
CN105150163A (en) * 2015-07-29 2015-12-16 上海市机械施工集团有限公司 Device for mounting and dismounting milling tooth of double-wheel slotter
CN105150163B (en) * 2015-07-29 2017-10-27 上海市机械施工集团有限公司 Two-wheel flute milling machine loads and unloads the device of mill teeth
CN108262602A (en) * 2018-03-21 2018-07-10 上海振华重工(集团)股份有限公司 A kind of large scale equipment axis pin assembling and disassembling device
CN111168623A (en) * 2020-01-16 2020-05-19 神华宝日希勒能源有限公司 Disassembly and assembly tool for pushing the motor gear

Similar Documents

Publication Publication Date Title
CN202367690U (en) Multipurpose wheel pulling device
CN112692799A (en) Maintenance auxiliary assembly of large-scale pneumatic cylinder
CN203141058U (en) Horizontal press capable of assembling and disassembling large-sized workpieces
KR200484342Y1 (en) Jig device for disassembling and assembling coupling of vertiacl type motor
CN102729367A (en) Fast die changing device
CN202643209U (en) Combination type overhauling carrier
CN202449815U (en) Lifter for bearing transmission
CN103028637A (en) Inner gear ring correction constant-pressure machine
CN2611091Y (en) Means for tearing-down pin shaft
CN204982803U (en) Gate round pin axle dismouting support
CN202516910U (en) Upright-type helical blade drawing machine
CN202910536U (en) Welded pipe unit level rack hydraulic disassembling device
CN203903928U (en) Boom lifting device
CN207658751U (en) Plate conveying device
CN216270251U (en) Be applied to automatic placer of cardboard of positive pole charcoal piece calcination
CN203409478U (en) Traction motor disassembly table
CN211310710U (en) Movable hydraulic lifting platform truck
CN208801306U (en) A kind of specific position brake dismounting tooling
CN206029676U (en) Box assemblage machine
CN207345112U (en) A kind of novel press machine
CN223684828U (en) Device for dismounting large-caliber nut of upper pipe orifice
CN102615163A (en) Vertical helical blade stretching machine
CN202655823U (en) Telescopic bracket special for machining H-shaped steel structure
CN217512851U (en) Structure is changed to polymorphic type compression leg of powder cold pressing forming machine
CN219325203U (en) Dismounting device for interference fit workpiece

Legal Events

Date Code Title Description
C14 Grant of patent or utility model
GR01 Patent grant
CF01 Termination of patent right due to non-payment of annual fee

Granted publication date: 20120808

Termination date: 20171117

CF01 Termination of patent right due to non-payment of annual fee