CN202367011U - 一种波形腹板加工对压辊 - Google Patents
一种波形腹板加工对压辊 Download PDFInfo
- Publication number
- CN202367011U CN202367011U CN2011205389855U CN201120538985U CN202367011U CN 202367011 U CN202367011 U CN 202367011U CN 2011205389855 U CN2011205389855 U CN 2011205389855U CN 201120538985 U CN201120538985 U CN 201120538985U CN 202367011 U CN202367011 U CN 202367011U
- Authority
- CN
- China
- Prior art keywords
- roller
- roll
- corrugated web
- processing
- circle
- Prior art date
- Legal status (The legal status is an assumption and is not a legal conclusion. Google has not performed a legal analysis and makes no representation as to the accuracy of the status listed.)
- Expired - Fee Related
Links
- 238000003825 pressing Methods 0.000 title abstract description 6
- 238000000034 method Methods 0.000 claims description 9
- 229910000831 Steel Inorganic materials 0.000 abstract description 8
- 239000010959 steel Substances 0.000 abstract description 8
- 238000005516 engineering process Methods 0.000 description 4
- 238000004519 manufacturing process Methods 0.000 description 3
- 239000002184 metal Substances 0.000 description 3
- 230000009286 beneficial effect Effects 0.000 description 2
- 238000010276 construction Methods 0.000 description 2
- 238000003723 Smelting Methods 0.000 description 1
- 229910000746 Structural steel Inorganic materials 0.000 description 1
- 238000005452 bending Methods 0.000 description 1
- 239000003245 coal Substances 0.000 description 1
- 238000005553 drilling Methods 0.000 description 1
- 230000000694 effects Effects 0.000 description 1
- 238000009434 installation Methods 0.000 description 1
- 238000011031 large-scale manufacturing process Methods 0.000 description 1
- 239000000463 material Substances 0.000 description 1
- 238000005272 metallurgy Methods 0.000 description 1
- 238000000465 moulding Methods 0.000 description 1
- 238000003672 processing method Methods 0.000 description 1
- 238000005096 rolling process Methods 0.000 description 1
- 239000002699 waste material Substances 0.000 description 1
Images
Landscapes
- Press Drives And Press Lines (AREA)
Abstract
本实用新型涉及一种波形腹板加工对压辊,属于腹板加工装置。本实用新型的波形腹板加工对压辊,包括机架,以及位于机架上的上轧辊和下轧辊,上轧辊的回转中心和下轧辊的回转中心在一条直线上,上轧辊有至少3个上成型辊,下轧辊有至少3个下成型辊;上成型辊的圆心都在以上轧辊的回转中心为圆心的同一个圆周上;下成型辊的圆心都在以下轧辊的回转中心为圆心的同一个圆周上。本实用新型波形腹板加工对压辊,采用回转中心在一条直线上的上轧辊和下轧辊,而上轧辊和下轧辊同速反向运动,连续旋转的轧辊将薄平钢板进行对压,从而得到波浪形腹板。这种加工设备工作协调,效率提高,生产和加工出来的波形腹板质量也有较大的改进。
Description
技术领域
本实用新型涉及一种腹板加工装置,尤其是涉及一种波形腹板加工对压辊。
背景技术
H型钢由于截面经济合理、性能优越、加工制作和施工安装工艺简单、方便、快捷,成为建筑钢结构体系中重要的材料组成部分,从而被广泛应用于国民经济建设的各个领域,工业厂房,塔体设备支架,冶金行业的炼钢平台,高炉框架、轨道等,电厂的煤仓、输送长廊等,陆地和海洋石油钻井平台、车辆、仓储式大型超市、桥梁隧道等大型施工,都应用到了各种规格、尺寸的H型钢。
目前生产H型钢的腹板为平腹板,由于平腹板H型钢具有使用寿命较短,浪费资源较多,生产成本较高等问题和不足。波形腹板克服了平腹板存在的缺点,成为一种新型的建筑钢材。但是平腹板的加工方法和生产工艺较为简单,缺少将平腹板进行塑形的加工系统,因而,不能适应波形腹板的大批量生产和加工。
发明内容
本实用新型的目的,就是针对现有技术所存在的不足,提供一种波形腹板加工对压辊的技术方案。本方案能够加工生产符合要求的波形腹板。
本方案是通过下述技术措施来实现的:本实用新型的波形腹板加工对压辊,包括有机架,以及位于机架上的上轧辊和下轧辊,上轧辊的回转中心和下轧辊的回转中心在一条直线上,其特别之处在于:所述上轧辊有至少3个上成型辊,下轧辊有至少3个下成型辊。
为了进一步完善本技术方案,本实用新型波形腹板加工对压辊的特别之处还在于:所述的上成型辊的圆心都在以上轧辊的回转中心为圆心的同一个圆周上;所述的下成型辊的圆心都在以下轧辊的回转中心为圆心的同一个圆周上。
为了进一步完善本技术方案,本实用新型波形腹板加工对压辊的特别之处还在于:所述的上成型辊数目与下成型辊数目相等。
为了进一步完善本技术方案,本实用新型波形腹板加工对压辊的特别之处还在于:所述的上成型辊和下成型辊是大小相同、形状相同的辊子。
为了进一步完善本技术方案,本实用新型波形腹板加工对压辊的特别之处还在于:所述的上成型辊和下成型辊的横截面呈梅花状或者圆形。
为了进一步完善本技术方案,本实用新型波形腹板加工对压辊的特别之处还在于:所述的下轧辊和上轧辊是一对转速相同、转向相反的轧辊。
本方案的有益效果可根据对上述方案的叙述得知,由于本实用新型波形腹板加工对压辊,采用回转中心在一条直线上的上轧辊和下轧辊,而上轧辊和下轧辊同速反向运动,连续旋转的轧辊将薄平钢板进行对压,从而得到波浪形腹板。这种加工设备工作协调,效率提高,生产和加工出来的波形腹板质量也有较大的改进。由此可见,本实用新型与现有技术相比,具有突出的实质性特点和显著的进步,其实施的有益效果也是显而易见的。
附图说明
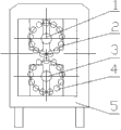
图1为本实用新型的结构示意图。
其中,1为上轧辊,2为上成型辊,3为下轧辊,4为下成型辊,5为机架。
具体实施方式
为能清楚说明本方案的技术特点,下面通过一个具体实施方式,并结合其附图,对本方案进行阐述。
通过附图1可以看出,本实用新型的波形腹板加工对压辊,包括有机架5,以及位于机架5上的上轧辊1和下轧辊3,上轧辊1的回转中心和下轧辊3的回转中心在一条直线上,所述上轧辊1有至少3个上成型辊2,下轧辊3有至少3个下成型辊4;所述的上成型辊2的圆心都在以上轧辊1的回转中心为圆心的同一个圆周上;所述的下成型辊4的圆心都在以下轧辊3的回转中心为圆心的同一个圆周上。图1所示,上轧辊 1和下轧辊3均是由13个成型辊组成,每个上成型辊2和下成型辊4的结构和尺寸相同。
本实用新型的波形腹板加工对压辊工作原理为:薄钢板可以用输送带自动输送,也可以采用手工输入波形腹板加工对压辊工作站,机架5起到了支撑作用。上轧辊1和下轧辊3轴线平行,相向对滚,转速相同,薄钢板经牵引装置或者人工牵引,进入到上轧辊 1和下轧辊3之间,在两辊的压力作用下发生弯曲变形后形成了波形腹板,波形腹板横截面的曲线轮廓是正弦曲线或者是梯形曲线。输出部分可以使用人工完成波形腹板的收集,也可使用输送带完成。
当加工的板材厚度变化时,可以改变下轧辊3和上轧辊 4之间的间隙大小,加工后的波形腹板由输出部分输出。本实用新型的波形腹板加工对压辊,既可以单独实用,也可和大型生产线配套使用。
Claims (6)
1.一种波形腹板加工对压辊,包括有机架,以及位于机架上的上轧辊和下轧辊,上轧辊的回转中心和下轧辊的回转中心在一条直线上,其特征在于:所述上轧辊有至少3个上成型辊,下轧辊有至少3个下成型辊。
2.根据权利要求1所述的波形腹板加工对压辊,其特征在于:所述的上成型辊的圆心都在以上轧辊的回转中心为圆心的同一个圆周上;所述的下成型辊的圆心都在以下轧辊的回转中心为圆心的同一个圆周上。
3.根据权利要求1或者2所述的波形腹板加工对压辊,其特征在于:所述的上成型辊数目与下成型辊数目相等。
4.根据权利要求1或者2所述的波形腹板加工对压辊,其特征在于:所述的上成型辊和下成型辊是大小相同、形状相同的辊子。
5.根据权利要求4所述的波形腹板加工对压辊,其特征在于:所述的上成型辊和下成型辊的横截面呈梅花状或者圆形。
6.根据权利要求5所述的波形腹板加工对压辊,其特征在于:所述的下轧辊和上轧辊是一对转速相同、转向相反的轧辊。
Priority Applications (1)
| Application Number | Priority Date | Filing Date | Title |
|---|---|---|---|
| CN2011205389855U CN202367011U (zh) | 2011-02-23 | 2011-12-21 | 一种波形腹板加工对压辊 |
Applications Claiming Priority (3)
| Application Number | Priority Date | Filing Date | Title |
|---|---|---|---|
| CN201120044431 | 2011-02-23 | ||
| CN201120044431.X | 2011-02-23 | ||
| CN2011205389855U CN202367011U (zh) | 2011-02-23 | 2011-12-21 | 一种波形腹板加工对压辊 |
Publications (1)
| Publication Number | Publication Date |
|---|---|
| CN202367011U true CN202367011U (zh) | 2012-08-08 |
Family
ID=46590735
Family Applications (1)
| Application Number | Title | Priority Date | Filing Date |
|---|---|---|---|
| CN2011205389855U Expired - Fee Related CN202367011U (zh) | 2011-02-23 | 2011-12-21 | 一种波形腹板加工对压辊 |
Country Status (1)
| Country | Link |
|---|---|
| CN (1) | CN202367011U (zh) |
Cited By (1)
| Publication number | Priority date | Publication date | Assignee | Title |
|---|---|---|---|---|
| CN115041524A (zh) * | 2022-05-25 | 2022-09-13 | 李子玉 | 一种有色金属连续铸轧挤一体化加工成型系统 |
-
2011
- 2011-12-21 CN CN2011205389855U patent/CN202367011U/zh not_active Expired - Fee Related
Cited By (1)
| Publication number | Priority date | Publication date | Assignee | Title |
|---|---|---|---|---|
| CN115041524A (zh) * | 2022-05-25 | 2022-09-13 | 李子玉 | 一种有色金属连续铸轧挤一体化加工成型系统 |
Similar Documents
| Publication | Publication Date | Title |
|---|---|---|
| CN202224549U (zh) | M形桁架檩条的生产线 | |
| CN202152509U (zh) | 一种用于h型钢上的腹板及加工该种腹板的板材成型机 | |
| CN206936079U (zh) | 一种工程护栏用弯管机 | |
| CN202151754U (zh) | 一种h型钢焊接钢板输送装置 | |
| CN202367011U (zh) | 一种波形腹板加工对压辊 | |
| CN202370166U (zh) | 一种波形腹板 | |
| CN201755603U (zh) | 钢管矫直装置 | |
| CN202861081U (zh) | 金属波纹板行弯机 | |
| CN203140424U (zh) | 一种金属波纹板加工设备 | |
| CN202570889U (zh) | 声控管成型装置成型压辊结构 | |
| CN201684813U (zh) | 一种波纹板专用卷板机上下辊 | |
| CN202715557U (zh) | 导光板去异物装置 | |
| CN201880763U (zh) | 圆形沿口型材的弯曲成型装置 | |
| CN102261161A (zh) | 一种用于h型钢上的腹板及加工该种腹板的板材成型机 | |
| CN201777975U (zh) | 压延机的更换装置 | |
| CN202155701U (zh) | 一种波形腹板加工系统 | |
| CN204052476U (zh) | 一种止水铜片成型装置 | |
| CN203601935U (zh) | 多工位钢板输送台车 | |
| CN103552822A (zh) | 多工位钢板输送台车 | |
| CN204724775U (zh) | 一种模锻液压机 | |
| CN202279558U (zh) | 带钢防擦划托架 | |
| CN203922369U (zh) | 一种双r角电梯钢导轨 | |
| CN203766126U (zh) | 瓦楞纸板成型装置 | |
| CN205056666U (zh) | 用于可逆轧机的去油辊 | |
| CN201404917Y (zh) | 水果分级机的输送分级机构 |
Legal Events
| Date | Code | Title | Description |
|---|---|---|---|
| C14 | Grant of patent or utility model | ||
| GR01 | Patent grant | ||
| CF01 | Termination of patent right due to non-payment of annual fee | ||
| CF01 | Termination of patent right due to non-payment of annual fee |
Granted publication date: 20120808 Termination date: 20171221 |