CN202300280U - 一种远程控制油嘴管汇 - Google Patents

一种远程控制油嘴管汇 Download PDF

Info

Publication number
CN202300280U
CN202300280U CN2011203795110U CN201120379511U CN202300280U CN 202300280 U CN202300280 U CN 202300280U CN 2011203795110 U CN2011203795110 U CN 2011203795110U CN 201120379511 U CN201120379511 U CN 201120379511U CN 202300280 U CN202300280 U CN 202300280U
Authority
CN
China
Prior art keywords
surges
long
distance control
needle
throttle valve
Prior art date
Legal status (The legal status is an assumption and is not a legal conclusion. Google has not performed a legal analysis and makes no representation as to the accuracy of the status listed.)
Expired - Lifetime
Application number
CN2011203795110U
Other languages
English (en)
Inventor
王庆群
李新年
徐国涛
荀永明
邓奇
Current Assignee (The listed assignees may be inaccurate. Google has not performed a legal analysis and makes no representation or warranty as to the accuracy of the list.)
Sinopec Oilfield Equipment Corp
SJ Petroleum Machinery Co
Sinopec Siji Petroleum Machinery Co Ltd
Original Assignee
SJ Petroleum Machinery Co
Priority date (The priority date is an assumption and is not a legal conclusion. Google has not performed a legal analysis and makes no representation as to the accuracy of the date listed.)
Filing date
Publication date
Application filed by SJ Petroleum Machinery Co filed Critical SJ Petroleum Machinery Co
Priority to CN2011203795110U priority Critical patent/CN202300280U/zh
Application granted granted Critical
Publication of CN202300280U publication Critical patent/CN202300280U/zh
Anticipated expiration legal-status Critical
Expired - Lifetime legal-status Critical Current

Links

Images

Landscapes

  • Fluid-Pressure Circuits (AREA)

Abstract

本实用新型公开了一种远程控制油嘴管汇,由远程控制箱、液动针式节流阀、液动旋塞阀、四通接头、L形接头、位置显示线、驱动管线和橇装底座等组成。其中远程控制箱通过驱动管线远程控制油嘴管汇中的液动旋塞阀的开启和液动针式节流阀的开启程度,并通过位置显示线远程监测油嘴管汇中的液动旋塞阀的开启状态和液动针式节流阀开启程度状态;本实用新型用液压远程控制阀门并显示阀门的开关状态,杜绝了操作人员进入高压危险环境作业,提设备的高安全使用性和可靠性,减低了劳动强度,可橇装集成,方便运移。

Description

一种远程控制油嘴管汇
技术领域
本实用新型涉及一种远程控制油嘴管汇,特别是一种用于地层测试的撬装式远程液压控制油嘴管汇。 
背景技术
我国许多油井需要进行地层压力测试作业,从而获得油气层参数,来评价油气层、调整油井的开发参数。随着油田的深入开发,油井的测试压力逐年升高,油嘴管汇是地层测试的必备设备,作业时存在着高压流体泄漏、刺漏、爆炸等危险。国内使用的油嘴管汇主要由手动旋塞阀、手动针式节流阀、固定式节流阀、三通接头、四通接头组成,其中的阀均为手动操作,无远程控制、显示功能,待压开启力矩大、劳动强度大、安全性差。目前,国内还没有将液动旋实阀和液动针式节流阀应用于地层测试油嘴管汇。 
发明内容
本实用新型所要解决的技术问题在于针对上述现有技术存在的不足而提供一种远程控制油嘴管汇,实现对远程操作液动旋塞阀和液动针式节流阀,并远程显示阀门的开启状态,降低操作人员的劳动强度,并提高操作的安全性和可靠性。 
本实用新型为解决上述存在的问题所采用的技术方案为:一种远程控制油嘴管汇,由远程控制箱、液动针式节流阀、液动旋塞阀、四通接头、L形接头、位置显示线、驱动管线、连接短接和橇装底座等组成,其特征在于所述远程控制箱通过两条驱动管线与液动针式节流阀相连接,所述远程控制箱通过两条驱动管线与液动旋塞阀相连接,所述远程控制箱通过位置显示线与液动针式节流阀和液动旋塞阀相连接,所述液动针式节流阀、液动旋塞阀、四通接头、L形接头、位置显示线、驱动管线和连接短接固定在橇装底座上。 
按上述方案,所述的位置显示线可由电缆、钢管或胶管组成。 
按上述方案,驱动管线可由钢管线或胶管组成。 
按上述方案,所述远程控制箱能可通过多条驱动管线和位置显示线与多个液动旋塞阀、液动针式节流阀相连。 
与现有技术相比,本实用新型取得了明显技术效果:
⑴ 通过远程控制箱显示和控制各个液动旋塞阀开、关位置及各个液动针式节流阀开启程度。采用液动控制,提高阀门的开启速度,降低了劳动强度,并实时显示,提高测试的可靠性。
⑵ 杜绝了操作人员进入高压危险环境作业,提高了设备的安全使用性。 
⑶ 通过将所有设备集成,并安装在一个橇装底座,实现了整体吊装、叉运,方便现场作业。
附图说明
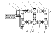
图1为本实用新型的侧视结构示意图; 
图2 为本实用新型的俯视结构示意图;
其中:1、远程控制箱; 2、液动针式节流阀; 3、液动旋塞阀; 4、四通接头;5、L形接头; 6、位置显示线; 7、驱动管线;8、连接短接;9、橇装底座。
具体实施方式
下面结合附图,对本实用新型做进一步说明。 
本实用新型由远程控制箱⑴、液动针式节流阀⑵、液动旋塞阀⑶、四通接头⑷、L形接头⑸、位置显示线⑹、驱动管线⑺、连接短接⑻、橇装底座⑼等组成。 
一种远程控制油嘴管汇由远程控制箱⑴、液动针式节流阀⑵、液动旋塞阀⑶、四通接头⑷、L形接头⑸、位置显示线⑹、驱动管线⑺、连接短接⑻和橇装底座⑼等组成,所述远程控制箱⑴通过两条驱动管线⑺与液动针式节流阀⑵相连接,所述远程控制箱⑴通过两条驱动管线⑺与液动旋塞阀⑶相连接,所述远程控制箱⑴通过位置显示线⑹与液动针式节流阀⑵和液动旋塞阀⑶相连接;所述液动针式节流阀⑵、液动旋塞阀⑶、四通接头⑷、L形接头⑸、位置显示线⑹、驱动管线⑺和连接短接⑻固定在橇装底座⑼上。所述位置显示线⑹可由电缆、钢管或胶管组成。所述驱动管线⑺可由钢管线或胶管组成。 

Claims (4)

1.一种远程控制油嘴管汇,包括远程控制箱⑴、液动针式节流阀⑵、液动旋塞阀⑶、四通接头⑷、L形接头⑸、位置显示线⑹、驱动管线⑺、连接短接⑻和橇装底座⑼等组成,特征在于:所述远程控制箱⑴通过两条驱动管线⑺与液动针式节流阀⑵相连接,所述远程控制箱⑴通过两条驱动管线⑺与液动旋塞阀⑶相连接,所述远程控制箱⑴通过位置显示线⑹与液动针式节流阀⑵和液动旋塞阀⑶相连接;所述液动针式节流阀⑵、液动旋塞阀⑶、四通接头⑷、L形接头⑸、位置显示线⑹、驱动管线⑺和连接短接⑻固定在橇装底座⑼上。
2.根据权利要求1所述远程控制油嘴管汇,其特征在于所述的位置显示线⑹可由电缆、钢管或胶管组成。
3.根据权利要求1所述远程控制油嘴管汇,其特征在于所述的驱动管线⑺可由钢管线或胶管组成。
4.根据权利要求1所述远程控制油嘴管汇,其特征在于所述的远程控制箱⑴可与多个液动旋塞阀⑶、液动针式节流阀⑵相连。
CN2011203795110U 2011-10-09 2011-10-09 一种远程控制油嘴管汇 Expired - Lifetime CN202300280U (zh)

Priority Applications (1)

Application Number Priority Date Filing Date Title
CN2011203795110U CN202300280U (zh) 2011-10-09 2011-10-09 一种远程控制油嘴管汇

Applications Claiming Priority (1)

Application Number Priority Date Filing Date Title
CN2011203795110U CN202300280U (zh) 2011-10-09 2011-10-09 一种远程控制油嘴管汇

Publications (1)

Publication Number Publication Date
CN202300280U true CN202300280U (zh) 2012-07-04

Family

ID=46369202

Family Applications (1)

Application Number Title Priority Date Filing Date
CN2011203795110U Expired - Lifetime CN202300280U (zh) 2011-10-09 2011-10-09 一种远程控制油嘴管汇

Country Status (1)

Country Link
CN (1) CN202300280U (zh)

Cited By (1)

* Cited by examiner, † Cited by third party
Publication number Priority date Publication date Assignee Title
CN109113639A (zh) * 2018-11-12 2019-01-01 中石化石油工程技术服务有限公司 一种固井作业用高压管汇远程控制系统

Cited By (2)

* Cited by examiner, † Cited by third party
Publication number Priority date Publication date Assignee Title
CN109113639A (zh) * 2018-11-12 2019-01-01 中石化石油工程技术服务有限公司 一种固井作业用高压管汇远程控制系统
CN109113639B (zh) * 2018-11-12 2024-01-30 中石化石油工程技术服务有限公司 一种固井作业用高压管汇远程控制系统

Similar Documents

Publication Publication Date Title
CN111503517A (zh) 一种压裂输送地面管汇系统
CN103065538B (zh) 一种室内钻井事故及井控技术模拟试验装置
WO2021237601A1 (zh) 一种压裂输送地面管汇系统
CN202300280U (zh) 一种远程控制油嘴管汇
CN202084243U (zh) 多功能油气技能培训装置
CN201653815U (zh) 多条管道液体压力试验装置
CN104500977B (zh) 一种管道维抢修技术试验系统
CN103867528B (zh) 一种综合液压试验台
CN102352734A (zh) 带钻柱防提断功能的地面防喷器控制装置
CN201650255U (zh) 遥控旋塞式钢球投球器
CN201747554U (zh) 一体化混联式多功能排水机组
CN201129497Y (zh) 多功能试压球阀
CN202531159U (zh) 液压防喷器现场试压装置
CN205301254U (zh) 在线色谱仪标定用标准油配制装置
CN101929330A (zh) 遥控旋塞式钢球投球系统
CN204703800U (zh) 一种动力与控制单元橇及其连续油管作业橇组
CN205477517U (zh) 固井装置
CN204788846U (zh) 油浸式配电变压器气压油试漏装置
CN105735945A (zh) 抽油装置
CN109403941A (zh) 一种压裂高压管汇远程液动放压装置及方法
CN203809419U (zh) 液压马达测试系统
CN203515438U (zh) 一种焊接和法兰联接结构的地面防喷器控制装置
CN201555771U (zh) 一种液压硬管实验台
CN203273289U (zh) 一种压缩空气管路
CN205100927U (zh) 一种远程无线智能控制的组合密封双管注气的井口系统

Legal Events

Date Code Title Description
C14 Grant of patent or utility model
GR01 Patent grant
EE01 Entry into force of recordation of patent licensing contract

Assignee: Sinopec Petroleum Engineering Machinery Co.,Ltd.

Assignor: SJ PETROLEUM MACHINERY Co.,Ltd. SINOPEC

Contract record no.: 2014420000150

Denomination of utility model: Remote control choke manifold

Granted publication date: 20120704

License type: Exclusive License

Record date: 20140718

LICC Enforcement, change and cancellation of record of contracts on the licence for exploitation of a patent or utility model
CP01 Change in the name or title of a patent holder
CP01 Change in the name or title of a patent holder

Address after: 434024 Hubei province Jingzhou Jingzhou District West Gate Longshan Temple

Patentee after: SJ PETROLEUM MACHINERY Co.,Ltd. SINOPEC

Address before: 434024 Hubei province Jingzhou Jingzhou District West Gate Longshan Temple

Patentee before: SJ Petroleum Machinery Co.

TR01 Transfer of patent right
TR01 Transfer of patent right

Effective date of registration: 20171121

Address after: 434020 No. 1 Longshan Temple Street, Jingzhou District, Jingzhou, Hubei

Co-patentee after: SINOPEC OILFIELD EQUIPMENT Corp.

Patentee after: SINOPEC SIJI PETROLEUM MACHINERY Co.,Ltd.

Address before: 434024 Hubei province Jingzhou Jingzhou District West Gate Longshan Temple

Patentee before: SJ PETROLEUM MACHINERY Co.,Ltd. SINOPEC

CX01 Expiry of patent term
CX01 Expiry of patent term

Granted publication date: 20120704