CN202256586U - 电力机车车顶绝耐压测试装置 - Google Patents
电力机车车顶绝耐压测试装置 Download PDFInfo
- Publication number
- CN202256586U CN202256586U CN2011203676817U CN201120367681U CN202256586U CN 202256586 U CN202256586 U CN 202256586U CN 2011203676817 U CN2011203676817 U CN 2011203676817U CN 201120367681 U CN201120367681 U CN 201120367681U CN 202256586 U CN202256586 U CN 202256586U
- Authority
- CN
- China
- Prior art keywords
- voltage
- roof
- case
- locomotive
- inverter
- Prior art date
- Legal status (The legal status is an assumption and is not a legal conclusion. Google has not performed a legal analysis and makes no representation as to the accuracy of the status listed.)
- Expired - Lifetime
Links
- 230000003137 locomotive effect Effects 0.000 title claims abstract description 22
- 238000012360 testing method Methods 0.000 title claims abstract description 12
- 238000006243 chemical reaction Methods 0.000 claims abstract description 6
- 238000009413 insulation Methods 0.000 abstract description 16
- 238000002955 isolation Methods 0.000 abstract description 2
- 238000010586 diagram Methods 0.000 description 5
- 239000012212 insulator Substances 0.000 description 3
- 238000013461 design Methods 0.000 description 2
- 238000005516 engineering process Methods 0.000 description 2
- 238000000034 method Methods 0.000 description 2
- 238000012545 processing Methods 0.000 description 2
- 238000004891 communication Methods 0.000 description 1
- 238000001514 detection method Methods 0.000 description 1
- 238000004880 explosion Methods 0.000 description 1
- 238000001914 filtration Methods 0.000 description 1
- 229910052573 porcelain Inorganic materials 0.000 description 1
- 239000004576 sand Substances 0.000 description 1
- 238000007790 scraping Methods 0.000 description 1
- 230000006641 stabilisation Effects 0.000 description 1
- 238000011105 stabilization Methods 0.000 description 1
- 230000001629 suppression Effects 0.000 description 1
Images
Classifications
-
- Y—GENERAL TAGGING OF NEW TECHNOLOGICAL DEVELOPMENTS; GENERAL TAGGING OF CROSS-SECTIONAL TECHNOLOGIES SPANNING OVER SEVERAL SECTIONS OF THE IPC; TECHNICAL SUBJECTS COVERED BY FORMER USPC CROSS-REFERENCE ART COLLECTIONS [XRACs] AND DIGESTS
- Y02—TECHNOLOGIES OR APPLICATIONS FOR MITIGATION OR ADAPTATION AGAINST CLIMATE CHANGE
- Y02T—CLIMATE CHANGE MITIGATION TECHNOLOGIES RELATED TO TRANSPORTATION
- Y02T10/00—Road transport of goods or passengers
- Y02T10/60—Other road transportation technologies with climate change mitigation effect
- Y02T10/72—Electric energy management in electromobility
Landscapes
- Electric Propulsion And Braking For Vehicles (AREA)
- Inverter Devices (AREA)
Abstract
本实用新型提供一种电力机车车顶耐压测试装置,本装置包括控制箱、高压发生器(高压电压互感器)两部份,其特征在于:控制箱包括有机箱、逆变器、以单片机为核心的控制板和机箱的操作面板,逆变器、控制板安装在机箱内,机箱上端设有机箱上盖,机箱后侧面上开有输入输出口,操作面板上设置有显示模块,高压发生器包括设有电流互感器、A/D转换板,显示模块与控制板连接。本实用新型能够检测电力机车车顶高压设备绝缘是否降低或接地;能够提供机车车顶高压设备的绝缘信息;发生车顶绝缘事故后,能够判断机车车顶高压电路是否接地,从而指导司乘人员进行快速隔离,维持机车运行。
Description
技术领域
本实用新型涉及一种测试装置,具体来讲是一种用于铁道电力机车车顶耐压测试装置。
背景技术
电力机车车顶高压设备为户外安装,主要包括受电弓、主断路器、车顶母线、避雷器、高压电压互感器、受电弓及车顶母线支持绝缘子等。要求25kV高压电气设备与机车车顶有充足的高压绝缘,能防止风、沙、雨、雪等恶劣气候的侵害及雷电大气过电压的袭击。对车顶高压设备的绝缘检测传统方法是采用的是兆欧表测量,其输出功率较小,不能完全反映车顶高压设备的绝缘水平;当电力机车牵引列车运行时,如果机车车顶高压设备发生故障或其它原因造成高压设备故障,比如受电弓刮弓、主断路器灭弧室瓷瓶或非线性电阻爆炸、车顶有异物搭接、支持绝缘子闪络等造成高压设备接地或车顶绝缘降低,由于乘务员无法判断故障情况,一旦再次升起受电弓将导致高压放电、接地,轻则造成受电弓滑板与接触网粘接,重则烧断接触网,造成大的故障。另外,如果遇到大雾及雨雪天气,一个供电区间下多台机车,如有一台机车绝缘子闪络,将造成多台机车不能正常工作,严重影响行车安全和铁路运输的正常秩序。行车中遇到上述情况一般需申请停电上车顶作业,作业时间较长(需查找绝缘损坏点、如何隔离等等问题),打乱了正常的运输秩序,严重的影响运输效率,并且区间停电在车顶作业也有较大的人身安全隐患。
实用新型内容
本实用新型的目的在于克服上述缺点,提供一种电力机车车顶耐压测试装置。
本实用新型是这样实现的。构造一种电力机车车顶绝耐压测试装置,本装置包括控制箱、高压发生器两部份,其特征在于:控制箱包括有机箱、逆变器、以单片机为核心的控制板和机箱的操作面板,逆变器、控制板安装在机箱内,机箱上端设有机箱上盖,机箱后侧面上开有输入输出口,操作面板上设置有显示模块,高压发生器包括设有电流互感器、A/D转换板,显示模块与控制板连接。
实用新型的优点在于:(1)检测电力机车车顶高压设备绝缘是否降低或接地;(2)提供机车车顶高压设备的绝缘信息;(3)电力机车发生绝缘事故后,指导司乘人员进行故障隔离,并能够判断机车是否可再次升弓,维持运行。
附图说明
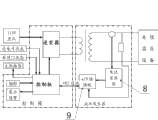
图1是控制箱结构示意图。
图2车顶耐压测试装置原理图。
图3是逆变器的原理框图。
图4控制板原理框图。
图中:1、机箱,2、逆变器,3、控制板,4、操作面板,5、机箱上盖,6、输入输出口,7、显示模块,8、电流互感器,9、A/D转换板。
具体实施方式
下面结合附图对本实用新型做出详细说明:
本实用新型提供一种电力机车车顶耐压测试装置,本装置包括控制箱、高压发生器两部份,控制箱包括有机箱1、逆变器2、以单片机为核心的控制板3和机箱1的操作面板4,逆变器2、控制板3安装在机箱1内,机箱1上端设有机箱上盖5,机箱1后侧面上开有输入输出口6,操作面板4上设置有显示模块7,高压发生器包括设有电流互感器8、A/D转换板9,显示模块7与控制板3连接。
电力机车车顶耐压测试装置将110V直流电源通过逆变器2逆变为0~116V,0~172V,0~232V(视车型不同而不同)/50Hz交流电,高压互感器将其升压至0~29kV,通过控制测试设备与车顶高压电压电器设备相接触。电流互感器8检测高压试验变压器高压侧电流,电阻分压电路采集高压侧电压一并送入A/D转换板9,将转换后的电压和电流值送入单片机(控制板3)处理、显示。乘务员通过观察控制箱上的显示屏,判断车顶高压设备的绝缘性能。当绝缘性能较低时,装置会自动报警。控制板3外接有显示报警装置。本装置不工作时,与车顶绝缘设备处于断开状态,不影响机车正常运行,提高了安全性。其基本原理如图2所示。
由于机车在不升弓的情况下,只有蓄电池作为电源,因此需设计稳定、可靠的逆变电源装置,将直流电逆变为可变的0~116V,0~172V,0~232V 50Hz的交流电。逆变电源的设计主要解决逆变电源的电压稳定性和输出波形(正弦波)问题。逆变电源采用专用PWM控制器、大功率VMOS器件等。PWM控制器输出脉冲信号控制高频桥,将经稳压滤波后的110V直流电变为交流脉冲,再经过升压、整流滤波成正弦半波,通过单片机对周波管两组电力MOSFET的交替触发而输出交流电压。本逆变电源采用单片机控制的SPWM控制技术。 直流输入端采用先进的反灌杂音抑制技术,逆变电源内置精密的反噪声倒灌装置和滤波器,符合电磁兼容标准,在与其他通讯设备共用直流屏时互不干扰;AC/DC变换器采用先进的PFC整流电路,使输入功率因素高达95%以上;同时设置了交流过压、过载、短路等保护措施,使本逆变电源具有非常高的稳定性和可靠性。
控制板3采用单片机为控制核心,其控制原理如图4所示。其主要作用有:判断输入条件是否满足要求;高压侧电流和电压反馈值的处理和显示;逆变器工作与否;继电器驱动信号的输出;为PWM控制器提供基准;为周波管提供触发脉冲;交流过压、过载、短路等保护功能的实现;自动/手动时控制输出电压,使输出电压按要求逐渐上升/下降;控制测试头的升降;显示输出,方便观察;异常情况报警。
显示模块:乘务员可以通过观察装置LCD显示屏的电压/电流的显示,来确定车顶高压设备是否接地或绝缘降低,若显示电流小于3.5A且显示电压大于设定值时表示正常;若显示电流大于3.5A,且显示电压小于设定值时表示车顶高压设备绝缘性能降低或有接地处所,同时报警。
图1是控制箱示意图:1、输入电压: DC110V (77V-137.5V);2、输出电压: AC 0~232V;3、频率: 50±1%Hz;4、容量: 1kVA(MAX);5、波形:正弦波。高压发生器:1、输入电压: AC 0~240V;2、输出电压:AC 0-29kV;3、频率: 50±1%HZ;4、容量: 0.6kVA(MAX)。
Claims (1)
1.一种电力机车车顶耐压测试装置,本装置包括控制箱、高压发生器两部份,其特征在于:控制箱包括有机箱(1)、逆变器(2)、以单片机为核心的控制板(3)和机箱(1)的操作面板(4),逆变器(2)、控制板(3)安装在机箱(1)内,机箱(1)上端设有机箱上盖(5),机箱(1)后侧面上开有输入输出口(6),操作面板(4)上设置有显示模块(7),高压发生器包括设有电流互感器(8)、A/D转换板(9),显示模块(7)与控制板(3)连接。
Priority Applications (1)
| Application Number | Priority Date | Filing Date | Title |
|---|---|---|---|
| CN2011203676817U CN202256586U (zh) | 2011-09-29 | 2011-09-29 | 电力机车车顶绝耐压测试装置 |
Applications Claiming Priority (1)
| Application Number | Priority Date | Filing Date | Title |
|---|---|---|---|
| CN2011203676817U CN202256586U (zh) | 2011-09-29 | 2011-09-29 | 电力机车车顶绝耐压测试装置 |
Publications (1)
| Publication Number | Publication Date |
|---|---|
| CN202256586U true CN202256586U (zh) | 2012-05-30 |
Family
ID=46117805
Family Applications (1)
| Application Number | Title | Priority Date | Filing Date |
|---|---|---|---|
| CN2011203676817U Expired - Lifetime CN202256586U (zh) | 2011-09-29 | 2011-09-29 | 电力机车车顶绝耐压测试装置 |
Country Status (1)
| Country | Link |
|---|---|
| CN (1) | CN202256586U (zh) |
Cited By (5)
| Publication number | Priority date | Publication date | Assignee | Title |
|---|---|---|---|---|
| CN102866330A (zh) * | 2012-09-11 | 2013-01-09 | 株洲中车电力机车配件有限公司 | 一种机车高低压绝缘检测装置 |
| CN104614652A (zh) * | 2015-02-09 | 2015-05-13 | 韩社教 | 动车组车顶高压发生器 |
| CN104849631A (zh) * | 2015-05-18 | 2015-08-19 | 湖南工业大学 | 一种机车车顶绝缘测试系统 |
| CN106896304A (zh) * | 2017-04-18 | 2017-06-27 | 河北中车科技发展有限公司 | 超低频动车组车顶高压系统绝缘监测装置及监测方法 |
| CN108872912A (zh) * | 2018-08-28 | 2018-11-23 | 中车兰州机车有限公司 | 电力机车车顶绝缘检测装置的测试装置 |
-
2011
- 2011-09-29 CN CN2011203676817U patent/CN202256586U/zh not_active Expired - Lifetime
Cited By (7)
| Publication number | Priority date | Publication date | Assignee | Title |
|---|---|---|---|---|
| CN102866330A (zh) * | 2012-09-11 | 2013-01-09 | 株洲中车电力机车配件有限公司 | 一种机车高低压绝缘检测装置 |
| CN102866330B (zh) * | 2012-09-11 | 2015-12-16 | 株洲中车电力机车配件有限公司 | 一种机车高低压绝缘检测装置 |
| CN104614652A (zh) * | 2015-02-09 | 2015-05-13 | 韩社教 | 动车组车顶高压发生器 |
| CN104849631A (zh) * | 2015-05-18 | 2015-08-19 | 湖南工业大学 | 一种机车车顶绝缘测试系统 |
| CN104849631B (zh) * | 2015-05-18 | 2017-10-17 | 湖南工业大学 | 一种机车车顶绝缘测试系统 |
| CN106896304A (zh) * | 2017-04-18 | 2017-06-27 | 河北中车科技发展有限公司 | 超低频动车组车顶高压系统绝缘监测装置及监测方法 |
| CN108872912A (zh) * | 2018-08-28 | 2018-11-23 | 中车兰州机车有限公司 | 电力机车车顶绝缘检测装置的测试装置 |
Similar Documents
| Publication | Publication Date | Title |
|---|---|---|
| CN101609124B (zh) | 一种列车供电系统的接地检测方法 | |
| CN102208792B (zh) | 一种基于可关断器件移动式直流融冰装置的系统调试方法 | |
| CN201440161U (zh) | 机车车顶绝缘检测设备 | |
| CN202256586U (zh) | 电力机车车顶绝耐压测试装置 | |
| CN1948975B (zh) | 一种电解槽系列的对地绝缘电阻检测装置及方法 | |
| CN105676092A (zh) | 变电所电力电缆绝缘水平监测方法与系统 | |
| CN203551726U (zh) | 电力机车车顶绝缘检测装置 | |
| CN111308297A (zh) | 绝缘检测装置 | |
| CN109254243A (zh) | 一种高压断路器试验短接线装置 | |
| CN203551727U (zh) | 电力机车车顶绝缘检测仪 | |
| CN103576077B (zh) | 三相逆变器功率模块的检测装置 | |
| CN204046179U (zh) | 一种智能型煤矿供电系统综合实验装置 | |
| CN106896304A (zh) | 超低频动车组车顶高压系统绝缘监测装置及监测方法 | |
| CN203237059U (zh) | 电力机车高压供电系统静动态在线绝缘监控装置 | |
| CN202524078U (zh) | 消弧及过电压保护装置控制器 | |
| CN208904870U (zh) | 变频器的电源模块 | |
| CN218350454U (zh) | 一种充放电测试系统 | |
| CN201918730U (zh) | 特高压直流换流站直流场 | |
| CN205620457U (zh) | 一种基于隔离变压器的pt二次电压信号隔离取样装置 | |
| CN104638617A (zh) | 一种发电车dc600v整流柜输出端保护装置 | |
| CN203587699U (zh) | 绝缘电阻测试装置 | |
| CN203519779U (zh) | 三相逆变器功率模块的检测装置 | |
| CN201828639U (zh) | 信号电缆绝缘测试装置 | |
| CN202564798U (zh) | 智能型消弧消谐开关柜 | |
| CN203660531U (zh) | 一种新型智能型消弧及过电压保护装置 |
Legal Events
| Date | Code | Title | Description |
|---|---|---|---|
| C14 | Grant of patent or utility model | ||
| GR01 | Patent grant | ||
| CP03 | Change of name, title or address |
Address after: 610066 Sichuan city of Chengdu province Chengdu economic and Technological Development Zone (Longquanyi District) Ascot Road No. 228 Patentee after: Chengdu Hongyuan Polytron Technologies Inc Address before: 610066 No. 39, West Main Road, Chengdu economic and Technological Development Zone, Sichuan Patentee before: Chengdu Changtong Railway Technology Exploitation Co., Ltd. |
|
| CP03 | Change of name, title or address | ||
| CX01 | Expiry of patent term |
Granted publication date: 20120530 |
|
| CX01 | Expiry of patent term |