CN202226990U - Spring pressurizing structure in rocking frame - Google Patents
Spring pressurizing structure in rocking frame Download PDFInfo
- Publication number
- CN202226990U CN202226990U CN2011201841415U CN201120184141U CN202226990U CN 202226990 U CN202226990 U CN 202226990U CN 2011201841415 U CN2011201841415 U CN 2011201841415U CN 201120184141 U CN201120184141 U CN 201120184141U CN 202226990 U CN202226990 U CN 202226990U
- Authority
- CN
- China
- Prior art keywords
- pressure
- spring
- seat
- roller seat
- roller
- Prior art date
- Legal status (The legal status is an assumption and is not a legal conclusion. Google has not performed a legal analysis and makes no representation as to the accuracy of the status listed.)
- Expired - Lifetime
Links
- 239000010985 leather Substances 0.000 claims description 29
- 230000001105 regulatory effect Effects 0.000 claims description 23
- 210000000078 claw Anatomy 0.000 claims description 15
- 238000009434 installation Methods 0.000 claims description 13
- 238000009987 spinning Methods 0.000 abstract description 3
- 230000000694 effects Effects 0.000 description 5
- 206010016256 fatigue Diseases 0.000 description 3
- 238000009941 weaving Methods 0.000 description 2
- 230000004075 alteration Effects 0.000 description 1
- 230000009286 beneficial effect Effects 0.000 description 1
- 230000006835 compression Effects 0.000 description 1
- 238000007906 compression Methods 0.000 description 1
- 238000004519 manufacturing process Methods 0.000 description 1
Images
Landscapes
- Springs (AREA)
Abstract
The utility model discloses a spring pressurizing structure in a rocking frame, which comprises a rocking frame seat. A handle and a rocker arm are hinged on the rocking frame seat, and roller clamping jaws are mounted on the lower side of the rocker arm through pressurizing components. The structure of each of the pressurizing component includes that a pressurizing seat is fixedly mounted on the rocker arm, a mounting cavity is arranged in the pressurizing seat, a roller seat is movably arranged in the mounting cavity, the roller clamping jaw is arranged at the lower end of the roller seat, a spring is arranged between the roller seat and the top of the mounting cavity, a pressure adjuster capable of adjusting pressure of the spring is arranged on the pressurizing seat, and a limiter capable of limiting moving of the roller seat is arranged between the pressurizing seat and the roller seat. The spring pressurizing structure in the rocking frame is quite simple and capable of being widely applied to spinning machines, elasticity of the springs is applied to the roller perpendicularly, working efficiency of the springs is improved, fatigue and deformation of the springs are reduced, and pressure adjustment is quite convenient.
Description
Technical field
The utility model relates to the reel cage on the frame in the spinning industry, refers more particularly to the spring-loaded structure in the reel cage.
Background technology
Drawing and pressuring device in the frame is commonly called as reel cage; Its structure mainly comprises: rocking arm and base; Be hinged with handle and rocking arm on the rocking arm and base; the downside of rocking arm is provided with the roller claw---generally include front leather roller claw, medium rubber roller claw, back roller claw, each roller claw is installed in the lower end of pressure-applying unit separately respectively, and pressure-applying unit is installed in the downside of rocking arm.Pressure-applying unit commonly used at present comprises spring-loaded and two kinds of forms of pneumatic pressurization; Wherein spring loaded structure is: the roller claw is installed in the lower end of lever depression bar; Depression bar is movably arranged on the rocking arm through bearing pin; Spring is arranged between depression bar and the rocking arm, and spring passes to roller claw and roller through depression bar with pressure, comes the pressure of regulating spring to roller through the installation site between adjustment spring and the depression bar.During work, rocking arm and base is fixedly mounted on the boss rod in the frame, and in each roller claw the good corresponding roller of clamping; Downward pressing handle and rocking arm; Under the effect of pressure-applying unit separately, roller is pressed on each self-corresponding roller with certain pressure, thereby realizes the spinning function.
The shortcoming of above-mentioned traditional spring-loaded structure is: the pressure adjustment is trouble very, and this lever-type pressure structure requires the deformation of spring big, and the spring fatiguability needs in time to change spring, and production cost is higher.
The utility model content
The technical problem of the required solution of the utility model is: the spring-loaded structure in the reel cage that a kind of pressure adjustment is very convenient, spring deformation is less will be provided.
For addressing the above problem, the technical scheme that the utility model adopts is: the spring-loaded structure in the reel cage comprises: rocking arm and base; Be hinged with handle and rocking arm on the rocking arm and base, the roller claw is installed in the downside of rocking arm through pressure-applying unit, and the structure of described pressure-applying unit is: on rocking arm, be installed with pressure foot; Be provided with installation cavity in the pressure foot; Be movably set with leather roller seat in the installation cavity, the lower end of leather roller seat is provided with the roller claw, between the top of leather roller seat and installation cavity, is provided with spring; Pressure foot is provided with the regulator that can adjust spring pressure, between pressure foot and leather roller seat, also is provided with to make the spacing mobile stopping means of leather roller seat.
The structure of described regulator is: be provided with the pressure regulating axis that can rotate in the upper end of pressure foot; Pressure regulating axis is provided with four pressure regulation faces; The distance of each pressure regulation face to pressure regulating axis axial line is all unequal, and pressure regulation face contacts with the upper padding plate that is arranged on the spring top.
The structure of above-mentioned stopping means is: the lateral wall of leather roller seat is provided with stopper slot, and pressure foot is provided with stop screw, and stop screw extend in the stopper slot.
In addition, also be provided with micrometer adjusting screw in the bottom of leather roller seat, micrometer adjusting screw contacts with the lower bolster that is arranged on the spring bottom.
The beneficial effect of the utility model: its structure of the pressure structure of described Spring cradle is very simple; Overcome the various shortcoming of part in the pressure lever type pressing mechanism of traditional reel cage, roller is given in the vertical effect of the elastic force of spring, has improved the operating efficiency of spring; Reduced the fatigue deformation of spring; And the adjustment that pressure regulating axis and micrometer adjusting screw can be realized a plurality of gear active forces is set in pressure foot, the pressure adjustment is very convenient, can satisfy the needs of the different yarns of weaving.
Description of drawings
Fig. 1 is the cross-sectional view that the reel cage of the described spring-loaded structure of the utility model is housed;
Fig. 2 is the generalized section of the spring-loaded structure in the described reel cage of the utility model;
Fig. 3 is the structural representation of the described pressure regulating axis of the utility model;
Fig. 4 is the right view of pressure regulating axis shown in Figure 3;
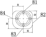
Among Fig. 1~Fig. 4: 1, rocking arm and base, 2, handle, 3, rocking arm, 4, the roller claw, 5, pressure foot; 51, installation cavity, 6, leather roller seat, 61, stopper slot, 7, spring, 8, pressure regulating axis; 81, the first pressure regulation face, 82, the second pressure regulation face, the 83, the 3rd pressure regulation face, the 84, the 4th pressure regulation face, 9, upper padding plate; 10, stop screw, 11, micrometer adjusting screw, 12, lower bolster, 13, roller, 14, roller.
The specific embodiment
Below in conjunction with accompanying drawing and specific embodiment the utility model is done further to specify.
Like Fig. 1, shown in Figure 2, the spring-loaded structure in the reel cage comprises: rocking arm and base 1; Be hinged with handle 2 and rocking arm 3 on the rocking arm and base 1, roller claw 4 is installed in the downside of rocking arm 3 through pressure-applying unit, and the structure of described pressure-applying unit is: on rocking arm 3, be installed with pressure foot 5; Be provided with installation cavity 51 in the pressure foot 5; Be movably set with leather roller seat 6 in the installation cavity 51, the lower end of leather roller seat 6 is provided with roller claw 4, between the top of leather roller seat 6 and installation cavity 51, is provided with spring 7; Pressure foot 5 is provided with the regulator of ability regulating spring 7 pressure; Its structure is: be provided with the pressure regulating axis 8 that can rotate in the upper end of pressure foot 5, pressure regulating axis 8 is provided with four pressure regulation faces, is respectively the first pressure regulation face 81, the second pressure regulation face 82, the 3rd pressure regulation face 83 and the 4th pressure regulation face 84; The distance of the axial line of each pressure regulation face to pressure regulating axis 8 is all unequal, and pressure regulation face contacts with the upper padding plate 9 that is arranged on spring 7 tops.Between pressure foot 5 and leather roller seat 6, be provided with stopping means, its structure is: the lateral wall of leather roller seat 6 is provided with stopper slot 61, and pressure foot 5 is provided with stop screw 10, and stop screw 10 extend in the stopper slot 61.Bottom at leather roller seat 6 also is provided with micrometer adjusting screw 11, and micrometer adjusting screw 11 contacts with the lower bolster 12 that is arranged on spring 7 bottoms.
During work; Earlier in the roller claw 4 of leather roller seat 6 lower ends, load onto roller 13; Then handle on the rocking arm and base 12 and rocking arm 3 are closed, roller 13 is pressed on the roller 14 like this, spring 7 compressions in the installation cavity 51 in the pressure foot 5 at this moment; The elastic force that spring 7 distortion produce vertically acts on the roller 13 through lower bolster 12, and roller 13 acts directly on pressure on the roller 14.Because the reaction force of 14 pairs of rollers 13 of roller; Fixedly the leather roller seat 6 of roller 3 can move up along the inwall of installation cavity 51 in moment; This moment, stop screw 10 blocked the stopper slot 61 on the leather roller seat 6; Play the effect that restriction leather roller seat 6 moves up always, also can play the effect that restricted guidance leather roller seat 6 moves down always simultaneously.On pressure regulating axis 8, be provided with four pressure regulation faces,,, thereby change the pressure of 13 pairs of rollers 14 of roller so adjustment can change the deflection of spring 7 with upper padding plate 9 contacted pressure regulation faces because the distance of the axial line of each pressure regulation face to pressure regulating axis 8 is all unequal.Like Fig. 3, shown in Figure 4; The distance of the axial line of first pressure regulation face 81 to the pressure regulating axis 8 is H2, and the distance of the axial line of second pressure regulation face 82 to the pressure regulating axis 8 is H3, and the distance of the axial line of the 3rd pressure regulation face 83 to pressure regulating axis 8 is H4; The distance of the axial line of the 4th pressure regulation face 84 to pressure regulating axis 8 is H1; Four pressure regulation faces are the fourth gear pressure regulation, rotate pressure regulating axis 8 and select corresponding pressure regulation face, thereby select the roller pressure of corresponding gear.Bottom at leather roller seat 6 also is provided with micrometer adjusting screw 11, being screwed into of micrometer adjusting screw 11 back-out can minor alteration spring 7 deflection, thereby carry out the fine setting of pressure.Micrometer adjusting screw 11 can be adjusted behind the pressure regulation face of choosing again.
Its structure of the pressure structure of the described Spring cradle of the utility model is very simple; Overcome the various shortcoming of part in the pressure lever type pressing mechanism of traditional reel cage, roller is given in the vertical effect of the elastic force of spring, has improved the operating efficiency of spring; Reduced the fatigue deformation of spring; And the adjustment that pressure regulating axis and micrometer adjusting screw can be realized a plurality of gear active forces is set in pressure foot, the pressure adjustment is very convenient, can satisfy the needs of the different yarns of weaving.
Claims (5)
1. the spring-loaded structure in the reel cage, comprising: rocking arm and base is hinged with handle and rocking arm on the rocking arm and base; The roller claw is installed in the downside of rocking arm through pressure-applying unit; It is characterized in that: the structure of described pressure-applying unit is: on rocking arm, be installed with pressure foot, be provided with installation cavity in the pressure foot, be movably set with leather roller seat in the installation cavity; The lower end of leather roller seat is provided with the roller claw; Between the top of leather roller seat and installation cavity, be provided with spring, pressure foot is provided with the regulator that can adjust spring pressure, between pressure foot and leather roller seat, also is provided with to make the spacing mobile stopping means of leather roller seat.
2. according to the spring-loaded structure in the described reel cage of claim 1; It is characterized in that: the structure of described regulator is: be provided with the pressure regulating axis that can rotate in the upper end of pressure foot; Pressure regulating axis is provided with four pressure regulation faces; The distance of each pressure regulation face to pressure regulating axis axial line is all unequal, and pressure regulation face contacts with the upper padding plate that is arranged on the spring top.
3. according to the spring-loaded structure in claim 1 or the 2 described reel cages; It is characterized in that: the structure of described stopping means is: the lateral wall of leather roller seat is provided with stopper slot; Pressure foot is provided with stop screw, and stop screw extend in the stopper slot.
4. according to the spring-loaded structure in claim 1 or the 2 described reel cages, it is characterized in that: the bottom at leather roller seat also is provided with micrometer adjusting screw, and micrometer adjusting screw contacts with the lower bolster that is arranged on the spring bottom.
5. according to the pressure structure of the described Spring cradle of claim 3, it is characterized in that: the bottom at leather roller seat also is provided with micrometer adjusting screw, and micrometer adjusting screw contacts with the lower bolster that is arranged on the spring bottom.
Priority Applications (1)
| Application Number | Priority Date | Filing Date | Title |
|---|---|---|---|
| CN2011201841415U CN202226990U (en) | 2011-06-02 | 2011-06-02 | Spring pressurizing structure in rocking frame |
Applications Claiming Priority (1)
| Application Number | Priority Date | Filing Date | Title |
|---|---|---|---|
| CN2011201841415U CN202226990U (en) | 2011-06-02 | 2011-06-02 | Spring pressurizing structure in rocking frame |
Publications (1)
| Publication Number | Publication Date |
|---|---|
| CN202226990U true CN202226990U (en) | 2012-05-23 |
Family
ID=46077588
Family Applications (1)
| Application Number | Title | Priority Date | Filing Date |
|---|---|---|---|
| CN2011201841415U Expired - Lifetime CN202226990U (en) | 2011-06-02 | 2011-06-02 | Spring pressurizing structure in rocking frame |
Country Status (1)
| Country | Link |
|---|---|
| CN (1) | CN202226990U (en) |
Cited By (3)
| Publication number | Priority date | Publication date | Assignee | Title |
|---|---|---|---|---|
| CN102704064A (en) * | 2012-07-06 | 2012-10-03 | 常熟市天豪机械有限公司 | Cradle device with adjustable handle |
| CN109941817A (en) * | 2019-04-26 | 2019-06-28 | 英鸿纳米科技股份有限公司 | Conveying roll is used in a kind of production of nanofiber |
| CN111534908A (en) * | 2020-05-09 | 2020-08-14 | 丁明明 | Operation adjusting device for pinch roller arm assembly of textile machinery |
-
2011
- 2011-06-02 CN CN2011201841415U patent/CN202226990U/en not_active Expired - Lifetime
Cited By (4)
| Publication number | Priority date | Publication date | Assignee | Title |
|---|---|---|---|---|
| CN102704064A (en) * | 2012-07-06 | 2012-10-03 | 常熟市天豪机械有限公司 | Cradle device with adjustable handle |
| CN109941817A (en) * | 2019-04-26 | 2019-06-28 | 英鸿纳米科技股份有限公司 | Conveying roll is used in a kind of production of nanofiber |
| CN109941817B (en) * | 2019-04-26 | 2021-01-19 | 英鸿纳米科技股份有限公司 | Conveying roller for nanofiber production |
| CN111534908A (en) * | 2020-05-09 | 2020-08-14 | 丁明明 | Operation adjusting device for pinch roller arm assembly of textile machinery |
Similar Documents
| Publication | Publication Date | Title |
|---|---|---|
| CN201835079U (en) | Adjustable-tension roller device | |
| CN202226990U (en) | Spring pressurizing structure in rocking frame | |
| CN102230241B (en) | Spring-weighted structure in cradle | |
| CN204867118U (en) | Panel turn -ups mould of bending | |
| CN202157157U (en) | Installation structure for guide leather roller clamping claw in compact spinning cradle | |
| CN102704063B (en) | Spring cradle | |
| CN202226989U (en) | Adjusting and mounting structure of the guiding leather roller claw of compact spinning cradle | |
| CN201842909U (en) | Top pressure fine adjustment type cradle | |
| CN102230238B (en) | Installation structure for guiding leather roller clamping claw in tightly-spinning cradle | |
| CN201020496Y (en) | Machinery compensation working bench | |
| CN103434874A (en) | Cloth pressure constant system for plaiting machine | |
| CN201613690U (en) | Guide belt pressing device for magnetic rod type flat screen printing machine | |
| CN103101333B (en) | The guiding mechanism that a kind of printer carriage level moves left and right | |
| CN102935725A (en) | Pressure machine | |
| CN102363900B (en) | Adjusting installing structure of guiding roller claw in compact spinning cradle | |
| CN202881506U (en) | Comprehensive allocation pendulum arm | |
| CN218561723U (en) | High-speed drawing frame pressing mechanism | |
| CN104420017A (en) | Spring pressurizing structure in cradle | |
| CN101015843A (en) | Upper roll hydraulic holding-down device of hydraulic three-roll plate bending machine and framework thereof | |
| CN102019329A (en) | Novel numerical control punch feeding apparatus | |
| CN202717901U (en) | Novel spring cradle | |
| CN102888679A (en) | Comprehensive pressure mixing cradle | |
| CN217682572U (en) | Cylinder rotating torque force adjustable mechanism | |
| CN202717900U (en) | Parallel support for cradle pressurization device | |
| CN104420019A (en) | Spring pressing structure in cradle |
Legal Events
| Date | Code | Title | Description |
|---|---|---|---|
| C14 | Grant of patent or utility model | ||
| GR01 | Patent grant | ||
| AV01 | Patent right actively abandoned |
Granted publication date: 20120523 Effective date of abandoning: 20130522 |
|
| RGAV | Abandon patent right to avoid regrant |