CN202207850U - 半自动火焰切割机侧向牵引装置 - Google Patents

半自动火焰切割机侧向牵引装置 Download PDF

Info

Publication number
CN202207850U
CN202207850U CN2011203262173U CN201120326217U CN202207850U CN 202207850 U CN202207850 U CN 202207850U CN 2011203262173 U CN2011203262173 U CN 2011203262173U CN 201120326217 U CN201120326217 U CN 201120326217U CN 202207850 U CN202207850 U CN 202207850U
Authority
CN
China
Prior art keywords
cutting machine
semi
flame cutting
automatic
roller
Prior art date
Legal status (The legal status is an assumption and is not a legal conclusion. Google has not performed a legal analysis and makes no representation as to the accuracy of the status listed.)
Expired - Lifetime
Application number
CN2011203262173U
Other languages
English (en)
Inventor
罗涛
刘远翔
贺映才
Current Assignee (The listed assignees may be inaccurate. Google has not performed a legal analysis and makes no representation or warranty as to the accuracy of the list.)
Yichang Jiangxia Marine Machinery Co., Ltd.
Original Assignee
YICHANG HEAVY-DUTY ENGINEERING MACHINERY Co Ltd OF CHINA
Priority date (The priority date is an assumption and is not a legal conclusion. Google has not performed a legal analysis and makes no representation as to the accuracy of the date listed.)
Filing date
Publication date
Application filed by YICHANG HEAVY-DUTY ENGINEERING MACHINERY Co Ltd OF CHINA filed Critical YICHANG HEAVY-DUTY ENGINEERING MACHINERY Co Ltd OF CHINA
Priority to CN2011203262173U priority Critical patent/CN202207850U/zh
Application granted granted Critical
Publication of CN202207850U publication Critical patent/CN202207850U/zh
Anticipated expiration legal-status Critical
Expired - Lifetime legal-status Critical Current

Links

Images

Landscapes

  • Arc Welding In General (AREA)

Abstract

一种半自动火焰切割机侧向牵引装置,侧向臂通过固定螺母与升降螺杆连接,升降螺杆上安装有滚轮。通过将本实用新型安装在半自动火焰切割机的侧面,当半自动火焰切割机在行走过程中,因从动轮向内旋转一定角度,向内的牵引分力作用在侧向牵引装置的滚轮上,使滚轮一直紧贴着零件的侧面弧面行走,进而使小车一直与零件弧度保持平行的轨迹行走,不会走到零件外侧或里侧,最终达到半自动切割机能脱离轨道,自动行走的效果。确定半自动火焰切割机行走路径与零件弧度一致后,火焰切割的路径进而也与零件弧度达到了一致,半自动切割机在零件上行走是匀速曲线运动,切割出的零件坡口能达到外观质量合格,根部尺寸精确的目的。

Description

半自动火焰切割机侧向牵引装置
技术领域
本实用新型涉及一种切割机的牵引装置,特别是一种主要用于机械,金属结构加工的半自动火焰切割机侧向牵引装置。
背景技术
现有的半自动火焰切割机由两部分组成,小车和轨道。小车主要用于控制火焰切割,轨道则给小车提供行走路径,让小车在轨道上匀速直线行走。现有的半自动火焰切割机主要用于切割钢板和坡口,而目前使用的半自动火焰切割机存在的主要技术问题是半自动切割机的小车只能在轨道上行走,只能走直线路径,而在机械和金属结构行业经常需要切割弧形零件的坡口,对此使用轨道进行半自动切割在生产中会带来很多不便,操作工人需要不断调节轨道的方向和位置,而且轨道放置的角度和位置也很难把握,工人的操作难度大,进而生产效率也不高,同时割出的零件坡口有较多的缺陷,例如:锯齿,氧化铁等,根部尺寸也不准确。
发明内容
本实用新型所要解决的技术问题是提供一种半自动火焰切割机侧向牵引装置,可以克服现有技术中的缺陷,解决半自动火焰切割机切割弧形零件坡口时的形状不准确和缺陷的问题,提高生产效率。
为解决上述技术问题,本实用新型所采用的技术方案是:一种半自动火焰切割机侧向牵引装置,侧向臂通过固定螺母与升降螺杆连接,升降螺杆上安装有滚轮。
所述的固定螺母为两个,分别位于侧向臂的上下两侧。
所述的滚轮的径向线与侧向臂平行。
本实用新型提供的一种半自动火焰切割机侧向牵引装置,通过将本实用新型安装在半自动火焰切割机的侧面,当半自动火焰切割机在行走过程中,因从动轮向内旋转一定角度,小车的牵引力分解为一个向前的牵引分力和向内的牵引分力 (如图4所示),向内的牵引分力作用在侧向牵引装置的滚轮上,使滚轮一直紧贴着零件的侧面弧面行走,进而使小车一直与零件弧度保持平行的轨迹行走,不会走到零件外侧或里侧,最终达到半自动切割机能脱离轨道,自动行走的效果。 确定半自动火焰切割机行走路径与零件弧度一致后,火焰切割的路径进而也与零件弧度达到了一致,半自动切割机在零件上行走是匀速曲线运动,切割出的零件坡口能达到外观质量合格,根部尺寸精确的目的。
本实用新型成本低廉,以本年度市场售价计总价30元左右。 其次效率高,未使用本实用新型前,每位操作工控制一台半自动切割机,手动调节切割弧度,工作效率低,而且难度较大。在使用本实用新型后,每位操作工可控制两台半自动切割机,不必调节小车的运行轨迹,操作难度小,同时质量好。未使用本实用新型前,割出的零件锯齿较多,坡口根部尺寸不准确,外形质量不美观,不便于打磨和焊接。在使用本实用新型后,割出的零件外形质量合格,无明显缺陷,根部尺寸准确。带侧向牵引装置的半自动火焰切割机切割弧形零件坡口的运行过程图如图6所示。
附图说明
下面结合附图和实施例对本实用新型作进一步说明:
图1为本实用新型的立体图。
图2为本实用新型的主视图。
图3为本实用新型安装在半自动火焰切割机上的整体结构图。
图4为半自动火焰切割机的小车的牵引力分析示意图。
图5为本实用新型中滚轮的受力分析示意图。
图6为安装有本实用新型的半自动火焰切割机切割弧形零件坡口的运行状态图。
具体实施方式
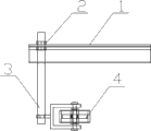
如图1—图2中,一种半自动火焰切割机侧向牵引装置,侧向臂1通过固定螺母2与升降螺杆3连接,升降螺杆3上安装有滚轮4。
所述的固定螺母2为两个,分别位于侧向臂1的上下两侧。
所述的滚轮4的径向线与侧向臂1平行。
如图3所示,使用时将本实用新型的侧向臂1安装在半自动火焰切割机5的侧面,将安装有本实用新型的半自动火焰切割机5放在零件6上,调整升降螺杆3的位置,使滚轮4的行走路径能完全在零件6的侧面上,调整固定螺母2,由上下两个固定螺母固定升降螺杆3的位置,从而固定滚轮4的垂直高度上的位置,再调节半自动火焰切割机5的小车的位置,使滚轮4能紧靠零件6的外侧弧面。如图6中所示,确定滚轮4的水平位置,根据零件外侧弧面的弧度将小车的两个从动轮(该轮可自由旋转360°)向内旋转一定的角度,本例中将两个从动轮向内旋转10°-15°,然后调节火焰大小和割嘴角度,启动半自动火焰切割机5,就可以在弧形的零件6上割出理想的坡口。本例中以沿加工零件的外侧弧面行走为例进行了说明,而本实用新型用于沿内侧弧面行走也是可行的。

Claims (3)

1.一种半自动火焰切割机侧向牵引装置,其特征在于:侧向臂(1)通过固定螺母(2)与升降螺杆(3)连接,升降螺杆(3)上安装有滚轮(4)。
2.根据权利要求1所述的一种半自动火焰切割机侧向牵引装置,其特征在于:所述的固定螺母(2)为两个,分别位于侧向臂(1)的上下两侧。
3.根据权利要求1所述的一种半自动火焰切割机侧向牵引装置,其特征在于:所述的滚轮(4)的径向线与侧向臂(1)平行。
CN2011203262173U 2011-09-02 2011-09-02 半自动火焰切割机侧向牵引装置 Expired - Lifetime CN202207850U (zh)

Priority Applications (1)

Application Number Priority Date Filing Date Title
CN2011203262173U CN202207850U (zh) 2011-09-02 2011-09-02 半自动火焰切割机侧向牵引装置

Applications Claiming Priority (1)

Application Number Priority Date Filing Date Title
CN2011203262173U CN202207850U (zh) 2011-09-02 2011-09-02 半自动火焰切割机侧向牵引装置

Publications (1)

Publication Number Publication Date
CN202207850U true CN202207850U (zh) 2012-05-02

Family

ID=45987406

Family Applications (1)

Application Number Title Priority Date Filing Date
CN2011203262173U Expired - Lifetime CN202207850U (zh) 2011-09-02 2011-09-02 半自动火焰切割机侧向牵引装置

Country Status (1)

Country Link
CN (1) CN202207850U (zh)

Cited By (3)

* Cited by examiner, † Cited by third party
Publication number Priority date Publication date Assignee Title
CN108145277A (zh) * 2017-12-22 2018-06-12 深圳金鑫绿建股份有限公司 用于切割坡口的装置及方法
CN108746787A (zh) * 2018-08-14 2018-11-06 太原科技大学 一种管道坡口加工装置
CN113977155A (zh) * 2021-10-28 2022-01-28 广州文冲船厂有限责任公司 舱口围余量切割的辅助装置

Cited By (3)

* Cited by examiner, † Cited by third party
Publication number Priority date Publication date Assignee Title
CN108145277A (zh) * 2017-12-22 2018-06-12 深圳金鑫绿建股份有限公司 用于切割坡口的装置及方法
CN108746787A (zh) * 2018-08-14 2018-11-06 太原科技大学 一种管道坡口加工装置
CN113977155A (zh) * 2021-10-28 2022-01-28 广州文冲船厂有限责任公司 舱口围余量切割的辅助装置

Similar Documents

Publication Publication Date Title
CN105619080A (zh) 桩接头自动生产线及其生产方法
CN202207850U (zh) 半自动火焰切割机侧向牵引装置
CN202388338U (zh) 一种玻璃直线转向台
CN203143739U (zh) 一种板材输送装置
CN102152978B (zh) 一种纸品四面包边机转弯送料装置
CN202015911U (zh) 扇形板坡口切割机
CN209380047U (zh) 无轨火焰切割机
CN203622594U (zh) 封边机的涂墨装置及封边机
CN203611096U (zh) 一种开槽机
CN203623025U (zh) 一种制袋机的多列多制式辅料横向牵引断张装置
CN204893654U (zh) 一种r位拉丝机
CN205967241U (zh) 棒料自动推料装置
CN204868374U (zh) 一种适合玻璃钢复合管的塑料管表面处理机
CN205217630U (zh) 一种用于轧机生产系统的进给装置
CN203509880U (zh) 一种异形管抛磨机
CN205436652U (zh) 一种用于轧机生产系统的轧尖装置
CN204620739U (zh) 一种h型钢翼缘矫正设备
CN204160068U (zh) 一种电力变压器散热片翻转合片机
CN209551349U (zh) 一种倒角工装
CN203305010U (zh) 一种自动输送式种板打磨机
CN202169531U (zh) 一种灯架抛光机
CN207086208U (zh) 双面皮带式递油油边机头
CN205601156U (zh) 一种皮带导条焊接机
CN105751027B (zh) 球墨铸铁管自动承口第一面倒角装置
CN103639870A (zh) 一种薄板打磨机械

Legal Events

Date Code Title Description
C14 Grant of patent or utility model
GR01 Patent grant
ASS Succession or assignment of patent right

Owner name: YICHANG JIANGXIA MARINE MACHINERY CO., LTD.

Free format text: FORMER OWNER: YICHANG HEAVEY-DUTY ENGINEERING MACHINERY CO., LTD.

Effective date: 20150506

C41 Transfer of patent application or patent right or utility model
COR Change of bibliographic data

Free format text: CORRECT: ADDRESS; FROM: 443209 YICHANG, HUBEI PROVINCE TO: 443000 YICHANG, HUBEI PROVINCE

TR01 Transfer of patent right

Effective date of registration: 20150506

Address after: 443000 No. 29, development avenue, Hubei, Yichang

Patentee after: Yichang Jiangxia Marine Machinery Co., Ltd.

Address before: 443209 Hubei city of Yichang province Zhijiang City Baiyang town

Patentee before: Yichang Heavy-Duty Engineering Machinery Co., Ltd. of China

CX01 Expiry of patent term
CX01 Expiry of patent term

Granted publication date: 20120502