CN202203085U - Air compressor's connection structure with intersegment cooling device - Google Patents
Air compressor's connection structure with intersegment cooling device Download PDFInfo
- Publication number
- CN202203085U CN202203085U CN2011203123594U CN201120312359U CN202203085U CN 202203085 U CN202203085 U CN 202203085U CN 2011203123594 U CN2011203123594 U CN 2011203123594U CN 201120312359 U CN201120312359 U CN 201120312359U CN 202203085 U CN202203085 U CN 202203085U
- Authority
- CN
- China
- Prior art keywords
- air compressor
- temperature
- water cooler
- compressor machine
- air
- Prior art date
- Legal status (The legal status is an assumption and is not a legal conclusion. Google has not performed a legal analysis and makes no representation as to the accuracy of the status listed.)
- Expired - Lifetime
Links
- 238000001816 cooling Methods 0.000 title claims abstract description 11
- XLYOFNOQVPJJNP-UHFFFAOYSA-N water Substances O XLYOFNOQVPJJNP-UHFFFAOYSA-N 0.000 claims abstract description 22
- 229910052782 aluminium Inorganic materials 0.000 claims abstract description 19
- XAGFODPZIPBFFR-UHFFFAOYSA-N aluminium Chemical compound [Al] XAGFODPZIPBFFR-UHFFFAOYSA-N 0.000 claims abstract description 19
- 239000004411 aluminium Substances 0.000 claims abstract description 17
- 239000007921 spray Substances 0.000 claims abstract description 16
- 230000007797 corrosion Effects 0.000 abstract description 5
- 238000005260 corrosion Methods 0.000 abstract description 5
- 239000012535 impurity Substances 0.000 abstract description 3
- 238000000889 atomisation Methods 0.000 abstract 1
- 238000000926 separation method Methods 0.000 abstract 1
- 238000000034 method Methods 0.000 description 3
- 230000008901 benefit Effects 0.000 description 2
- 238000007599 discharging Methods 0.000 description 2
- 238000005516 engineering process Methods 0.000 description 2
- 238000005530 etching Methods 0.000 description 2
- 238000010791 quenching Methods 0.000 description 2
- 229920006395 saturated elastomer Polymers 0.000 description 2
- 238000010521 absorption reaction Methods 0.000 description 1
- 238000004140 cleaning Methods 0.000 description 1
- 230000007812 deficiency Effects 0.000 description 1
- 230000000694 effects Effects 0.000 description 1
- 238000004519 manufacturing process Methods 0.000 description 1
- 229910052751 metal Inorganic materials 0.000 description 1
- 239000002184 metal Substances 0.000 description 1
- 239000002699 waste material Substances 0.000 description 1
Images
Landscapes
- Structures Of Non-Positive Displacement Pumps (AREA)
Abstract
The utility model discloses an air compressor's connection structure with intersegmental cooling equipment has aluminium wing formula water cooler and separator through the pipe connection between air compressor machine low pressure jar and air compressor machine high pressure jar, is connected with spray set on connecting the pipeline between air compressor machine low pressure jar and the aluminium wing formula water cooler. The utility model discloses an increase one set of spray set newly on the basis of former flow, follow air compressor machine low-pressure cylinder export exhaust compressed air and get into spray set earlier like this, directly in spray set by the chilling cooling, the compressed air after the saturation of atomizing is further cooled down through aluminium wing formula water cooler again, goes into the air compressor machine high pressure jar after separator separation moisture, impurity, can reduce high-pressure cylinder entry air temperature after two steps of cooling, improves the ability of inflating of compressor. Because the spray atomization greatly reduces the inlet air temperature of the aluminum fin type water cooler, the temperature difference of the aluminum fins in the original high-temperature area is effectively relieved, and the problem of corrosion of the circulating water on the tube side due to high-temperature scaling is solved.
Description
Technical field
The utility model relates to a kind of linkage structure that is provided with the air compressor of intersegmental cooling system, belongs to the application of air compressor.
Background technique
The not enough problem of looking up and down in various degree all can appear in air compressor during the broiling summer, also can cause the heat exchanger high-temperature zone of aluminium wing formula water cooler circulating water fouling corrosion problem to occur by the too high reason of temperature simultaneously.Air compressor 101-J with the red skyization in Guizhou is an example; Chishui Area during Summer temperature sometimes up to 40 ℃, medial humidity is also more than 82%; Under rigorous environment like this; The 101-J air compressor is prone to the phenomenon of the amount of not going up, and causes the whole manufacturing process can not oepration at full load, has had a strong impact on economic benefit of enterprises.On the other hand; The intersegmental water cooler of 101-J air compressor has adopted the heat exchanging pipe of outer high wing; 160 ℃ pressurized air directly gets into the water cooler shell-side; Cause the powerful heat absorption of aluminium fin of high-temperature zone, the local wall temperature of metal tubulation is higher and high low-temperature region temperature gradient is bigger, and the circulating water side forms serious fouling and electrolytic corrosion in the pipe.Annual overhaul check all finds to have stifled full packages of red hard corrosion thing, and cleaning and dredging pipe difficulty have to solve in plugging, and water-cooled gas device 50 of pluggings up to now account for 15% of the gross area.Realize lowering the temperature and then can occur investing the problem big, that corresponding device layout adjustment amount is big if take to increase the mode of heat-exchanger rig, increase heat-exchanger rig simultaneously and concerning spring, three seasons of autumn and winter, can cause very big waste again.
Summary of the invention
The technical problem that the utility model will solve is, provides a kind of adjustment workload little, and cost is low, good cooling effect and can prevent the linkage structure of the air compressor of heat exchanger high-temperature zone tubulation fouling corrosion, can overcome the deficiency of existing technology.
The technological scheme of the utility model: it comprises air compressor low pressure (LP) cylinder and air compressor high-pressure cylinder; Between air compressor low pressure (LP) cylinder and air compressor high-pressure cylinder, be connected with aluminium wing formula water cooler and separator, on the pipeline that connects between air compressor low pressure (LP) cylinder and the aluminium wing formula water cooler, be connected with spray equipment through pipeline.
Compare with existing technology; The utility model is through a newly-increased cover spray equipment on the basis of former flow process; The pressurized air of discharging from air compressor low pressure (LP) cylinder outlet like this is introduced into spray equipment, and directly by the Quench cooling, the pressurized air that atomizes after saturated further cools through aluminium wing formula water cooler again in spray equipment; Behind separator separates moisture, impurity, go into the air compressor high-pressure cylinder; Through reducing high-pressure cylinder intake air temperature after the cooling of two steps, save the compressor power consumption, improve the ability of inflating of compressor.Because the intake air temperature of spray atomizing significantly reduction aluminium wing formula water cooler is effectively alleviated the original high-temperature zone aluminium fin temperature difference, solved pipe side circulating water simultaneously because of the high-temperature scaling etching problem.Therefore the utlity model has that the optimizing project amount is low, cost is low, effective advantage.
Description of drawings
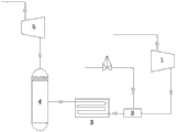
Fig. 1 is the structural representation of the utility model.
Embodiment
Embodiment: as shown in Figure 1; This device main body structure is identical with the linkage structure of existing air compressor; Its structure is between air compressor low pressure (LP) cylinder 1 and air compressor high-pressure cylinder 5, to be connected aluminium wing formula water cooler 3 and separator 4 with other annex through pipeline, and its improvement part is on the pipeline between connection air compressor low pressure (LP) cylinder 1 and the aluminium wing formula water cooler 3, to be connected a spray equipment 2.When temperature too high; When the air compressor ability of inflating can not satisfy process requirements, can open spray equipment 2, the pressurized air of discharging from 1 outlet of air compressor low pressure (LP) cylinder like this is introduced into spray equipment 2; In spray equipment 2, directly lowered the temperature by Quench; The pressurized air that atomizes after saturated further cools through aluminium wing formula water cooler 3 again, after separator 4 separates moisture, impurity, goes into the air compressor high-pressure cylinder, through reducing high-pressure cylinder intake air temperature after the cooling of two steps; Save the compressor power consumption, improve the ability of inflating of compressor.Because the intake air temperature of spray atomizing significantly reduction aluminium wing formula water cooler 3 is effectively alleviated the original high-temperature zone aluminium fin temperature difference, solved pipe side circulating water simultaneously because of the high-temperature scaling etching problem.
Claims (1)
1. linkage structure that is provided with the air compressor of intersegmental cooling system; It comprises air compressor low pressure (LP) cylinder (1) and air compressor high-pressure cylinder (5); Between air compressor low pressure (LP) cylinder (1) and air compressor high-pressure cylinder (5), be connected with aluminium wing formula water cooler (3) and separator (4), it is characterized in that: on the pipeline that connects between air compressor low pressure (LP) cylinder (1) and the aluminium wing formula water cooler (3), be connected with spray equipment (2) through pipeline.
Priority Applications (1)
| Application Number | Priority Date | Filing Date | Title |
|---|---|---|---|
| CN2011203123594U CN202203085U (en) | 2011-08-25 | 2011-08-25 | Air compressor's connection structure with intersegment cooling device |
Applications Claiming Priority (1)
| Application Number | Priority Date | Filing Date | Title |
|---|---|---|---|
| CN2011203123594U CN202203085U (en) | 2011-08-25 | 2011-08-25 | Air compressor's connection structure with intersegment cooling device |
Publications (1)
| Publication Number | Publication Date |
|---|---|
| CN202203085U true CN202203085U (en) | 2012-04-25 |
Family
ID=45967207
Family Applications (1)
| Application Number | Title | Priority Date | Filing Date |
|---|---|---|---|
| CN2011203123594U Expired - Lifetime CN202203085U (en) | 2011-08-25 | 2011-08-25 | Air compressor's connection structure with intersegment cooling device |
Country Status (1)
| Country | Link |
|---|---|
| CN (1) | CN202203085U (en) |
Cited By (1)
| Publication number | Priority date | Publication date | Assignee | Title |
|---|---|---|---|---|
| CN109958597A (en) * | 2019-03-12 | 2019-07-02 | 复盛实业(上海)有限公司 | A kind of compressed air unit and its heat-exchange system |
-
2011
- 2011-08-25 CN CN2011203123594U patent/CN202203085U/en not_active Expired - Lifetime
Cited By (1)
| Publication number | Priority date | Publication date | Assignee | Title |
|---|---|---|---|---|
| CN109958597A (en) * | 2019-03-12 | 2019-07-02 | 复盛实业(上海)有限公司 | A kind of compressed air unit and its heat-exchange system |
Similar Documents
| Publication | Publication Date | Title |
|---|---|---|
| CN204610289U (en) | A kind of waste heat recovering device of air compressor | |
| CN202718837U (en) | Waste heat recovery and gradient utilization device of air compressor | |
| CN105674760A (en) | Joint air-cooling system and control method | |
| CN202203085U (en) | Air compressor's connection structure with intersegment cooling device | |
| CN201866977U (en) | High-efficiency, energy-saving and air-cooling full type water cooling unit | |
| CN110017698A (en) | A kind of air-cooled unpowered condenser water replenishing system | |
| CN202734336U (en) | Air cooling tank type water chilling unit equipment | |
| CN204478879U (en) | The heat exchange water tank of water-bath stove heating system | |
| CN204478881U (en) | The secondary heat exchange water tank of water-bath stove heating system | |
| CN203687470U (en) | Backheating condenser | |
| CN204268930U (en) | A kind of air cooling heat radiator being arranged vertically changeable single double-flow | |
| CN202326099U (en) | Heat recovery system of water-cooling air compressor | |
| CN202142990U (en) | Water-wind cooling device applicable to aluminum electrolysis rectifier cabinet | |
| CN204594028U (en) | The energy-conservation feeding mechanism of technique chilled water | |
| CN205138251U (en) | Compound closed circulation water cooling tower's supplementary peak cooling system | |
| CN202675720U (en) | Spray cooling modular air-cooled cold hot water unit | |
| CN204226145U (en) | A kind of mixed type cooling device that can reduce hard water fouling | |
| CN204402591U (en) | A kind of novel air cooling system | |
| CN202951273U (en) | Energy-saving type condensing tank | |
| CN202100422U (en) | Parallel cooling device of oil-gas cooler for air compressor | |
| CN203249260U (en) | Exhaust gas waste heat recovery device for heat exchange hot blast stove | |
| CN104792092A (en) | Energy-saving supply device for technological chilled water | |
| CN205779191U (en) | A kind of chiller of electromotor | |
| CN206309557U (en) | A kind of air compression station cooling system of air compressor | |
| CN106679243B (en) | Refrigerating system capable of reducing liquid ammonia consumption |
Legal Events
| Date | Code | Title | Description |
|---|---|---|---|
| C14 | Grant of patent or utility model | ||
| GR01 | Patent grant | ||
| CX01 | Expiry of patent term | ||
| CX01 | Expiry of patent term |
Granted publication date: 20120425 |