CN202115980U - 输送机链条张紧装置 - Google Patents
输送机链条张紧装置 Download PDFInfo
- Publication number
- CN202115980U CN202115980U CN2011201946243U CN201120194624U CN202115980U CN 202115980 U CN202115980 U CN 202115980U CN 2011201946243 U CN2011201946243 U CN 2011201946243U CN 201120194624 U CN201120194624 U CN 201120194624U CN 202115980 U CN202115980 U CN 202115980U
- Authority
- CN
- China
- Prior art keywords
- chain
- frame
- sprocket wheel
- adjusting
- plate
- Prior art date
- Legal status (The legal status is an assumption and is not a legal conclusion. Google has not performed a legal analysis and makes no representation as to the accuracy of the status listed.)
- Expired - Fee Related
Links
- 230000005540 biological transmission Effects 0.000 claims abstract description 7
- 230000001105 regulatory effect Effects 0.000 claims description 13
- 238000006073 displacement reaction Methods 0.000 abstract description 3
- 238000000034 method Methods 0.000 description 3
- 230000008569 process Effects 0.000 description 3
- 230000008859 change Effects 0.000 description 2
- 241000239290 Araneae Species 0.000 description 1
- 230000009286 beneficial effect Effects 0.000 description 1
- 230000009194 climbing Effects 0.000 description 1
- 230000009191 jumping Effects 0.000 description 1
- 239000010687 lubricating oil Substances 0.000 description 1
- 230000009347 mechanical transmission Effects 0.000 description 1
- 230000007246 mechanism Effects 0.000 description 1
- 230000004048 modification Effects 0.000 description 1
- 238000012986 modification Methods 0.000 description 1
- 230000001141 propulsive effect Effects 0.000 description 1
- 238000012797 qualification Methods 0.000 description 1
Images
Landscapes
- Devices For Conveying Motion By Means Of Endless Flexible Members (AREA)
Abstract
本实用新型涉及一种输送机链条张紧装置,包括链轮、链条和机架,所述链轮固定于机架上,所述链轮与链条通过啮合传动,调节链轮上设置有张紧装置,所述张紧装置由调节杆、调节螺母和调节板组成,所述调节板成“L”形,其侧板和底板上分别开有圆孔,并同链轮通过紧固件将所述链轮固定于机架上,所述调节杆穿过所述调节板侧板所开圆孔并通过调节螺母固定。通过使用张紧装置,体积小,占用空间少,不需要改变输送机上链轮的结构形式,只需通过调节螺母的松紧使调节杆相对于调节杆安装支架产生左右位移,从而实现调节链条的松紧,如此简便的操作即可完成链条松动后的张紧调整,无需进行传动链条的拆卸,具有操作简便,速度快,增加链轮的使用寿命。
Description
技术领域
本实用新型涉及机械传动机构技术领域,尤其是用于链条驱动滚筒输送机上的链条张紧装置。
背景技术
链条驱动滚筒输送机是一种常见的动力滚筒输送设备,在货物传输过程中,滚筒所需的驱动力,主要通过链条装置传递。由于链条较长、自身的重量较大,链条安装时需张紧,链条在使用过程中,正常的磨损会使链条逐渐伸长,导致链条下垂度会逐渐增大,链条产生剧烈跳动,链条磨损加大,甚至出现跳齿、脱齿的现象,因此应及时调整其松紧度,并观察前后链轮与链条及相关部件是否在同一直线上,发现问题应立刻校正,免除后患,确保万无一失。
现有技术中的链条装置,因主动轮和从动轮的位置是固定的,即两者间的距离是固定不变的,若链条产生松动,则需要拆卸链条,通过去除链条单元块来缩短链条长度而达到张紧链条的目的,整个调整过程不仅操作麻烦、调节工作量大,效率低,且在调整的过程中会造成润滑油的流失。
实用新型内容
本申请人针对上述现有技术中的张紧装置复杂、调节困难等缺点,提供一种结构合理、操作方便的输送机链条张紧装置,从而可以防止链条脱链,爬齿,体积小,不用改变输送机上链轮的结构形式,通过张紧装置减轻了链轮齿和链条的磨损,增加了使用寿命。
本实用新型所采用的技术方案如下:
一种输送机链条张紧装置,包括链轮、链条和机架,所述链轮固定于机架上,所述链轮与链条通过啮合传动,调节链轮上设置有张紧装置,所述张紧装置由调节杆、调节螺母和调节板组成,所述调节板成“L”形,其侧板和底板上分别开有圆孔,并同链轮通过紧固件将所述链轮固定于机架上,所述调节杆穿过所述调节板侧板所开圆孔并通过调节螺母固定。其进一步技术方案在于:
所述机架上开有一长圆孔;
所述调节链轮安装于链轮轴上,并穿过机架所开长圆孔,所述链轮通过轴承固定于链轮轴上。
本实用新型的有益效果如下:
一旦链条传动传动机构的链条发生松动,就拧紧安装在调节杆上机架外侧的螺母,使调节杆推动调节板在机架的长圆孔内向右移动,直到实现链条的张紧。通过使用张紧装置,体积小,占用空间少,不需要改变输送机上链轮的结构形式,只需通过调节螺母的松紧使调节杆相对于调节杆安装支架产生左右位移,从而实现调节链条的松紧,如此简便的操作即可完成链条松动后的张紧调整,无需进行传动链条的拆卸,具有操作简便,速度快,增加链轮的使用寿命。
附图说明
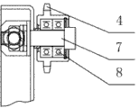
图1为本实用新型的结构示意图。
图2为图1的左视图。
图3为安装支架的结构示意图。
图4为调节板的结构示意图。
具体实施方式
下面结合附图,说明本实用新型的具体实施方式。
如图1和图2所示,本实用新型所述的输送机链条张紧装置包括链轮4、链条12和机架6,见图3,机架6上开有一长圆孔5和两个圆孔13,链轮4通过链轮轴7固定于机架6上,链轮轴7并穿过机架6所开长圆孔5,且链轮4通过轴承8固定于链轮轴7上,链轮4与链条12通过啮合传动,链轮4上设置有张紧装置,张紧装置由调节杆1、调节螺母2和调节板3组成,见图4,调节板3成“L”形,其侧板9上开有圆孔10,底板11上开有两个圆孔12,并同链轮4通过螺栓连接将底板11固定于机架6所开长圆孔5上,调节杆1穿过调节板侧板9所开圆孔10并通过调节螺母固定。
实际使用过程中,若链条传动机构中的链条12发生松动时,通过拧紧调节螺母2的使调节杆1相对于安装机架6产生向右位移(如图1箭头右向),从而张紧装置张紧了链条12。本实用新型只需通过螺母调节,对链轮之间的距离的调整来实现链条松动的再张紧调整,无需进行传动链条的拆卸,具有操作简单、调节速度快等优点,广泛应用在各种滚筒输送机上的链条驱动装置中。
以上描述是对本实用新型的解释,不是对实用新型的限定,本实用新型所限定的范围参见权利要求,在不违背本实用新型的精神的情况下,本实用新型可以作任何形式的修改。
Claims (3)
1.一种输送机链条张紧装置,包括链轮、链条和机架,所述链轮固定于机架上,所述链轮与链条通过啮合传动,其特征在于:调节链轮上设置有张紧装置,所述张紧装置由调节杆、调节螺母和调节板组成,所述调节板成“L”形,其侧板和底板上分别开有圆孔,并同链轮通过紧固件将所述链轮固定于机架上,所述调节杆穿过所述调节板侧板所开圆孔并通过调节螺母固定。
2.如权利要求1所述的输送机链条张紧装置,其特征在于:所述机架上开有一长圆孔。
3.如权利要求1所述的输送机链条张紧装置,其特征在于:所述调节链轮安装于链轮轴上,并穿过机架所开长圆孔,所述链轮通过轴承固定于链轮轴上。
Priority Applications (1)
| Application Number | Priority Date | Filing Date | Title |
|---|---|---|---|
| CN2011201946243U CN202115980U (zh) | 2011-06-10 | 2011-06-10 | 输送机链条张紧装置 |
Applications Claiming Priority (1)
| Application Number | Priority Date | Filing Date | Title |
|---|---|---|---|
| CN2011201946243U CN202115980U (zh) | 2011-06-10 | 2011-06-10 | 输送机链条张紧装置 |
Publications (1)
| Publication Number | Publication Date |
|---|---|
| CN202115980U true CN202115980U (zh) | 2012-01-18 |
Family
ID=45457064
Family Applications (1)
| Application Number | Title | Priority Date | Filing Date |
|---|---|---|---|
| CN2011201946243U Expired - Fee Related CN202115980U (zh) | 2011-06-10 | 2011-06-10 | 输送机链条张紧装置 |
Country Status (1)
| Country | Link |
|---|---|
| CN (1) | CN202115980U (zh) |
Cited By (5)
| Publication number | Priority date | Publication date | Assignee | Title |
|---|---|---|---|---|
| CN102295142A (zh) * | 2011-06-10 | 2011-12-28 | 无锡杰思物流设备有限公司 | 输送机链条张紧装置 |
| CN103896009A (zh) * | 2014-03-07 | 2014-07-02 | 浙江瀚镪自动化设备股份有限公司 | 一种斜坡和水平连体的皮带输送机 |
| CN104444123A (zh) * | 2014-11-24 | 2015-03-25 | 安徽理工大学 | 刮板链调节装置 |
| CN112225283A (zh) * | 2020-11-12 | 2021-01-15 | 济南凯达环保有限公司 | 一种新型全自动溶气气浮装置 |
| CN115352693A (zh) * | 2022-09-18 | 2022-11-18 | 红云红河烟草(集团)有限责任公司 | 提升机张紧轮张紧装置 |
-
2011
- 2011-06-10 CN CN2011201946243U patent/CN202115980U/zh not_active Expired - Fee Related
Cited By (6)
| Publication number | Priority date | Publication date | Assignee | Title |
|---|---|---|---|---|
| CN102295142A (zh) * | 2011-06-10 | 2011-12-28 | 无锡杰思物流设备有限公司 | 输送机链条张紧装置 |
| CN103896009A (zh) * | 2014-03-07 | 2014-07-02 | 浙江瀚镪自动化设备股份有限公司 | 一种斜坡和水平连体的皮带输送机 |
| CN103896009B (zh) * | 2014-03-07 | 2016-07-06 | 浙江瀚镪自动化设备股份有限公司 | 一种斜坡和水平连体的皮带输送机 |
| CN104444123A (zh) * | 2014-11-24 | 2015-03-25 | 安徽理工大学 | 刮板链调节装置 |
| CN112225283A (zh) * | 2020-11-12 | 2021-01-15 | 济南凯达环保有限公司 | 一种新型全自动溶气气浮装置 |
| CN115352693A (zh) * | 2022-09-18 | 2022-11-18 | 红云红河烟草(集团)有限责任公司 | 提升机张紧轮张紧装置 |
Similar Documents
| Publication | Publication Date | Title |
|---|---|---|
| CN102295142A (zh) | 输送机链条张紧装置 | |
| CN202115980U (zh) | 输送机链条张紧装置 | |
| CN204473729U (zh) | 一种链式、带式输送机传动链、传动带张紧调节装置 | |
| CN201857078U (zh) | 一种链带式给料机 | |
| CN201851611U (zh) | 一种带轮张紧装置 | |
| CN201801141U (zh) | 一种连续输送设备用张紧装置 | |
| CN202186702U (zh) | 一种斗式提升机的皮带张紧装置 | |
| CN201914675U (zh) | 板式喂料机运行部件的张紧装置 | |
| CN203187000U (zh) | 斗式提升机底轮的张紧装置 | |
| CN202743897U (zh) | 输送机链轮的张紧机构 | |
| CN202132455U (zh) | 链条张紧装置 | |
| CN204653037U (zh) | 玉米收获机及其皮带张紧装置 | |
| CN202657612U (zh) | 卧式元件传送链张紧装置 | |
| CN201177034Y (zh) | 自动调节式链条张紧装置 | |
| CN210192579U (zh) | 一种链条张紧装置 | |
| CN204900717U (zh) | 一种皮带自动调节张紧装置 | |
| CN201600183U (zh) | 电子皮带秤偏摆式皮带张紧装置 | |
| CN201941178U (zh) | 切片机运行平稳装置 | |
| CN203624399U (zh) | 一种链传动装置 | |
| CN202971777U (zh) | 玉米秸秆还田机及其皮带张紧装置 | |
| CN202612509U (zh) | 一种带传动弹性张紧装置 | |
| CN101726347A (zh) | 电子皮带秤偏摆式皮带张紧装置 | |
| CN201288807Y (zh) | 胶带输送机传动齿轮调整装置 | |
| CN208948185U (zh) | 微型端部驱动变宽平皮带输送线 | |
| CN201544471U (zh) | 拉挤机用双牵引牵引头 |
Legal Events
| Date | Code | Title | Description |
|---|---|---|---|
| C14 | Grant of patent or utility model | ||
| GR01 | Patent grant | ||
| C17 | Cessation of patent right | ||
| CF01 | Termination of patent right due to non-payment of annual fee |
Granted publication date: 20120118 Termination date: 20130610 |