CN202094009U - Anti-misoperation interlocking device for switchgear door - Google Patents
Anti-misoperation interlocking device for switchgear door Download PDFInfo
- Publication number
- CN202094009U CN202094009U CN2011202122221U CN201120212222U CN202094009U CN 202094009 U CN202094009 U CN 202094009U CN 2011202122221 U CN2011202122221 U CN 2011202122221U CN 201120212222 U CN201120212222 U CN 201120212222U CN 202094009 U CN202094009 U CN 202094009U
- Authority
- CN
- China
- Prior art keywords
- switch cabinet
- interlocking
- switch
- door
- clasp joint
- Prior art date
- Legal status (The legal status is an assumption and is not a legal conclusion. Google has not performed a legal analysis and makes no representation as to the accuracy of the status listed.)
- Expired - Fee Related
Links
Images
Landscapes
- Closing And Opening Devices For Wings, And Checks For Wings (AREA)
Abstract
本实用新型涉及一种防误操作的开关柜柜门联锁装置,它包括开关柜操作面板、开关柜柜门、接地开关操作轴、配合转动驱动段、接地开关限位套以及复位弹簧;开关柜柜门内侧设有门栓,其特征在于:它还包括位于开关柜柜门内侧竖置联动杆、位于接地开关操作轴下方纵向铰接轴铰接于开关柜柜门外侧的柜门解锁手柄、设于开关柜柜门内侧的联锁钩接件、设于开关柜柜门内侧的横向联动件以及竖设于开关柜柜体上且位于接地开关操作轴下方和联锁钩接件上方的联锁插销。本实用新型的目的在于提供一种防误操作的开关柜柜门联锁装置,能在柜门开启时防止接地开关错误分闸,有效确保人员安全检修。
The utility model relates to a switch cabinet door interlock device for preventing misoperation, which comprises a switch cabinet operation panel, a switch cabinet door, a grounding switch operating shaft, a cooperating rotating drive section, a grounding switch limit sleeve and a reset spring; The inside of the cabinet door is provided with a door bolt, which is characterized in that it also includes a vertical linkage rod located on the inside of the switch cabinet door, a cabinet door unlocking handle located at the bottom of the grounding switch operating shaft and hinged to the outside of the switch cabinet door by a longitudinal hinge shaft, and a set The interlocking hook piece on the inside of the switch cabinet door, the horizontal linkage piece on the inside of the switch cabinet door, and the interlocking piece vertically installed on the switch cabinet body and located below the operating shaft of the grounding switch and above the interlocking hook piece plug. The purpose of the utility model is to provide an interlocking device for preventing misoperation of the switch cabinet door, which can prevent the grounding switch from opening by mistake when the cabinet door is opened, and effectively ensure the safety of personnel for inspection and maintenance.
Description
技术领域 technical field
本实用新型涉及一种防误操作的开关柜柜门联锁装置。 The utility model relates to a door interlocking device for preventing misoperation of a switch cabinet.
背景技术 Background technique
目前,市场上的联锁机构只能满足接地开关与柜体后门联锁,与柜体前门没有设置联锁。当开启柜体前门进行检修时,难以确保设备始终处于安全接地状态,检修人员安全易因误操作而受到威胁。且为了进一步保障设备及检修人员的安全,负荷开关与接地开关之间也应设置联锁,防止负荷开关错误合分闸。 At present, the interlock mechanism on the market can only satisfy the interlock between the grounding switch and the back door of the cabinet, and there is no interlock with the front door of the cabinet. When opening the front door of the cabinet for maintenance, it is difficult to ensure that the equipment is always in a safe grounding state, and the safety of maintenance personnel is easily threatened by misoperation. And in order to further protect the safety of equipment and maintenance personnel, an interlock should also be set between the load switch and the grounding switch to prevent the load switch from closing and opening by mistake.
发明内容 Contents of the invention
本实用新型的目的在于提供一种防误操作的开关柜柜门联锁装置,能在柜门开启时防止接地开关错误分闸,有效确保人员安全检修。 The purpose of the utility model is to provide an interlocking device for preventing misoperation of the switch cabinet door, which can prevent the grounding switch from opening by mistake when the cabinet door is opened, and effectively ensure the safety of personnel for inspection and maintenance.
本实用新型的目的通过如下技术方案实现:一种防误操作的开关柜柜门联锁装置,它包括设于开关柜柜体上部的开关柜操作面板、设于开关柜柜体下部的可启闭的开关柜柜门、设于开关柜柜体内且位于开关柜操作面板内侧的接地开关操作轴、同轴固设于接地开关操作轴的外端且穿置于开关柜操作面板上所设的操作孔内的配合转动驱动段、套设于配合转动驱动段外部且能沿配合转动驱动段进行轴向移动但不能相对配合转动驱动段转动的接地开关限位套以及设于接地开关限位套与接地开关操作轴之间的复位弹簧;所述开关柜柜门内侧设有由柜门锁控制上下滑移以使开关柜柜门相对开关柜柜体启闭的门栓,其特征在于:它还包括位于开关柜柜门内侧且连接于柜门锁与门栓之间的竖置联动杆、位于接地开关操作轴下方且通过垂直于开关柜柜门的纵向铰接轴铰接于开关柜柜门外侧的柜门解锁手柄、设于开关柜柜门内侧且与纵向铰接轴同轴联动的联锁钩接件、设于开关柜柜门内侧且连接于联锁钩接件与竖置联动杆之间的横向联动件以及竖设于开关柜柜体上且位于接地开关操作轴下方和联锁钩接件上方的联锁插销; The purpose of this utility model is achieved through the following technical solutions: a switch cabinet door interlock device for preventing misoperation, which includes a switch cabinet operation panel arranged on the upper part of the switch cabinet body, and an openable switchboard arranged on the lower part of the switch cabinet body. The closed switch cabinet door, the grounding switch operating shaft located in the switch cabinet body and inside the switch cabinet operation panel, coaxially fixed on the outer end of the grounding switch operation shaft and passing through the set on the switch cabinet operation panel The cooperating rotation driving section in the operation hole, the grounding switch limit sleeve set outside the cooperating rotation driving section and capable of axially moving along the cooperating rotation driving section but unable to rotate relative to the cooperating rotation driving section, and the grounding switch limiting sleeve and the return spring between the grounding switch operating shaft; the inside of the switch cabinet door is provided with a door bolt that is controlled by the cabinet door lock to slide up and down so that the switch cabinet door is opened and closed relative to the switch cabinet body. It is characterized in that: It also includes a vertical linkage rod located inside the switch cabinet door and connected between the cabinet door lock and the door bolt, located below the grounding switch operating shaft and hinged to the outside of the switch cabinet door through a longitudinal hinge shaft perpendicular to the switch cabinet door The unlocking handle of the cabinet door, the interlocking hook piece set on the inside of the switch cabinet door and coaxially linked with the longitudinal hinge shaft, set on the inside of the switch cabinet door and connected between the interlocking hook piece and the vertical linkage rod The horizontal linkage piece and the interlock pin vertically installed on the switch cabinet body and located below the operating shaft of the earthing switch and above the interlock hook;
所述竖置联动杆的上部在其朝向联锁钩接件一侧固设有限位凸块,所述横向联动件的一端通过套孔与竖置联动杆活动套接,横向联动件的另一端通过与纵向铰接轴偏心设置的偏心轴和联锁钩接件铰接连接;联锁插销的下部固设有与纵向铰接轴平行的定位销,联锁钩接件上还设有能与定位销配合钩接的钩接斜槽,所述钩接斜槽的槽口至槽底与纵向铰接轴的径向距离逐渐减小;联锁插销的下部与开关柜柜体之间设有用来使联锁插销保持向上移动趋势的弹性顶推件;接地开关限位套设有能与联锁插销配合插接的槽孔; The upper part of the vertical linkage rod is fixed with a limit projection on the side facing the interlocking hook piece, one end of the horizontal linkage piece is movably socketed with the vertical linkage lever through a sleeve hole, and the other end of the horizontal linkage piece The eccentric shaft arranged eccentrically with the longitudinal hinge shaft is hingedly connected with the interlocking hook piece; the lower part of the interlock bolt is fixed with a positioning pin parallel to the longitudinal hinge axis, and the interlocking hook piece is also provided with a positioning pin that can cooperate with the positioning pin The hooking chute for hooking, the radial distance from the notch of the hooking chute to the bottom of the chute and the longitudinal hinge axis gradually decreases; the lower part of the interlocking bolt and the switch cabinet body are provided for interlocking The elastic push piece that keeps the bolt moving upward; the grounding switch limit sleeve is provided with a slot that can be mated with the interlock bolt;
当所述横向联动件在联锁钩接件带动下向背离联锁钩接件所在侧移动至锁定位置时,联锁钩接件旋转至其钩接斜槽与定位销钩接连接,且横向联动件的套孔只能让竖置联动杆通过而限位凸块不能通过;当所述横向联动件在联锁钩接件带动下向靠近联锁钩接件所在侧移动至解锁位置时,联锁钩接件旋转至其钩接斜槽与定位销脱离钩接,且横向联动件的套孔能让竖置联动杆和限位凸块同时通过。 When the horizontal linkage is driven by the interlocking hook to move to the locked position on the side away from the interlocking hook, the interlocking hook rotates until its hooking chute is hooked and connected with the positioning pin, and the horizontal The hole of the linkage piece can only allow the vertical linkage rod to pass through and the limit projection cannot pass through; when the horizontal linkage piece is driven by the interlock hook piece to move to the unlocked position to the side where the interlock hook piece is located, The interlocking hook is rotated until its hooking chute is disengaged from the positioning pin, and the hole of the horizontal linkage allows the vertical linkage rod and the limit projection to pass through at the same time.
本实用新型的工作原理如下: The working principle of the utility model is as follows:
当接地开关处于合闸状态时,转动柜门解锁手柄,带动联锁钩接件转至其钩接斜槽与定位销脱离钩接,联锁插销在弹性顶推件的作用下向上运动插入接地开关限位套上的槽孔中,使得操作手柄不能插入对接地开关进行分闸操作。联锁钩接件在转至其钩接斜槽与定位销脱离钩接的过程中,带动横向联动件向靠近联锁钩接件所在侧移动至解锁位置,横向联动件的套孔能让竖置联动杆和限位凸块同时通过,门栓解除限位,可在柜门锁的控制下自由上下运动。开关柜柜门可开启,对开关设备进行安全检修,且防止外部人员插入操作手柄误操作。 When the grounding switch is in the closed state, turn the unlocking handle of the cabinet door to drive the interlocking hook to its hooking chute and disengage from the positioning pin, and the interlocking pin moves upwards to be inserted into the grounding The slot on the switch limit sleeve prevents the operating handle from being inserted into the grounding switch for opening operation. When the interlocking hook is transferred to its hooking chute and the positioning pin is disengaged from the hooking process, it drives the horizontal linkage to move to the unlocking position near the side where the interlocking hook is located, and the sleeve hole of the horizontal linkage allows the vertical Set the linkage rod and the limit bump to pass through at the same time, the door bolt releases the limit, and can freely move up and down under the control of the cabinet door lock. The door of the switch cabinet can be opened to carry out safety inspection and maintenance of the switch equipment, and prevent external personnel from inserting the operating handle into misoperation.
当检修完毕后,关闭开关柜柜门,柜门锁控制门栓锁紧开关柜柜门,同时限位凸块退出套孔,横向联动件恢复自由移动状态,联锁钩接件转动不受限制;转动柜门解锁手柄,带动联锁钩接件转至其钩接斜槽与定位销钩接连接,在转动过程中,钩接斜槽与定位销配合,拉动定位销带动联锁插销向下移动,使联锁插销最终退离接地开关限位套的槽孔,解除对接地开关操作轴的锁定,操作手柄可插入对接地开关进行分闸操作。横向联动件在联锁钩接件的推动下,套孔移动至只能让竖置联动杆通过而限位凸块不能通过,对门栓进行限位锁定,防止接地开关分闸后开关柜柜门错误开启,保证设备及人身安全。 When the maintenance is completed, close the switch cabinet door, the cabinet door lock controls the door bolt to lock the switch cabinet door, and at the same time the limit protrusion withdraws from the hole, the horizontal linkage returns to the state of free movement, and the rotation of the interlocking hook is not restricted ;Turn the unlocking handle of the cabinet door to drive the interlocking hook to its hooking chute and connect with the positioning pin. Move, so that the interlock pin finally retreats from the slot hole of the grounding switch limit sleeve, unlocking the operating shaft of the grounding switch, and the operating handle can be inserted to open the grounding switch. Under the push of the interlocking hook, the horizontal linkage moves to the point where only the vertical linkage rod can pass through but the limit projection cannot pass through, and the door bolt is limited and locked to prevent the switchgear door from being opened after the grounding switch is opened. It is turned on by mistake to ensure the safety of equipment and personal.
本实用新型还进行了以下改进: The utility model has also carried out following improvement:
所述开关柜柜体上还设有位于定位销下方且通过竖向铰接轴与开关柜柜体铰接的止挡件及连接于竖向铰接轴和止挡件之间的复位扭簧,这样在开关柜柜门开启时,止档件挡住定位销,以防止联锁插销因重力作用自然下滑。联锁钩接件转至其钩接斜槽与定位销钩接连接过程中,可先将止挡件拨开,以便对定位销进行下拉操作;联锁钩接件转至其钩接斜槽与定位销脱离钩接时,止挡件在复位扭簧的作用下回复至定位销下方,挡住定位销。 The switchgear cabinet body is also provided with a stopper located below the positioning pin and hinged with the switchgear cabinet body through a vertical hinge shaft and a return torsion spring connected between the vertical hinge shaft and the stopper piece. When the door of the switch cabinet is opened, the stopper blocks the positioning pin to prevent the interlocking pin from sliding down naturally due to gravity. When the interlocking hook piece is turned to its hooking chute and the hooking connection process with the positioning pin, the stopper can be pushed aside first, so as to pull down the positioning pin; the interlocking hooking piece is turned to its hooking chute When disengaging from the hooking with the positioning pin, the stopper returns to the bottom of the positioning pin under the action of the reset torsion spring to block the positioning pin.
所述纵向铰接轴上方设有与开关柜柜门固定连接的插接件,插接件上设有容联锁插销下端部插入的插销孔,这样在联锁钩接件的钩接斜槽与定位销钩接连接时,联锁插销插入插销孔中,对开关柜柜门进行进一步锁定。 The top of the longitudinal hinge shaft is provided with a plug-in piece fixedly connected to the switch cabinet door, and the plug-in piece is provided with a pin hole for inserting the lower end of the interlocking bolt, so that the hooking chute of the interlocking hook piece and the When the positioning pin is hooked and connected, the interlocking pin is inserted into the pin hole to further lock the door of the switch cabinet.
较之现有技术而言,本实用新型的优点在于:通过联锁装置的联锁配合,能在开关柜柜门开启时防止接地开关错误分闸,有效确保人员安全检修。 Compared with the prior art, the utility model has the advantages of: through the interlocking cooperation of the interlocking device, the grounding switch can be prevented from being opened by mistake when the switch cabinet door is opened, and the safety inspection and maintenance of personnel can be effectively ensured.
附图说明 Description of drawings
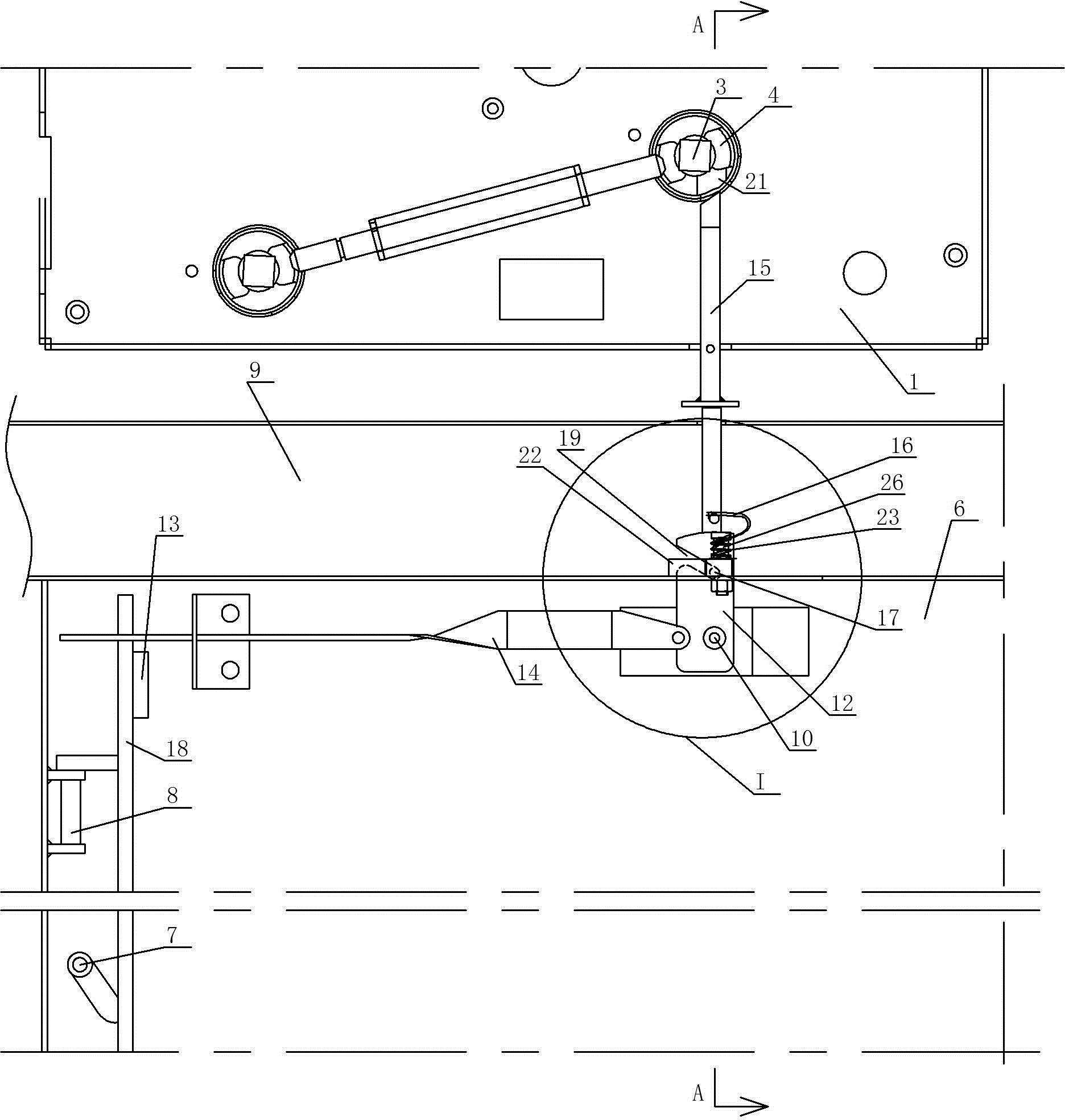
图1是本实用新型一种防误操作的开关柜柜门联锁装置实施例的结构示意图。 Fig. 1 is a structural schematic diagram of an embodiment of an interlocking device for preventing misoperation of a switch cabinet door of the present invention.
图2是图1的A-A剖视图。 Fig. 2 is a cross-sectional view along line A-A of Fig. 1 .
图3是图1的I放大示意图。 FIG. 3 is an enlarged schematic diagram of I in FIG. 1 .
图4是图1的另一种工作状态示意图。 FIG. 4 is a schematic diagram of another working state of FIG. 1 .
图5是图4的B-B剖视图。 Fig. 5 is a B-B sectional view of Fig. 4 .
图6是图4的II放大示意图。 FIG. 6 is an enlarged schematic diagram of II in FIG. 4 .
图7是图4的C-C剖视图。 Fig. 7 is a C-C sectional view of Fig. 4 .
标号说明:1、开关柜操作面板,2、接地开关操作轴,3、配合转动驱动段,4、接地开关限位套,5、复位弹簧,6、开关柜柜门,7、柜门锁,8、门栓,9、开关柜柜体,10、纵向铰接轴,11、柜门解锁手柄,12、联锁钩接件,13、限位凸块,14、横向联动件,15、联锁插销,16、弹性顶推件,17、定位销,18、竖置联动杆,19、钩接斜槽,20、套孔,21、槽孔,22、止挡件,23、复位扭簧,24、插接件,25、插销孔、26、竖向铰接轴。 Description of symbols: 1. Switch cabinet operation panel, 2. Grounding switch operating shaft, 3. Cooperating with the rotating drive section, 4. Grounding switch limit sleeve, 5. Return spring, 6. Switch cabinet door, 7. Cabinet door lock, 8. Door bolt, 9. Switch cabinet body, 10. Vertical hinge shaft, 11. Cabinet door unlocking handle, 12. Interlocking hook, 13. Limiting bump, 14. Horizontal linkage, 15. Interlocking Latch, 16, elastic pusher, 17, positioning pin, 18, vertical linkage, 19, hooking chute, 20, sleeve hole, 21, slotted hole, 22, stopper, 23, reset torsion spring, 24, plug connector, 25, latch hole, 26, vertical hinge shaft.
具体实施方式 Detailed ways
下面结合说明书附图和实施例对本实用新型内容进行详细说明: Below in conjunction with description accompanying drawing and embodiment the utility model content is described in detail:
如图1至图7所示为本实用新型提供的一种防误操作的开关柜柜门联锁装置的实施例示意图。 Fig. 1 to Fig. 7 are schematic diagrams of an embodiment of a misoperation-preventing switch cabinet door interlocking device provided by the present invention. the
一种防误操作的开关柜柜门联锁装置,它包括设于开关柜柜体9上部的开关柜操作面板1、设于开关柜柜体9下部的可启闭的开关柜柜门6、设于开关柜柜体9内且位于开关柜操作面板1内侧的接地开关操作轴2、同轴固设于接地开关操作轴2的外端且穿置于开关柜操作面板1上所设的操作孔内的配合转动驱动段3、套设于配合转动驱动段3外部且能沿配合转动驱动段3进行轴向移动但不能相对配合转动驱动段3转动的接地开关限位套4以及设于接地开关限位套4与接地开关操作轴2之间的复位弹簧5;所述开关柜柜门6内侧设有由柜门锁7控制上下滑移以使开关柜柜门6相对开关柜柜体9启闭的门栓8,其特征在于:它还包括位于开关柜柜门6内侧且连接于柜门锁7与门栓8之间的竖置联动杆18、位于接地开关操作轴2下方且通过垂直于开关柜柜门6的纵向铰接轴10铰接于开关柜柜门6外侧的柜门解锁手柄11、设于开关柜柜门6内侧且与纵向铰接轴10同轴联动的联锁钩接件12、设于开关柜柜门6内侧且连接于联锁钩接件12与竖置联动杆18之间的横向联动件14以及竖设于开关柜柜体9上且位于接地开关操作轴2下方和联锁钩接件12上方的联锁插销15;
A switch cabinet door interlock device for preventing misoperation, which includes a switch cabinet operation panel 1 arranged on the upper part of the
所述竖置联动杆18的上部在其朝向联锁钩接件12一侧固设有限位凸块13,所述横向联动件14的一端通过套孔20与竖置联动杆18活动套接,横向联动件14的另一端通过与纵向铰接轴10偏心设置的偏心轴和联锁钩接件12铰接连接;联锁插销15的下部固设有与纵向铰接轴10平行的定位销17,联锁钩接件12上还设有能与定位销17配合钩接的钩接斜槽19,所述钩接斜槽19的槽口至槽底与纵向铰接轴10的径向距离逐渐减小;联锁插销15的下部与开关柜柜体9之间设有用来使联锁插销15保持向上移动趋势的弹性顶推件16;接地开关限位套4设有能与联锁插销15配合插接的槽孔21;
The upper part of the
当所述横向联动件14在联锁钩接件12带动下向背离联锁钩接件12所在侧移动至锁定位置时,联锁钩接件12旋转至其钩接斜槽19与定位销17钩接连接,且横向联动件14的套孔20只能让竖置联动杆18通过而限位凸块13不能通过;当所述横向联动件14在联锁钩接件12带动下向靠近联锁钩接件12所在侧移动至解锁位置时,联锁钩接件12旋转至其钩接斜槽19与定位销17脱离钩接,且横向联动件14的套孔20能让竖置联动杆18和限位凸块13同时通过。
When the
所述开关柜柜体9上还设有位于定位销17下方且通过竖向铰接轴26与开关柜柜体9铰接的止挡件22及连接于竖向铰接轴26和止挡件22之间的复位扭簧23。
The
所述纵向铰接轴10上方设有与开关柜柜门6固定连接的插接件24,插接件24上设有容联锁插销15下端部插入的插销孔25。
A plug-in
在具体实施应用中,本实用新型还可与专利号为201020262867.1公布的联锁机构配合使用,从而使负荷开关和接地开关之间进行互锁,防止接地开关合闸时,误合闸负荷开关,对设备及人身造成损害。 In the specific implementation and application, the utility model can also be used in conjunction with the interlock mechanism published by the patent No. 201020262867.1, so that the load switch and the grounding switch are interlocked to prevent the load switch from being closed by mistake when the grounding switch is closed. Damage to equipment and personal life.
Claims (3)
Priority Applications (1)
| Application Number | Priority Date | Filing Date | Title |
|---|---|---|---|
| CN2011202122221U CN202094009U (en) | 2011-06-22 | 2011-06-22 | Anti-misoperation interlocking device for switchgear door |
Applications Claiming Priority (1)
| Application Number | Priority Date | Filing Date | Title |
|---|---|---|---|
| CN2011202122221U CN202094009U (en) | 2011-06-22 | 2011-06-22 | Anti-misoperation interlocking device for switchgear door |
Publications (1)
| Publication Number | Publication Date |
|---|---|
| CN202094009U true CN202094009U (en) | 2011-12-28 |
Family
ID=45369059
Family Applications (1)
| Application Number | Title | Priority Date | Filing Date |
|---|---|---|---|
| CN2011202122221U Expired - Fee Related CN202094009U (en) | 2011-06-22 | 2011-06-22 | Anti-misoperation interlocking device for switchgear door |
Country Status (1)
| Country | Link |
|---|---|
| CN (1) | CN202094009U (en) |
Cited By (7)
| Publication number | Priority date | Publication date | Assignee | Title |
|---|---|---|---|---|
| CN102881484A (en) * | 2012-08-29 | 2013-01-16 | 温州新机电器有限公司 | Double-isolation operation interlocking mechanism for double-bus middle-placed switch cabinet |
| CN107069464A (en) * | 2017-06-06 | 2017-08-18 | 信阳师范学院 | Switch cubicle and its cabinet door interlock |
| CN107171238A (en) * | 2017-07-12 | 2017-09-15 | 漳州新源电力工程有限公司电控设备厂 | A kind of safe intermediate switchgear cabinet |
| CN108505834A (en) * | 2018-03-09 | 2018-09-07 | 国网浙江淳安县供电有限公司 | A kind of anti-misoperation apparatus for ring main unit |
| CN114141558A (en) * | 2021-11-29 | 2022-03-04 | 云南昆宝电气科技有限公司 | Intelligent interlocking device for high-voltage cabinet capable of being safely operated |
| CN115377843A (en) * | 2022-08-04 | 2022-11-22 | 江苏文广朱方新能源科技有限公司 | Interlocking device for preventing misoperation and switch cabinet using interlocking device |
| CN117038382A (en) * | 2023-10-09 | 2023-11-10 | 江苏中环电气集团有限公司 | Safety interlocking device for switch cabinet and switch cabinet with same |
-
2011
- 2011-06-22 CN CN2011202122221U patent/CN202094009U/en not_active Expired - Fee Related
Cited By (12)
| Publication number | Priority date | Publication date | Assignee | Title |
|---|---|---|---|---|
| CN102881484A (en) * | 2012-08-29 | 2013-01-16 | 温州新机电器有限公司 | Double-isolation operation interlocking mechanism for double-bus middle-placed switch cabinet |
| CN102881484B (en) * | 2012-08-29 | 2014-12-03 | 温州新机电器有限公司 | Double-isolation operation interlocking mechanism for double-bus middle-placed switch cabinet |
| CN107069464A (en) * | 2017-06-06 | 2017-08-18 | 信阳师范学院 | Switch cubicle and its cabinet door interlock |
| CN107171238A (en) * | 2017-07-12 | 2017-09-15 | 漳州新源电力工程有限公司电控设备厂 | A kind of safe intermediate switchgear cabinet |
| CN107171238B (en) * | 2017-07-12 | 2023-04-11 | 国网福建省电力有限公司漳州供电公司 | High middle-mounted switch cabinet of security |
| CN108505834A (en) * | 2018-03-09 | 2018-09-07 | 国网浙江淳安县供电有限公司 | A kind of anti-misoperation apparatus for ring main unit |
| CN108505834B (en) * | 2018-03-09 | 2024-02-06 | 国网浙江淳安县供电有限公司 | Misoperation preventing device for ring main unit |
| CN114141558A (en) * | 2021-11-29 | 2022-03-04 | 云南昆宝电气科技有限公司 | Intelligent interlocking device for high-voltage cabinet capable of being safely operated |
| CN115377843A (en) * | 2022-08-04 | 2022-11-22 | 江苏文广朱方新能源科技有限公司 | Interlocking device for preventing misoperation and switch cabinet using interlocking device |
| CN115377843B (en) * | 2022-08-04 | 2024-10-18 | 江苏文广朱方新能源科技有限公司 | Misoperation-preventing interlocking device and switch cabinet using same |
| CN117038382A (en) * | 2023-10-09 | 2023-11-10 | 江苏中环电气集团有限公司 | Safety interlocking device for switch cabinet and switch cabinet with same |
| CN117038382B (en) * | 2023-10-09 | 2024-01-19 | 江苏中环电气集团有限公司 | Safety interlocking device for switch cabinet and switch cabinet with same |
Similar Documents
| Publication | Publication Date | Title |
|---|---|---|
| CN202094009U (en) | Anti-misoperation interlocking device for switchgear door | |
| JP4074038B2 (en) | Circuit breaker insertion / extraction device | |
| CN109066439B (en) | A kind of handcart interlocking mechanism with five-proof interlocking device | |
| JP2024095744A (en) | Container locking device | |
| CN106848900A (en) | Front door of switch cabinet locking device and the switch cubicle using the locking device | |
| CN207098419U (en) | A kind of shutter mechanism of switch cabinet | |
| CN207425670U (en) | A kind of door interlock and ring main unit | |
| CN203961494U (en) | A kind of electronic lock lock body | |
| CN106499751B (en) | Anti-misoperation integrated rotating shaft locking device with self-limiting function and use method thereof | |
| CN208596624U (en) | A front door interlocking mechanism of a five-proof interlocking device | |
| CN206546978U (en) | A kind of front door of switch cabinet locking device and the switch cubicle using the locking device | |
| CN204950623U (en) | Pressure oven of area lock | |
| CN202796545U (en) | Switch cabinet grounding switch and lower door interlocking mechanism | |
| CN114976974A (en) | Anti-misoperation safety switch cabinet and working method thereof | |
| CN205282966U (en) | Interlock of cubical switchboard valve and well door | |
| CN109025565B (en) | Ratchet wheel safety self-locking mechanism and sliding door using same | |
| CN105449568B (en) | A kind of interlock of switch cabinet shutter and middle door | |
| CN102768911A (en) | Switchgear grounding switch and lower door interlocking mechanism | |
| CN102926599A (en) | Automatic locking structure of marine tool cabinet | |
| CN205140808U (en) | Interlock is operated with ground connection to looped netowrk cabinet | |
| CN209670571U (en) | The door lock mechanism of switchgear | |
| CN208623221U (en) | A locking structure of a handcart interlocking mechanism | |
| CN208539435U (en) | A handcart interlocking mechanism of a five-proof interlocking device | |
| CN109659822B (en) | Switchgear and its interlocking mechanism | |
| JP5562082B2 (en) | switchboard |
Legal Events
| Date | Code | Title | Description |
|---|---|---|---|
| C14 | Grant of patent or utility model | ||
| GR01 | Patent grant | ||
| ASS | Succession or assignment of patent right |
Owner name: TIANYU ELECTRIC APPLIANCES CO., LTD., FUZHOU Effective date: 20131031 Owner name: STATE ELECTRIC NET CROP. Free format text: FORMER OWNER: TIANYU ELECTRIC APPLIANCES CO., LTD., FUZHOU Effective date: 20131031 |
|
| C41 | Transfer of patent application or patent right or utility model | ||
| COR | Change of bibliographic data |
Free format text: CORRECT: ADDRESS; FROM: 350000 FUZHOU, FUJIAN PROVINCE TO: 100031 XICHENG, BEIJING |
|
| TR01 | Transfer of patent right |
Effective date of registration: 20131031 Address after: 100031 Xicheng District West Chang'an Avenue, No. 86, Beijing Patentee after: State Grid Corporation of China Patentee after: Fuzhou Tianyu Electric Co., Ltd. Address before: Nanping East Road, Jinan District, Fuzhou city of Fujian Province, No. 130 350000 Patentee before: Fuzhou Tianyu Electric Co., Ltd. |
|
| CF01 | Termination of patent right due to non-payment of annual fee |
Granted publication date: 20111228 Termination date: 20200622 |
|
| CF01 | Termination of patent right due to non-payment of annual fee |
