CN201909384U - Solar-energy auxiliary gas heating system - Google Patents
Solar-energy auxiliary gas heating system Download PDFInfo
- Publication number
- CN201909384U CN201909384U CN2011200157404U CN201120015740U CN201909384U CN 201909384 U CN201909384 U CN 201909384U CN 2011200157404 U CN2011200157404 U CN 2011200157404U CN 201120015740 U CN201120015740 U CN 201120015740U CN 201909384 U CN201909384 U CN 201909384U
- Authority
- CN
- China
- Prior art keywords
- heat
- water
- water heater
- heating
- gas
- Prior art date
- Legal status (The legal status is an assumption and is not a legal conclusion. Google has not performed a legal analysis and makes no representation as to the accuracy of the status listed.)
- Expired - Fee Related
Links
- 238000010438 heat treatment Methods 0.000 title claims abstract description 43
- XLYOFNOQVPJJNP-UHFFFAOYSA-N water Substances O XLYOFNOQVPJJNP-UHFFFAOYSA-N 0.000 claims abstract description 88
- 238000005338 heat storage Methods 0.000 claims abstract description 11
- 238000000034 method Methods 0.000 description 2
- 230000009286 beneficial effect Effects 0.000 description 1
- 238000010586 diagram Methods 0.000 description 1
- 230000000694 effects Effects 0.000 description 1
Images
Classifications
-
- Y—GENERAL TAGGING OF NEW TECHNOLOGICAL DEVELOPMENTS; GENERAL TAGGING OF CROSS-SECTIONAL TECHNOLOGIES SPANNING OVER SEVERAL SECTIONS OF THE IPC; TECHNICAL SUBJECTS COVERED BY FORMER USPC CROSS-REFERENCE ART COLLECTIONS [XRACs] AND DIGESTS
- Y02—TECHNOLOGIES OR APPLICATIONS FOR MITIGATION OR ADAPTATION AGAINST CLIMATE CHANGE
- Y02B—CLIMATE CHANGE MITIGATION TECHNOLOGIES RELATED TO BUILDINGS, e.g. HOUSING, HOUSE APPLIANCES OR RELATED END-USER APPLICATIONS
- Y02B10/00—Integration of renewable energy sources in buildings
- Y02B10/70—Hybrid systems, e.g. uninterruptible or back-up power supplies integrating renewable energies
Landscapes
- Heat-Pump Type And Storage Water Heaters (AREA)
Abstract
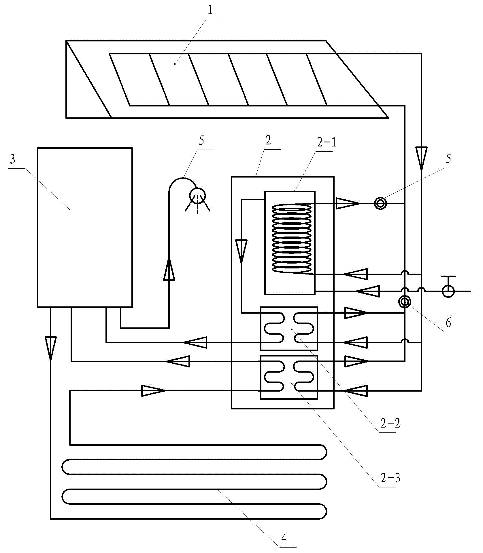
一种太阳能辅助燃气供热系统,含有通过管路连接在一起的集热板式太阳能热水器,燃气热水器,取暖散热器,热交换中心,热交换中心包括储热罐、两个热交换器,该储热罐包括内部的换热管和储水室,其换热管通过管路连接至集热板式太阳能热水器形成循环水路,储水室一端连接水源,另一端通过管路连接至换热器A的受热端,该受热端通过管路连通至燃气热水器后连接至生活用水设施;集热板式太阳能热水器通过管路分别与两个热交换器的供热端连通形成循环水路;其中换热器B的受热端通过管路与燃气热水器、取暖散热器连接成循环水路。该太阳能辅助燃气供热系统,能够通过利用太阳能先对采暖循环水和生活用热水进行辅助加热,能够节约大量的燃气。
A solar-assisted gas heating system, which includes a heat collecting plate solar water heater connected together through pipelines, a gas water heater, a heating radiator, a heat exchange center, and the heat exchange center includes a heat storage tank and two heat exchangers. The heat tank includes an internal heat exchange tube and a water storage room. The heat exchange tube is connected to the collector plate solar water heater through a pipeline to form a circulating water circuit. One end of the water storage room is connected to the water source, and the other end is connected to the heat exchanger A through a pipeline. The heating end, the heating end is connected to the gas water heater through the pipeline and then connected to the domestic water facility; the collector plate solar water heater is respectively connected with the heating ends of the two heat exchangers through the pipeline to form a circulating water circuit; the heat exchanger B’s The heating end is connected with the gas water heater and the heating radiator through pipelines to form a circulating water circuit. The solar energy-assisted gas heating system can firstly use solar energy to auxiliary heat heating circulating water and domestic hot water, and can save a large amount of gas.
Description
技术领域technical field
本实用新型涉太阳能采暖的技术领域,特别是涉及一种太阳能辅助燃气供热系统。The utility model relates to the technical field of solar heating, in particular to a solar-assisted gas heating system.
背景技术Background technique
太阳能热水器由于其节能效果好,受到了国家的大力推广,特别是日常生活的热水应用,比较广泛,近年来也有部分人采用太阳能热水器在冬天来提供室内的供暖,但是由于太阳能热水器的局限性,不能实现昼夜的连续工作,并且受天气变化影响较大,不能保证连续供暖,有待改进。Due to its good energy-saving effect, solar water heaters have been vigorously promoted by the country, especially the application of hot water in daily life. In recent years, some people have used solar water heaters to provide indoor heating in winter, but due to the limitations of solar water heaters , can not achieve continuous work day and night, and is greatly affected by weather changes, can not guarantee continuous heating, and needs to be improved.
当然对于取暖来说,燃气壁挂炉取暖的应用也比较广泛,但是其成本较高,不适宜大面积推广,不符合我国能源紧张的国情。Of course, for heating, gas wall-hung boilers are also widely used for heating, but their cost is relatively high, and they are not suitable for large-scale promotion, and do not meet the national conditions of my country's energy shortage.
实用新型内容Utility model content
本实用新型的目的是为了解决上述问题,提供一种太阳能辅助燃气供热系统。The purpose of this utility model is to provide a solar energy-assisted gas heating system in order to solve the above problems.
本实用新型的技术方案是:一种太阳能辅助燃气供热系统,含有通过管路连接在一起的集热板式太阳能热水器,燃气热水器,取暖散热器,热交换中心,所述的热交换中心包括储热罐、两个热交换器,该储热罐包括内部的换热管和储水室,其换热管通过管路连接至集热板式太阳能热水器形成循环水路,所述的储水室一端连接水源,另一端通过管路连接至换热器A的受热端,该受热端通过管路连通至燃气热水器后连接至生活用水设施;所述的集热板式太阳能热水器通过管路分别与两个热交换器的供热端连通形成循环水路;其中换热器B的受热端通过管路与燃气热水器、取暖散热器连接成循环水路。The technical solution of the utility model is: a solar energy-assisted gas heating system, which includes a heat collecting plate solar water heater, a gas water heater, a heating radiator, and a heat exchange center connected together through pipelines. The heat exchange center includes a storage Heat tank, two heat exchangers, the heat storage tank includes an internal heat exchange tube and a water storage room, the heat exchange tube is connected to the heat collecting plate solar water heater through a pipeline to form a circulating water circuit, and one end of the water storage room is connected to water source, the other end is connected to the heated end of heat exchanger A through a pipeline, and the heated end is connected to a gas water heater through a pipeline and then connected to domestic water facilities; The heat supply end of the exchanger is connected to form a circulating water circuit; the heat receiving end of the heat exchanger B is connected to the gas water heater and the heating radiator through pipelines to form a circulating water circuit.
所述的集热板式太阳能热水器连接至储热罐内的换热管的管路上设有循环泵;所述的集热板式太阳能热水器连接至两个热交换器的管路上也设有循环泵。A circulation pump is provided on the pipeline connecting the heat collecting plate solar water heater to the heat exchange tube in the heat storage tank; a circulation pump is also provided on the pipeline connecting the heat collecting plate solar water heater to the two heat exchangers.
所述的热交换器为板式热交换器。The heat exchanger is a plate heat exchanger.
本实用新型的有益效果Beneficial effects of the utility model
该太阳能辅助燃气供热系统,能够通过利用太阳能先对采暖循环水和生活用热水进行辅助加热,能够节约大量的燃气。The solar energy-assisted gas heating system can firstly use solar energy to auxiliary heat heating circulating water and domestic hot water, and can save a large amount of gas.
该太阳能辅助燃气供热系统,在日照不好、或没有日照的情况下可以单独开启燃气热水器对采暖循环水和生活用热水直接进行加热,不影响其正常使用。The solar-assisted gas heating system can turn on the gas water heater separately to directly heat the heating circulating water and domestic hot water when the sunshine is not good or there is no sunshine, without affecting its normal use.
附图说明Description of drawings
图1为太阳能辅助燃气供热系统结构示意图。Figure 1 is a schematic diagram of the structure of a solar-assisted gas heating system.
具体实施方式Detailed ways
参见图1,图中1.集热板式太阳能热水器、2.热交换中心、3.燃气热水器、4.采暖散热器、5.循环泵、6.循环泵、7. 生活用水设施,其中2-1.储热罐、2-2.热交换器A、2-2.热交换器B。See Fig. 1, in the figure 1. collector plate solar water heater, 2. heat exchange center, 3. gas water heater, 4. heating radiator, 5. circulation pump, 6. circulation pump, 7. domestic water facilities, wherein 2- 1. Heat storage tank, 2-2. Heat exchanger A, 2-2. Heat exchanger B.
实施例:参见图1,图中一种太阳能辅助燃气供热系统,含有通过管路连接在一起的集热板式太阳能热水器,燃气热水器,取暖散热器,热交换中心,所述的热交换中心包括储热罐、两个热交换器,该储热罐包括内部的换热管和储水室,其换热管通过管路连接至集热板式太阳能热水器形成循环水路,所述的储水室一端连接水源,另一端通过管路连接至换热器A的受热端,该受热端通过管路连通至燃气热水器后连接至生活用水设施;所述的集热板式太阳能热水器通过管路分别与两个热交换器的供热端连通形成循环水路;其中换热器B的受热端通过管路与燃气热水器、取暖散热器连接成循环水路。所述的集热板式太阳能热水器连接至储热罐内的换热管的管路上设有循环泵;所述的集热板式太阳能热水器连接至两个热交换器的管路上也设有循环泵。所述的热交换器为板式热交换器。Embodiment: Referring to Fig. 1, a kind of solar energy assisted gas heat supply system in the figure, contains the collector plate type solar water heater connected together by pipeline, gas water heater, heating radiator, heat exchange center, described heat exchange center comprises A heat storage tank and two heat exchangers. The heat storage tank includes an internal heat exchange tube and a water storage room. The heat exchange tube is connected to the heat collecting plate solar water heater through a pipeline to form a circulating water circuit. One end of the water storage room Connect the water source, and the other end is connected to the heated end of the heat exchanger A through the pipeline, and the heated end is connected to the gas water heater through the pipeline and then connected to the domestic water facility; The heating end of the heat exchanger is connected to form a circulating water circuit; the heating end of the heat exchanger B is connected to the gas water heater and the heating radiator through a pipeline to form a circulating water circuit. A circulation pump is provided on the pipeline connecting the heat collecting plate solar water heater to the heat exchange tube in the heat storage tank; a circulation pump is also provided on the pipeline connecting the heat collecting plate solar water heater to the two heat exchangers. The heat exchanger is a plate heat exchanger.
该系统的工作过程:The working process of the system:
在冬季的时候,通过传感器检测集热板式太阳能热水器中热水的温度,并与室内采暖系统的设定温度进行对比,如果太阳能热水器中热水的温度高于室内采暖系统的设定温度,则通过换热器B的将太阳能热水器中热水的热量转换的室内采暖系统中的循环水,给室内提供热源;如果如果太阳能热水器中热水的温度低于室内采暖系统的设定温度,在通过换热器B的将太阳能热水器中热水的热量转换的室内采暖系统中的循环水的同时开启燃气热水器,将室内采暖系统中的循环水加热到设定温度。In winter, the sensor detects the temperature of the hot water in the collector plate solar water heater and compares it with the set temperature of the indoor heating system. If the temperature of the hot water in the solar water heater is higher than the set temperature of the indoor heating system, then The circulating water in the indoor heating system that converts the heat of the hot water in the solar water heater through the heat exchanger B provides a heat source for the room; if the temperature of the hot water in the solar water heater is lower than the set temperature of the indoor heating system, through The heat exchanger B converts the heat of hot water in the solar water heater to the circulating water in the indoor heating system, and at the same time turns on the gas water heater to heat the circulating water in the indoor heating system to the set temperature.
在夏季的时候,储热罐内的储存的生活用水通过换热管将集热板式太阳能热水器中热水的热量储存起来,用于日常生活使用,若遇到日照不好的情况,可以同时开启燃气热水器对这部分水进行加热。In summer, the domestic water stored in the heat storage tank stores the heat of the hot water in the collector plate solar water heater through the heat exchange tube for daily use. If the sunshine is not good, it can be turned on at the same time The gas water heater heats this part of the water.
Claims (3)
Priority Applications (1)
| Application Number | Priority Date | Filing Date | Title |
|---|---|---|---|
| CN2011200157404U CN201909384U (en) | 2011-01-19 | 2011-01-19 | Solar-energy auxiliary gas heating system |
Applications Claiming Priority (1)
| Application Number | Priority Date | Filing Date | Title |
|---|---|---|---|
| CN2011200157404U CN201909384U (en) | 2011-01-19 | 2011-01-19 | Solar-energy auxiliary gas heating system |
Publications (1)
| Publication Number | Publication Date |
|---|---|
| CN201909384U true CN201909384U (en) | 2011-07-27 |
Family
ID=44301585
Family Applications (1)
| Application Number | Title | Priority Date | Filing Date |
|---|---|---|---|
| CN2011200157404U Expired - Fee Related CN201909384U (en) | 2011-01-19 | 2011-01-19 | Solar-energy auxiliary gas heating system |
Country Status (1)
| Country | Link |
|---|---|
| CN (1) | CN201909384U (en) |
Cited By (2)
| Publication number | Priority date | Publication date | Assignee | Title |
|---|---|---|---|---|
| CN102677941A (en) * | 2012-05-10 | 2012-09-19 | 中铁四局集团第一工程有限公司 | Green thermal insulation feed bin for railway beam fabricating yard |
| CN102967074A (en) * | 2012-11-15 | 2013-03-13 | 信天翁微电子能源(大连)有限公司 | Steam waste heat recycling device and control method thereof |
-
2011
- 2011-01-19 CN CN2011200157404U patent/CN201909384U/en not_active Expired - Fee Related
Cited By (3)
| Publication number | Priority date | Publication date | Assignee | Title |
|---|---|---|---|---|
| CN102677941A (en) * | 2012-05-10 | 2012-09-19 | 中铁四局集团第一工程有限公司 | Green thermal insulation feed bin for railway beam fabricating yard |
| CN102967074A (en) * | 2012-11-15 | 2013-03-13 | 信天翁微电子能源(大连)有限公司 | Steam waste heat recycling device and control method thereof |
| CN102967074B (en) * | 2012-11-15 | 2014-11-12 | 信天翁微电子能源(大连)有限公司 | Steam waste heat recycling device and control method thereof |
Similar Documents
| Publication | Publication Date | Title |
|---|---|---|
| CN202792191U (en) | Solar central hot water system heated by air source heat pump and boiler heating in auxiliary manner | |
| CN101666517B (en) | Solar energy hierarchical heating system | |
| CN207334870U (en) | District passive form solar heating system | |
| CN101561188A (en) | Novel solar water heating system | |
| CN204421378U (en) | Space energy heat collector | |
| CN201133727Y (en) | Solar heat-preservation water storage tank | |
| CN103216951A (en) | Method and device for utilizing solar energy by using dual mediums in dual modes | |
| CN201909384U (en) | Solar-energy auxiliary gas heating system | |
| CN201103949Y (en) | Solar nano-warming low temperature supplying floor board radiation heating equipment | |
| CN203533917U (en) | Integrated heat exchanging type solar water heater with heat collection function and heat storage function | |
| CN207610262U (en) | Solar-powered-air source heat-pump-phase transition thermal storage water tank heating system | |
| CN203258734U (en) | Solar floor heating system | |
| CN202284818U (en) | Heating system combining solar water heater and heating stove | |
| CN202092367U (en) | Integrated clod and hot temperature control device for villa interior floor | |
| CN202141192U (en) | A water source heat pump water heating device combined with a solar water heater | |
| CN201836983U (en) | Centralized heat collection, household heat storage solar water heating system | |
| CN202074615U (en) | Solar-energy heating device | |
| CN201363929Y (en) | Instantaneous solar water heating device | |
| CN203869132U (en) | Solar seasonal storage heating and water heating comprehensive utilization system | |
| CN205102432U (en) | Building pitched roof integrated solar heat collection system | |
| CN207035282U (en) | heating system | |
| CN205174790U (en) | Heating installation heat exchanger air can electrical heating all -in -one | |
| CN205641576U (en) | Heat pump solar water heater | |
| CN203628813U (en) | Building heat supply system based on solar energy | |
| CN204513533U (en) | The heating system of a kind of solar energy and cogeneration of heat and power complementation |
Legal Events
| Date | Code | Title | Description |
|---|---|---|---|
| C14 | Grant of patent or utility model | ||
| GR01 | Patent grant | ||
| C17 | Cessation of patent right | ||
| CF01 | Termination of patent right due to non-payment of annual fee |
Granted publication date: 20110727 Termination date: 20140119 |
