CN201893650U - 一种具有三档变速功能的电力无级变速器 - Google Patents
一种具有三档变速功能的电力无级变速器 Download PDFInfo
- Publication number
- CN201893650U CN201893650U CN2010206198348U CN201020619834U CN201893650U CN 201893650 U CN201893650 U CN 201893650U CN 2010206198348 U CN2010206198348 U CN 2010206198348U CN 201020619834 U CN201020619834 U CN 201020619834U CN 201893650 U CN201893650 U CN 201893650U
- Authority
- CN
- China
- Prior art keywords
- brake
- rotor
- clutch
- shaft
- group
- Prior art date
- Legal status (The legal status is an assumption and is not a legal conclusion. Google has not performed a legal analysis and makes no representation as to the accuracy of the status listed.)
- Expired - Fee Related
Links
- 230000005540 biological transmission Effects 0.000 title abstract description 38
- 238000004804 winding Methods 0.000 claims description 5
- 230000007246 mechanism Effects 0.000 abstract description 33
- 238000011084 recovery Methods 0.000 abstract description 2
- 238000002485 combustion reaction Methods 0.000 description 5
- 239000003638 chemical reducing agent Substances 0.000 description 3
- 239000000446 fuel Substances 0.000 description 3
- 229910000831 Steel Inorganic materials 0.000 description 1
- 230000008878 coupling Effects 0.000 description 1
- 238000010168 coupling process Methods 0.000 description 1
- 238000005859 coupling reaction Methods 0.000 description 1
- 230000007547 defect Effects 0.000 description 1
- 230000007812 deficiency Effects 0.000 description 1
- 238000010586 diagram Methods 0.000 description 1
- 238000007599 discharging Methods 0.000 description 1
- 238000000034 method Methods 0.000 description 1
- 239000010959 steel Substances 0.000 description 1
- 239000013589 supplement Substances 0.000 description 1
- 239000002699 waste material Substances 0.000 description 1
Images
Landscapes
- Electric Propulsion And Braking For Vehicles (AREA)
- Structure Of Transmissions (AREA)
Abstract
本实用新型公开一种用于公路运输车辆上的具有三档变速功能的电力无级变速器,包括动力总成外壳、双转子电机和两组行星齿轮机构,在第一组行星齿轮机构和第二组行星齿轮机构之间设置双转子电机,发动机通过发动机输出轴连接第一组行星齿轮机构的输入轴内转子轴;双转子电机是同轴心布置的三层结构,最外层是定子,中间是外转子,最内层是内转子,第一、二组行星齿轮机构均由太阳轮、行星架和齿圈组成;第一组与第二组行星齿轮机构分别起到动力模式切换与改变传动比的作用,能减小双转子电机的体积,扩大传动比范围,提高功率密度,实现制动时能量的回收。
Description
技术领域
本实用新型属于汽车交流电机及其控制技术领域,具体涉及一种具有双转子的电力无级变速器,应用于公路运输车辆上。
背景技术
为了使内燃机ICE能在整个运行工况下均保持最佳效率运行,同时又可以减少装置的复杂程度,采用双转子电机,双转子电机由内转子、外转子、定子三个主要部分组成,三个主要部分可以组成两个径向布置的电机,其中内转子与外转子构成内电机,外转子与定子组成外电机。一般情况下内转子与发动机轴连接,外转子与主减速器轴连接,形成电力无级变速器EVT。采用电力驱动控制两个转子的转矩与转速,可以实现转矩与转速比连续可调,具有较高的传动效率,无需通常的启动装置(如离合器或液力耦合器等)。当变速箱的无级变速与内燃机控制有效配合时,可大幅度提高汽车燃油效率。在动力调节方面,EVT可通过储能器有效的补充动力轮所需的驱动动力而无需改变对内燃机的动力要求,从而保持内燃机的工作状态不受或少受路况的影响。内燃机可始终工作在设定的最佳状态,以提高整车的效率。同时EVT还可回收制动时的动能,返送回储能器中。所有这些举措都大幅度地提高车辆的燃油效率。
但是电力无级变速器也存在一定程度上的缺陷:首先,相较于机械式或者液压式变速器可以在较紧凑的空间内实现较大的调速范围,由于空间尺寸的限制,电力无级变速器的调速范围也受到限制;其次,电力无级变速的输入轴一般与发动机轴固定连接,在需要给汽车施加动力时,不管是发动机单独驱动还是电机单独驱动汽车,发动机和电机都要转动,当只用电机单独驱动汽车或者电机发电回收制动时的动能时,电机都会带动发动机随之空转,造成浪费,并对发动机造成影响。在专利号200810223615.5、名称是“一种集成有双速比输出机构的电力无级变速器”与专利号200820123600.7,名称是“一种集成基于行星齿轮两档变速机构的电力无级变速器”中提出了有两个档位变化的无级变速器,但发动机与电力无级变速器的输入轴仍然为固定连接。专利号200710121112.2、名称是“一种电力无级变速器”通过一组行星齿轮结构与专利号是200710074741.4、名称是“混合动力汽车动力总成”通过离合器虽然解决了发动机与电力无极变速器的固定连接的问题,但是并不能扩大电力无级变速器的变速比范围。
发明内容
为了克服现有技术的不足,本实用新型提出一种具有较大调速范围、较高传动效率和燃油效率、并能以并联混合动力、纯电动动力、全混合动力三种模式切换工作的电力无级变速器。
本实用新型采用的技术方案是:包括动力总成外壳、双转子电机和两组行星齿轮机构,在第一组行星齿轮机构和第二组行星齿轮机构之间设置双转子电机,发动机通过发动机输出轴连接第一组行星齿轮机构的输入轴内转子轴;所述双转子电机是同轴心布置的三层结构,最外层是定子,中间是外转子,最内层是内转子,内转子轴固接内转子,外转子固接外转子轴;所述第一组行星齿轮机构由太阳轮、行星架、齿圈组成,太阳轮与内转子固接;齿圈与发动机输出轴固接,齿圈上设有第一制动器摩擦片,第一制动器设置在动力总成外壳上,行星架上设有第二制动器摩擦片与第一离合器第一摩擦片,在动力总成壳体与行星架之间设有第二制动器,太阳轮上设有第一离合器第二摩擦片,第三摩擦片设置在动力总成外壳上,第四摩擦片设置在外转子上;第二组行星齿轮机构由另一太阳轮、另一行星架、另一齿圈组成,另一太阳轮固接太阳轮轴,第二组行星齿轮机构的输入轴是外转子轴,外转子轴通过第二离合器与另一齿圈连接或通过第三离合器与另一行星架连接,输出轴太阳轮轴与主减速器连接,动力总成壳体上固定有第三制动器与第四制动器,外转子轴与太阳轮轴在同一条轴线上;内转子轴上设有滑环,滑环通过导线依次电连接主交直流转换器、蓄电池、副交直流转换器连接,副交直流转换器通过导线电连接内转子的电枢绕组。
本实用新型有机结合了双转子电机与行星齿轮机构的优点,第一组与第二组行星齿轮机构分别起到动力模式切换与改变传动比的作用,通过这两组行星齿轮机构实现了三个功能:第一,电力无级变速器的内转子转速增高,使得双转子电机传递的转矩下降,由于双转子电机的体积与传递的转矩成正比关系,所以可以减小双转子电机的体积,提高功率密度;第二,传统的电力无级变速的输入轴与发动机输出轴固定连接,限制汽车只能工作在全混合动力模式下,本实用新型采用一组行星齿轮机构使得汽车可以工作在并联混合动力模式下和纯电动动力模式下,还可以实现制动时能量的回收;第三,采用一组行星齿轮机构实现三档变速,扩大了电力无极变速器的传动比范围。
附图说明
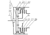
图1是本实用新型及其搭载车辆上的连接示意图;
图2是图1中第一组行星齿轮机构的放大图;
图3是图1中第二组行星齿轮机构的放大图;
图中:1.发动机;2.发动机输出轴;3.太阳轮;4.行星架;5.齿圈;6.第一制动器;7.第二制动器;8.内转子轴;9.第一离合器;10.滑环;11.定子;12.外转子;13.内转子;14.外转子轴;15.第二离合器;16.第三离合器;17.第三制动器;18.第三制动器摩擦片;19.第四制动器;20.太阳轮轴;21.第一制动器摩擦片;22.第二制动器摩擦片;23.第一离合器第一摩擦片;24.第一离合器第二摩擦片;25.第一离合器第三摩擦片;26.离合器第四摩擦片;27.主交直流转换器;28.副交直流转换器;29.蓄电池;30.动力总成外壳;31.太阳轮;32.行星架;33.齿圈;34.主减速器;35.车轮。
具体实施方式
参见图1,本实用新型的电力无级变速器主要包括动力总成外壳30、双转子电机和两组行星齿轮机构,双转子电机与两组行星齿轮机构安装在动力总成外壳30中,动力总成壳体30外部的发动机1通过其输出轴连接第一组行星齿轮机构,在第一组行星齿轮机构和第二组行星齿轮机构之间安装双转子电机,双转子电机的输出轴连接外部的主减速器34,主减速器34控制车轮35。
第一组行星齿轮实现车辆在各个驱动模式间的切换,第二组行星齿轮实现三档变速。双转子电机是同轴心布置的三层结构,最外层是定子11,中间是外转子12,最内层是内转子13。其中,外转子12固定连接在外转子轴14上,外转子12的内外两侧镶有磁钢,定子11与内转子13上安装有电枢绕组,滑环10装在双转子电机输入轴内转子轴8上,然后通过到导线与主交直流转换器27连接,主交直流转换器27又将交流电转换为直流电连接并存储入蓄电池29,蓄电池29又通过导线与副交直流转换器28连接,副交直流转换器28通过导线与双转子电机的内转子13连接,副交直流转换器28又可以将蓄电池29中的直流电转换为交流电传至内转子13,电流通过滑环8从外部电源通入内转子13的电枢绕组中。此双转子电机的内转子轴8为输入轴,通过第一组行星齿轮结构与发动机输出轴2连接;外转子轴14为第一组行星齿轮结构的输出轴,外转子轴14与第二组行星齿轮机构的输入轴连接。
参见图2,第一组行星齿轮机构由太阳轮3、行星架4、齿圈5组成。太阳轮3与内转子13固定连接。齿圈5与发动机输出轴2固定连接,齿圈5上还安装有第一制动器摩擦片21,动力总成外壳30装有第一制动器6,第一制动器6通过与第一制动器摩擦片21的脱开结合来控制齿圈5的脱开与结合,从而间接控制发动机的工作与否。行星架4安装有第二制动器摩擦片22与第一离合器第一摩擦片23。动力总成壳体30与行星架4之间装有第二制动器7,第二制动器7通过与第二制动器摩擦片22的脱开与结合来控制行星架4的脱开与结合。第一离合器第二摩擦片24安装在太阳轮3上,第三摩擦片25安装在固定的动力总成外壳30上,第四摩擦片26装在双转子电机外转子11上。当第一离合器9工作时四片摩擦片由于摩擦力而结合时,会使发动机输出轴2、外转子12、内转子13同速转动。当第一制动器6制动,第二制动器7、第一离合器9松开时,发动机1不出力,这时此电力无级变速器工作在纯电动模式;当第一制动器6松开、第二制动器7结合、第一离合器9松开时,这种电力无级变速器工作在全混合动力模式;当第一制动器6、第二制动器7均松开,第一离合器9结合时这种电力无级变速器工作在并联混合动力模式。
参见图3,第二组行星齿轮机构即为三挡变速器,实现三档变速。第二组行星齿轮机构由另一太阳轮31、另一行星架32、另一齿圈33组成。太阳轮31固定连接太阳轮轴20。第二组行星齿轮机构的输入轴为双转子电机的输出轴,即双转子电机的外转子轴14,外转子轴14通过第二离合器15与齿圈33连接也可以通过第三离合器16与行星架32连接,它的输出轴是第二组行星机构的太阳轮轴20,输出轴太阳轮轴20与主减速器34连接,将动力传递至车轮35。第二组行星齿轮组与动力总成其他部分的连接方式是:动力总成壳体30上固定有第三制动器17与第四制动器19,第三制动器17上安装第三制动器摩擦片18,第三制动器17控制齿圈33与动力总成壳体的脱开与结合,第四制动器19控制行星架32的脱开与结合;外转子轴14与第二组行星齿轮太阳轮轴20在同一条轴线上。
外转子轴14与输出轴太阳轮轴20之间有三种动力传动途径:当第三制动器17、第四制动器19脱开,第二离合器15与第三离合器16均结合时,因为第二组行星齿轮中的齿圈33与第二离合器15连接、行星架32与第三离合器16连接,第一、二离合器9、15又均与外转子轴14连接,所以当两个离合器均结合时,第二组行星齿轮的齿圈33与行星架32就与双转子电机输出轴外转子轴14绑定,即齿圈33与行星架32以同转速旋转,根据行星齿轮的运动特点,太阳轮31也具有相同的转速,这时此行星齿轮的传动比为1;当第二离合器15、第四制动器19结合,第三离合器16、第三制动器17脱开时,行星架32制动,动力从齿圈33输入、由太阳轮31输出,设齿圈的齿数为 、太阳轮的齿数为,则此时第二组行星齿轮的传动比为;当第三离合器16、第三制动器17结合,第二离合器15、第四制动器19脱开时,齿圈33制动,动力由行星架32输入、由太阳轮31输出,则此时行星齿轮的传动比为(1+)。由此,通过两个制动器、两个离合器,第二组行星齿轮实现了三档变速,在速比1、、(1+)之间切换。
当第一制动器6松开,第二制动器7制动,离合器9松开,这时,发动机1可以自由旋转,第一行星齿轮中行星架4固定不动,外转子12、内转子13均可以自由转动,因此动力系统总成运行在全混合动力模式下。设太阳轮3的齿数为、齿圈齿数为,这样在齿圈5与太阳轮3之间形成一个升速环节,也即发动机输出轴2和内转子13之间形成一个升速环节,升速比为(i=)。因此内转子的输出转矩为发动机输出转矩的1/i。由于电机的体积与电机的转矩成正比,因此采用此实用新型可以获得更小的外转子12,缩小双转子电机的整体体积。
当第一制动器6、第二制动器7均松开,第一离合器9结合,这时发动机1可以自由旋转,由于第一离合器9结合,即四个上述摩擦片结合,与摩擦片连接的发动机输出轴2、外转子12、内转子13连接成一体,以同转速旋转,此时,外转子12不通电,发动机1动力直接通过第一行星齿轮传递到内转子13输出,整个动力系统总成工作在并联混合动力模式下。
当第一制动器6结合,第二制动器7、第一离合器9松开,这时发动机1制动,不能提供动力。而双转子电机的外转子12、内转子13均可以自由旋转。此时蓄电池29由滑环10经内转子13上的电枢绕组向内转子13提供电能,由外转子12输出到车轮35,以纯电动方式驱动车辆。当车辆制动时,能量还可以由车轮35经双转子电机回收到蓄电池29内。
当内转子13转速高于外转子12转速时,发动机1的一部分能量直接传递给内转子13用于驱动车辆,其余能量通过外电机磁场传递到主交直流转换器27存储入蓄电池29中,在内转子13所需转矩增加时,可以从蓄电池29中取出能量,通过副交直流转换器28供给内供给内电机,提供附加转矩,因此当发动机1提供的功率不足时,蓄电池29向外放电像汽车驱动系统提供能量,当汽车所需的功率较小时或者回收制动能量时,多余的能量由蓄电池29储存,所以可以通过控制双转子电机的内外转子的转速来控制蓄电池的充放电。
Claims (2)
1.一种具有三档变速功能的电力无级变速器,包括动力总成外壳(30)、双转子电机和两组行星齿轮机构,其特征是:在第一组行星齿轮机构和第二组行星齿轮机构之间设置双转子电机,发动机(1)通过发动机输出轴(2)连接第一组行星齿轮机构的输入轴内转子轴(8);所述双转子电机是同轴心布置的三层结构,最外层是定子(11),中间是外转子(12),最内层是内转子(13),内转子轴(8)固接内转子(13),外转子(12)固接外转子轴(14);所述第一组行星齿轮机构由太阳轮(3)、行星架(4)、齿圈(5)组成,太阳轮(3)与内转子(13)固接;齿圈(5)与发动机输出轴(2)固接,齿圈(5)上设有第一制动器摩擦片(21),第一制动器(6)设置在动力总成外壳(30)上,行星架(4)上设有第二制动器摩擦片(22)与第一离合器第一摩擦片(23),在动力总成壳体(30)与行星架(4)之间设有第二制动器(7),太阳轮(3)上设有第一离合器第二摩擦片(24),第三摩擦片(25)设置在动力总成外壳(30)上,第四摩擦片(26)设置在外转子(11)上; 所述第二组行星齿轮机构由另一太阳轮(31)、另一行星架(32)、另一齿圈(33)组成,另一太阳轮(31)固接太阳轮轴(20),第二组行星齿轮机构的输入轴是外转子轴(14),外转子轴(14)通过第二离合器(15)与另一齿圈(33)连接或通过第三离合器(16)与另一行星架(32)连接,输出轴太阳轮轴(20)与主减速器(34)连接,动力总成壳体(30)上固定有第三制动器(17)与第四制动器(19),外转子轴(14)与太阳轮轴(20)在同一条轴线上;内转子轴(8)上设有滑环(10),滑环(10)通过导线依次电连接主交直流转换器(27)、蓄电池(29)、副交直流转换器(28)连接,副交直流转换器(28)通过导线电连接内转子(13)的电枢绕组。
Priority Applications (1)
| Application Number | Priority Date | Filing Date | Title |
|---|---|---|---|
| CN2010206198348U CN201893650U (zh) | 2010-11-23 | 2010-11-23 | 一种具有三档变速功能的电力无级变速器 |
Applications Claiming Priority (1)
| Application Number | Priority Date | Filing Date | Title |
|---|---|---|---|
| CN2010206198348U CN201893650U (zh) | 2010-11-23 | 2010-11-23 | 一种具有三档变速功能的电力无级变速器 |
Publications (1)
| Publication Number | Publication Date |
|---|---|
| CN201893650U true CN201893650U (zh) | 2011-07-06 |
Family
ID=44223119
Family Applications (1)
| Application Number | Title | Priority Date | Filing Date |
|---|---|---|---|
| CN2010206198348U Expired - Fee Related CN201893650U (zh) | 2010-11-23 | 2010-11-23 | 一种具有三档变速功能的电力无级变速器 |
Country Status (1)
| Country | Link |
|---|---|
| CN (1) | CN201893650U (zh) |
Cited By (11)
| Publication number | Priority date | Publication date | Assignee | Title |
|---|---|---|---|---|
| CN102900817A (zh) * | 2012-08-29 | 2013-01-30 | 温岭市明华齿轮有限公司 | 一种磁力差动无级变速器 |
| CN105605166A (zh) * | 2015-11-20 | 2016-05-25 | 山东大学 | 一种机电复合无级变速装置 |
| CN105752075A (zh) * | 2016-03-21 | 2016-07-13 | 江苏大学 | 基于双转子磁通切换电机的混合动力汽车的能量控制方法 |
| CN108189660A (zh) * | 2018-02-28 | 2018-06-22 | 重庆交通大学 | 用于混合动力汽车的多轴级联机电耦合装置 |
| CN108944410A (zh) * | 2017-05-27 | 2018-12-07 | 罗伯特·博世有限公司 | 混合动力耦合装置、混合动力驱动系统和混合动力车辆 |
| CN109578533A (zh) * | 2017-09-29 | 2019-04-05 | 比亚迪股份有限公司 | 三挡电动总成及其速比确定方法 |
| CN110061591A (zh) * | 2019-04-22 | 2019-07-26 | 李乐 | 一种转速比恒定的双转子电动机 |
| CN114603542A (zh) * | 2020-12-08 | 2022-06-10 | 山东新松工业软件研究院股份有限公司 | 驱动机构及机器人 |
| CN115534657A (zh) * | 2021-06-30 | 2022-12-30 | 比亚迪股份有限公司 | 混合动力系统和具有其的车辆 |
| WO2024082199A1 (zh) * | 2022-10-20 | 2024-04-25 | 宁德时代新能源科技股份有限公司 | 变速传动装置和车辆 |
| CN118849741A (zh) * | 2024-07-08 | 2024-10-29 | 奇瑞汽车股份有限公司 | 混合动力变速系统和车辆 |
-
2010
- 2010-11-23 CN CN2010206198348U patent/CN201893650U/zh not_active Expired - Fee Related
Cited By (15)
| Publication number | Priority date | Publication date | Assignee | Title |
|---|---|---|---|---|
| CN102900817A (zh) * | 2012-08-29 | 2013-01-30 | 温岭市明华齿轮有限公司 | 一种磁力差动无级变速器 |
| CN102900817B (zh) * | 2012-08-29 | 2016-12-21 | 温岭市明华齿轮有限公司 | 一种磁力差动无级变速器 |
| CN105605166A (zh) * | 2015-11-20 | 2016-05-25 | 山东大学 | 一种机电复合无级变速装置 |
| CN105752075A (zh) * | 2016-03-21 | 2016-07-13 | 江苏大学 | 基于双转子磁通切换电机的混合动力汽车的能量控制方法 |
| CN105752075B (zh) * | 2016-03-21 | 2017-12-05 | 江苏大学 | 基于双转子磁通切换电机的混合动力汽车的能量控制方法 |
| CN108944410A (zh) * | 2017-05-27 | 2018-12-07 | 罗伯特·博世有限公司 | 混合动力耦合装置、混合动力驱动系统和混合动力车辆 |
| CN109578533A (zh) * | 2017-09-29 | 2019-04-05 | 比亚迪股份有限公司 | 三挡电动总成及其速比确定方法 |
| CN109578533B (zh) * | 2017-09-29 | 2022-03-15 | 比亚迪股份有限公司 | 三挡电动总成及其速比确定方法 |
| CN108189660A (zh) * | 2018-02-28 | 2018-06-22 | 重庆交通大学 | 用于混合动力汽车的多轴级联机电耦合装置 |
| CN108189660B (zh) * | 2018-02-28 | 2023-12-12 | 重庆交通大学 | 用于混合动力汽车的多轴级联机电耦合装置 |
| CN110061591A (zh) * | 2019-04-22 | 2019-07-26 | 李乐 | 一种转速比恒定的双转子电动机 |
| CN114603542A (zh) * | 2020-12-08 | 2022-06-10 | 山东新松工业软件研究院股份有限公司 | 驱动机构及机器人 |
| CN115534657A (zh) * | 2021-06-30 | 2022-12-30 | 比亚迪股份有限公司 | 混合动力系统和具有其的车辆 |
| WO2024082199A1 (zh) * | 2022-10-20 | 2024-04-25 | 宁德时代新能源科技股份有限公司 | 变速传动装置和车辆 |
| CN118849741A (zh) * | 2024-07-08 | 2024-10-29 | 奇瑞汽车股份有限公司 | 混合动力变速系统和车辆 |
Similar Documents
| Publication | Publication Date | Title |
|---|---|---|
| CN201893650U (zh) | 一种具有三档变速功能的电力无级变速器 | |
| CN102009590B (zh) | 具有三档变速功能的电力无级变速器及其动力驱动方法 | |
| CN104648115B (zh) | 集成式单驱动电机的插电式混合动力汽车的两挡变速驱动系统 | |
| CN203283020U (zh) | 混合动力变速器及相应的车辆 | |
| CN102815198B (zh) | 基于无级变速传动的混合动力汽车驱动系统 | |
| US8597146B2 (en) | Powertrain with two planetary gear sets, two motor/generators and multiple power-split operating modes | |
| CN109484155B (zh) | 双电机双行星排多模式机电耦合传动装置 | |
| CN102463886B (zh) | 混合动力传动系统及其控制方法 | |
| CN101535075A (zh) | 混合动力输出装置 | |
| CN204547733U (zh) | 单驱动电机的插电式混合动力汽车的两挡变速驱动系统 | |
| CN111319449B (zh) | 混合动力耦合系统及车辆 | |
| CN102085795A (zh) | 一种车用离合器动力藕合同步器换档混合动力驱动系统 | |
| CN106004407B (zh) | 一种混合动力驱动总成及设有该总成的汽车 | |
| WO2009056042A1 (fr) | Système d'entraînement hybride et son procédé d'entraînement | |
| CN201753013U (zh) | 混合动力驱动系统及包含该驱动系统的车辆 | |
| CN111376700B (zh) | 混合动力耦合系统及车辆 | |
| CN105667295A (zh) | 集成式双转子电机的两挡混合动力汽车驱动系统 | |
| CN111114284B (zh) | 功率分流混合动力耦合系统及车辆 | |
| CN209208475U (zh) | 混合动力耦合系统及车辆 | |
| CN106476610A (zh) | 动力传动系统及具有其的车辆 | |
| CN111376699A (zh) | 混合动力耦合系统及车辆 | |
| CN101985274B (zh) | 一种基于五档自动变速器的混合动力汽车传动系统 | |
| CN106274441A (zh) | 一种带有双离合器的多模式混合动力传动装置 | |
| CN202782641U (zh) | 混合动力驱动装置 | |
| CN107571730B (zh) | 一种用于混合动力汽车的动力耦合器及其运行模式 |
Legal Events
| Date | Code | Title | Description |
|---|---|---|---|
| C14 | Grant of patent or utility model | ||
| GR01 | Patent grant | ||
| C17 | Cessation of patent right | ||
| CF01 | Termination of patent right due to non-payment of annual fee |
Granted publication date: 20110706 Termination date: 20131123 |









