CN201837000U - Soil source composite heating and cooling air conditioner system - Google Patents
Soil source composite heating and cooling air conditioner system Download PDFInfo
- Publication number
- CN201837000U CN201837000U CN2009202142270U CN200920214227U CN201837000U CN 201837000 U CN201837000 U CN 201837000U CN 2009202142270 U CN2009202142270 U CN 2009202142270U CN 200920214227 U CN200920214227 U CN 200920214227U CN 201837000 U CN201837000 U CN 201837000U
- Authority
- CN
- China
- Prior art keywords
- cooling
- soil
- heat
- heat exchanger
- air
- Prior art date
- Legal status (The legal status is an assumption and is not a legal conclusion. Google has not performed a legal analysis and makes no representation as to the accuracy of the status listed.)
- Expired - Fee Related
Links
- 238000001816 cooling Methods 0.000 title claims abstract description 61
- 239000002689 soil Substances 0.000 title claims abstract description 40
- 238000010438 heat treatment Methods 0.000 title claims abstract description 25
- 239000002131 composite material Substances 0.000 title description 9
- 238000004378 air conditioning Methods 0.000 claims abstract description 26
- 150000001875 compounds Chemical class 0.000 claims abstract description 3
- XLYOFNOQVPJJNP-UHFFFAOYSA-N water Substances O XLYOFNOQVPJJNP-UHFFFAOYSA-N 0.000 claims description 17
- 230000033228 biological regulation Effects 0.000 abstract description 4
- 238000009434 installation Methods 0.000 abstract 1
- 239000003507 refrigerant Substances 0.000 description 8
- 238000010586 diagram Methods 0.000 description 5
- 238000000034 method Methods 0.000 description 3
- 238000005057 refrigeration Methods 0.000 description 3
- 230000007423 decrease Effects 0.000 description 2
- 230000008878 coupling Effects 0.000 description 1
- 238000010168 coupling process Methods 0.000 description 1
- 238000005859 coupling reaction Methods 0.000 description 1
- 230000007774 longterm Effects 0.000 description 1
- 230000001932 seasonal effect Effects 0.000 description 1
Images
Landscapes
- Other Air-Conditioning Systems (AREA)
Abstract
本实用新型提供一种土壤源复合型冷暖空调系统,属于空气调节领域,特别涉及对夏热冬暖地区室内安装冷暖空调的系统。该空调系统包括有空调末端设备、热泵机组、冷水机组、土壤换热器以及与上述的土壤换热器相并联,共同释放系统热量的冷却塔。夏季供冷工况,当室内所需冷负荷不高时,启用冷水机组匹配土壤换热器;当室内所需冷负荷较大时,启用冷水机组同时匹配土壤换热器与冷却塔释热;热泵机组制冷作为调峰使用;与单一的地埋管系统相比,减少了地下埋管长度,从而减少了投资成本,可保持土壤换热器冬季吸热量和夏季释热量大致平衡。在采暖工况下,采用热泵机组匹配土壤换热器,保证机组和系统高能效运行。
The utility model provides a soil-source compound heating and cooling air-conditioning system, which belongs to the field of air conditioning, and particularly relates to a system for indoor installation of heating and cooling air-conditioning in hot summer and warm winter regions. The air-conditioning system includes air-conditioning terminal equipment, a heat pump unit, a chiller unit, a soil heat exchanger, and a cooling tower connected in parallel with the above-mentioned soil heat exchanger to release system heat together. In summer cooling conditions, when the indoor cooling load is not high, the chiller is used to match the soil heat exchanger; when the indoor cooling load is large, the chiller is used to match the soil heat exchanger and the cooling tower to release heat; The cooling of the heat pump unit is used for peak regulation; compared with the single buried pipe system, the length of the buried pipe is reduced, thereby reducing the investment cost, and it can maintain the approximate balance between the heat absorbed by the soil heat exchanger in winter and the heat released in summer. Under heating conditions, the heat pump unit is used to match the soil heat exchanger to ensure the energy-efficient operation of the unit and the system.
Description
技术领域technical field
本实用新型属于空气调节领域,特别涉及对夏热冬暖地区室内安装冷暖空调的系统。The utility model belongs to the field of air conditioning, in particular to a system for installing cooling and heating air conditioners indoors in hot summer and warm winter regions.
背景技术Background technique
夏热冬暖地区,夏季气温高、时间长,冷负荷远大于热负荷,如按冷负荷配置土壤换热器,冬季会造成约50%的地埋管不需换热而闲置,投入与使用不匹配。而且若完全依靠土壤源换热器释放热量,必然加大土壤换热器的配置,不但使土壤换热器的初投资较高,还导致土壤换热器夏季排向土壤的热量,远大于冬季从土壤中吸取的热量,使冬季吸热量和夏季释热量产生不平衡,系统长期运行,可能会改变埋管周围的土壤温度场,导致换热能力减弱,影响系统能效比和运行特性。In hot-summer and warm-winter regions, the temperature in summer is high and the time is long, and the cooling load is much greater than the heating load. If the soil heat exchanger is configured according to the cooling load, about 50% of the buried pipes will be idle in winter without heat exchange. Mismatch. Moreover, if the heat is released completely by the soil source heat exchanger, the configuration of the soil heat exchanger will inevitably be increased, which will not only make the initial investment of the soil heat exchanger higher, but also cause the heat emitted by the soil heat exchanger to the soil in summer to be much greater than that in winter The heat absorbed from the soil will cause an imbalance between the heat absorbed in winter and the released heat in summer. The long-term operation of the system may change the soil temperature field around the buried pipe, resulting in weakened heat transfer capacity and affecting the energy efficiency ratio and operating characteristics of the system.
此外,如按冷负荷配置热泵设备,对于以制冷工况为主的热泵设备来说,其制冷能效比明显低于冷水机组。In addition, if the heat pump equipment is configured according to the cooling load, the cooling energy efficiency ratio of the heat pump equipment mainly used for cooling is significantly lower than that of the chiller.
因此,在以供冷为主要需求的南方建筑,采用土壤换热器与冷却塔耦合的冷水机组和热泵机组复合型冷暖空调系统,可以保持土壤换热器冬季吸热量和夏季释热量大致平衡,提高制冷和采暖能效比,减小土壤换热器的埋管长度,降低工程造价。Therefore, in southern buildings where cooling is the main demand, the combination of water chillers and heat pump units coupled with soil heat exchangers and cooling towers can be used to maintain a rough balance between the heat absorbed by the soil heat exchanger in winter and the heat released in summer. , improve the energy efficiency ratio of cooling and heating, reduce the buried pipe length of the soil heat exchanger, and reduce the project cost.
实用新型内容Utility model content
本实用新型的目的是提供一种土壤源复合型冷暖空调系统,用以提供一种可以通过冷却塔和土壤换热器耦合释出热量的空调系统,以满足制冷需求。The purpose of this utility model is to provide a soil-source composite cooling and heating air-conditioning system, which is used to provide an air-conditioning system that can release heat through the coupling of a cooling tower and a soil heat exchanger to meet the cooling demand.
一种土壤源复合型冷暖空调系统,该系统包括有空调末端设备、热泵机组、冷水机组以及土壤换热器,其特征在于,该空调系统还包括有:A soil-source composite cooling and heating air-conditioning system, the system includes an air-conditioning terminal equipment, a heat pump unit, a water chiller and a soil heat exchanger, and is characterized in that the air-conditioning system also includes:
冷却塔,它是与上述的土壤换热器相并联,共同释放系统热量的设备。The cooling tower is a device that is connected in parallel with the above-mentioned soil heat exchanger and jointly releases the heat of the system.
进一步,所述的一种复合型冷暖空调系统,还具有如下技术特征:Further, the described composite cooling and heating air-conditioning system also has the following technical features:
该空调系统典型适用于夏热冬暖的区域。This air conditioning system is typically suitable for areas with hot summer and warm winter.
该空调系统在制冷工况下,当室内所需冷负荷不高时,启用冷水机组匹配土壤换热器;当室内冷负荷较大时,启用冷水机组同时匹配土壤换热器与冷却塔释热;热泵机组制冷作为调峰使用。Under cooling conditions, when the cooling load required in the room is not high, the chiller is used to match the soil heat exchanger; when the indoor cooling load is large, the chiller is used to match the soil heat exchanger and the cooling tower to release heat ; The heat pump unit is used for peak regulation.
所述的土壤换热器既可为热泵机组提供热源,又可为冷水机组释放热量。The soil heat exchanger can not only provide the heat source for the heat pump unit, but also release heat for the chiller unit.
所述的土壤换热器与冷却塔在制冷工况下并联连接;供暖工况下,关闭冷却塔和冷水机组,土壤换热器为系统吸热。The soil heat exchanger and the cooling tower are connected in parallel under the cooling condition; under the heating condition, the cooling tower and the water chiller are closed, and the soil heat exchanger absorbs heat for the system.
本实用新型的优点在于:The utility model has the advantages of:
夏季供冷工况,当室内所需冷负荷不高时,启用冷水机组匹配土壤换热器;当室内所需冷负荷较大时,启用冷水机组同时匹配土壤换热器与冷却塔释热;热泵机组制冷作为调峰使用。与单一的地埋管系统相比,减少了地下埋管深度,从而减少了投资成本,可保持土壤换热器冬季吸热量和夏季释热量大致平衡。在采暖工况下,采用热泵机组匹配土壤换热器,保证机组和系统高能效运行。针对夏热冬暖地区冷负荷远大于热负荷的情况,合理设计冷水机组、热泵机组、土壤换热器和冷却塔的优化匹配系统,充分发挥热泵机组制热、冷水机组制冷的优势。In summer cooling conditions, when the indoor cooling load is not high, the chiller is used to match the soil heat exchanger; when the indoor cooling load is large, the chiller is used to match the soil heat exchanger and the cooling tower to release heat; The heat pump unit is used for peak load regulation. Compared with a single buried pipe system, the depth of the buried pipe is reduced, thereby reducing the investment cost, and it can keep the heat absorbed by the soil heat exchanger in winter and the heat released in summer in an approximate balance. Under heating conditions, the heat pump unit is used to match the soil heat exchanger to ensure the energy-efficient operation of the unit and the system. In view of the fact that the cooling load is much greater than the heating load in hot summer and warm winter regions, rationally design the optimal matching system of chillers, heat pump units, soil heat exchangers and cooling towers, and give full play to the advantages of heat pump units for heating and chillers for cooling.
附图说明Description of drawings
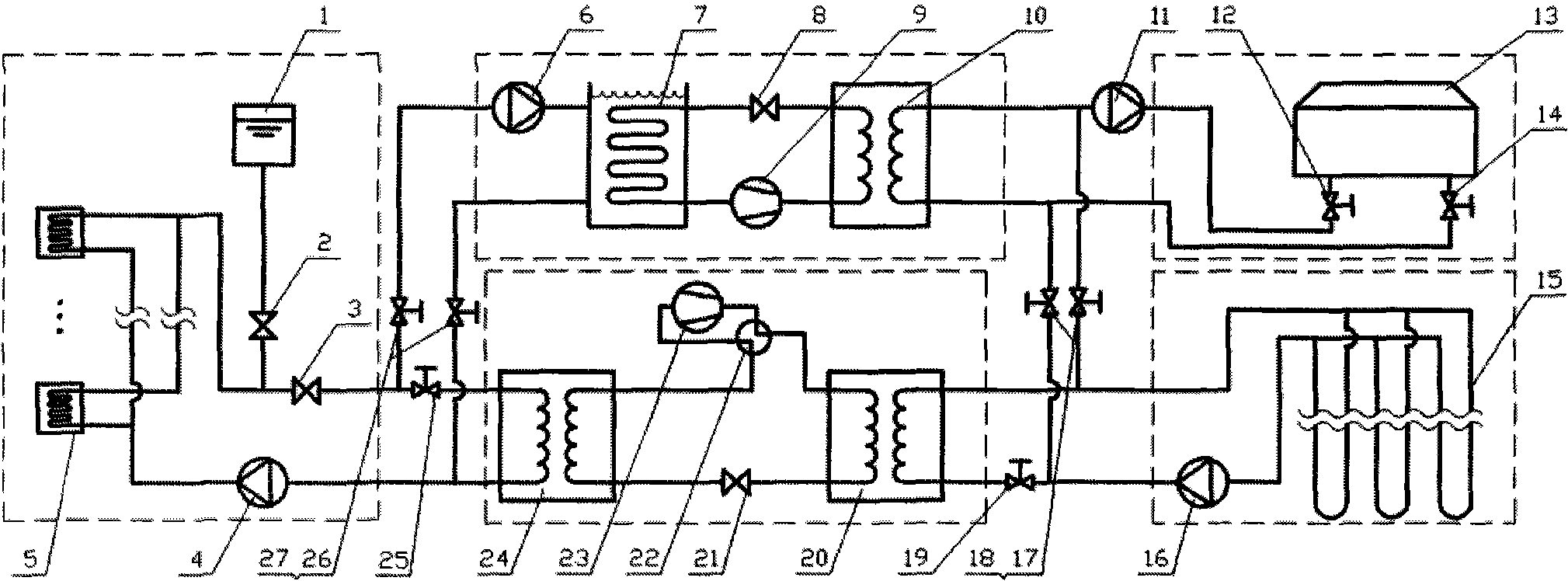
图1是本实用新型所述的一种土壤源复合型冷暖空调系统中冷泵机组的工作原理结构图。Fig. 1 is a structural diagram of the working principle of the cold pump unit in a soil-source composite cooling and heating air-conditioning system described in the utility model.
图2是本实用新型所述的一种土壤源复合型冷暖空调系统中热泵机组的工作原理结构图。Fig. 2 is a structural diagram of the working principle of the heat pump unit in a soil-source composite cooling and heating air-conditioning system described in the utility model.
图3是本实用新型所述的一种土壤源复合型冷暖空调系统的原理结构图。Fig. 3 is a schematic structural diagram of a soil-source composite cooling and heating air-conditioning system described in the utility model.
具体实施方式Detailed ways
下面参照着附图,结合着具体实施例,对本实用新型做更详细的介绍:Below with reference to accompanying drawing, in conjunction with specific embodiment, the utility model is described in more detail:
图1的说明:Description of Figure 1:
参图1所示,为本实用新型所述的复合型冷暖空调系统中冷泵机组的原理结构图。该冷水机组设备,由制冷剂管把下列部件连接而成,即制冷压缩机9的排气口与水冷冷凝器10的一端相连,水冷冷凝器10的另一端与节流阀8的一端相连,节流阀8的另一端与蒸发器及冷冻水箱7相连,循环泵6与冷冻水箱相连,蒸发器的另一端与压缩机9的吸气口相连。冷水机组主要用在供冷工况下。Referring to FIG. 1 , it is a schematic structural diagram of the cold pump unit in the composite cooling and heating air-conditioning system described in the present invention. The water chiller equipment is formed by connecting the following components with refrigerant pipes, that is, the exhaust port of the
图2的说明:Description of Figure 2:
参图2所示,为本实用新型所述的复合型冷暖空调系统中热泵机组的原理结构图。该热泵机组设备,由制冷剂管把下列部件连接而成,压缩机23两端与换向阀22相连,换向阀22一端与冷凝器20相连,冷凝器20另一端与节流阀21连接,再与蒸发器24连接,最后与换向阀22相连。在供冷工况下,冷凝器20向室外放热,蒸发器24向室内供冷气;在供暖工况下,冷凝器20作为蒸发器使用,蒸发器24作为冷凝器使用,对室内放热供暖。Referring to FIG. 2 , it is a schematic structural diagram of the heat pump unit in the composite cooling and heating air-conditioning system described in the present invention. The heat pump unit equipment is composed of refrigerant pipes connecting the following components. Both ends of the
具体实施方式:Detailed ways:
实现上述目的的措施是将土壤换热器与冷却塔耦合,与热泵机组复合,并根据季节和环境温度变化控制冷却塔和各循环泵的开停,以达到合理利用机器设备的目的。The measure to achieve the above purpose is to couple the soil heat exchanger with the cooling tower, compound it with the heat pump unit, and control the start and stop of the cooling tower and each circulating pump according to the seasonal and ambient temperature changes, so as to achieve the purpose of rational use of machinery and equipment.
参图3所示,夏季温度较高时供冷负荷较大,空调末端设备5的冷冻水(由冷冻水循环泵4提供),由膨胀水箱1经节流阀2向空调末端5所在管路进行补水。制冷工况下,大致可分为两个循环过程,其中一个过程为:地能循环泵16开启,将土壤源换热器15中温度较低的地能循环水注入冷凝器20,冷凝器20吸收制冷剂的热量放热给地能循环水,制冷剂温度降低,经换向阀22进入到压缩机23,再由换向阀22流入蒸发器24,蒸发器24吸收空调末端5的热量放热给制冷剂,制冷剂再经节流阀21回到冷凝器20,如此往复形成一个密闭的循环,将空调末端设备产生的热量,释放到土壤。另一个制冷循环过程为:冷水机组循环泵6和冷却塔循环泵11开启,冷却塔13中较低温度的水经阀14进入到水冷冷凝器10,升温后经阀12注入到冷却塔13中。由此,压缩机9中的制冷剂流经水冷冷凝器10放热后温度降低,再经蒸发器及冷水箱7吸收流经节流阀3的冷冻出水的热量,冷水机组循环泵6再将冷冻水注入到空调末端设备5中。当室内所需冷负荷不高时,启用冷水机组匹配土壤换热器,热泵机组和冷却塔不工作,关闭冷却塔循环泵11、冷却塔阀门12、14和阀门19、25,其余均开启;当室内所需冷负荷较大时,启用冷水机组同时匹配土壤换热器与冷却塔释热,热泵机组不工作,关闭阀门19、25,其余均开启;热泵机组制冷作为调峰使用,此时各阀门均开启。As shown in Figure 3, when the temperature is high in summer, the cooling load is large, and the chilled water (provided by the chilled water circulation pump 4) of the air-conditioning
冬季以采暖工况为主,换向阀22连通为采暖模式,关闭冷水机组循环泵6、冷却塔阀门12、14和冷却塔循环泵11以及阀门17、18、26、27。冷凝器20作蒸发器用,制冷剂在冷凝器内蒸发吸收土壤源换热器中的循环水的热量,即吸收地下热能。蒸发器24作冷凝器用,空调末端设备5与室内风机盘管连接向室内供暖。In winter, the heating mode is the main mode, the reversing
以上是对本实用新型的描述而非限定,基于本实用新型思想的其它实施方式,均在本实用新型的保护范围之中。The above is a description but not a limitation of the utility model, and other implementations based on the idea of the utility model are within the protection scope of the utility model.
Claims (1)
Priority Applications (1)
| Application Number | Priority Date | Filing Date | Title |
|---|---|---|---|
| CN2009202142270U CN201837000U (en) | 2009-11-26 | 2009-11-26 | Soil source composite heating and cooling air conditioner system |
Applications Claiming Priority (1)
| Application Number | Priority Date | Filing Date | Title |
|---|---|---|---|
| CN2009202142270U CN201837000U (en) | 2009-11-26 | 2009-11-26 | Soil source composite heating and cooling air conditioner system |
Publications (1)
| Publication Number | Publication Date |
|---|---|
| CN201837000U true CN201837000U (en) | 2011-05-18 |
Family
ID=44007109
Family Applications (1)
| Application Number | Title | Priority Date | Filing Date |
|---|---|---|---|
| CN2009202142270U Expired - Fee Related CN201837000U (en) | 2009-11-26 | 2009-11-26 | Soil source composite heating and cooling air conditioner system |
Country Status (1)
| Country | Link |
|---|---|
| CN (1) | CN201837000U (en) |
Cited By (12)
| Publication number | Priority date | Publication date | Assignee | Title |
|---|---|---|---|---|
| CN102269485A (en) * | 2011-07-12 | 2011-12-07 | 天津美意机电设备工程有限公司 | Buried-pipe-type ground-source heat pump set |
| CN102418973A (en) * | 2011-11-30 | 2012-04-18 | 重庆同方国新能源规划研究院有限公司 | Multi-energy collaborative multi-technology coupled heat pump air conditioning system |
| CN102620482A (en) * | 2012-04-10 | 2012-08-01 | 北京工业大学 | Seasonal soil heat recovery system of cooling tower |
| CN102644984A (en) * | 2012-05-18 | 2012-08-22 | 苏州际能环境能源技术有限公司 | Connecting type of cooling tower auxiliary heat extraction in ground-source heat pump system |
| CN103912938A (en) * | 2013-01-08 | 2014-07-09 | 珠海格力电器股份有限公司 | Air conditioning system |
| CN104566598B (en) * | 2015-01-15 | 2017-05-24 | 山东富特能源管理股份有限公司 | Soil source heat pump heating and floor heating combined system |
| CN107272438A (en) * | 2017-08-01 | 2017-10-20 | 华中科技大学 | A kind of intelligent home control system and its control method based on regenerative resource |
| CN107402556A (en) * | 2017-08-01 | 2017-11-28 | 华中科技大学 | A kind of intelligent home control system and its control method based on clean energy resource |
| CN110243008A (en) * | 2019-04-19 | 2019-09-17 | 华清安泰(北京)科技股份有限公司 | The geothermal energy and air energy manifold type heat pump air conditioning system of Temperature Field selfreparing |
| CN113266471A (en) * | 2021-05-27 | 2021-08-17 | 国电环境保护研究院有限公司 | Gas turbine inlet air temperature control system based on ground source heat pump and control method thereof |
| CN113446681A (en) * | 2021-06-07 | 2021-09-28 | 江苏大学 | Ground source heat pump composite system for buildings in cold regions and control method thereof |
| CN113483504A (en) * | 2021-07-06 | 2021-10-08 | 江苏盛世机电工程有限公司 | Soil source heat pump and cooling tower combined system and optimization control method of combined system |
-
2009
- 2009-11-26 CN CN2009202142270U patent/CN201837000U/en not_active Expired - Fee Related
Cited By (15)
| Publication number | Priority date | Publication date | Assignee | Title |
|---|---|---|---|---|
| CN102269485A (en) * | 2011-07-12 | 2011-12-07 | 天津美意机电设备工程有限公司 | Buried-pipe-type ground-source heat pump set |
| CN102418973A (en) * | 2011-11-30 | 2012-04-18 | 重庆同方国新能源规划研究院有限公司 | Multi-energy collaborative multi-technology coupled heat pump air conditioning system |
| CN102620482A (en) * | 2012-04-10 | 2012-08-01 | 北京工业大学 | Seasonal soil heat recovery system of cooling tower |
| CN102644984A (en) * | 2012-05-18 | 2012-08-22 | 苏州际能环境能源技术有限公司 | Connecting type of cooling tower auxiliary heat extraction in ground-source heat pump system |
| CN103912938A (en) * | 2013-01-08 | 2014-07-09 | 珠海格力电器股份有限公司 | Air conditioning system |
| CN104566598B (en) * | 2015-01-15 | 2017-05-24 | 山东富特能源管理股份有限公司 | Soil source heat pump heating and floor heating combined system |
| CN107272438A (en) * | 2017-08-01 | 2017-10-20 | 华中科技大学 | A kind of intelligent home control system and its control method based on regenerative resource |
| CN107402556A (en) * | 2017-08-01 | 2017-11-28 | 华中科技大学 | A kind of intelligent home control system and its control method based on clean energy resource |
| CN107272438B (en) * | 2017-08-01 | 2020-10-16 | 华中科技大学 | A smart home control system based on renewable energy and its control method |
| CN110243008A (en) * | 2019-04-19 | 2019-09-17 | 华清安泰(北京)科技股份有限公司 | The geothermal energy and air energy manifold type heat pump air conditioning system of Temperature Field selfreparing |
| CN113266471A (en) * | 2021-05-27 | 2021-08-17 | 国电环境保护研究院有限公司 | Gas turbine inlet air temperature control system based on ground source heat pump and control method thereof |
| CN113266471B (en) * | 2021-05-27 | 2022-04-08 | 国电环境保护研究院有限公司 | A gas turbine inlet air temperature control system based on ground source heat pump and its control method |
| CN113446681A (en) * | 2021-06-07 | 2021-09-28 | 江苏大学 | Ground source heat pump composite system for buildings in cold regions and control method thereof |
| CN113446681B (en) * | 2021-06-07 | 2022-09-16 | 江苏大学 | A ground source heat pump composite system for buildings in cold regions and its control method |
| CN113483504A (en) * | 2021-07-06 | 2021-10-08 | 江苏盛世机电工程有限公司 | Soil source heat pump and cooling tower combined system and optimization control method of combined system |
Similar Documents
| Publication | Publication Date | Title |
|---|---|---|
| CN201837000U (en) | Soil source composite heating and cooling air conditioner system | |
| CN202041020U (en) | Household air source heat pump-floor radiation multifunctional system | |
| CN201344676Y (en) | Heat pump type air conditioner with bypass supercooling | |
| CN205505262U (en) | Radiation air -conditioning system | |
| CN201652646U (en) | Dynamic ice storage system | |
| CN204063300U (en) | A kind of soil composite type variable refrigerant flow aircondition | |
| CN201503095U (en) | A Ground Source Directly Coupled Heat Pump Multi-connection Unit | |
| CN101021374A (en) | Water heating device of ground source heat pump | |
| CN101270934A (en) | Composite method and device for two-stage compression heat pump air conditioner and refrigerator system | |
| CN101487639B (en) | Air-cooling double-evaporator heat pump unit | |
| CN201177333Y (en) | A perennial refrigeration air-cooled chiller with auxiliary coil | |
| CN101672500A (en) | Novel air source heat pump air conditioner | |
| CN105627624A (en) | Separate heating process of heat pump and hot water heating combined system | |
| CN107255329A (en) | A kind of transition season low power consuming cold supply system based on energy tower | |
| CN203824158U (en) | Multifunctional ground source heat pump unit | |
| CN204063403U (en) | A kind of heat pump water heater system | |
| CN202648031U (en) | Dual-heat-source, air-injection and enthalpy-increasing heat pump air-conditioner | |
| CN202470558U (en) | Front external auxiliary heating anti-frosting device | |
| CN205261968U (en) | Heat pump type solar energy evaporation formula condensation air conditioning unit | |
| CN207162825U (en) | Data center's air-conditioning system | |
| CN203010816U (en) | Cold accumulation type circulating cooling air-conditioning unit | |
| CN109780655A (en) | A closed cooling tower "free cooling" cold storage equipment | |
| CN201014845Y (en) | Ground source heat pump water heater | |
| CN201322469Y (en) | Tri-coupled air-source heat pump air conditioner | |
| CN1854645A (en) | Geothermal heat-pumping system |
Legal Events
| Date | Code | Title | Description |
|---|---|---|---|
| C14 | Grant of patent or utility model | ||
| GR01 | Patent grant | ||
| CF01 | Termination of patent right due to non-payment of annual fee | ||
| CF01 | Termination of patent right due to non-payment of annual fee |
Granted publication date: 20110518 Termination date: 20181126 |
