CN201805254U - 用于电动车蓄电池的太阳能充电装置 - Google Patents
用于电动车蓄电池的太阳能充电装置 Download PDFInfo
- Publication number
- CN201805254U CN201805254U CN2010205455744U CN201020545574U CN201805254U CN 201805254 U CN201805254 U CN 201805254U CN 2010205455744 U CN2010205455744 U CN 2010205455744U CN 201020545574 U CN201020545574 U CN 201020545574U CN 201805254 U CN201805254 U CN 201805254U
- Authority
- CN
- China
- Prior art keywords
- charging device
- storage tank
- photovoltaic controller
- solar panel
- casing
- Prior art date
- Legal status (The legal status is an assumption and is not a legal conclusion. Google has not performed a legal analysis and makes no representation as to the accuracy of the status listed.)
- Expired - Fee Related
Links
- VYPSYNLAJGMNEJ-UHFFFAOYSA-N Silicium dioxide Chemical compound O=[Si]=O VYPSYNLAJGMNEJ-UHFFFAOYSA-N 0.000 claims abstract description 4
- 239000000741 silica gel Substances 0.000 claims abstract description 4
- 229910002027 silica gel Inorganic materials 0.000 claims abstract description 4
- 238000005538 encapsulation Methods 0.000 claims description 3
- 235000003283 Pachira macrocarpa Nutrition 0.000 claims description 2
- 240000001085 Trapa natans Species 0.000 claims description 2
- 235000014364 Trapa natans Nutrition 0.000 claims description 2
- 229910021421 monocrystalline silicon Inorganic materials 0.000 claims description 2
- 229910021420 polycrystalline silicon Inorganic materials 0.000 claims description 2
- 229920005591 polysilicon Polymers 0.000 claims description 2
- 235000009165 saligot Nutrition 0.000 claims description 2
- 230000007613 environmental effect Effects 0.000 description 4
- 230000000087 stabilizing effect Effects 0.000 description 2
- 238000010586 diagram Methods 0.000 description 1
- 238000004134 energy conservation Methods 0.000 description 1
- 238000005516 engineering process Methods 0.000 description 1
- 238000007654 immersion Methods 0.000 description 1
- 238000000034 method Methods 0.000 description 1
- XLYOFNOQVPJJNP-UHFFFAOYSA-N water Substances O XLYOFNOQVPJJNP-UHFFFAOYSA-N 0.000 description 1
Images
Classifications
-
- Y—GENERAL TAGGING OF NEW TECHNOLOGICAL DEVELOPMENTS; GENERAL TAGGING OF CROSS-SECTIONAL TECHNOLOGIES SPANNING OVER SEVERAL SECTIONS OF THE IPC; TECHNICAL SUBJECTS COVERED BY FORMER USPC CROSS-REFERENCE ART COLLECTIONS [XRACs] AND DIGESTS
- Y02—TECHNOLOGIES OR APPLICATIONS FOR MITIGATION OR ADAPTATION AGAINST CLIMATE CHANGE
- Y02E—REDUCTION OF GREENHOUSE GAS [GHG] EMISSIONS, RELATED TO ENERGY GENERATION, TRANSMISSION OR DISTRIBUTION
- Y02E10/00—Energy generation through renewable energy sources
- Y02E10/50—Photovoltaic [PV] energy
-
- Y—GENERAL TAGGING OF NEW TECHNOLOGICAL DEVELOPMENTS; GENERAL TAGGING OF CROSS-SECTIONAL TECHNOLOGIES SPANNING OVER SEVERAL SECTIONS OF THE IPC; TECHNICAL SUBJECTS COVERED BY FORMER USPC CROSS-REFERENCE ART COLLECTIONS [XRACs] AND DIGESTS
- Y02—TECHNOLOGIES OR APPLICATIONS FOR MITIGATION OR ADAPTATION AGAINST CLIMATE CHANGE
- Y02E—REDUCTION OF GREENHOUSE GAS [GHG] EMISSIONS, RELATED TO ENERGY GENERATION, TRANSMISSION OR DISTRIBUTION
- Y02E70/00—Other energy conversion or management systems reducing GHG emissions
- Y02E70/30—Systems combining energy storage with energy generation of non-fossil origin
Landscapes
- Charge And Discharge Circuits For Batteries Or The Like (AREA)
- Photovoltaic Devices (AREA)
Abstract
本实用新型涉及一种用于电动车蓄电池的太阳能充电装置,包括有由箱体框架和太阳能电池板组成的储物箱,光伏控制器及连接导线,其特征在于:安装于储物箱箱体三个侧面的太阳能电池板并联连接后,依次与安装于储物箱盖体上表面的电池板以及盖体内部的光伏控制器串接,所述光伏控制器的正、负极输出端通过连接导线分别与电动车蓄电池的正、负极连接,所述太阳能电池板的电极、连接导线以及光伏控制器连接触点均采用硅胶封装,本实用新型结构简单、成本低廉、环保实用、完全可靠,可广泛应用于电动摩托车、电动自动车等。
Description
技术领域
本实用新型涉及一种太阳能充电装置,尤其是一种用于电动车蓄电池的太阳能充电装置。
背景技术
当前,国家正在大力推广新能源。在这种背景下,各类电动车、混合动力车应运而生,其中尤其以二轮电动车发展最为迅猛,已经逐渐走进千家万户而成为较主要交通工具。然而,由于二轮电动车蓄电池大都采用家用电源充电,其在应用推广过程中存在如下局限性:1、行程短。由于电动车蓄电池容量小,一次充电仅能行驶50~70公里;2、充电不方便。现有的二轮电动车太都配备连接家用电源的充电器,因此,当蓄电池电能耗尽需再充电时,往往因在路上而无法充电;其次,给蓄电池完全充电需要6~10小时,充电时间长。
中国专利局于2008年9月17日还公开了授权公告号为:CN 2011177,名称为:“电动车后箱式太阳能充电装置”的实用新型专利,该专利采取的技术方案为:由箱体框架和太阳能电池板组成的后箱构成发电源,发电源再依次连接到具有稳压、防过充保护功能的控制器,12V蓄电池,充电控制器再连接到电动车蓄电池上,实现对电动车蓄电池的充电。该技术方案能充分利用太阳能对电动车蓄电池实现“边走边充电”,具有环保、节能、使用方便等优点,但其在实际应用过程中,仍存在如下局限性:1、结构复杂,成本高。该充电装置需要5块太阳能电池板,2个控制器和1个附加蓄电池,结构复杂,成本高,同时这些配件也增加电动车的负载;2、缺乏安全保护措施。该充电装置直接将相关控制电路、电子元件安装在后箱内部,一旦淋雨容易引起短路。
发明内容
为克服现有技术的局限性,本实用新型的目的是提供一种结构简单、成本低廉、环保实用的用于电动车蓄电池的太阳能充电装置。
本实用新型的另一目的是提供一种具有防水功能的用于电动车蓄电池的太阳能充电装置。
本实用新型的上述目的是通过如下技术方案实现的:即本实用新型包括有由箱体框架和太阳能电池板组成的储物箱,光伏控制器及连接导线,其特征在于:所述太阳能电池板分别安装在储物箱盖体上表面和箱体三个侧面,所述安装于箱体三个侧面的电池板并联连接后,其正极与安装于盖体上表面的电池板的负极连接,再经由该电池板的正极连接到光伏控制器的正极输入端,其负极连接到光伏控制器的负极输入端,所述光伏控制器的正、负极输出端通过连接导线分别与电动车蓄电池的正、负极连接,所述太阳能电池板的电极、连接导线以及光伏控制器连接触点均采用硅胶封装。
采用上述结构与现有技术相比,其具有如下优点:
1、结构简单,成本低廉。本实用新型实现对蓄电池的充电仅需4块太阳能电池板及1个光伏控制器,与现有技术需要5块太阳能电池板,2个控制器和1个附加蓄电池相比,所需元件大大减少,所需成本大大降低;
2、具备防水功能,更加安全可靠。本实用新型对电池板电极,光伏控制器及连接导线均进行密封封装,因此,在雨天,甚至在不慎发生电动车浸水的情况下,也不会因为电极,导线或者电子元件湿水引起短路或者损坏,更加安全可靠;此外,本实用新型采用的光伏控制器具有防过充、防雷、低压保护功能,使本实用新型具备更高的安全性和可靠性;
3、环保实用。本实用新型利用太阳能电池板将光能转变为电能,并实现“边走边充电”,即使在夜间,只要有路灯或照明灯,便能对电动车蓄电池进行充电,避免因蓄电池电能耗尽而无法继续行驶,也避免为蓄电池充电而长时间等待,环保实用。
附图说明
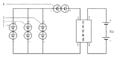
图1是本实用新型一实施方式的结构示意图。
图2是本实用新型的电原理图。
具体实施方式
下面结合附图和实施方式对本实用新型作进一步说明。
如图1所示的用于电动车蓄电池的太阳能充电装置,包括有由箱体框架结构和太阳能电池板构成的储物箱,光伏控制器以及连接导线10,所述储物箱安装于电动车后座的延伸架9上,所述太阳能电池板采用PET层压板作为底板,表面采用由单晶硅、多晶硅相结合的多菱采光板体,其中安装于储物箱箱体左侧面、右侧面以及后侧面的电池板1、2、3规格为24V、7.5W,安装于储物箱盖体上表面的电池板4规格为36V、12W,光伏控制器采用HC24-10(D)集成控制器,其安装于储物箱盖体内部。其中太阳能电池板的电极、连接导线10以及光伏控制器连接触点均采用硅胶封装。
当然,储物箱也可根据需要安装在电动车前挂篮位置上,此时,为确保光能利用率,太阳能电池板相应安装在储物箱盖体上表面和箱体左侧面、右侧面及前侧面。
如图2所示,太阳能电池板1、2、3并联连接后,其正极与电池板4的负极串接,再经由电池板4的正极连接到光伏控制器的正极输入端5,其负极串接到光伏控制器的负极输入端6,光伏控制的正极7、负极8分别与电动车蓄电池Vcc的正、负极连接。这样,电池板1、2、3并联连接后,再与电池板4串联,便形成60V的输出电压,经光伏控制器稳压、整流后,便能对36V或者48V的蓄电池Vcc进行充电。
Claims (9)
1.一种用于电动车蓄电池的太阳能充电装置,包括有由箱体框架和太阳能电池板组成的储物箱,光伏控制器及连接导线,其特征在于:所述太阳能电池板分别安装在储物箱盖体上表面和箱体三个侧面,所述安装于箱体三个侧面的电池板并联连接后,其正极与安装于盖体上表面的电池板的负极连接,再经由该电池板的正极连接到光伏控制器的正极输入端,其负极连接到光伏控制器的负极输入端,所述光伏控制器的正、负极输出端通过连接导线分别与电动车蓄电池的正、负极连接,所述太阳能电池板的电极、连接导线以及光伏控制器连接触点均采用硅胶封装。
2.根据权利要求1所述的充电装置,其特征在于所述储物箱安装在电动车后座延伸架上。
3.根据权利要求2所述的充电装置,其特征在于所述太阳能电池板安装在储物箱盖体上表面和箱体左侧面、右侧面和后侧面。
4.根据权利要求1所述的充电装置,其特征在于所述储物箱安装在电动车前挂篮位置上。
5.根据权利要求4所述的充电装置,其特征在于所述太阳能电池板安装在储物箱盖体上表面和箱体左侧面、右侧面和前侧面。
6.根据权利要求1~5之一所述的充电装置,其特征在于所述安装在储物箱盖体上表面和箱体三个侧面的太阳能电池板均采用PET层压板作为底板,表面采用由单晶硅、多晶硅相结合的多菱采光板体。
7.根据权利要求6所述的充电装置,其特征在于所述安装于储物箱箱体三个侧面的太阳能电池板规格为24V、7.5W,安装于储物箱盖体上表面的太阳能电池板规格为36V、12W。
8.根据权利要求1所述的充电装置,其特征在于所述光伏控制器采用HC24-10(D)集成控制器。
9.根据权利要求8所述的充电装置,其特征在于所述光伏控制器安装在储物箱盖体内部。
Priority Applications (1)
| Application Number | Priority Date | Filing Date | Title |
|---|---|---|---|
| CN2010205455744U CN201805254U (zh) | 2010-09-28 | 2010-09-28 | 用于电动车蓄电池的太阳能充电装置 |
Applications Claiming Priority (1)
| Application Number | Priority Date | Filing Date | Title |
|---|---|---|---|
| CN2010205455744U CN201805254U (zh) | 2010-09-28 | 2010-09-28 | 用于电动车蓄电池的太阳能充电装置 |
Publications (1)
| Publication Number | Publication Date |
|---|---|
| CN201805254U true CN201805254U (zh) | 2011-04-20 |
Family
ID=43874755
Family Applications (1)
| Application Number | Title | Priority Date | Filing Date |
|---|---|---|---|
| CN2010205455744U Expired - Fee Related CN201805254U (zh) | 2010-09-28 | 2010-09-28 | 用于电动车蓄电池的太阳能充电装置 |
Country Status (1)
| Country | Link |
|---|---|
| CN (1) | CN201805254U (zh) |
Cited By (1)
| Publication number | Priority date | Publication date | Assignee | Title |
|---|---|---|---|---|
| CN102420441A (zh) * | 2010-09-28 | 2012-04-18 | 吴镇煜 | 用于电动车蓄电池的太阳能充电装置 |
-
2010
- 2010-09-28 CN CN2010205455744U patent/CN201805254U/zh not_active Expired - Fee Related
Cited By (1)
| Publication number | Priority date | Publication date | Assignee | Title |
|---|---|---|---|---|
| CN102420441A (zh) * | 2010-09-28 | 2012-04-18 | 吴镇煜 | 用于电动车蓄电池的太阳能充电装置 |
Similar Documents
| Publication | Publication Date | Title |
|---|---|---|
| CN201511838U (zh) | 一种太阳能电动车 | |
| CN205864046U (zh) | 车用太阳能充电系统及太阳能汽车 | |
| CN201703265U (zh) | 电动车用太阳能电驱动系统 | |
| CN202225968U (zh) | 一种远行程太阳能电动自行车 | |
| CN201313514Y (zh) | 一种纯电动公交车的车身电源系统 | |
| CN101670777A (zh) | 太阳能混合动力汽车 | |
| CN102420441A (zh) | 用于电动车蓄电池的太阳能充电装置 | |
| CN103812143A (zh) | 一种新型太阳能供电的电动车充电系统 | |
| CN201805254U (zh) | 用于电动车蓄电池的太阳能充电装置 | |
| CN203056673U (zh) | 自行车车载便携式智能储能装置 | |
| CN204334012U (zh) | 一种太阳能公交站牌 | |
| CN201338527Y (zh) | 太阳能混合动力汽车 | |
| CN102485527A (zh) | 外挂太阳能控制的电动车智能电池装置 | |
| CN201890162U (zh) | 外挂太阳能控制的电动车智能电池装置 | |
| CN213990261U (zh) | 一种电动车用光伏增程器 | |
| CN203246336U (zh) | 太阳能三轮车 | |
| CN201626315U (zh) | 汽车太阳能自动充电装置 | |
| CN203056989U (zh) | 太阳能车载逆变器 | |
| CN202827176U (zh) | 轻型太阳能电动三轮车 | |
| CN202835139U (zh) | 一种超级电容载能的太阳能自行车灯 | |
| CN201656853U (zh) | 一种太阳能供电的电动交通工具充电装置 | |
| CN203180590U (zh) | 一种太阳能光伏组件对电动车新型简易充电装置 | |
| CN2396511Y (zh) | 多用途太阳能供电装置 | |
| CN202011332U (zh) | 纯电动机动车 | |
| CN219467923U (zh) | 一种太阳能电动车补电装置 |
Legal Events
| Date | Code | Title | Description |
|---|---|---|---|
| C14 | Grant of patent or utility model | ||
| GR01 | Patent grant | ||
| C17 | Cessation of patent right | ||
| CF01 | Termination of patent right due to non-payment of annual fee |
Granted publication date: 20110420 Termination date: 20110928 |