CN201779247U - Gearbox off-line cleaning system - Google Patents
Gearbox off-line cleaning system Download PDFInfo
- Publication number
- CN201779247U CN201779247U CN2010205217055U CN201020521705U CN201779247U CN 201779247 U CN201779247 U CN 201779247U CN 2010205217055 U CN2010205217055 U CN 2010205217055U CN 201020521705 U CN201020521705 U CN 201020521705U CN 201779247 U CN201779247 U CN 201779247U
- Authority
- CN
- China
- Prior art keywords
- filter
- rotary valve
- gearbox
- way rotary
- flushing
- Prior art date
- Legal status (The legal status is an assumption and is not a legal conclusion. Google has not performed a legal analysis and makes no representation as to the accuracy of the status listed.)
- Expired - Fee Related
Links
Images
Classifications
-
- Y—GENERAL TAGGING OF NEW TECHNOLOGICAL DEVELOPMENTS; GENERAL TAGGING OF CROSS-SECTIONAL TECHNOLOGIES SPANNING OVER SEVERAL SECTIONS OF THE IPC; TECHNICAL SUBJECTS COVERED BY FORMER USPC CROSS-REFERENCE ART COLLECTIONS [XRACs] AND DIGESTS
- Y02—TECHNOLOGIES OR APPLICATIONS FOR MITIGATION OR ADAPTATION AGAINST CLIMATE CHANGE
- Y02E—REDUCTION OF GREENHOUSE GAS [GHG] EMISSIONS, RELATED TO ENERGY GENERATION, TRANSMISSION OR DISTRIBUTION
- Y02E10/00—Energy generation through renewable energy sources
- Y02E10/70—Wind energy
- Y02E10/72—Wind turbines with rotation axis in wind direction
Landscapes
- General Details Of Gearings (AREA)
Abstract
齿轮箱离线清洁系统,由油箱单元、冲洗单元和电控单元组成,冲洗单元包括第一三通转阀、主泵、第二三通转阀,第一三通转阀、主泵、第二三通转阀串联形成一回路,同时在第一三通转阀、第二三通转阀之间连接工作回路,工作回路连接到齿轮箱;在主泵的串联回路上设置有磁过滤器、主过滤器、流量计,磁过滤器位于主泵的上游管路,主过滤器位于主泵的下游管路,并且在主过滤器的两端与清洁度检测仪并联连接。本实用新型可以实现齿轮箱冲洗液的储存、加热及循环过滤、齿轮箱冲洗液加注、冲洗流量选择及齿轮箱冲洗、在线清洁度检测、高效抽油的功效。
The gearbox off-line cleaning system consists of a fuel tank unit, a flushing unit and an electric control unit. The flushing unit includes the first three-way rotary valve, the main pump, the second three-way rotary valve, the first three-way rotary valve, the main pump, the second The three-way rotary valves are connected in series to form a circuit, and at the same time, the working circuit is connected between the first three-way rotary valve and the second three-way rotary valve, and the working circuit is connected to the gear box; the series circuit of the main pump is provided with a magnetic filter, The main filter, the flowmeter, and the magnetic filter are located in the upstream pipeline of the main pump, and the main filter is located in the downstream pipeline of the main pump, and are connected in parallel with the cleanliness detector at both ends of the main filter. The utility model can realize the storage, heating and circulation filtering of the gear box flushing fluid, filling of the gear box flushing fluid, selection of flushing flow, gear box flushing, online cleanliness detection, and efficient oil pumping.
Description
技术领域technical field
本实用新型涉及一种齿轮箱清洁设备,具体一点的说是齿轮箱离线清洁系统。The utility model relates to a gear box cleaning device, specifically an off-line cleaning system for a gear box.
背景技术Background technique
齿轮箱是在原动机和工作机之间起匹配转速和传递扭矩的作用。因此,齿轮箱的正常工作影响到整个系统的正常运行,风力发电机的主要润滑部分(主要油系统)是增速齿轮箱,据调查数据显示,油系统在使用过程中的故障甚至停机的情况里有80%和油的污染有关。油被污染后会引起增速齿轮箱的故障,比如轴承和齿轮的磨损、碾磨以及频繁的设备维修,油品的下降等等,这些问题直接影响了风力发电机的工作效率和使用寿命,并且导致了过高的能耗与后期维修费用的增加箱清洁度是齿轮箱的重要指标。如风力发电行业的标准(关于齿轮润滑油清洁度):ANSI/AGMA/AWEA 6006-A03,这是由美国标准委员会、齿轮箱制造协会和风能协会联合制定的标准,目前为众多风机制造商和业主所参考和采用。其中规定齿轮箱出厂时的清洁度等级需要达到ISO**/14/11,运行时需要达到ISO 17/15/12的标准。目前国内齿轮箱制造企业在引进国外先进技术的同时,重视产品加工装配过程的清洁度,急需市场提供高效快速的齿轮箱内部清洁度设备。The gearbox is used to match the speed and transmit torque between the prime mover and the working machine. Therefore, the normal operation of the gearbox affects the normal operation of the entire system. The main lubrication part (main oil system) of the wind turbine is the speed-increasing gearbox. According to the survey data, the oil system fails or even shuts down during use. 80% of them are related to oil pollution. Contaminated oil will cause failures of the speed-up gearbox, such as bearing and gear wear, grinding, frequent equipment maintenance, oil decline, etc. These problems directly affect the working efficiency and service life of the wind turbine. And it leads to excessive energy consumption and an increase in later maintenance costs. The cleanliness of the gearbox is an important indicator of the gearbox. For example, the standard of the wind power industry (about the cleanliness of gear lubricating oil): ANSI/AGMA/AWEA 6006-A03, which is jointly formulated by the American Standards Committee, the Gearbox Manufacturers Association and the Wind Energy Association, and is currently used by many wind turbine manufacturers and Referenced and adopted by the owner. It stipulates that the cleanliness level of the gearbox when it leaves the factory needs to meet the ISO**/14/11 standard, and it needs to meet the ISO 17/15/12 standard during operation. At present, domestic gearbox manufacturers pay attention to the cleanliness of the product processing and assembly process while introducing foreign advanced technology, and urgently need the market to provide efficient and fast gearbox internal cleanliness equipment.
引起齿轮箱清洁度差的各种可能因素:Various possible causes of poor gearbox cleanliness:
(1)齿轮箱所使用的润滑油的清洁度差。这是引起清洁度差的直接原因。造成的主要后果:当齿轮箱开始运转,润滑油便进入润滑管路分配到各个润滑点(一般是齿轮啮合区和轴承区),其中的杂质也随着到达啮合区和轴承内,从而影响到它们的使用寿命。(1) The cleanliness of the lubricating oil used in the gearbox is poor. This is the direct cause of poor cleanliness. The main consequences: when the gearbox starts to run, the lubricating oil enters the lubrication pipeline and is distributed to each lubrication point (usually the gear meshing area and the bearing area), and the impurities in it also reach the meshing area and the bearing, thereby affecting the their useful life.
(2)零件机加工时产生的铁屑未清理干净。一方面是下一道工序的工人加工时由于粗心未对零件的铁屑进行清理,造成在零件表面产生凹坑或划伤等缺陷;另一方面是存在于某些位置的铁屑不易清理,如油孔内的铁屑(见图1)这些铁屑在齿轮箱工作后便会通过润滑油而被带入工作区域,进而对零件造成损伤。(2) The iron filings generated during the machining of parts have not been cleaned up. On the one hand, the workers in the next process did not clean up the iron filings of the parts due to carelessness, resulting in defects such as pits or scratches on the surface of the parts; on the other hand, the iron filings existing in certain positions are not easy to clean, such as Iron filings in the oil hole (see Figure 1) These iron filings will be brought into the working area through the lubricating oil after the gearbox works, causing damage to the parts.
(3)酸洗后的油路又进行焊接等加工。油路酸洗后不允许再进行焊接,否则焊接产生的杂质会进入管路,并随着润滑油的循环进入齿轮箱。(3) The oil circuit after pickling is processed by welding and the like. Welding is not allowed after the oil circuit is pickled, otherwise the impurities generated by welding will enter the pipeline and enter the gearbox with the circulation of lubricating oil.
(4)装配好的成品上进行某些零件的后处理加工。(4) Post-processing of certain parts is carried out on the assembled finished product.
(5)零件清洗后不注意保存,随意摆放。如灰尘等杂质进入零件的重要表面,影响配合尺寸。(5) After the parts are cleaned, do not pay attention to preservation and place them randomly. Impurities such as dust enter the important surface of the part and affect the fit size.
(6)涂漆不能承受高温。当齿轮箱在高温条件下运行时,箱体内壁涂漆不能承受高温,油漆脱皮落人润滑油中;箱体外壁的掉漆影响外观。(6) Paint cannot withstand high temperature. When the gearbox is running under high temperature conditions, the paint on the inner wall of the gearbox cannot withstand the high temperature, and the paint peels off and falls into the lubricating oil; the peeling paint on the outer wall of the gearbox affects the appearance.
(7)密封胶落人箱体。当齿轮分箱面或其他接合面涂抹密封胶过多时,合箱或合盖后,密封胶就会挤入箱体,进入润滑油中。(7) The sealant falls into the box. When too much sealant is applied to the gear box surface or other joint surfaces, the sealant will squeeze into the box and enter the lubricating oil after the box or cover is closed.
清洁度对齿轮箱的影响及后果Effects and consequences of cleanliness on gearboxes
(1)对润滑及管路附件的影响。为了增加润滑的喷油压力,齿轮箱中的油孔直径一般都比较小,经过循环后,润滑油很容易将停留在图7所示的油孔位置中的铁屑带出,并加上油中的杂质,逐渐便将小油孔堵塞,导致润滑油不足或不能润滑。(1) The impact on lubrication and pipeline accessories. In order to increase the oil injection pressure for lubrication, the diameter of the oil hole in the gearbox is generally relatively small. After circulation, the lubricating oil can easily take out the iron filings staying in the oil hole position shown in Figure 7, and add oil The impurities in the oil will gradually block the small oil hole, resulting in insufficient lubricating oil or failure to lubricate.
(2)对齿轮及啮合的影响。在齿轮啮合的过程中,润滑油将杂质带人啮合齿面,破坏齿面的光洁度,降低齿面机械性能,影响传动平稳性,使齿面容易发生点蚀、胶合、磨损等失效,缩短其使用寿命。(2) The influence on gears and meshing. In the process of gear meshing, the lubricating oil will bring impurities to the meshing tooth surface, destroy the smoothness of the tooth surface, reduce the mechanical properties of the tooth surface, affect the stability of the transmission, make the tooth surface prone to pitting, gluing, wear and other failures, shorten its service life.
(3)对轴承的影响。轴承在正常的润滑条件下,零件表面之间会形成油膜,不会直接接触,可以减少轴承内部的摩擦及磨损,提高轴承性能,延长使用寿命。当油中含有杂质时,杂质进入轴承滚动体与内外圈之间,增大摩擦,使滚动体转动不良,尤其是在高速重载下,会使内外圈及滚动体形成凹坑,造成其点蚀或其他失效形式,影响使用寿命。(3) The impact on the bearing. Under normal lubrication conditions, the bearing will form an oil film between the surfaces of the parts without direct contact, which can reduce the friction and wear inside the bearing, improve the performance of the bearing and prolong the service life. When the oil contains impurities, the impurities enter between the rolling elements of the bearing and the inner and outer rings, increasing the friction and causing the rolling elements to rotate poorly, especially under high-speed and heavy loads, which will cause the inner and outer rings and rolling elements to form pits, causing their spots Corrosion or other failure modes will affect the service life.
目前国内齿轮箱清洁的方法及现状Current domestic gearbox cleaning methods and status quo
(1)对零件清洗及清洗后的工序进行严密的控制。制定合理的清洗工序,不同产品的清洗工序要根据实际生产进行摸索;清洗后零件摆放的周围环境应保持干净,并使用正确的方法进行保存。(1) Strictly control the cleaning of parts and the process after cleaning. Formulate a reasonable cleaning process, and the cleaning process of different products should be explored according to the actual production; the surrounding environment where the parts are placed after cleaning should be kept clean, and the correct method should be used for storage.
(2)在装配过程各阶段使用专业的清洗装置,用设备保证清洁度。如对装配零件用超声波清洗机清洗,总装完毕使用清洗系统清洗。(2) Use professional cleaning devices at each stage of the assembly process to ensure cleanliness with equipment. For example, the assembly parts are cleaned with an ultrasonic cleaning machine, and the cleaning system is used for cleaning after the final assembly.
第一条是一种制度,靠工人的责任心保证,不能可靠保证。第二条靠设备保障清洁度,是保障齿轮箱清洁度最可靠的方法。目前由于市场无专业的齿轮箱冲洗系统,多数厂家主要靠总装完毕使用下列两种方法清洗齿轮箱:The first is a system that is guaranteed by the workers' sense of responsibility and cannot be reliably guaranteed. The second is to rely on equipment to ensure the cleanliness, which is the most reliable method to ensure the cleanliness of the gearbox. At present, because there is no professional gearbox washing system in the market, most manufacturers mainly use the following two methods to clean the gearbox after the final assembly:
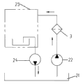
1)利用风力发电机齿轮箱自带的过滤系统在线冲洗。原理如图5所示:1) Use the filter system that comes with the wind turbine gearbox to flush online. The principle is shown in Figure 5:
目前部分风力发电机齿轮箱自带在线润滑系统,循环泵11与齿轮箱13之间附带了一套过滤器12。配套储油油箱,加注及抽油设备,利用该套系统更换高精度过滤器可对齿轮箱实现冲洗。但由于自带在线润滑系统的功能、流量以及过滤器数量、规格限制,这种在线冲洗方法效率低,严重时齿轮箱内残留的大颗粒污染物(如铁削)会损坏在线润滑系统的油泵,不能满足齿轮箱的批量生产。At present, some wind turbine gearboxes have their own online lubrication system, and a set of
2)利用稀油站离线冲洗。原理如图6所示:2) Use the thin oil station to flush off-line. The principle is shown in Figure 6:
加注泵22将稀油站油箱21油液通过过滤器23注入齿轮箱,抽油泵24将齿轮箱25油箱的油液抽回稀油站油箱21,达到对齿轮箱的冲洗。这种冲洗方法有以下缺点:The
由于冲洗循环过程较在线冲洗多了稀油站油箱,若使用同等过滤器及冲洗流量,冲洗效率较在线冲洗效率低3-5倍;原因为稀油站油箱的容积大于齿轮箱自身容积3-5倍,单位时间内油液的循环次数少3-5倍。Since the flushing cycle process has more thin oil station oil tanks than online flushing, if the same filter and flushing flow are used, the flushing efficiency is 3-5 times lower than the online flushing efficiency; the reason is that the volume of the thin oil station oil tank is 3-3 times larger than the gearbox itself. 5 times, the number of oil cycles per unit time is 3-5 times less.
抽油泵与加注泵流量不易匹配,不能维持齿轮箱润滑油的液位。常需要人工干预,工人劳动强度大。It is difficult to match the flow rate of the oil well pump and the filling pump, and cannot maintain the liquid level of the lubricating oil of the gearbox. Manual intervention is often required, and the labor intensity of workers is high.
实用新型内容Utility model content
基于上述问题,本实用新型提供一种专用于齿轮箱冲洗的齿轮箱离线清洁系统。Based on the above problems, the utility model provides a gearbox off-line cleaning system specially used for gearbox flushing.
本实用新型的目的是通过以下技术方案来实现:The purpose of this utility model is to realize through the following technical solutions:
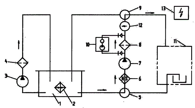
齿轮箱离线清洁系统,由油箱单元、冲洗单元和电控单元组成,Gearbox off-line cleaning system, composed of oil tank unit, flushing unit and electric control unit,
所述的油箱单元包括保温油箱、油箱附件及循环泵、过滤器,所述保温油箱的内部设置有电加热装置,保温油箱和循环泵、过滤器组成一单循环回路。The fuel tank unit includes an insulated oil tank, oil tank accessories, a circulating pump, and a filter. An electric heating device is installed inside the insulated oil tank, and the insulated oil tank, the circulating pump, and the filter form a single circulation loop.
冲洗单元包括第一三通转阀、主泵、第二三通转阀,第一三通转阀、主泵、第二三通转阀串联形成一回路,同时在第一三通转阀、第二三通转阀之间连接工作回路,工作回路连接到齿轮箱;在主泵的串联回路上设置有磁过滤器、主过滤器、流量计,磁过滤器位于主泵的上游管路,主过滤器位于主泵的下游管路,并且在主过滤器的两端与清洁度检测仪并联连接。The flushing unit includes a first three-way rotary valve, a main pump, and a second three-way rotary valve. The first three-way rotary valve, the main pump, and the second three-way rotary valve are connected in series to form a circuit. The second three-way rotary valve is connected to the working circuit, and the working circuit is connected to the gear box; a magnetic filter, a main filter, and a flow meter are arranged on the series circuit of the main pump, and the magnetic filter is located in the upstream pipeline of the main pump. The main filter is located in the downstream pipeline of the main pump, and is connected in parallel with the cleanliness detector at both ends of the main filter.
磁过滤器由多支磁场强度达600高斯的磁棒组成的磁珊构成,可吸附油液中绝大多数的金属颗粒,并保护组泵正常运行。The magnetic filter is composed of multiple magnetic rods with a magnetic field strength of 600 gauss, which can absorb most of the metal particles in the oil and protect the normal operation of the pump.
主泵采用螺杆泵,由变频电机驱动。可根据不同规格的齿轮箱设定冲洗流量,流量50-200L/Min连续可调。The main pump is a screw pump driven by a variable frequency motor. The flushing flow can be set according to the gear boxes of different specifications, and the flow rate is 50-200L/Min continuously adjustable.
主过滤器采用过滤精度分别为10u、6u、3u的三级过滤,β3(c)=200,β6(c)=200,β10(c)=200,10微米、6微米的过滤器纳污能力为:8.3mg/cm2,3微米的过滤器纳污能力为:8mg/cm2,三级过滤提高了过滤效率及纳污能力,从而延长了冲洗系统的有效工作时间,减少滤芯更换次数。The main filter adopts three-stage filtration with filtration accuracy of 10u, 6u and 3u, β 3(c) = 200, β 6(c) = 200, β 10(c) = 200, 10 micron and 6 micron filters Dirt-holding capacity: 8.3mg/cm 2 , 3-micron filter dirt-holding capacity: 8mg/cm 2 , three-stage filtration improves filtration efficiency and dirt-holding capacity, thereby prolonging the effective working time of the flushing system and reducing the number of filter elements number of replacements.
流量计主要用于系统流量的计量。Flowmeters are mainly used to measure system flow.
清洁度检测仪为选配件,该检测仪可在线检测油液清洁度,为冲洗结果提供定量指标数据。The cleanliness detector is an optional accessory, which can detect the cleanliness of the oil online and provide quantitative index data for the flushing results.
电控系统主要采用西门子S7-300系列PLC控制,由1个主PLC带1个ET200pro子站构成。主PLC CPU采用CPU315-2DP,通过Profibus-DP网一方面与ET200pro子站通讯,另一方面与上位机通讯。The electric control system is mainly controlled by Siemens S7-300 series PLC, which is composed of 1 main PLC and 1 ET200pro substation. The main PLC CPU adopts CPU315-2DP, communicates with ET200pro substation on the one hand, and communicates with the upper computer on the other hand through the Profibus-DP network.
电控系统配有西门子触摸屏,实现参数的设定、状态的显示以及操作等功能。The electric control system is equipped with a Siemens touch screen to realize the functions of parameter setting, status display and operation.
循环泵采用西门子440系列变频器控制,通过调速来实现流量的调节。The circulating pump is controlled by a Siemens 440 series frequency converter, and the flow is adjusted through speed regulation.
本实用新型可以实现齿轮箱冲洗液的储存、加热及循环过滤、齿轮箱冲洗液加注、冲洗流量选择及齿轮箱冲洗、在线清洁度检测、高效抽油的功效。The utility model can realize the storage, heating and circulation filtering of the gear box flushing fluid, filling of the gear box flushing fluid, selection of flushing flow, gear box flushing, online cleanliness detection, and efficient oil pumping.
附图说明Description of drawings
下面根据附图和实施例对本实用新型作进一步详细说明。The utility model will be described in further detail below according to the accompanying drawings and embodiments.
图1是齿轮箱离线清洁系统内循环模式的结构图。Figure 1 is a structural diagram of the internal circulation mode of the gearbox offline cleaning system.
图2是齿轮箱离线清洁系统加注模式的结构图。Fig. 2 is a structural diagram of the filling mode of the gearbox offline cleaning system.
图3是齿轮箱离线清洁系统冲洗模式的结构图。Fig. 3 is a structural diagram of the flushing mode of the gearbox off-line cleaning system.
图4是齿轮箱离线清洁系统抽油模式的结构图。Fig. 4 is a structural diagram of the oil pumping mode of the gearbox off-line cleaning system.
图5是利用风力发电机齿轮箱自带的过滤系统在线冲洗原理图。Figure 5 is a schematic diagram of online flushing using the filter system of the wind turbine gearbox.
图6是利用稀油站离线冲洗原理图。Fig. 6 is a schematic diagram of off-line flushing using a thin oil station.
图7是所要清洗的油孔的结构图。Fig. 7 is a structural diagram of an oil hole to be cleaned.
具体实施方式Detailed ways
在本实施例中,如图1-7所示,齿轮箱离线清洁系统,由油箱单元、冲洗单元和电控单元组成,In this embodiment, as shown in Figure 1-7, the gearbox offline cleaning system consists of a fuel tank unit, a flushing unit and an electronic control unit,
所述的油箱单元包括保温油箱1、油箱附件及循环泵3、过滤器4,所述保温油箱1的内部设置有电加热装置2,保温油箱1和循环泵3、过滤器4组成一单循环回路。The fuel tank unit includes an insulated oil tank 1, an oil tank accessory, a
冲洗单元包括第一三通转阀5、主泵7、第二三通转阀9,第一三通转阀5、主泵7、第二三通转阀9串联形成一回路,同时在第一三通转阀5、第二三通转阀9之间连接工作回路,工作回路连接到齿轮箱11;在主泵7的串联回路上设置有磁过滤器6、主过滤器8、流量计12,磁过滤器6位于主泵7的上游管路,主过滤器8位于主泵7的下游管路,并且在主过滤器8的两端与清洁度检测仪10并联连接。The flushing unit includes a first three-way
磁过滤器6由多支磁场强度达600高斯的磁棒组成的磁珊构成,可吸附油液中绝大多数的金属颗粒,并保护组泵正常运行。The
主泵7采用螺杆泵,由变频电机驱动。可根据不同规格的齿轮箱设定冲洗流量,流量50-200L/Min连续可调。The
主过滤器8采用过滤精度分别为10u、6u、3u的三级过滤,β3(c)=200,β6(c)=200,β10(c)=200,10微米、6微米的过滤器纳污能力为:8.3mg/cm2,3微米的过滤器纳污能力为:8mg/cm2,三级过滤提高了过滤效率及纳污能力,从而延长了冲洗系统的有效工作时间,减少滤芯更换次数。The
流量计12主要用于系统流量的计量。The
清洁度检测仪10为选配件,该检测仪可在线检测油液清洁度,为冲洗结果提供定量指标数据。The
电控系统13主要采用西门子S7-300系列PLC控制,由1个主PLC带1个ET 200pro子站构成。主PLC CPU采用CPU315-2DP,通过Profibus-DP网一方面与ET200pro子站通讯,另一方面与上位机通讯。The
电控系统13配有西门子触摸屏,实现参数的设定、状态的显示以及操作等功能。The
循环泵3采用西门子440系列变频器控制,通过调速来实现流量的调节。
本专利的实施环节可以通过选择第一三通转阀5、第二三通转阀9的阀口开闭实现内循环模式、加注模式、冲洗模式和抽油模式,分别如图1-4所示。The implementation of this patent can realize the internal circulation mode, filling mode, flushing mode and oil pumping mode by selecting the opening and closing of the valve ports of the first three-way
本实用新型可以实现齿轮箱冲洗液的储存、加热及循环过滤、齿轮箱冲洗液加注、冲洗流量选择及齿轮箱冲洗、在线清洁度检测、高效抽油的功效。The utility model can realize the storage, heating and circulation filtering of the gear box flushing fluid, filling of the gear box flushing fluid, selection of flushing flow, gear box flushing, online cleanliness detection, and efficient oil pumping.
Claims (7)
Priority Applications (1)
| Application Number | Priority Date | Filing Date | Title |
|---|---|---|---|
| CN2010205217055U CN201779247U (en) | 2010-09-08 | 2010-09-08 | Gearbox off-line cleaning system |
Applications Claiming Priority (1)
| Application Number | Priority Date | Filing Date | Title |
|---|---|---|---|
| CN2010205217055U CN201779247U (en) | 2010-09-08 | 2010-09-08 | Gearbox off-line cleaning system |
Publications (1)
| Publication Number | Publication Date |
|---|---|
| CN201779247U true CN201779247U (en) | 2011-03-30 |
Family
ID=43792458
Family Applications (1)
| Application Number | Title | Priority Date | Filing Date |
|---|---|---|---|
| CN2010205217055U Expired - Fee Related CN201779247U (en) | 2010-09-08 | 2010-09-08 | Gearbox off-line cleaning system |
Country Status (1)
| Country | Link |
|---|---|
| CN (1) | CN201779247U (en) |
Cited By (14)
| Publication number | Priority date | Publication date | Assignee | Title |
|---|---|---|---|---|
| CN102817999A (en) * | 2012-07-18 | 2012-12-12 | 上海叠泉信息科技有限公司 | Oil change system of wind driven generator gearbox and leak-proof security protection method for oil chang |
| CN102921657A (en) * | 2012-10-12 | 2013-02-13 | 云南大红山管道有限公司 | Online main pump flushing device and method for middle booster pump station |
| CN103277656A (en) * | 2013-05-02 | 2013-09-04 | 夏一平 | Full-intelligent on-line oil filtering method and device |
| CN103411119A (en) * | 2013-08-22 | 2013-11-27 | 上海索达传动机械有限公司 | Lubricating oil filling system for gearbox offline test bed |
| CN103791069A (en) * | 2014-03-06 | 2014-05-14 | 济宁职业技术学院 | Automatic back-and-forth oil suction and discharge device for speed reducer |
| CN105057286A (en) * | 2015-07-17 | 2015-11-18 | 上海汽车变速器有限公司 | Oil cleaning and purifying device for running-in cleaning of wet cavity of transmission and oil cleaning and purifying method thereof |
| CN105327912A (en) * | 2015-12-14 | 2016-02-17 | 天津成科传动机电技术股份有限公司 | Transmission-mechanism crude-oil cycling washing device |
| CN106352059A (en) * | 2015-11-02 | 2017-01-25 | 安徽车威仕汽车用品有限公司 | Cleaning and exchanging device for manual gear box |
| CN107559267A (en) * | 2016-06-30 | 2018-01-09 | 天津市汇点机电设备开发有限公司 | A kind of wind-driven generator wheel-box preflush pressure control system application method |
| CN108466603A (en) * | 2018-04-13 | 2018-08-31 | 青岛朗博机械有限公司 | A kind of gear tank cleaning system |
| CN109027204A (en) * | 2018-08-31 | 2018-12-18 | 南京讯联智能科技有限公司 | A kind of monitoring of wind turbine gearbox solid particle, filtering and rinse-system |
| CN110026290A (en) * | 2019-05-05 | 2019-07-19 | 陆永翠 | A kind of ferromagnetic powder filter method of gearbox gear oil |
| CN112879548A (en) * | 2021-03-24 | 2021-06-01 | 重庆望江工业有限公司 | A mounting structure for wind-powered electricity generation gear box magnetism plug screw |
| CN113446391A (en) * | 2021-07-28 | 2021-09-28 | 智新科技股份有限公司 | Speed reducer lubricating oil system and using method thereof |
-
2010
- 2010-09-08 CN CN2010205217055U patent/CN201779247U/en not_active Expired - Fee Related
Cited By (21)
| Publication number | Priority date | Publication date | Assignee | Title |
|---|---|---|---|---|
| CN102817999B (en) * | 2012-07-18 | 2015-03-11 | 上海叠泉信息科技有限公司 | Oil change system of wind driven generator gearbox and leak-proof security protection method for oil chang |
| CN102817999A (en) * | 2012-07-18 | 2012-12-12 | 上海叠泉信息科技有限公司 | Oil change system of wind driven generator gearbox and leak-proof security protection method for oil chang |
| CN102921657A (en) * | 2012-10-12 | 2013-02-13 | 云南大红山管道有限公司 | Online main pump flushing device and method for middle booster pump station |
| CN102921657B (en) * | 2012-10-12 | 2015-04-01 | 云南大红山管道有限公司 | Online main pump flushing device and method for middle booster pump station |
| CN103277656A (en) * | 2013-05-02 | 2013-09-04 | 夏一平 | Full-intelligent on-line oil filtering method and device |
| CN103411119B (en) * | 2013-08-22 | 2016-03-30 | 上海索达传动机械有限公司 | A kind of oil filling system of gearbox offline test stand |
| CN103411119A (en) * | 2013-08-22 | 2013-11-27 | 上海索达传动机械有限公司 | Lubricating oil filling system for gearbox offline test bed |
| CN103791069B (en) * | 2014-03-06 | 2016-03-02 | 济宁职业技术学院 | A kind of automatically round suction discharge equipment for retarder |
| CN103791069A (en) * | 2014-03-06 | 2014-05-14 | 济宁职业技术学院 | Automatic back-and-forth oil suction and discharge device for speed reducer |
| CN105057286B (en) * | 2015-07-17 | 2017-03-22 | 上海汽车变速器有限公司 | Oil cleaning and purifying device for running-in cleaning of wet cavity of transmission and oil cleaning and purifying method thereof |
| CN105057286A (en) * | 2015-07-17 | 2015-11-18 | 上海汽车变速器有限公司 | Oil cleaning and purifying device for running-in cleaning of wet cavity of transmission and oil cleaning and purifying method thereof |
| CN106352059A (en) * | 2015-11-02 | 2017-01-25 | 安徽车威仕汽车用品有限公司 | Cleaning and exchanging device for manual gear box |
| CN106352059B (en) * | 2015-11-02 | 2018-06-26 | 安徽车威仕汽车用品有限公司 | A kind of manual transmission cleans switch |
| CN105327912A (en) * | 2015-12-14 | 2016-02-17 | 天津成科传动机电技术股份有限公司 | Transmission-mechanism crude-oil cycling washing device |
| CN107559267A (en) * | 2016-06-30 | 2018-01-09 | 天津市汇点机电设备开发有限公司 | A kind of wind-driven generator wheel-box preflush pressure control system application method |
| CN108466603A (en) * | 2018-04-13 | 2018-08-31 | 青岛朗博机械有限公司 | A kind of gear tank cleaning system |
| CN108466603B (en) * | 2018-04-13 | 2020-11-24 | 青岛朗博机械有限公司 | Gear box cleaning system |
| CN109027204A (en) * | 2018-08-31 | 2018-12-18 | 南京讯联智能科技有限公司 | A kind of monitoring of wind turbine gearbox solid particle, filtering and rinse-system |
| CN110026290A (en) * | 2019-05-05 | 2019-07-19 | 陆永翠 | A kind of ferromagnetic powder filter method of gearbox gear oil |
| CN112879548A (en) * | 2021-03-24 | 2021-06-01 | 重庆望江工业有限公司 | A mounting structure for wind-powered electricity generation gear box magnetism plug screw |
| CN113446391A (en) * | 2021-07-28 | 2021-09-28 | 智新科技股份有限公司 | Speed reducer lubricating oil system and using method thereof |
Similar Documents
| Publication | Publication Date | Title |
|---|---|---|
| CN201779247U (en) | Gearbox off-line cleaning system | |
| CN202546199U (en) | Device for lubricating bearing | |
| CN203321783U (en) | Waste heat recovery system of lubricating oil type air compressor | |
| CN206299775U (en) | A kind of environmentally friendly high accuracy wind field gear-box oil changing device | |
| CN202971851U (en) | Fan gear box oil change device | |
| CN206398057U (en) | An automatic lubricating device for carton slotting machine | |
| CN210863456U (en) | An online visual monitoring instrument for magnetic abrasive particles in lubricating oil circuit | |
| CN110410488A (en) | Wind turbine gear oil integrated oil change and regeneration treatment system and method | |
| CN201731993U (en) | Hydraulic control system for performance test of CVT valve body | |
| CN209510917U (en) | Bearing bush of supporting roller of rotary kiln centralized lubrication device | |
| CN102287524B (en) | Speed reducer lubrication system | |
| CN202215718U (en) | Speed reducer lubricating system | |
| CN202300806U (en) | Lubricating oil self-circulating type water turbine used for cooling towers | |
| CN109027204A (en) | A kind of monitoring of wind turbine gearbox solid particle, filtering and rinse-system | |
| CN202914699U (en) | External lubricating and cooling device for bar cooling bed reducer | |
| CN209762188U (en) | Metal wear particle sensor mounting structure for wind power gear box | |
| CN218935974U (en) | Forced lubrication system for motor direct-drive fan bearing | |
| CN207034149U (en) | A kind of sealed lubrication system of mechanical transmission mechanism | |
| CN220102021U (en) | Forced cooling system for lubricating oil | |
| CN209672024U (en) | A kind of pivoting support refueling device | |
| CN206617358U (en) | A kind of oil-water refrigerating mechanism | |
| CN118375720B (en) | A wind power gearbox lubrication filtration system and filtration process | |
| CN208107075U (en) | A kind of novel parallel axis speed reducer | |
| CN111550373A (en) | A design method of a device for systematically improving the efficiency of a wind turbine transmission chain | |
| CN223425055U (en) | External oil pump system of unit |
Legal Events
| Date | Code | Title | Description |
|---|---|---|---|
| C14 | Grant of patent or utility model | ||
| GR01 | Patent grant | ||
| CF01 | Termination of patent right due to non-payment of annual fee | ||
| CF01 | Termination of patent right due to non-payment of annual fee |
Granted publication date: 20110330 Termination date: 20190908 |
