CN201726376U - Spark-free safety switch and socket - Google Patents

Spark-free safety switch and socket Download PDF

Info

Publication number
CN201726376U
CN201726376U CN2010201640676U CN201020164067U CN201726376U CN 201726376 U CN201726376 U CN 201726376U CN 2010201640676 U CN2010201640676 U CN 2010201640676U CN 201020164067 U CN201020164067 U CN 201020164067U CN 201726376 U CN201726376 U CN 201726376U
Authority
CN
China
Prior art keywords
switch
circuit
safety switch
load
switching transistor
Prior art date
Legal status (The legal status is an assumption and is not a legal conclusion. Google has not performed a legal analysis and makes no representation as to the accuracy of the status listed.)
Expired - Fee Related
Application number
CN2010201640676U
Other languages
Chinese (zh)
Inventor
李新军
程传银
Current Assignee (The listed assignees may be inaccurate. Google has not performed a legal analysis and makes no representation or warranty as to the accuracy of the list.)
Yu Keyi
Original Assignee
Wuan Xinghuo Investment & Consultation Co Ltd
Priority date (The priority date is an assumption and is not a legal conclusion. Google has not performed a legal analysis and makes no representation as to the accuracy of the date listed.)
Filing date
Publication date
Application filed by Wuan Xinghuo Investment & Consultation Co Ltd filed Critical Wuan Xinghuo Investment & Consultation Co Ltd
Priority to CN2010201640676U priority Critical patent/CN201726376U/en
Application granted granted Critical
Publication of CN201726376U publication Critical patent/CN201726376U/en
Anticipated expiration legal-status Critical
Expired - Fee Related legal-status Critical Current

Links

Images

Landscapes

  • Electronic Switches (AREA)

Abstract

The utility model discloses a spark-free safety switch and a socket containing same. The switch comprises a switch trigger circuit and a switch transistor which are electrically connected with each other, the switch transistor is connected with a power wire in series, the switch trigger circuit is used for outputting a trigger signal to the switch transistor to control the switch transistor to be turned off and on, and the two ends of the power wire are respectively used for being connected with a power source and a load. The safety switch circuit is completely free of contact points, and can not have the phenomenon of arc discharge; is uncharged when a plug is plugged into a socket, leads the load capacitance and the load voltage to be zero, is free of mutation and electric current, and can not generate the sparkle caused by the arc discharge; and can automatically switch off the power source at the zero crossing point of the load current before unplugging the plug, leads the load inductive current to be zero, is free of mutation and inductive voltage, and can not generate the spark caused by the arc discharge.

Description

A kind of no-spark safety switch and socket
Technical field
The utility model relates to a kind of safety switch, specifically, be a kind of when carrying out switching manipulation the safety switch of no-spark, no impingement, the utility model also relates to the socket that comprises this safety switch.
Background technology
Load such as industrial equipment, household electrical appliance all presents certain perception and capacitive, in the connection process of load and power supply, load capacity moment energising when circuit is connected, electric capacity never electricity is short more to the process time that is full of electricity, the inductive kick electric current is strong more, tends to arcing and produces spark; The interrupting process of load and power supply, inductive load instant cut-off when circuit disconnects, inductance is short more to the process time of outage from big electric current, and inductive surge is strong more, also can arcing produce spark.The contact contact-making surface of switch contact or plug and socket does not recline, and loose contact also can produce spark when folding and charged plug.These sparks are dangerous, and especially in inflammable and explosive place, the spark that need avoid Switching Power Supply to cause causes danger such as blast.
Existing sealed type safety anti-explosive socket and safety anti-explosive switchgear are to prevent to explode with contacting of contact electric arc by sealing isolated combustible, and this mode still exists electric arc and spark in the seal internal electrical contact, has potential hazard.For example damage is arranged, when slot leakage is arranged, also can cause danger when seal casinghousing.
Major defect and deficiency that prior art exists have:
1, can't stop to produce electric arc when load inserts power supply or withdraws from power supply fully, spark causes burning or explosion accident;
2, switch contact and plugs and sockets are burnt damage by electric arc, reduce the functional reliability and the useful life of device for switching;
3, drop into condensive load equipment and can produce over-current shock;
4, excision inductive load equipment can produce the overvoltage impact;
The Danger Electric shock risk accident takes place when 5, load inserts power supply or withdraws from power supply easily.
The utility model content
The technical problems to be solved in the utility model can not produce the safety switch and the socket of spark when providing a kind of power on/off.
In order to solve the problems of the technologies described above, the utility model provides a kind of safety switch, the switch triggering circuit and the switching transistor that comprise electric connection, described switching transistor is serially connected on the power line, described switch triggering circuit is used to export triggering signal and gives described switching transistor, transistorized disconnection of control switch and conducting, described power line two ends are respectively applied for and connect power supply and load.
Further, also comprise a rectification circuit, the input termination power of described rectification circuit, the described switch triggering circuit of output termination is used to described switch triggering circuit that working power is provided.
Further, described rectification circuit is made up of the dividing potential drop capacitance resistance, rectifier diode, voltage-stabiliser tube and the filter capacitor that electrically connect successively.
Further, described switching transistor is by a pair of antiparallel thyristor, and the protection diode of thyristor two ends parallel connection and resistance composition.
Further, described switch triggering circuit is made up of the current-limiting resistance, infrared reflection optocoupler, the zero cross fired bidirectional triode thyristor optocoupler that electrically connect successively, exports triggering signal by described zero cross fired bidirectional triode thyristor optocoupler to described switching transistor.
Further, also be serially connected with buffer circuit on the power line between described switching transistor and the load.
Further, described buffer circuit is made up of ground capacity, resistance, and described electric capacity, resistance parallel connection are connected between power firestreak and the ground wire.
The utility model also provides a kind of socket that comprises above-mentioned safety switch.
Contactless fully in the safety switch circuit of the present utility model, the arcing phenomenon can not occur: not charged during socket when plug inserts, load capacitance voltage is zero, not sudden change, and non-inductive electric current can arcing not produce spark; Automatically cut off the electricity supply at load current point before plug is extracted, the load inductance electric current is zero, not sudden change, and non-inductive high pressure can arcing not produce spark yet.
Description of drawings
Fig. 1 is the embodiment that safety switch of the present utility model is applied to single phase circuit;
Fig. 2 is the embodiment that safety switch of the present utility model is applied to single phase circuit;
Fig. 3 is the circuit diagram of an embodiment of rectification circuit in the utility model;
Fig. 4 is the circuit diagram of an embodiment of switch triggering circuit in the utility model.
Embodiment
The utility model is described in further detail below in conjunction with the drawings and specific embodiments, so that those skilled in the art can better understand the utility model and being implemented, but illustrated embodiment is not as to qualification of the present utility model.
As shown in Figure 1, be applied to the embodiment of single phase circuit for safety switch of the present utility model.This safety switch comprises the switch triggering circuit and the switching transistor of electric connection, and switching transistor is serially connected on the power line, and the power line two ends connect power supply and load respectively.Also comprise a rectification circuit, the input termination power of rectification circuit, output termination switch triggering circuit is used to described switch triggering circuit that dc supply is provided.
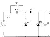
Wherein, rectification circuit can adopt half-bridge rectification circuit, full bridge rectifier etc., as shown in Figure 3, the rectification circuit in the present embodiment is made up of the dividing potential drop capacitor C 1, divider resistance R1, rectifier diode D1, D2, voltage-stabiliser tube D3 and the filter capacitor C2 that electrically connect successively.Switching transistor is made up of a pair of antiparallel thyristor, and that realizes power supply and load circuit cut-offs with closed thyristor two ends protection in parallel diode and resistance.Inverse parallel refers to two thyristor reverse parallel connections.Thyristor is conducting when triggering signal is arranged, power supply and load circuit closure; When Triggerless, turn-off after the thyristor current flows zero passage, power supply and load circuit disconnect.Thyristor herein can replace with other electronic power switch transistor devices.
As shown in Figure 4, the switch triggering circuit is made up of current-limiting resistance R2, the infrared reflection optocoupler U2 and the zero cross fired bidirectional triode thyristor optocoupler U1 that electrically connect successively in the present embodiment.During work, the switch triggering circuit detects physical switch state (open and close) and is converted to electric parameters by infrared reflection optocoupler U2, by the conducting of zero cross fired bidirectional triode thyristor optocoupler U1 output triggering signal control thyristor.Also available other triggering modes of circuits for triggering.
Also be serially connected with buffer circuit on the power line between switching transistor and the load, buffer circuit is made up of ground capacity and resistance, and described electric capacity, resistance parallel connection are connected between power firestreak and the ground wire.Buffer circuit is eliminated electronic switching device and is closed the have no progeny induced voltage of still existence and the influence of leakage current, guarantees that thyristor disconnects back loading and power supply disconnects fully.
In the present embodiment, only be serially connected with switching transistor on live wire, in other embodiments, also can be connected in series switching transistor simultaneously on live wire and zero line, the switching transistor on live wire and the zero line is subjected to the Synchronization Control of switch triggering circuit.
As shown in Figure 2, when safety switch of the present utility model is applied to three-phase circuit, all be serially connected with switching transistor on three live wires, each switching transistor is subjected to the Synchronization Control of switch triggering circuit, and rectification circuit can be from power taking on any live wire and the zero line.
Safety switch of the present utility model is safer, simple, convenient than traditional product when operation.Plug inserts or extracts is complete operation, and operation all is to carry out under off-position, electric shock accidents can not take place.Traditional product is hot line job when inserting or extracting, so keep away unavoidable grafting and the starting the arc, arcing phenomenon when extracting.Part adopts the product of electromagnetic relay, and the contact also can produce spark phenomenon when the adhesive of relay and disconnection.The utility model is not charged fully in the process of plug plug, and contactor partly adopts complete contactless method, so can not produce pyrophoric behavio(u)r.Power consumption equipment all has certain electric capacity and inductance, and traditional product the time causes the electric capacity of load and the voltage or the current break of inductance in plug, and output surge voltage and electric current influence useful life of equipment, the serious device damage that causes.The utility model all is an off-position when the plug plug, contactor process electric current and voltage smooth change, and electric current cuts off at zero crossing, and load can not produce the surge voltage electric current.The switch triggering circuit work power is obtained by power supply is carried out the dividing potential drop rectifying and wave-filtering in the utility model, need not external control power supply.The utility model electrically contacting property in use is quite reliable, can not cause that control system is malfunctioning because of loose contact, communication system is interrupted, image is lost, transmitted to computer error code and file and distorted signals, appliance cut-off etc.Also can effectively prevent simultaneously the contact portion superheating phenomenon that causes because of loose contact.
The above embodiment is the preferred embodiment that proves absolutely that the utility model is lifted, and protection range of the present utility model is not limited thereto.Being equal to that those skilled in the art are done on the utility model basis substitutes or conversion, all within protection range of the present utility model.Protection range of the present utility model is as the criterion with claims.

Claims (8)

1. no-spark safety switch, it is characterized in that, the switch triggering circuit and the switching transistor that comprise electric connection, described switching transistor is serially connected on the power line, described switch triggering circuit is used to export triggering signal and gives described switching transistor, transistorized disconnection of control switch and conducting, described power line two ends are respectively applied for and connect power supply and load.
2. safety switch according to claim 1 is characterized in that, also comprises a rectification circuit, the input termination power of described rectification circuit, and the described switch triggering circuit of output termination is used to described switch triggering circuit that working power is provided.
3. safety switch according to claim 2 is characterized in that, described rectification circuit is made up of the dividing potential drop capacitance resistance, rectifier diode, voltage-stabiliser tube and the filter capacitor that electrically connect successively.
4. safety switch according to claim 1 is characterized in that, described switching transistor is by a pair of antiparallel thyristor, and the protection diode of thyristor two ends parallel connection and resistance composition.
5. safety switch according to claim 1, it is characterized in that, described switch triggering circuit is made up of the current-limiting resistance, infrared reflection optocoupler, the zero cross fired bidirectional triode thyristor optocoupler that electrically connect successively, exports triggering signal by described zero cross fired bidirectional triode thyristor optocoupler to described switching transistor.
6. safety switch according to claim 1 is characterized in that, also is serially connected with buffer circuit on the power line between described switching transistor and the load.
7. safety switch according to claim 6 is characterized in that described buffer circuit is made up of ground capacity, resistance, and described electric capacity, resistance parallel connection are connected between power firestreak and the ground wire.
8. socket that comprises any described safety switch in the claim 1~7.
CN2010201640676U 2010-04-20 2010-04-20 Spark-free safety switch and socket Expired - Fee Related CN201726376U (en)

Priority Applications (1)

Application Number Priority Date Filing Date Title
CN2010201640676U CN201726376U (en) 2010-04-20 2010-04-20 Spark-free safety switch and socket

Applications Claiming Priority (1)

Application Number Priority Date Filing Date Title
CN2010201640676U CN201726376U (en) 2010-04-20 2010-04-20 Spark-free safety switch and socket

Publications (1)

Publication Number Publication Date
CN201726376U true CN201726376U (en) 2011-01-26

Family

ID=43494729

Family Applications (1)

Application Number Title Priority Date Filing Date
CN2010201640676U Expired - Fee Related CN201726376U (en) 2010-04-20 2010-04-20 Spark-free safety switch and socket

Country Status (1)

Country Link
CN (1) CN201726376U (en)

Cited By (4)

* Cited by examiner, † Cited by third party
Publication number Priority date Publication date Assignee Title
CN101820274A (en) * 2010-04-20 2010-09-01 武汉星火投资咨询中心(普通合伙) Sparkless safety switch, socket and safety power on-off method
CN102548163A (en) * 2011-10-24 2012-07-04 河南理工大学 Combined lamp controlling system
CN103326193A (en) * 2013-06-05 2013-09-25 哈尔滨工程大学 Electronic arc suppression power socket
CN109787598A (en) * 2018-12-21 2019-05-21 珠海格力电器股份有限公司 Plug control device, electronic equipment and plug control method thereof

Cited By (6)

* Cited by examiner, † Cited by third party
Publication number Priority date Publication date Assignee Title
CN101820274A (en) * 2010-04-20 2010-09-01 武汉星火投资咨询中心(普通合伙) Sparkless safety switch, socket and safety power on-off method
CN102548163A (en) * 2011-10-24 2012-07-04 河南理工大学 Combined lamp controlling system
CN102548163B (en) * 2011-10-24 2014-04-02 河南理工大学 Combined lamp controlling system
CN103326193A (en) * 2013-06-05 2013-09-25 哈尔滨工程大学 Electronic arc suppression power socket
CN103326193B (en) * 2013-06-05 2015-07-22 哈尔滨工程大学 Electronic arc suppression power socket
CN109787598A (en) * 2018-12-21 2019-05-21 珠海格力电器股份有限公司 Plug control device, electronic equipment and plug control method thereof

Similar Documents

Publication Publication Date Title
CN109003851B (en) Direct current arc extinguishing circuit and device
CN202512200U (en) Electric locomotive network side high voltage circuit insulation detection system
CN201146385Y (en) Discrimination and protection device for eliminating single-phase ground fault in neutral point non-effectively grounded power grid
EP3644336A1 (en) Direct-current arc-extinguishing device
CN102222893B (en) A kind of fast failure demand limiter based on current-carrying isolator
CN101820274A (en) Sparkless safety switch, socket and safety power on-off method
CN201726376U (en) Spark-free safety switch and socket
CN103872658A (en) Multifunctional self-recovery over-voltage and under-voltage protector
CN201478821U (en) Three-phase power grid neutral point indirect grounding system overvoltage protection device
CN202651781U (en) Neutral point joint grounding complete set
CN102623220A (en) High voltage electronic arc extinguishing switch
CN106257782B (en) Ac leakage drives protector
CN203344867U (en) Electric vehicle on-cable control box
CN105304413A (en) Method for eliminating contact arcs of DC device as well as device and application thereof
CN102332700B (en) Anti-lightning leakage detection and protection circuit
CN201490693U (en) Large-capacity high-speed current-limiting protection device
CN204696376U (en) A kind of changing voltage type leakage protecting plug
CN203014377U (en) Power grid overvoltage inhibition apparatus
CN102857102B (en) The electric current of current protective device provides assembly
CN104901090A (en) Voltage conversion type earth leakage protection plug
CN204190393U (en) The meticulous reactive power compensator of low pressure
CN203039345U (en) Self-reset bipolar control overvoltage and undervoltage protection device
CN112753084B (en) Alternating current arc extinguishing circuit, device and switching system
CN112740352B (en) Arc extinguishing circuit, arc extinguishing device and switch system
CN208353314U (en) A kind of Sofe Switch characteristic type connecting circuit device

Legal Events

Date Code Title Description
C14 Grant of patent or utility model
GR01 Patent grant
ASS Succession or assignment of patent right

Owner name: YU KEYI

Free format text: FORMER OWNER: WUHAN XINGHUO INVESTMENT CONSULTATION CENTER

Effective date: 20111122

C41 Transfer of patent application or patent right or utility model
COR Change of bibliographic data

Free format text: CORRECT: ADDRESS; FROM: 430079 WUHAN, HUBEI PROVINCE TO: 430000 WUHAN, HUBEI PROVINCE

TR01 Transfer of patent right

Effective date of registration: 20111122

Address after: 430000 room 1, dormitory 502, Hongshan Education Commission, Hubei, Wuhan

Patentee after: Yu Keyi

Address before: Room 1702, block B, Fu Hua building, Hongshan District, Hubei, Wuhan 430079, China

Patentee before: Wuan Xinghuo Investment & Consultation Co., Ltd.

CF01 Termination of patent right due to non-payment of annual fee

Granted publication date: 20110126

Termination date: 20150420

EXPY Termination of patent right or utility model