CN201690231U - 非线性中性点接地电阻 - Google Patents

非线性中性点接地电阻 Download PDF

Info

Publication number
CN201690231U
CN201690231U CN2010201575037U CN201020157503U CN201690231U CN 201690231 U CN201690231 U CN 201690231U CN 2010201575037 U CN2010201575037 U CN 2010201575037U CN 201020157503 U CN201020157503 U CN 201020157503U CN 201690231 U CN201690231 U CN 201690231U
Authority
CN
China
Prior art keywords
valve block
high energy
block group
neutral point
zno valve
Prior art date
Legal status (The legal status is an assumption and is not a legal conclusion. Google has not performed a legal analysis and makes no representation as to the accuracy of the status listed.)
Expired - Lifetime
Application number
CN2010201575037U
Other languages
English (en)
Inventor
郭道胜
Current Assignee (The listed assignees may be inaccurate. Google has not performed a legal analysis and makes no representation or warranty as to the accuracy of the list.)
Hefei Newonline Science & Technology Development Co Ltd
Original Assignee
Individual
Priority date (The priority date is an assumption and is not a legal conclusion. Google has not performed a legal analysis and makes no representation as to the accuracy of the date listed.)
Filing date
Publication date
Application filed by Individual filed Critical Individual
Priority to CN2010201575037U priority Critical patent/CN201690231U/zh
Application granted granted Critical
Publication of CN201690231U publication Critical patent/CN201690231U/zh
Anticipated expiration legal-status Critical
Expired - Lifetime legal-status Critical Current

Links

Images

Landscapes

  • Emergency Protection Circuit Devices (AREA)

Abstract

本实用新型涉及一种非线性中性点接地电阻,包括至少一组由高能氧化锌阀片组A和与高能氧化锌阀片组A相串联的熔断器构成的组件。本实用新型结构简单、性能稳定,且兼具有非有效接地系统供电安全性高和有效接地系统过电压水平低的优点,能消除单相弧光接地、谐振及过电压等故障,使得用电设备得到可靠保护。

Description

非线性中性点接地电阻
技术领域
本实用新型涉及一种电力系统接地电阻装置,具体涉及一种电力系统非线性中性点接地电阻。
背景技术
电力系统的接地方式主要分为有效接地和非有效接地两大类。
有效接地包括直接接地和经小电阻接地,中压系统的有效接地主要是经小电阻接地的方式,它的过电压水平较低,选线准确率高,能迅速查出接地故障点,但供电可靠性和安全性较差,发生单相弧光接地时,不能熄弧,必须立即跳闸,接地电流大,跨步电压高,严重威胁人身安全,对二次线路和电子通讯设备还会产生很大干扰。
非有效接地包括不接地,经消弧线圈接地和经高阻接地。其中不接地主要用于架空线路和网络较小的系统,在我国传统网络中占有较大的比例。它造价低,结构简单,供电可靠性和安全性均较高。但过电压倍数高,对系统绝缘威胁较大。随着电缆线路的增加,系统接地电容电流越来越大,发生单相接地时,电弧不易熄灭,会产生很高的过电压;经高阻接地大多用于发电厂用电系统。高阻对吸收谐振和单相接地的电磁能量很有作用,同时增加了选线的准确率,供电可靠性和安全性也比较高。但在单相接地时,过电压仍然很高。接地电容电流较大的系统不适应;经消弧线圈接地主要用于接地电容电流较大的系统。它利用感性电流补偿接地电容电流,使单相接地残流较小,过零后电弧不再重燃,有很高的供电可靠性和安全性。但它的过电压倍数高,精确调谐难度大,选线准确率低,造价高,不利于电网远景规划。
发明内容
针对上述现有技术中存在的问题,本实用新型的目的在于提供了一种非线性中性点接地电阻,其结构简单、性能稳定,且兼具有非有效接地系统供电安全性高和有效接地系统过电压水平低的优点,能消除单相弧光接地、谐振及过电压等故障,使得用电设备得到可靠保护。
本实用新型的非线性中性点接地电阻,包括至少一组由高能氧化锌阀片组A和与高能氧化锌阀片组A相串联的熔断器构成的组件;所述组件之间并联连接;该电阻还具有与所述组件相并联的高能氧化锌阀片组B,且高能氧化锌阀片组B的导通电压U100mA高于高能氧化锌阀片组A。
本实用新型的有益效果:结构简单、性能稳定,且兼具有非有效接地系统供电安全性高和有效接地系统过电压水平低的优点,能消除单相弧光接地、谐振及过电压等故障,使得用电设备得到可靠保护。本实用新型使过电压水平被限定在绝缘允许范围内,电气设备的绝缘被高电压冲击的可能性被杜绝,事故扩大(如单相接地故障引发短路事故)的概率也大大降低,供电的可靠性和安全性有很大提高。
附图说明
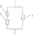
图1为本实用新型的结构示意图;
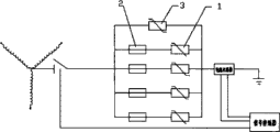
图2为本实用新型的接线原理图。
图中:1、高能氧化锌阀片组A,2、熔断器,3、高能氧化锌阀片组B。
具体实施方式
下面结合附图对本实用新型作进一步说明。
如图1所示,本实用新型包括由高能氧化锌阀片组A1和与高能氧化锌阀片组A1相串联的熔断器2构成的组件,所述组件之间相并联,其还具有与所述组件相并联的高能氧化锌阀片组B3,且高能氧化锌阀片组B3的导通电压U100mA高于高能氧化锌阀片组A1。
如图2所示,应用时,将该实用新型产品连接在系统中性点和地之间,将高能氧化锌阀片组A 1的开通值U100mA设置在系统相电压水平,在实际运行中若系统发生故障,利用非线性电阻的非线性特点在导通后其通流量很大,限制过电压效果好;故障引发高倍过电压则通过高能氧化锌阀片组A1的导通来抑制系统中性点的电压将整个系统过电压限制在2倍以下(允许范围为3.5倍)。同时高能氧化锌阀片组A1的巨大能容很快地吸收谐振能量,使系统的谐振消除。
所述的高能氧化锌阀片组A1由多路非线性电阻并联,由于采用均能、均流、均压的计算原理,各路的伏安特性完全一致,设计时按300%的系统容量计算(即使损坏50%以上仍能正常运行)。
熔断器2主要是保护高能氧化锌阀片组A1在极端条件下快速熔断,不至于发生高能氧化锌阀片爆炸,从而使损坏的高能氧化锌阀片可靠退出工作。
高能氧化锌阀片组B3的导通电压U100mA高于高能氧化锌阀片组A1,当整个高能氧化锌阀片组A1都损坏时,其能够保护整个系统和设备本身的安全。
高能氧化锌阀片组采用独特的散热技术和全密封工艺。散热技术采用外散热片向外散热和内部灌有石英砂进行内部散热;密封工艺采用环氧树脂筒和散热片用硅橡胶进行密封处理。散热、防潮效果俱佳,工作性能稳定,寿命长。
另外,在接地端可连有电流互感器和信号控制器,其能够实时的检测非线性电阻的导通情况,并可通过其二次信号(配合小电流接地选线装置)切除故障回路,自动记录动作次数,动作时间、动作时最大电流和电压等参数,为系统故障分析提供技术依据的同时并向后台发出报警信号,提高装置的性能和自动化水平,智能化程度高。
工作原理:正常运行时,中性点电压很低,高能氧化锌阀片组呈高阻状态,流经其中的电流非常小,基本上处于开路状态,系统相当于不接地。因此,此时具有不接地方式供电可靠性高,安全性好的特点;若系统发生故障,引发高倍过电压时,中性点电压会同时升高,高能氧化锌阀片组立即响应而导通,将电压限制在设定范围内,系统的过电压也被限制在2倍以下。此时系统又具备了有效接地系统过电压水平低、选线准确率高的特点,并优于经小电阻接地方式;当系统发生谐振时,高能氧化锌阀片组的巨大能容很快地吸收谐振能量。因过电压被限制在较低水平,所以互感器的特性处于线性区域,呈高感抗状态而使谐振消失;当系统发生单相弧光接地时,高能氧化锌阀片组及时吸收接地电荷能量,同时限制弧道的恢复电压,使接地电流过零后不容易重燃,弧光很快熄灭,其综合性能优于消弧线圈;当发生永久性接地时,高能氧化锌阀片组保持相电压水平,电阻中流过的电流较小,可维持运行。也可以通过小电流接地选线装置对故障馈线进行延时切除或快速切除,适宜于各种不同的运行要求。

Claims (3)

1.一种非线性中性点接地电阻,其特征在于包括至少一组由高能氧化锌阀片组A(1)和与高能氧化锌阀片组A(1)相串联的熔断器(2)再和限压高能氧化锌阀片组B(3)构成的组件。
2.根据权利要求1所述的非线性中性点接地电阻,其特征在于所述组件之间相并联。
3.根据权利要求1或2所述的非线性中性点接地电阻,其特征在于具有与所述组件相并联的高能氧化锌阀片组B(3),且高能氧化锌阀片组B(3)的导通电压U100mA高于高能氧化锌阀片组A(1)。
CN2010201575037U 2010-04-13 2010-04-13 非线性中性点接地电阻 Expired - Lifetime CN201690231U (zh)

Priority Applications (1)

Application Number Priority Date Filing Date Title
CN2010201575037U CN201690231U (zh) 2010-04-13 2010-04-13 非线性中性点接地电阻

Applications Claiming Priority (1)

Application Number Priority Date Filing Date Title
CN2010201575037U CN201690231U (zh) 2010-04-13 2010-04-13 非线性中性点接地电阻

Publications (1)

Publication Number Publication Date
CN201690231U true CN201690231U (zh) 2010-12-29

Family

ID=43378509

Family Applications (1)

Application Number Title Priority Date Filing Date
CN2010201575037U Expired - Lifetime CN201690231U (zh) 2010-04-13 2010-04-13 非线性中性点接地电阻

Country Status (1)

Country Link
CN (1) CN201690231U (zh)

Cited By (4)

* Cited by examiner, † Cited by third party
Publication number Priority date Publication date Assignee Title
CN103050952A (zh) * 2011-10-14 2013-04-17 安徽一天电气技术有限公司 母线型大容量过电压保护装置
CN107294056A (zh) * 2017-08-01 2017-10-24 威海职业学院 一种用于建筑设备的过压抑制系统
CN113820633A (zh) * 2021-09-15 2021-12-21 上海舒盈科技股份有限公司 熔断型过电压防护装置的熔丝规格确定方法、系统、终端和介质
CN114924165A (zh) * 2022-06-09 2022-08-19 安徽帕维尔智能技术有限公司 一种中性点系统故障分析、治理及选线方法

Cited By (6)

* Cited by examiner, † Cited by third party
Publication number Priority date Publication date Assignee Title
CN103050952A (zh) * 2011-10-14 2013-04-17 安徽一天电气技术有限公司 母线型大容量过电压保护装置
CN107294056A (zh) * 2017-08-01 2017-10-24 威海职业学院 一种用于建筑设备的过压抑制系统
CN107294056B (zh) * 2017-08-01 2019-01-22 威海职业学院 一种用于建筑设备的过压抑制系统
CN113820633A (zh) * 2021-09-15 2021-12-21 上海舒盈科技股份有限公司 熔断型过电压防护装置的熔丝规格确定方法、系统、终端和介质
CN113820633B (zh) * 2021-09-15 2024-02-27 上海舒盈科技股份有限公司 熔断型过电压防护装置的熔丝规格确定方法、系统、终端和介质
CN114924165A (zh) * 2022-06-09 2022-08-19 安徽帕维尔智能技术有限公司 一种中性点系统故障分析、治理及选线方法

Similar Documents

Publication Publication Date Title
CN103474940B (zh) 一种电网高塔输电线路综合防雷系统
CN104124783A (zh) 一种基于输电线路架空防雷地线的取电装置
CN111969552B (zh) 一种适用于直流断路器重合闸方法
CN201690231U (zh) 非线性中性点接地电阻
CN203180510U (zh) 阻容避雷器复合式过电压保护器
CN104966912B (zh) 一种变能组合式防雷接地装置及其应用
CN202353174U (zh) 一种高压限流熔断器组合保护装置
CN201674222U (zh) 用于埋地金属管道阴极保护的排流器
CN201629544U (zh) 高压线路避雷器
CN103124063B (zh) 一种压比可变的避雷器过压保护装置和实现方法
CN103138254B (zh) 配电网可调式过电压保护间隙精细防雷保护方法
CN206640285U (zh) 一种电力设备用避雷装置
CN201845648U (zh) 一次消谐器
CN203260987U (zh) 一种高压线避雷装置
CN205178493U (zh) 一种组合式中性点接地综合控制装置
CN202949205U (zh) 一种压比可变的避雷器过压保护装置
CN203312809U (zh) 一种并联电抗器操作过电压治理回路
CN201910623U (zh) 阻容吸收器
CN203014377U (zh) 电网过电压抑制装置
CN105305398A (zh) 一种超高压gis快速暂态过电压抑制系统
CN205178498U (zh) 一种超高压gis快速暂态过电压抑制装置
CN104392811A (zh) 输电线路无间隙线路型金属氧化物避雷装置及避雷方法
CN205159015U (zh) 一种避雷器
CN105261433B (zh) 一种避雷器
CN110112721B (zh) 一种直流配电网系统内部过电压防护系统与方法

Legal Events

Date Code Title Description
C14 Grant of patent or utility model
GR01 Patent grant
ASS Succession or assignment of patent right

Owner name: HEFEI NEWONLINE SCIENCE + TECHNOLOGY DEVELOPMENT C

Free format text: FORMER OWNER: GUO DAOSHENG

Effective date: 20110519

C41 Transfer of patent application or patent right or utility model
COR Change of bibliographic data

Free format text: CORRECT: ADDRESS; FROM: 230601 NO. 268, FURONG ROAD, ECONOMIC DEVELOPMENT ZONE, HEFEI CITY, ANHUI PROVINCE TO: NO. 268, FURONG ROAD, ECONOMIC AND TECHNOLOGICAL DEVELOPMENT ZONE, HEFEI CITY

TR01 Transfer of patent right

Effective date of registration: 20110519

Address after: No. 268 Furong Road, Hefei economic and Technological Development Zone

Patentee after: Hefei Newonline Science & Technology Development Co., Ltd.

Address before: 230601 No. 268 Furong Road, Hefei Economic Development Zone, Anhui, China

Patentee before: Guo Daosheng

C56 Change in the name or address of the patentee
CP03 Change of name, title or address

Address after: 231299 Lighthouse Road, industrial town, Feixi County, Anhui Province

Patentee after: Hefei Newonline Science & Technology Development Co., Ltd.

Address before: No. 268 Furong Road, Hefei economic and Technological Development Zone

Patentee before: Hefei Newonline Science & Technology Development Co., Ltd.

CX01 Expiry of patent term

Granted publication date: 20101229

CX01 Expiry of patent term