CN201674257U - Distributed full-line battery pack discharge test equipment - Google Patents

Distributed full-line battery pack discharge test equipment Download PDF

Info

Publication number
CN201674257U
CN201674257U CN2010201759613U CN201020175961U CN201674257U CN 201674257 U CN201674257 U CN 201674257U CN 2010201759613 U CN2010201759613 U CN 2010201759613U CN 201020175961 U CN201020175961 U CN 201020175961U CN 201674257 U CN201674257 U CN 201674257U
Authority
CN
China
Prior art keywords
battery pack
power supply
discharge
online
test
Prior art date
Legal status (The legal status is an assumption and is not a legal conclusion. Google has not performed a legal analysis and makes no representation as to the accuracy of the status listed.)
Expired - Lifetime
Application number
CN2010201759613U
Other languages
Chinese (zh)
Inventor
石卫涛
林明星
Current Assignee (The listed assignees may be inaccurate. Google has not performed a legal analysis and makes no representation or warranty as to the accuracy of the list.)
FUZHOU FUGUANG ELECTRONICS Co Ltd
Original Assignee
FUZHOU FUGUANG ELECTRONICS Co Ltd
Priority date (The priority date is an assumption and is not a legal conclusion. Google has not performed a legal analysis and makes no representation as to the accuracy of the date listed.)
Filing date
Publication date
Application filed by FUZHOU FUGUANG ELECTRONICS Co Ltd filed Critical FUZHOU FUGUANG ELECTRONICS Co Ltd
Priority to CN2010201759613U priority Critical patent/CN201674257U/en
Application granted granted Critical
Publication of CN201674257U publication Critical patent/CN201674257U/en
Anticipated expiration legal-status Critical
Expired - Lifetime legal-status Critical Current

Links

Images

Classifications

    • YGENERAL TAGGING OF NEW TECHNOLOGICAL DEVELOPMENTS; GENERAL TAGGING OF CROSS-SECTIONAL TECHNOLOGIES SPANNING OVER SEVERAL SECTIONS OF THE IPC; TECHNICAL SUBJECTS COVERED BY FORMER USPC CROSS-REFERENCE ART COLLECTIONS [XRACs] AND DIGESTS
    • Y02TECHNOLOGIES OR APPLICATIONS FOR MITIGATION OR ADAPTATION AGAINST CLIMATE CHANGE
    • Y02EREDUCTION OF GREENHOUSE GAS [GHG] EMISSIONS, RELATED TO ENERGY GENERATION, TRANSMISSION OR DISTRIBUTION
    • Y02E60/00Enabling technologies; Technologies with a potential or indirect contribution to GHG emissions mitigation
    • Y02E60/10Energy storage using batteries

Landscapes

  • Charge And Discharge Circuits For Batteries Or The Like (AREA)
  • Secondary Cells (AREA)

Abstract

本实用新型提供了一种分布式全在线蓄电池组放电测试设备,包括一DC-DC主机工作电源,一控制单元,一蓄电池组在线测试切换开关、第二安全保护电路、一蓄电池组在线测试转换控制电路,相互并接的一安全保护电路、一自动限流充电和等电位连接安全控制电路、一DC-DC变换器,以及相互串接的一恒流放电负载智能控制电路和一放电负载电路;本实用新型可作为一组或多组蓄电池组逐一在线进行放电的维护测试,实现在线蓄电池组对通信设备负荷安全节能放电和辅助恒流放电负载智能控制调节放电负载电流的功能,其具有智能、操作简便和安全节能的功能。

The utility model provides a distributed all-on-line storage battery pack discharge test device, which includes a DC-DC host power supply, a control unit, a battery pack online test switching switch, a second safety protection circuit, and a battery pack online test switch. Control circuit, a safety protection circuit connected in parallel, an automatic current-limiting charging and equipotential connection safety control circuit, a DC-DC converter, and a constant current discharge load intelligent control circuit and a discharge load circuit connected in series ; The utility model can be used as one or more battery packs for online discharge maintenance test one by one, and realizes the function of online battery packs for safe and energy-saving discharge of communication equipment loads and intelligent control of the auxiliary constant current discharge load to adjust the discharge load current. , easy operation and safety and energy-saving functions.

Description

分布式全在线蓄电池组放电测试设备 Distributed full-line battery pack discharge test equipment

【技术领域】【Technical field】

本实用新型是涉及通信网内电源维护设备,特别是涉及一种分布式全在线蓄电池组放电测试设备。The utility model relates to power supply maintenance equipment in a communication network, in particular to a distributed all-on-line storage battery pack discharge test equipment.

【背景技术】【Background technique】

通信行业现有无线基站电源后备蓄电池维护管理,因无线基站数量多规模大、维护工作劳动强度高、成本高、风险大、维护工作任务繁重,以及浪费能源问题,致使大部分的电池容量放电测试维护工作未能落实到位,导致对无线通信基站后备蓄电池组的实际容量不了解,应急保障供电时长不清楚,常因市电中断不能有效地进行应急发电调度管理,往往导致无线基站通信中断事故的发生,蓄电池被提前报废,这些问题一直困扰着整个通信行业电源维护管理工作者和具体维护工作人员。The existing wireless base station power backup battery maintenance and management in the communication industry, due to the large number of wireless base stations, high maintenance labor intensity, high cost, high risk, heavy maintenance tasks, and waste of energy, most of the battery capacity discharge test The maintenance work has not been implemented in place, resulting in the ignorance of the actual capacity of the backup battery pack of the wireless communication base station, the duration of emergency power supply is not clear, and the emergency power generation dispatch management cannot be effectively carried out due to the interruption of the mains power supply, which often leads to communication interruption accidents of the wireless base station occurred, and the battery was scrapped ahead of time. These problems have been plaguing the power maintenance management workers and specific maintenance workers in the entire communication industry.

为实现无线通信基站电源后备蓄电池组全在线无人值守智能化监控管理,由远程监控自动完成在线蓄电池充放电的容量测试,及时掌控现网所有在线电池组容量及保障供电时长的数据,降低维护人员的劳动强度,减少维护成本开支、提高网络运行质量和整体维护工作效率,提升网络安全运营的综合维护管理水平,采取科学有效的维护管理技术,延长蓄电池组使用寿命,实现全网在线蓄电池组充放电容量自动检测及系统自动维护管理。In order to realize the full-online unattended intelligent monitoring and management of the backup battery pack of the wireless communication base station power supply, the remote monitoring can automatically complete the capacity test of the online battery charge and discharge, timely control the capacity of all online battery packs on the live network and ensure the data of the power supply duration, and reduce maintenance. Reduce the labor intensity of personnel, reduce maintenance costs, improve network operation quality and overall maintenance efficiency, improve the comprehensive maintenance and management level of network security operations, adopt scientific and effective maintenance management technology, prolong the service life of battery packs, and realize online battery packs throughout the network Automatic detection of charging and discharging capacity and automatic maintenance and management of the system.

【实用新型内容】【Content of utility model】

本实用新型要解决的主要的技术问题,在于提供一种全在线蓄电池组设备系统,实现在线蓄电池组对通信设备负荷安全节能放电和辅助恒流放电负载智能控制调节放电负载电流的功能,其具有智能、操作简便和安全节能的功能。The main technical problem to be solved by the utility model is to provide an all-on-line battery pack equipment system, which realizes the safe and energy-saving discharge of the online battery pack to the communication equipment load and the intelligent control of the auxiliary constant current discharge load to adjust the discharge load current. Intelligent, easy to operate and safe and energy-saving functions.

本实用新型是这样实现的:一种分布式全在线蓄电池组放电测试设备,其特征在于:包括:一DC-DC主机工作电源,一控制单元,一蓄电池组在线测试切换开关、第二安全保护电路、一蓄电池组在线测试转换控制电路,相互并接的一安全保护电路、一自动限流充电和等电位连接安全控制电路、一DC-DC变换器,以及相互串接的一恒流放电负载智能控制电路和一放电负载电路;所述控制单元再进一步包括一MCU单元、以及均与该MCU单元连接的一电流/电压数据采集及转换控制电路、蓄电池组单体电压检测设备、数据存储器、远程通信电路、LCD显示和键盘输入;所述蓄电池组在线测试切换开关的输入与第二安全保护电路的对应的输入并联后,连接于在线的蓄电池组;且该蓄电池组在线测试切换开关其中一输出与第二安全保护电路的输出端连接,另一输出分别与并接的安全保护电路、自动限流充电和等电位连接安全控制电路、DC-DC变换器一端,以及与恒流放电负载智能控制电路的一端连接;所述设备中DC-DC主机工作电源的输出与所述恒流放电负载智能控制电路、所述蓄电池组在线测试转换控制电路以及所述控制单元连接,DC-DC主机工作电源的输入两端之一端与所述相互并联蓄电池组在线测试切换开关和第二安全保护电路的输出一端连接,另一端与所述DC-DC变换器、放电负载电路的公共电源一端连接,即连接于在线通信设备的工作电源两端为主机提供正常工作电源,所述DC-DC主机工作电源的输入具有正反向极性电源工作的特点;所述DC-DC变换器分别与所述电流/电压数据采集及转换控制电路及MCU单元连接;所述MCU单元还分别与所述恒流放电负载智能控制电路、自动限流充电和等电位连接安全控制电路、蓄电池组在线测试切换开关、第二安全保护电路、蓄电池组在线测试转换控制电路连接。The utility model is realized in the following way: a distributed all-on-line battery pack discharge test equipment, characterized in that it includes: a DC-DC main engine working power supply, a control unit, a battery pack online test switching switch, a second safety protection circuit, a battery pack online test conversion control circuit, a safety protection circuit connected in parallel, an automatic current-limiting charging and equipotential connection safety control circuit, a DC-DC converter, and a constant current discharge load connected in series Intelligent control circuit and a discharge load circuit; the control unit further includes an MCU unit, and a current/voltage data acquisition and conversion control circuit connected to the MCU unit, battery pack monomer voltage detection equipment, data memory, Remote communication circuit, LCD display and keyboard input; the input of the on-line test switch of the battery pack is connected in parallel with the corresponding input of the second safety protection circuit, and then connected to the online battery pack; and one of the on-line test switches of the battery pack The output is connected to the output end of the second safety protection circuit, and the other output is respectively connected to the safety protection circuit in parallel, the automatic current-limiting charging and equipotential connection safety control circuit, one end of the DC-DC converter, and the constant current discharge load intelligence One end of the control circuit is connected; the output of the DC-DC host working power supply in the device is connected to the constant current discharge load intelligent control circuit, the battery pack online test conversion control circuit and the control unit, and the DC-DC host works One of the input terminals of the power supply is connected to the on-line test switch of the parallel battery pack and the output terminal of the second safety protection circuit, and the other terminal is connected to the DC-DC converter and the public power supply terminal of the discharge load circuit, that is Connected to both ends of the working power supply of the online communication device to provide normal working power for the host, the input of the DC-DC host working power supply has the characteristics of forward and reverse polarity power supply; the DC-DC converter is respectively connected to the current /Voltage data collection and conversion control circuit and MCU unit connection; The MCU unit is also connected with the constant current discharge load intelligent control circuit, automatic current limiting charging and equipotential connection safety control circuit, battery pack online test switch, the first 2. The safety protection circuit and the online test conversion control circuit of the battery pack are connected.

较佳的,上述技术方案还包括一电源正反向极性工作保护电路,该电源正反向极性工作保护电路的输入与所述蓄电池组在线测试切换开关的输出一端连接,输出分别与所述恒流放电负载智能控制电路,以及相互并联的DC-DC变换器、安全保护电路、自动限流充电和等电位连接安全控制电路连接。或者是所述DC-DC变换器、所述恒流放电负载智能控制电路均具有正反向极性电源工作的特点。Preferably, the above technical solution further includes a power forward and reverse polarity protection circuit, the input of the power forward and reverse polarity protection circuit is connected to the output end of the online test switch of the battery pack, and the outputs are respectively connected to the The constant current discharge load intelligent control circuit is described, and the DC-DC converters connected in parallel, the safety protection circuit, the automatic current limiting charging and the equipotential connection safety control circuit are connected. Alternatively, both the DC-DC converter and the intelligent control circuit for constant current discharge load have the characteristics of forward and reverse polarity power supply.

较佳的,上述技术方案还包括一AC/DC开关电源,该AC/DC开关电源的输出和输入分别连接所述DC-DC主机工作电源和市电。Preferably, the above technical solution further includes an AC/DC switching power supply, the output and input of the AC/DC switching power supply are respectively connected to the DC-DC host working power supply and the commercial power supply.

较佳的,上述技术方案还包括至少一电流检测电路,可为一个电流传感器,所述各电流检测电路在该设备中耦合监测所述被测蓄电池组的充放电工作电源的各个输入端,为分布式全在线蓄电池组放电测试设备检测在线蓄电池组的充电、放电电流。Preferably, the above technical solution also includes at least one current detection circuit, which can be a current sensor, and each of the current detection circuits is coupled in the device to monitor each input terminal of the charging and discharging working power supply of the battery pack under test, for The distributed all-on-line battery pack discharge test equipment detects the charging and discharging current of the online battery pack.

较佳的,所述安全保护电路为一大功率二极管,其两端串行连接于通信蓄电池组与通信电源系统设备的直流配电屏之间,保证蓄电池组始终处于安全在线工作状态,不影响对通信系统设备的正常安全供电。Preferably, the safety protection circuit is a high-power diode, and its two ends are connected in series between the communication battery pack and the DC power distribution panel of the communication power system equipment, so as to ensure that the battery pack is always in a safe online working state without affecting Normal and safe power supply to communication system equipment.

较佳的,所述第二安全保护电路包括一大功率双向电源静态开关管、一直流接触器或电器开关以及一用于控制和保护该大功率双向电源静态开关管和直流接触器或电器开关工作的自动控制保护电路且所述大功率双向电源静态开关管和直流接触器或电器开关并联连接。Preferably, the second safety protection circuit includes a high-power bidirectional power supply static switch tube, a DC contactor or an electrical switch, and a static switch tube and a DC contactor or an electrical switch for controlling and protecting the high-power bidirectional power supply static switch tube and a DC contactor or an electrical switch. The working automatic control protection circuit and the high-power bidirectional power supply static switch tube are connected in parallel with the DC contactor or the electrical switch.

较佳的,若所述蓄电池组在线测试切换开关具有先接后离功能,则所述第二安全保护电路只需包括一大功率双向电源静态开关管、用于控制和保护该大功率双向电源静态开关管工作的自动控制保护电路而可省略直流接触器或电器开关;因蓄电池组在线测试切换开关具有先接后离功能,可对在线蓄电池组在线充放电测试状态与在线非测试状态的切换过程均处于在线供电安全状态,其安全保护功能不变,可靠性更优。Preferably, if the on-line test switch of the battery pack has the function of connecting first and then disconnecting, the second safety protection circuit only needs to include a high-power bidirectional power supply static switch tube for controlling and protecting the high-power bidirectional power supply The automatic control and protection circuit of the static switch tube can omit the DC contactor or electrical switch; because the battery pack online test switch has the function of connecting first and then disconnecting, it can switch between the online charge and discharge test state and the online non-test state of the online battery pack The process is in a safe state of online power supply, its safety protection function remains unchanged, and its reliability is better.

本实用新型的优点在于:The utility model has the advantages of:

1、该分布式全在线蓄电池组放电测试设备的设计与应用,以在线通信后备蓄电池组两端的电压为测试设备的输入工作电源,满足蓄电池放电特性、相关通信电源运行维护规程标准及蓄电池组维护测试要求,放电检测全在线式并维护了放电安全节能。1. The design and application of the distributed all-on-line battery pack discharge test equipment uses the voltage at both ends of the online communication backup battery pack as the input working power of the test equipment to meet the discharge characteristics of the battery, the operation and maintenance standards of the relevant communication power supply and the maintenance of the battery pack According to the test requirements, the discharge detection is all online and maintains the safety and energy saving of the discharge.

2、该分布式全在线蓄电池组放电测试设备系统的设计与应用,具有在线蓄电池组对通信设备负荷安全节能放电功能,以及在线智能负载恒流放电功能。同时满足在线各种不同通信设备负荷电流的情况下,均能实现在线蓄电池组的恒流放电容量测试适用于现网不同的各种通信设备负荷供电电源后备蓄电池组进行在线恒流放电测试。2. The design and application of the distributed all-on-line battery pack discharge test equipment system has the function of safe and energy-saving discharge of the online battery pack to the communication equipment load, and the online intelligent load constant current discharge function. At the same time, it can realize the constant current discharge capacity test of the online battery pack under the condition of meeting the load current of various communication equipment online.

3、分布式全在线蓄电池组放电测试设备具备在线通信设备节能放电和在线负载放电功能,综合性强,使用范围广泛。3. The distributed full-online battery pack discharge test equipment has the functions of energy-saving discharge of online communication equipment and online load discharge, which is comprehensive and widely used.

4、分布式全在线蓄电池组放电测试设备具有正负电源极性开关选择转换控制功能,满足不同正、负通信电源的蓄电池组在线恒流充、放电测试使用,智能化程度高,功能强,使用灵活安全。4. The distributed full-line battery pack discharge test equipment has the function of positive and negative power supply polarity switch selection conversion control, which can meet the online constant current charge and discharge test of battery packs with different positive and negative communication power sources. It has a high degree of intelligence and strong functions. Flexible and safe to use.

5、通过无缝连接技术,与被测试的在线蓄电池组进行串接,保证蓄电池组始终处于供电安全在线状态,不影响对通信系统设备的正常安全供电,实现在线的蓄电池组以测试设备选择一在线蓄电池组或循环放电测试、设定的放电参数进行在线智能充放电维护。5. Through the seamless connection technology, it is connected in series with the tested online battery pack to ensure that the battery pack is always in a safe online state of power supply, without affecting the normal and safe power supply to the communication system equipment, and realizes that the online battery pack can be selected by the test equipment Online battery pack or cycle discharge test, set discharge parameters for online intelligent charge and discharge maintenance.

6、当在线通信设备实际负荷,满足被测蓄电池组恒流放电时,该设备系统自动关闭在线智能负载放电;当在线通信设备实际负荷不满足被测蓄电池组恒流放电时,该设备系统将自动控制在线智能负载恒流放电,实现被测蓄电池组在线恒流放电容量测试目的。6. When the actual load of the online communication equipment meets the constant current discharge of the battery pack under test, the equipment system automatically turns off the online intelligent load discharge; when the actual load of the online communication equipment does not meet the constant current discharge of the battery pack under test, the equipment system will Automatically control the online constant current discharge of intelligent loads to achieve the purpose of online constant current discharge capacity testing of the battery pack under test.

7、完成放电容量测试之后,由在线整流器输出工作电源通过测试设备自动控制进行在线限流充电,并自动完成等电位安全连接及恢复在线在线正常工作。7. After the discharge capacity test is completed, the online rectifier output working power is automatically controlled by the test equipment for online current-limited charging, and the equipotential safety connection is automatically completed and the online normal work is resumed.

8、与传统使用智能化假负载进行离线测试对比,有效地解决了离线放电操作、供电及恢复在线全过程维护测试安全隐患问题,具有节能、操作简便安全、在线供电安全、测试结束自动进行在线充电及恢复等电位连接等优点。8. Compared with the traditional offline test using intelligent dummy load, it effectively solves the safety hazards of offline discharge operation, power supply and online restoration of the whole process of maintenance and testing. Charging and restoring equipotential connection and other advantages.

9、与先进的在线“蓄电池组放电测试设备”对比,并具有蓄电池组在线安全节能放电测试功能与在线恒流智能负载放电测试功能,满足现网各种不同的通信设备负荷的蓄电池组恒流放电测试,更加实用,并具备安全节能放电测试功能。9. Compared with the advanced online "battery pack discharge test equipment", it has the online safety and energy-saving discharge test function of the battery pack and the online constant current intelligent load discharge test function, which can meet the constant current of the battery pack with various communication equipment loads in the current network Discharge test is more practical and has the function of safe and energy-saving discharge test.

10、单体电池在线检测和告警保护功能,在“设备”电路设计中采用单体无线电压测试管理系统或单体有线电压测试管理系统,维护检测操作简便,提高系统维护工作安全。10. Single battery on-line detection and alarm protection function. In the "device" circuit design, a single wireless voltage test management system or a single wired voltage test management system is adopted. The maintenance and detection are easy to operate and improve the safety of system maintenance work.

11、该全在线蓄电池组测试设备系统的输出具有稳压限流、稳流限压控制保护功能,以及输出过电流、过电压保护及过压关机保护功能,具备通信后备电池组在线放电容量检测和安全供电保护特点。11. The output of the all-on-line battery test equipment system has the functions of constant voltage and current limiting, constant current and voltage limiting control and protection functions, as well as output overcurrent, overvoltage protection and overvoltage shutdown protection functions, and has online discharge capacity detection of communication backup battery packs And safe power supply protection features.

12、该全在线蓄电池组测试设备系统具备维护操作、参数设置简单,智能化程度高,保护功能强等特点,该全在线式电池组放电测试系统操作界面友好,依照系统提示操作,即可完成通信在线电池组容量检测,并自动保存数据,以便维护分析与管理;12. The all-on-line battery pack test equipment system has the characteristics of maintenance operation, simple parameter setting, high degree of intelligence, and strong protection function. The all-on-line battery pack discharge test system has a friendly operation interface and can be completed according to the system prompt Communication online battery pack capacity detection, and automatically save data for maintenance analysis and management;

13、该全在线式电池组放电测试系统MCU单元的控制系统设置一路交流备份电源,以便适时查阅、读取、拷贝测试数据,以及历史事件记录;13. The control system of the MCU unit of the all-on-line battery pack discharge test system is equipped with an AC backup power supply, so as to check, read, and copy test data and historical event records in a timely manner;

14、该全在线式电池组放电测试系统的MCU单元的控制系统输出,具有标准数据接口,以及USB接口和IP网络接口,使用灵活方便。14. The control system output of the MCU unit of the all-on-line battery pack discharge test system has a standard data interface, as well as a USB interface and an IP network interface, which is flexible and convenient to use.

【附图说明】【Description of drawings】

下面参照附图结合实施例对本实用新型作进一步的说明。The utility model will be further described below in conjunction with the embodiments with reference to the accompanying drawings.

图1是本实用新型分布式全在线蓄电池组放电测试设备的实施例一的原理结构框图。Fig. 1 is a schematic structural block diagram of Embodiment 1 of the distributed all-on-line battery pack discharge test equipment of the present invention.

图2是本实用新型分布式全在线蓄电池组放电测试设备的实施例二的原理结构框图。Fig. 2 is a schematic structural block diagram of Embodiment 2 of the distributed all-on-line battery pack discharge test equipment of the present invention.

图3是本实用新型分布式全在线蓄电池组放电测试设备的实施例三的原理结构框图。Fig. 3 is a schematic structural block diagram of Embodiment 3 of the distributed all-on-line storage battery pack discharge testing device of the present invention.

图4是实施例一至实施例三与-48V通信电源系统无缝连接操作示意图。Fig. 4 is a schematic diagram of the seamless connection operation between Embodiment 1 to Embodiment 3 and the -48V communication power supply system.

图5是实施例一至实施例三与-48V通信电源系统设备接线示意图。Fig. 5 is a schematic diagram of connection between Embodiments 1 to 3 and -48V communication power system equipment.

图6是实施例二或实施例三与+24V通信电源系统设备接线示意图。Fig. 6 is a schematic diagram of connection between Embodiment 2 or Embodiment 3 and the equipment of the +24V communication power supply system.

图7是实施例一应用于-48V通信电源系统时在线放电状态下的原理结构框图,其中省略控制单元部分。Fig. 7 is a block diagram of the principle structure in the online discharge state when the first embodiment is applied to the -48V communication power supply system, in which the control unit part is omitted.

图8是实施例一应用于-48V通信电源系统时在线放电状态下的原理结构框图,其中省略控制单元部分。Fig. 8 is a block diagram of the principle structure in the online discharge state when the first embodiment is applied to the -48V communication power supply system, in which the control unit part is omitted.

图9是实施例三应用于-48V通信电源系统时在线放电状态下的原理结构框图,其中省略控制单元部分。Fig. 9 is a block diagram of the principle structure in the online discharge state when the third embodiment is applied to the -48V communication power supply system, in which the control unit part is omitted.

图10是实施例三应用于-48V通信电源系统时在线放电状态下的原理结构框图,其中省略控制单元部分。Fig. 10 is a block diagram of the principle structure in the online discharge state when the third embodiment is applied to the -48V communication power supply system, in which the control unit part is omitted.

【具体实施方式】【Detailed ways】

本实用新型的分布式全在线蓄电池组放电测试设备是应用于一种全在线蓄电池组设备系统,所述全在线蓄电池组设备系统通常还包括一被测蓄电池组和通信设备。该通信设备由该蓄电池组作为后备电源供电。The distributed all-on-line storage battery pack discharge testing device of the utility model is applied to a full-on-line battery pack equipment system, and the full-on-line battery pack equipment system usually also includes a tested battery pack and communication equipment. The communication device is powered by the battery pack as a backup power supply.

现举以下3个实施例,并说明其工作原理。Give the following 3 embodiments now, and explain its working principle.

实施例一Embodiment one

请参阅图1所示,一种分布式全在线蓄电池组放电测试设备包括:一DC-DC主机工作电源1、一控制单元2、一安全保护电路3、一自动限流充电和等电位连接安全控制电路4、一恒流放电负载智能控制电路5、一放电负载电路6、第二安全保护电路10、一DC-DC变换器12,一蓄电池组在线测试切换开关13、一蓄电池组在线测试转换控制电路14。所述控制单元2再进一步包括一MCU单元21、以及均与该MCU单元21连接的一电流/电压数据采集及转换控制电路22、蓄电池组单体电压检测设备23、数据存储器24、远程通信电路25、LCD显示和键盘输入26;Please refer to Figure 1, a distributed full-line battery pack discharge test equipment includes: a DC-DC host power supply 1, a control unit 2, a safety protection circuit 3, an automatic current-limited charging and equipotential connection safety Control circuit 4, a constant current discharge load intelligent control circuit 5, a discharge load circuit 6, a second safety protection circuit 10, a DC-DC converter 12, a battery pack online test switch 13, a battery pack online test switch control circuit 14. The control unit 2 further includes an MCU unit 21, and a current/voltage data acquisition and conversion control circuit 22 connected to the MCU unit 21, a battery unit voltage detection device 23, a data memory 24, and a remote communication circuit. 25. LCD display and keyboard input 26;

所述安全保护电路3、自动限流充电和等电位连接安全控制电路4、DC-DC变换器12相互并接,其并接的两端分别为D+1端和D-1端,且所述安全保护电路3的正、负极分别连接D+1端和D-1端,所述恒流放电负载智能控制电路5和放电负载电路6相互串接;The safety protection circuit 3, the automatic current-limiting charging and equipotential connection safety control circuit 4, and the DC-DC converter 12 are connected in parallel, and the two ends of the parallel connection are respectively the D+1 terminal and the D-1 terminal, and the The positive and negative poles of the safety protection circuit 3 are respectively connected to the D+1 terminal and the D-1 terminal, and the constant current discharge load intelligent control circuit 5 and the discharge load circuit 6 are connected in series;

所述蓄电池组在线测试切换开关13的输入与第二安全保护电路9的对应的输入并联后,连接于在线的蓄电池组;且该蓄电池组在线测试切换开关13其中一输出与第二安全保护电路10的输出端,以及安全保护电路3、自动限流充电和等电位连接安全控制电路4、DC-DC变换器12并接的一端连接;After the input of the battery pack online test switch 13 is connected in parallel with the corresponding input of the second safety protection circuit 9, it is connected to the online battery pack; and one of the outputs of the battery pack online test switch 13 is connected to the second safety protection circuit. The output terminal of 10, and the safety protection circuit 3, the automatic current-limiting charging and equipotential connection safety control circuit 4, and one end of the parallel connection of the DC-DC converter 12 are connected;

所述设备中DC-DC主机工作电源1的输出与所述恒流放电负载智能控制电路5、所述蓄电池组在线测试转换控制电路14以及所述控制单元2连接,DC-DC主机工作电源1的输入两端之一端与所述相互并联蓄电池组在线测试切换开关13和第二安全保护电路10的输出端连接,另一端与所述DC-DC变换器12、放电负载电路6的公共电源一端连接;The output of the DC-DC host working power supply 1 in the device is connected to the constant current discharge load intelligent control circuit 5, the battery pack online test conversion control circuit 14 and the control unit 2, and the DC-DC host working power supply 1 One of the two input ends of the input terminal is connected with the on-line test switch 13 of the parallel battery pack and the output end of the second safety protection circuit 10, and the other end is connected with the DC-DC converter 12 and one end of the common power supply of the discharge load circuit 6 connect;

所述DC-DC变换器12分别与所述电流/电压数据采集及转换控制电路22及MCU单元21连接;所述MCU单元21还分别与所述恒流放电负载智能控制电路5、自动限流充电和等电位连接安全控制电路4、蓄电池组在线测试切换开关13、第二安全保护电路10、蓄电池组在线测试转换控制电路14连接;The DC-DC converter 12 is respectively connected with the current/voltage data acquisition and conversion control circuit 22 and the MCU unit 21; the MCU unit 21 is also respectively connected with the constant current discharge load intelligent control circuit 5, automatic current limiting The charging and equipotential connection safety control circuit 4, the battery pack online test switch 13, the second safety protection circuit 10, and the battery pack online test conversion control circuit 14 are connected;

所述被测蓄电池组由蓄电池组在线测试切换开关13的输出连接至并联的DC-DC变换器12,以及恒流放电负载智能控制电路5的输入,提供整机正常工作电源;所述设备中DC-DC主机工作电源1的输入两端连接于在线工作电源,为提供主机正常工作电源。The battery pack under test is connected to the parallel DC-DC converter 12 by the output of the battery pack online test switch 13, and the input of the constant current discharge load intelligent control circuit 5 to provide the normal working power of the whole machine; Both ends of the input of the DC-DC host working power supply 1 are connected to the online working power supply to provide normal working power for the host.

上述各电路模块的功能表述如下:The functions of the above circuit modules are described as follows:

所述DC-DC主机工作电源1:为所述恒流放电负载智能控制电路5、蓄电池组在线测试转换控制电路14、所述控制单元2提供工作电源;The DC-DC main engine working power supply 1: provides working power for the constant current discharge load intelligent control circuit 5, the battery pack online test conversion control circuit 14, and the control unit 2;

所述控制单元2:本电路模块以MCU单元21的系统程序指令为控制模式,以控制恒流放电负载智能控制电路5、自动限流充电和等电位连接安全控制电路4、第二安全保护电路10、DC-DC变换器12、蓄电池组在线测试转换控制电路14;The control unit 2: this circuit module uses the system program instructions of the MCU unit 21 as the control mode to control the constant current discharge load intelligent control circuit 5, the automatic current limiting charging and equipotential connection safety control circuit 4, and the second safety protection circuit 10. DC-DC converter 12, battery pack online test conversion control circuit 14;

所述安全保护电路3:可为一大功率二极管,当被测蓄电池组进行在线测试工作状态时,其大功率二极管经蓄电池组在线测试切换开关13串行连接于通信蓄电池组与通信电源系统设备的直流配电屏之间,保证被测的蓄电池组始终处于供电安全在线状态,不影响对通信系统设备的正常安全供电,该大功率二极管的负极接D+1端,正极接D-1端;The safety protection circuit 3 can be a high-power diode. When the battery pack under test is in the working state of the online test, its high-power diode is serially connected to the communication battery pack and the communication power supply system equipment via the battery pack online test switch 13 Between the DC power distribution panels, to ensure that the battery pack under test is always in the power supply safety online state, without affecting the normal and safe power supply to the communication system equipment, the negative pole of the high-power diode is connected to the D+1 terminal, and the positive pole is connected to the D-1 terminal ;

所述自动限流充电和等电位连接安全控制电路4:在完成被测蓄电池组放电测试结束后,自动进行在线限流充电,以及进行等电位安全连接恢复被测蓄电池组至在线正常工作;The automatic current-limiting charging and equipotential connection safety control circuit 4: after completing the discharge test of the battery pack under test, automatically perform online current-limiting charging, and perform equipotential safety connection to restore the battery pack under test to online normal operation;

所述恒流放电负载智能控制电路5:根据放电设备系统的设置参数,自动完成被测蓄电池组进行在线假负载恒流放电的控制与测试;The constant current discharge load intelligent control circuit 5: according to the setting parameters of the discharge equipment system, automatically complete the control and test of the online dummy load constant current discharge of the battery pack under test;

所述放电负载电路6:由恒流放电负载智能控制电路5控制被测蓄电池组允许通过放电负载电流的工作电路;The discharge load circuit 6: a working circuit that allows the discharge load current to pass through the battery pack under test controlled by the constant current discharge load intelligent control circuit 5;

所述第二安全保护电路10:包括一大功率双向电源静态开关管、一直流接触器以及一用于控制和保护该大功率双向电源静态开关管和直流接触器工作的自动控制保护电路(均未图示),且所述大功率双向电源静态开关管和直流接触器并联连接。该第二安全保护电路10保证被测蓄电池组充电或放电测试过程中均能能实时在线不间断安全供电。同时也是完成充放电转换控制和完成等电位连接的主要电路之一。The second safety protection circuit 10: includes a high-power bidirectional power supply static switch tube, a DC contactor, and an automatic control protection circuit for controlling and protecting the high-power bidirectional power supply static switch tube and the DC contactor (both not shown), and the high-power bidirectional power supply static switch tube and the DC contactor are connected in parallel. The second safety protection circuit 10 ensures that the battery pack under test can provide real-time, uninterrupted and safe power supply during the charging or discharging testing process. At the same time, it is also one of the main circuits to complete the charge and discharge conversion control and complete the equipotential connection.

所述DC-DC变换器12:为一高频开关电源电路,其输出电压、电流为连续可调,同时具有恒流限压、稳压限流,过电压、过电流、短路等高可靠性的自动控制保护功能。The DC-DC converter 12: is a high-frequency switching power supply circuit, its output voltage and current are continuously adjustable, and it has high reliability such as constant current limiting voltage, stable voltage limiting current, overvoltage, overcurrent, short circuit, etc. automatic control protection function.

所述蓄电池组在线测试切换开关13:为在线工作的蓄电池组执行与输出端的连接切换置于“在线测试”或“在线非测试”连接工作的执行开关(被测蓄电池组连接“在线测试”端即被测蓄电池组处于全在线充放电测试状态;被测蓄电池组连接“在线非测试”端即被测蓄电池组处于完全在线连接状态,不在于全在线充放电测试工作状态)。若所述蓄电池组在线测试切换开关具有先接后离功能,则所述第二安全保护电路只需包括一大功率双向电源静态开关管、用于控制和保护该大功率双向电源静态开关管工作的自动控制保护电路,而可省略直流接触器或电器开关;因蓄电池组在线测试切换开关具有先接后离功能,可对在线蓄电池组自动投置在线测试状态与在线非测试状态的切换过程均处于在线供电安全状态,其安全保护功能不变,可靠性更优。The on-line test switching switch 13 of the accumulator pack: for the on-line working accumulator pack to perform connection switching with the output terminal, it is placed in the execution switch for "on-line test" or "on-line non-test" connection work (the tested accumulator pack is connected to the "on-line test" terminal That is, the battery pack under test is in the state of full online charge and discharge test; the battery pack under test is connected to the "online non-test" end, that is, the battery pack under test is in a state of full online connection, not in the state of full online charge and discharge test). If the on-line test switching switch of the battery pack has the function of connecting first and then leaving, the second safety protection circuit only needs to include a high-power bidirectional power supply static switch tube for controlling and protecting the high-power bidirectional power supply static switch tube. The automatic control and protection circuit can be used, and the DC contactor or electrical switch can be omitted; because the battery pack online test switch has the function of connecting first and then leaving, it can automatically put the online battery pack into the switching process of the online test state and the online non-test state. In the safe state of online power supply, its safety protection function remains unchanged and its reliability is better.

所述蓄电池组在线测试转换控制电路14:为驱动控制蓄电池组在线测试切换开关13的执行选择在线工作的蓄电池组切换置于“在线测试”或“在线非测试”连接工作状态的关键控制电路。The battery pack on-line test conversion control circuit 14: a key control circuit for driving and controlling the execution of the battery pack on-line test switching switch 13 to select the on-line working battery pack to switch to the "on-line test" or "on-line non-test" connection working state.

本实施例还可包括一AC/DC开关电源7、1和N(N具体可根据实际用户需求配置,依据通信电源设计规范并联蓄电池组数配置N≤4)个电流检测电路8,该AC/DC开关电源7的输出和输入分别连接所述DC-DC主机工作电源1和市电,用以将市电引入以作为主机电源的交流输入供电电源;所述电流检测电路8可为一电流传感器,所述电流检测电路8连接所述分布式全在线蓄电池组放电测试设备的各接线端,为分布式全在线蓄电池组放电测试设备检测在线被测蓄电池组的充电、放电电流。This embodiment can also include an AC/DC switching power supply 7, 1 and N (N can be configured according to actual user needs, and N≤4) current detection circuits 8 are configured according to the communication power supply design specification for the number of parallel battery packs. The output and input of the DC switching power supply 7 are respectively connected to the DC-DC host operating power supply 1 and the commercial power, so as to introduce the commercial power as the AC input power supply of the host power supply; the current detection circuit 8 can be a current sensor , the current detection circuit 8 is connected to each terminal of the distributed all-on-line battery pack discharge test equipment, and detects the charging and discharging current of the online battery pack under test for the distributed all-on-line battery pack discharge test equipment.

请再参考图1,为了将本实施例的分布式全在线蓄电池组放电测试设备应用时连接方便,将连接所述放电负载电路6、DC-DC变换器12、所述DC-DC主机工作电源1的输入引出一电源输出线,具有第一接线端子A;再将蓄电池组在线测试切换开关13对应并联连接的第二安全保护电路10一接点上引出一电源输出线,具有至少一个第二接线端子B,即与在线蓄电池组一端的接线端子B1~BN(N具体可根据实际用户需求配置,依据通信电源设计规范并联蓄电池组数配置N≤4);并接的DC-DC变换器12、安全保护电路3、自动限流充电和自恢复等电位连接安全控制保护电路4以及第二安全保护电路10、蓄电池组在线测试切换开关13输出一的公共端点引出一电源输出线,具有第三接线端子D。其中对应DC-DC变换器12、DC-DC主机工作电源1、所述恒流放电负载智能控制电路5等输入工作电源的正、负端需对应连接。Please refer to Fig. 1 again, in order to connect conveniently when the distributed all-on-line battery pack discharge test equipment of this embodiment is applied, the discharge load circuit 6, the DC-DC converter 12, and the DC-DC host operating power supply will be connected The input of 1 leads to a power output line, which has a first connection terminal A; and then connects the battery pack online test switch 13 to a contact point of the second safety protection circuit 10 connected in parallel to lead a power output line, which has at least one second connection Terminal B, that is, the connection terminals B1~BN at one end of the online battery pack (N can be configured according to actual user needs, and the number of parallel battery packs is configured according to the communication power supply design specification N≤4); DC-DC converters connected in parallel 12, Safety protection circuit 3, automatic current-limiting charging and self-recovery equipotential connection safety control protection circuit 4 and second safety protection circuit 10, battery pack online test switching switch 13 output a common terminal leading to a power output line, with a third connection Terminal D. The positive and negative terminals corresponding to the DC-DC converter 12, the DC-DC mainframe working power supply 1, the constant current discharge load intelligent control circuit 5 and other input working power sources need to be connected correspondingly.

实施例二Embodiment two

如图2所示,本实施例二的分布式全在线蓄电池组放电测试设备与上述实施例一的结构及接线端子基本相同,二者的区别在于:在本实施例二中,所述DC-DC变换器12、DC-DC主机工作电源1、所述恒流放电负载智能控制电路5均具有正反向极性电源工作的特点。可实现以最佳安全的操作方式,适用于不同正、负的通信电源在线蓄电池组的放电维护测试。无论工作电源是正极还是负极接地,该设备进行在线维护测试时,只需操作蓄电池组侧连接的电源工作接地端,避免了操作碰地短路的风险,并具有对在线蓄电池组恒流限压充电及稳压限流充电维护功能,维护测试使用更加灵活、安全简便。As shown in Figure 2, the distributed all-on-line battery pack discharge test equipment in this embodiment 2 is basically the same as the above-mentioned embodiment 1 in terms of structure and connection terminals. The difference between the two is that in this embodiment 2, the DC- The DC converter 12, the DC-DC host power supply 1, and the constant current discharge load intelligent control circuit 5 all have the characteristics of forward and reverse polarity power supplies. It can realize the best and safe operation mode, and is suitable for the discharge maintenance test of different positive and negative communication power supply online battery packs. Regardless of whether the working power supply is positive or negative grounding, when the device performs online maintenance tests, it only needs to operate the working ground terminal of the power supply connected to the side of the battery pack, which avoids the risk of short-circuiting the operation and grounding, and has the ability to charge the online battery pack with constant current and limited voltage. And the constant voltage and current limiting charging maintenance function, the maintenance test is more flexible, safe and convenient.

因此本实施例二具有两种情形,该两种情形的DC-DC变换器12、自动限流充电和自恢复等电位连接安全控制保护电路4、安全保护电路3的并接输出正负极2个接线公共端子(正极D+1端,负极D-1端)的连接相反,以分别适应-48V和+24V两种通信电源系统设备。其中,第一种情形的正极D+1端在上方,负极D-1端在下方,其所显示的结构与图一相同,可参阅实施例一中的描述,此处不予重复;第二种情形的正极D+1端在下方,负极D-1端在上方,第二种情形是并接的负极公共端D-1端连接至第三接线端子D,并接的正极D+1端接恒流放电负载智能控制电路5,从而使第一接线端子A、第二接线端子B以及第三接线端子D的正负极性与图1中相反,其余均相同。Therefore, the second embodiment has two situations, the DC-DC converter 12 of the two situations, the automatic current-limiting charging and the self-restoring equipotential connection safety control protection circuit 4, and the parallel connection output positive and negative poles 2 of the safety protection circuit 3 The connections of the two common terminals (positive pole D+1 and negative pole D-1) are reversed to suit -48V and +24V communication power system equipment respectively. Wherein, in the first case, the positive pole D+1 terminal is at the top, and the negative pole D-1 terminal is at the bottom, the structure shown in it is the same as that in Figure 1, and the description in Embodiment 1 can be referred to, which will not be repeated here; the second In the first case, the positive terminal D+1 is at the bottom, and the negative terminal D-1 is at the top. In the second case, the parallel-connected negative common terminal D-1 is connected to the third terminal D, and the parallel-connected positive terminal D+1 Connect the constant current discharge load intelligent control circuit 5, so that the positive and negative polarities of the first terminal A, the second terminal B and the third terminal D are opposite to those in Figure 1, and the rest are the same.

实施例三Embodiment three

请参阅图3,本实施例三是对实施例二的一种变换,其与实施例二相比,二者的区别在于:本实施例三的分布式全在线蓄电池组放电测试设备还包括一电源正反向极性工作保护电路9,该电源正反向极性工作保护电路9的输出与所述恒流放电负载智能控制电路5和放电负载电路6串接后,再并联连接DC-DC变换器12、其余结构均与实施例二相同。Please refer to Fig. 3, the third embodiment is a transformation of the second embodiment. Compared with the second embodiment, the difference between the two is that the distributed all-on-line storage battery pack discharge test equipment of the third embodiment also includes a Power supply forward and reverse polarity working protection circuit 9, the output of the power supply forward and reverse polarity working protection circuit 9 is connected in series with the constant current discharge load intelligent control circuit 5 and discharge load circuit 6, and then connected in parallel with DC-DC The converter 12 and other structures are the same as those in the second embodiment.

说明:实施例二中的分布在所述DC-DC变换器12、恒流放电负载智能控制电路5以及DC-DC主机工作电源1的电源输入均有正反向极性工作保护电路功能,而实施例三是将由一电源正反向极性工作保护电路9的输出供给DC-DC变换器12、恒流放电负载智能控制电路5的2个功能模块。因此,上述这两个实施例具有相同的功能,因此仍可分别适应-48V和+24V两种通信电源系统设备。Explanation: The power input distributed in the DC-DC converter 12, the constant current discharge load intelligent control circuit 5 and the DC-DC host power supply 1 in the second embodiment all have the function of forward and reverse polarity work protection circuit, and The third embodiment is to supply the output of the forward and reverse polarity protection circuit 9 of a power supply to two functional modules of the DC-DC converter 12 and the constant current discharge load intelligent control circuit 5 . Therefore, the above two embodiments have the same function, so they can still be respectively adapted to two types of communication power supply system equipment of -48V and +24V.

因此本实施例三也具有两种情形,该两种情形的DC-DC变换器12、自动限流充电和自恢复等电位连接安全控制保护电路4、安全保护电路3的并接输出2个正负极接线公共端子(正极D+1端,负极D-1端)的连接相反,同样分别适应-48V和+24V两种通信电源系统设备。Therefore present embodiment three also has two kinds of situations, the DC-DC converter 12 of these two kinds of situations, automatic current-limiting charging and self-restoring equipotential connection safety control protection circuit 4, safety protection circuit 3 are connected in parallel and output 2 positive The connection of the common terminal of the negative pole connection (positive pole D+1 terminal, negative pole D-1 terminal) is opposite, and they are also suitable for two kinds of communication power supply system equipment of -48V and +24V respectively.

请再参考图3,为了将本实施例的分布式全在线蓄电池组充放电测试设备应用时连接方便,将连接所述电源正反向极性工作保护电路9、所述DC-DC主机工作电源1的输入一端与电源正反向极性工作保护电路9并接的一端引出一电源输出线,具有第一接线端子A,另一端与并接的DC-DC变换器12、安全保护电路3、自动限流充电和自恢复等电位连接安全控制保护电路4以及第二安全保护电路10、蓄电池组在线测试切换开关13输出一的公共端点引出一电源输出线,具有第三接线端子D。蓄电池组在线测试切换开关13对应并联连接的第二安全保护电路10一接点上引出一电源输出线,具有至少一个第二接线端子B,即与在线蓄电池组一端的接线端子B1~BN(N具体可根据实际用户需求配置,依据通信电源设计规范并联蓄电池组数配置N≤4)。Please refer to FIG. 3 again. In order to facilitate the connection of the distributed all-on-line battery charge and discharge test equipment of this embodiment, the forward and reverse polarity working protection circuit 9 of the power supply and the working power supply of the DC-DC host are connected. One end of the input of 1 is connected in parallel with the forward and reverse polarity working protection circuit 9 of the power supply to lead out a power supply output line, which has a first connection terminal A, and the other end is connected in parallel with the DC-DC converter 12, the safety protection circuit 3, Automatic current-limiting charging and self-restoring equipotential connection safety control protection circuit 4, second safety protection circuit 10, battery pack on-line test switching switch 13 output a common terminal leads to a power output line, which has a third terminal D. The on-line test switching switch 13 of the storage battery pack corresponds to a contact point of the second safety protection circuit 10 connected in parallel to lead a power output line, and has at least one second connection terminal B, which is connected to the connection terminals B1-BN at one end of the on-line storage battery group (N specifically It can be configured according to actual user needs, and the number of parallel battery packs can be configured according to the communication power supply design specification N≤4).

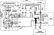
如图4和图5所示,是实施例一以及实施例二和实施例三的第一种情形与-48V通信电源系统设备接线示意图。通过被测蓄电池组连接该分布式全在线蓄电池组放电测试设备的输入接线端子即第一接线端子A(负极)和第二接线端子B(正极)作为电池组在线测试设备的工作电源。其输出的第三接线端子D(正极)与第二接线端子B两端串接在被测蓄电池组与在线通信设备工作电源之间,第三接线端子D(正极)连接于通信电源设备系统直流配电屏的正极汇集排。-48V电源工作地为正极接地,则D端与D+1端连接,D-1端与蓄电池组在线测试切换开关13输出的“在线测试”端连接。根据分布式全在线蓄电池组放电测试设备MCU单元21的菜单选择、参数设置,自动控制蓄电池组在线测试切换开关13的输出置“在线测试”工作状态,以及控制DC-DC变换器12的输出电压(接线端子B、D两端电压),提升在线通信设备工作电压,起到电池组全在线放电测试目的。As shown in FIG. 4 and FIG. 5 , it is a schematic diagram of the wiring of the -48V communication power supply system equipment in the first case of the first embodiment, the second embodiment and the third embodiment. Connect the input terminals of the distributed all-on-line battery pack discharge test equipment through the battery pack under test, that is, the first terminal A (negative pole) and the second terminal B (positive pole) as the working power supply of the battery pack online test equipment. The output of the third terminal D (positive pole) and the two ends of the second terminal B are connected in series between the battery pack under test and the working power supply of the online communication equipment, and the third terminal D (positive pole) is connected to the DC power supply system of the communication power supply equipment. Positive collecting bar of power distribution panel. The working ground of -48V power supply is the positive ground, then the D terminal is connected to the D+1 terminal, and the D-1 terminal is connected to the "online test" terminal output by the battery pack online test switch 13. According to the menu selection and parameter setting of the MCU unit 21 of the distributed all-on-line battery pack discharge test equipment, the output of the battery pack online test switch 13 is automatically controlled to be placed in the "on-line test" working state, and the output voltage of the DC-DC converter 12 is controlled. (The voltage at both ends of terminals B and D), to increase the working voltage of the online communication equipment, and to achieve the purpose of full online discharge test of the battery pack.

如图5所示,是实施例一以及实施例二和实施例三的第一种情形与-48V通信电源系统无缝连接操作示意图。As shown in FIG. 5 , it is a schematic diagram of the seamless connection operation between the first case of Embodiment 1 and Embodiment 2 and Embodiment 3 and the -48V communication power supply system.

使用时,将分布式全在线蓄电池组放电测试设备通过“设备”无缝连接技术串行连接于通信蓄电池组与通信电源系统设备的直流配电屏之间,保证蓄电池组始终处于安全在线工作状态,不影响对通信系统设备的正常安全供电。分布式全在线蓄电池组放电测试设备的输入工作电源由被测蓄电池组电源提供。操作过程中,蓄电池组仅拆电池组正极端子(电源工作地线),即与整流器供电电源的正极汇集线间进行串联连接,操作简单安全。When in use, the distributed full-online battery pack discharge test equipment is serially connected between the communication battery pack and the DC power distribution panel of the communication power system equipment through the "device" seamless connection technology to ensure that the battery pack is always in a safe online working state , without affecting the normal and safe power supply to the communication system equipment. The input working power of the distributed all-on-line battery pack discharge test equipment is provided by the power supply of the battery pack under test. During the operation, only the positive terminal of the battery pack (the working ground wire of the power supply) is removed from the battery pack, that is, the positive terminal of the rectifier power supply is connected in series, and the operation is simple and safe.

在线无缝连接技术的操作过程如下所述:通信电源系统的蓄电池组设备全在线无缝连接操作,将分布式全在线蓄电池组放电测试设备串接在线蓄电池组的正极上(电源工作地线),即与整流器、负载设备的供电电源的正极汇集线间进行串联连接,分布式全在线蓄电池组放电测试设备的接入应遵守“先接三,后拆一”的原则,电池组放电测试设备完成测试退出服务时,应遵守“先接一,后拆三”的原则。请参阅图6,以-48V通信电源被测蓄电池组为例,“先接三,后拆一”即为:先接分布式全在线蓄电池组放电测试设备的电源输出线L1、L2、L3,即将该测试设备的接线端子B、A、D分别连接至蓄电池组正极(即电池组连接电源工作地的接线端子)接线端子B、负极接线端子或直流配电屏输出一分路A1和-48V通信电源供电正极汇集排GD,后拆被测蓄电池组正极接线端原电源连接线L5,即断开蓄电池组正极接线端子C1与-48V通信电源供电正极汇集排GD的连接;“先接一,后拆三”即为:被测蓄电池组完成测试,并自动进行限流充电到等电位自动连接退出服务,应先接被测蓄电池组正极端子C1的原电源连接线L5,后拆C1端电源线L1、A1端电源线L2和GD端电源线L3。The operation process of the online seamless connection technology is as follows: the battery pack equipment of the communication power system is fully online and seamlessly connected, and the distributed full-line battery pack discharge test equipment is connected in series to the positive pole of the online battery pack (power supply ground wire) , that is to connect in series with the positive collection line of the rectifier and the power supply of the load equipment. The access of the distributed full-line battery pack discharge test equipment should follow the principle of "first connect three, and then remove one". The battery pack discharge test equipment When the test is completed and the service is withdrawn, the principle of "connecting one first, then dismantling three" should be followed. Please refer to Figure 6, taking the -48V communication power supply battery pack under test as an example, "connect three first, then remove one" means: first connect the power output lines L1, L2, L3 of the distributed full-line battery pack discharge test equipment, Connect the terminals B, A, and D of the test equipment to the positive terminal of the battery pack (that is, the terminal for connecting the battery pack to the power source) terminal B, the negative terminal or the DC power distribution panel to output a shunt A1 and -48V Communication power supply positive terminal GD, then remove the original power connection line L5 of the positive terminal of the battery pack under test, that is, disconnect the positive terminal C1 of the battery pack from the positive terminal GD of the -48V communication power supply; "Connect one first, "Remove three after" means: the battery pack under test completes the test, and automatically performs current-limiting charging until the equipotential automatic connection exits service. The original power connection line L5 of the positive terminal C1 of the battery pack under test should be connected first, and then the power supply at the C1 terminal should be removed. Line L1, A1 end power line L2 and GD end power line L3.

再如图6所示,是实施例二或实施例三的第二种情形与+24V通信电源系统设备接线示意图。通过在线的蓄电池组连接该分布式全在线蓄电池组放电测试设备的输入接线端子即第一接线端子A(正极)和第二接线端子B(负极)作为电池组在线测试设备的工作电源。其输出的第三接线端子D(负极)与第二接线端子B两端串接在被测蓄电池组与在线通信设备工作电源之间,第三接线端子D(负极)连接于通信电源设备系统直流配电屏的负极汇集排。+24V电源工作地为负极接地,则D端与D-1端连接,D+1端与蓄电池组在线测试切换开关13输出的“在线测试”端连接。根据分布式全在线蓄电池组放电测试设备MCU单元21的菜单选择、参数设置,自动控制蓄电池组在线测试切换开关13的输出置“在线测试”工作状态,以及控制DC-DC变换器12的输出电压(接线端子B、D两端电压),提升在线通信设备工作电压,起到电池组全在线放电测试目的。As shown in FIG. 6 , it is a schematic diagram of wiring of the second situation of Embodiment 2 or Embodiment 3 and the equipment of the +24V communication power supply system. Connect the input terminals of the distributed all-on-line battery pack discharge test equipment through the online battery pack, that is, the first terminal A (positive pole) and the second terminal B (negative pole) as the working power supply of the battery pack online test equipment. The output of the third terminal D (negative pole) and the two ends of the second terminal B are connected in series between the battery pack under test and the working power supply of the online communication equipment, and the third terminal D (negative pole) is connected to the DC of the communication power supply equipment system. Negative collecting bar of power distribution panel. The working ground of the +24V power supply is the negative ground, then the D terminal is connected to the D-1 terminal, and the D+1 terminal is connected to the "online test" terminal output by the battery pack online test switch 13. According to the menu selection and parameter setting of the MCU unit 21 of the distributed all-on-line battery pack discharge test equipment, the output of the battery pack online test switch 13 is automatically controlled to be placed in the "on-line test" working state, and the output voltage of the DC-DC converter 12 is controlled. (The voltage at both ends of terminals B and D), to increase the working voltage of the online communication equipment, and to achieve the purpose of full online discharge test of the battery pack.

结合图7至图8,下面以-48V通信电源后备蓄电池组在线放电容量测试工作原理为例,说明实施例一的应用工作原理。7 to 8, the working principle of the online discharge capacity test of the -48V communication power backup battery pack is taken as an example to illustrate the working principle of the application of the first embodiment.

现在选择其中一组-48V被测蓄电池组I进行在线容量放电测试,如图7中所示的被测蓄电池组I进行在线放电容量测试,该人工、自动或远程监控控制的方式,由分布式全在线蓄电池组放电测试设备的MCU单元程序控制输出一指令信号通过蓄电池组在线测试转换控制电路14驱动控制蓄电池组在线测试切换开关13,选择一被测蓄电池组I进行在线放电容量测试。该被测蓄电池组I经蓄电池组在线测试切换开关13的切换输出至在线测试端,使被测蓄电池组处于“在线测试”工作状态。被测蓄电池组I正极连接的B1端经蓄电池组在线测试切换开关13的输出,导通连接至D-1端,并与输入电源正反向工作保护电路9串接,使被测蓄电池组I电源通过输入电源正反向极性工作保护电路给DC-DC变换器12、恒流放电负载智能控制电路5及放电负载电路6提供工作电源。于此一被测蓄电池组I正极串接于分布式全在线蓄电池组放电测试设备的B1端口,经蓄电池组在线测试切换开关13连接导通连接输入电源正反向极性工作保护电路9,使被测蓄电池组I电源与恒流放电负载智能控制电路5、放电负载电路6(即恒流放电负载及智能控制系统电路)的串联支路完成并联连接,于此二蓄电池组正极串接于分布式全在线蓄电池组放电测试设备的B1端口,经蓄电池组在线测试切换开关13导通连接于D-1端与相互并接的安全电路3、DC-DC变换器12输出、自动限流充电和等电位连接安全控制电路4的一端连接,并接输出的另一端即D+1端连接至D端,使分布式全在线蓄电池组放电测试设备的第二接线端子B与第三接线端子D串接于被测蓄电池组I与-48V通信电源系统直流配电屏之间,使被测蓄电池组I处于在线容量放电测试状态,其他蓄电池组均保持在线工作正常状态,此时由分布式全在线蓄电池组放电测试设备系统依据选择、功能及参数设置自动完成被测蓄电池组I对在线的通信设备进行放电测试,另,被测蓄电池组I经蓄电池组在线测试切换开关13输出至“在线测试”端连接于所述恒流放电负载智能控制电路5,使被测的蓄电池组与所述串接的恒流放电负载智能控制电路5、放电负载电路6并联,作为该被测蓄电池组I在线恒流放电工作时,由该分布式全在线蓄电池组放电测试设备系统,根据被测蓄电池组I对所在线的通信设备负载放电电流的大小(即通信设备负载电流大小)自动控制恒流放电负载智能控制电路5进行辅助调节控制放电负载6的工作电流,确保被测蓄电池组I在线恒流放电。Now select one of the -48V tested battery packs I to carry out the online capacity discharge test. The tested battery pack I shown in Fig. 7 is used for the online discharge capacity test. The MCU unit program control of the all-on-line battery pack discharge test equipment outputs an instruction signal through the battery pack on-line test conversion control circuit 14 to drive and control the battery pack on-line test switch 13, and select a tested battery pack 1 for online discharge capacity testing. The battery pack 1 under test is output to the online test terminal through the switching of the battery pack on-line test switching switch 13, so that the battery pack under test is in the "on-line test" working state. The B1 end connected to the positive pole of the battery pack I under test is connected to the D-1 end via the output of the on-line test switch 13 of the battery pack, and is connected in series with the forward and reverse working protection circuit 9 of the input power supply, so that the battery pack I under test The power supply provides working power to the DC-DC converter 12 , the constant current discharge load intelligent control circuit 5 and the discharge load circuit 6 through the forward and reverse polarity protection circuit of the input power supply. The positive electrode of the battery pack I under test is connected in series with the B1 port of the distributed full-line battery pack discharge test equipment, and the on-line test switching switch 13 of the battery pack is connected and connected to the forward and reverse polarity protection circuit 9 of the input power supply, so that The series branch of the battery pack I power supply under test, the constant current discharge load intelligent control circuit 5, and the discharge load circuit 6 (that is, the constant current discharge load and the intelligent control system circuit) is connected in parallel, and the positive electrodes of the two battery packs are connected in series in the distributed The B1 port of the full-on-line battery pack discharge test equipment is connected to the D-1 terminal and the safety circuit 3 connected in parallel with each other through the battery pack online test switch 13, the output of the DC-DC converter 12, the automatic current-limiting charging and One end of the equipotential connection safety control circuit 4 is connected, and the other end of the output is connected in parallel, that is, the D+1 end is connected to the D end, so that the second terminal B and the third terminal D of the distributed full-line battery pack discharge test equipment are connected in series. It is connected between the battery group I under test and the DC power distribution panel of the -48V communication power supply system, so that the battery group I under test is in the state of online capacity discharge test, and the other battery groups are kept in the normal state of online operation. At this time, the distributed full online The battery pack discharge test equipment system automatically completes the discharge test of the battery pack I under test to the online communication equipment according to the selection, function and parameter settings. In addition, the battery pack I under test is output to the "on-line test" via the battery pack online test switch 13 connected to the constant current discharge load intelligent control circuit 5, so that the battery pack under test is connected in parallel with the constant current discharge load intelligent control circuit 5 and the discharge load circuit 6 connected in series, as the online constant current discharge load circuit 6 of the battery pack under test. When the current discharge is working, the distributed all-on-line battery pack discharge test equipment system automatically controls the constant current discharge load intelligence according to the size of the battery pack I under test to the load discharge current of the online communication equipment (that is, the load current of the communication equipment). The control circuit 5 performs auxiliary adjustment to control the operating current of the discharge load 6, so as to ensure the online constant current discharge of the battery pack I under test.

请参阅图7,被测蓄电池组I在线容量放电测试过程,根据测试参数设置,以I放电1电流进行在线容量的恒流放电测试,当在线通信设备负载电流与在线工作的蓄电池组浮充电流之和(I设备+I浮充电流)大于被测蓄电池组I进行的恒流放电电流I放电1时,分布式全在线蓄电池组放电测试设备系统自动控制DC-DC变换器12,以自动稳流控制输出电压UO,提高在线输出稳定的电压U在线=U电池组1+U0,满足被测蓄电池组I在线对通信设备负载恒流放电测试工作要求,自动禁止或关闭恒流放电负载智能控制电路5与电池组放电负载电路6,保持恒定电流对在线通信设备负载进行放电I放电1=IB1=ID+1+IA1=I放电D+I浮充+I工控+IA;(I B1放电为串接分布式全在线蓄电池组放电测试设备的输入工作电流,I放电D为被测蓄电池组I对通信设备负载供电电流,I浮充为其他在线工作的蓄电池组浮充工作电流;I工控为分布式全在线蓄电池组放电测试设备中的DC-DC主机工作电源1的工作电流,该DC-DC主机工作电源1提供相关控制单元2的工作电源;ID+1为DC-DC变换器12输出工作的电流;IA为被测蓄电池组I给DC-DC变换器12和恒流放电负载智能控制电路5与电池组放电负载电路6提供输入电源的工作电流之和。此时,I恒流负载=0。IA=I恒流负载+IDC-DC=IDC-DC),在线通信设备工作电流I设备=I整流器+I 电D,此时,正常工作的整流器或高频开关电源输出电流I整流器小于通信设备负载工作电流I设备;在正常工作情况下,其-48V整流器或高频开关输出电流I整流器为通信设备负载工作电流I负载、被测蓄电池组I放电电流I放电D与在线工作的蓄电池组浮充电流I浮充之和。放电过程,被测蓄电池组I的电压随着放电电流和时间的延长,被测蓄电池组I电压也随之下降,通过分布式全在线蓄电池组放电测试设备自动稳流控制调整输出电压UO,提升在线工作电压,使被测蓄电池组I以恒定的电流进行容量放电测试。当在线通信设备负载电流与在线工作的蓄电池组浮充电流之和(I设备+I浮充电流)小于被测蓄电池组I进行的恒流放电电流I放电1时,分布式全在线蓄电池组放电测试设备系统优先自动控制DC-DC变换器12,以自动稳流控制输出电压UO,提高在线输出稳定的电压U在线=U电池组1+U0,满足被测蓄电池组I在线优先对通信设备负载进行恒流供电,同时4自动根据实际在线通信设备负载进行限压稳流数值,自动控制调整辅助恒流放电负载智能控制电路5与放电负载电路6的电流,保持被测蓄电池组I进行在线恒流放电。此时,被测蓄电池组I对在线通信设备负载和分布式全在线蓄电池组放电测试设备系统的控制辅助恒流放电负载进行放电I放电1=IB1放电=ID+1+IA1=I放电D+I浮充+I工控+IA=I 电D+I浮充+I工控+I恒流负载+IDC-DC;IA=I恒流负载+IDC-DC),在线通信设备工作电流I设备=I放电D。此时,正常工作的整流器或高频开关电源输出电流I整流器小于通信设备负载工作电流I设备和被测蓄电池组I放电电流I放电1,且无电流输出。在正常工作情况下,其-48V整流器或高频开关输出电流I 流器为通信设备负载工作电流I设备、被测蓄电池组I放电电流I放电D与在线工作的蓄电池组浮充电流I浮充之和。放电过程,被测蓄电池组I的电压随着放电电流和时间的延长,电池组电压也随之下降,通过分布式在线蓄电池组充放电容量综合维护测试设备自动稳流控制调整输出电压UO,提升在线工作电压,使被测蓄电池组I以恒定的电流进行放电容量测试。进行放电测试的分布式全在线蓄电池组放电测试设备,具有设备在线电压限压保护、过压保护,被测蓄电池组放电低压保护、单体电池放电终止低压保护,以及电池放电工作限流和过流保护。具体参数设置,用户可根据实际测试需求进行设定,为避免用户参数设置错误,分布式全在线蓄电池组放电测试设备系统还具有参数设置上限保护功能,以保证分布式全在线蓄电池组放电测试设备系统运行使用安全。Please refer to Figure 7, the online capacity discharge test process of the tested battery pack I, according to the test parameter settings, the constant current discharge test of the online capacity is carried out with the I discharge 1 current, when the load current of the online communication equipment and the floating charge current of the battery pack working online When the sum (I equipment+I floating charge current) is greater than the constant current discharge current I discharge 1 carried out by the battery pack I under test, the distributed full-line battery pack discharge test equipment system automatically controls the DC-DC converter 12 to automatically stabilize the battery pack. Current control output voltage U O , increase the online output stable voltage U online = U battery pack 1 + U 0 , meet the working requirements of the tested battery pack I online to the communication equipment load constant current discharge test, automatically prohibit or turn off the constant current discharge load The intelligent control circuit 5 and the battery discharge load circuit 6 maintain a constant current to discharge the load of the online communication equipment. I discharge 1 = I B1 = I D + 1 + I A1 = I discharge D + I floating charge + I industrial control + I A ; (I B1 discharge is the input operating current of the series-connected distributed full-line battery pack discharge test equipment, I discharge D is the power supply current of the tested battery pack I to the communication equipment load, and I float is the float charge of other online working battery packs Working current; I industrial control is the working current of the DC-DC host working power supply 1 in the distributed full-line battery pack discharge test equipment, and the DC-DC host working power supply 1 provides the working power supply of the relevant control unit 2; ID+1 is DC -The DC converter 12 outputs the working current; I A is the sum of the operating currents that the battery pack 1 under test provides the input power supply to the DC-DC converter 12 and the constant current discharge load intelligent control circuit 5 and the battery pack discharge load circuit 6. At this time, I constant current load = 0. I A = I constant current load + I DC-DC = I DC-DC ), the operating current of the online communication device I device = I rectifier + I discharge D , at this time, it works normally The rectifier or high-frequency switching power supply output current I rectifier is less than the communication equipment load operating current I equipment ; under normal operating conditions, its -48V rectifier or high-frequency switching power supply output current I The sum of the discharge current I discharge D of the group I and the float charge current I float charge of the battery pack working online. During the discharge process, the voltage of the battery pack I under test decreases with the prolongation of the discharge current and time, and the output voltage UO is automatically adjusted through the distributed full-line battery pack discharge test equipment to automatically stabilize the current control to increase the voltage of the battery pack I. On-line operating voltage, so that the battery pack I under test is subjected to a capacity discharge test at a constant current. When the sum of the load current of the online communication equipment and the floating charge current of the battery pack working online (I equipment + I float charge current) is less than the constant current discharge current Idischarge 1 of the battery pack I under test, the distributed all-on-line battery pack discharges The test equipment system automatically controls the DC-DC converter 12 with priority, controls the output voltage U O with automatic steady flow, improves the online output stable voltage U online = U battery pack 1 + U 0 , and satisfies the priority of the online communication of the battery pack I under test. The device load is powered by a constant current, and at the same time 4 automatically limits the voltage and stabilizes the current value according to the actual online communication device load, automatically controls and adjusts the current of the auxiliary constant current discharge load intelligent control circuit 5 and the discharge load circuit 6, and keeps the battery pack I under test. Online constant current discharge. At this time, the battery pack I under test discharges the online communication equipment load and the control auxiliary constant current discharge load of the distributed full-line battery pack discharge test equipment system I discharge 1 = I B1 discharge = I D + 1 + I A1 = I Discharge D + I floating charge + I industrial control + I A = I discharge D + I floating charge + I industrial control + I constant current load + I DC-DC ; I A = I constant current load + I DC-DC ), online Communication equipment operating current I equipment = I discharge D . At this time, the normal working rectifier or high-frequency switching power supply output current I rectifier is less than the communication equipment load operating current I equipment and the discharge current I discharge 1 of the battery pack under test, and there is no current output. Under normal working conditions, its -48V rectifier or high-frequency switch output current I rectifier is the communication equipment load operating current I equipment , the battery pack I under test discharge current I discharge D and the battery pack floating charge current I float working online Fill the sum. During the discharge process, the voltage of the battery pack I under test decreases with the prolongation of the discharge current and time, and the output voltage U O is adjusted automatically by the distributed online battery pack charging and discharging capacity comprehensive maintenance and testing equipment. Increase the online working voltage so that the battery pack I under test is tested for discharge capacity with a constant current. Distributed full-line battery pack discharge test equipment for discharge test, with equipment online voltage limiting protection, overvoltage protection, low-voltage protection for battery pack discharge under test, low-voltage protection for single battery discharge termination, and battery discharge current limit and over-voltage protection stream protection. For specific parameter settings, the user can set according to the actual test requirements. In order to avoid user parameter setting errors, the distributed full-line battery pack discharge test equipment system also has a parameter setting upper limit protection function to ensure that the distributed full-line battery pack discharge test equipment The system is safe to use.

在线放电结束后,自动充电到等电位恢复在线工作连接原理如图8所示:After the online discharge is completed, the connection principle of automatic charging to equipotential recovery and online work is shown in Figure 8:

被测蓄电池组I在线放电测试结束后,分布式全在线蓄电池组放电测试设备系统自动控制DC-DC变换器12和恒流放电负载及智能控制系统电路5处于关闭状态,IA=I工控。同时分布式全在线蓄电池组放电测试设备自动控制自动限流充电和等电位连接安全控制电路4进入充电恢复过程,利用在线-48V整流器或高频开关电源设备的系统输出电压,对被测蓄电池组I进行限流充电,-48V整流器或开关电源输出电流I整流器=I设备+I充电D,被测蓄电池组I充电电流IB1充电=I充电D-(I浮充+I工控),随着充电电流和时间的延长,被测蓄电池组I的电压也随之升高,当接近与在线电压趋于等电位时,由分布式全在线蓄电池组放电测试设备系统进行智能诊断其充电电流、电压差等满足条件时,分布式全在线蓄电池组放电测试设备自动控制第二安全保护电路10中的一大功率电源静态开关管导通,使在线-48V整流器或高频开关电源设备的系统输出电压通过该电源静态开关管对被测蓄电池组进行充电,以及完成等电位安全连接,再完成蓄电池组在线测试切换开关13的切换恢复“在线非测试”状态,结束被测蓄电池组I放电测试及恢复在线工作全过程。After the online discharge test of the battery pack I under test is completed, the distributed all-on-line battery pack discharge test equipment system automatically controls the DC-DC converter 12 and the constant current discharge load and the intelligent control system circuit 5 is in the off state, IA=I industrial control . At the same time, the distributed all-on-line battery pack discharge test equipment automatically controls the automatic current-limiting charging and equipotential connection safety control circuit 4 to enter the charging recovery process, and uses the system output voltage of the online -48V rectifier or high-frequency switching power supply equipment to test the battery pack. I carry out current-limited charging, -48V rectifier or switching power supply output current I rectifier = I equipment + I charging D , the battery pack I charging current I B1 charging = I charging D - (I floating charge + I industrial control ), with With the prolongation of the charging current and time, the voltage of the battery pack I under test will also increase. When it is close to the same potential as the online voltage, the distributed full-line battery pack discharge test equipment system will intelligently diagnose its charging current and voltage. When the conditions are met, the distributed all-on-line battery pack discharge test equipment automatically controls the high-power static switch tube in the second safety protection circuit 10 to conduct, so that the system output voltage of the on-line -48V rectifier or high-frequency switching power supply equipment The battery pack under test is charged through the static switch tube of the power supply, and the equipotential safety connection is completed, and then the switching of the on-line test switch 13 of the battery pack is completed to restore the "online non-test" state, and the discharge test and recovery of the battery pack I under test are completed. The whole process of working online.

蓄电池组逐一在线放电、充电恢复至“在线非测试”工作原理全过程:该分布式全在线蓄电池组放电测试设备通过系统程序菜单选择功能、参数的设置后,将由MCU单元程序自动控制蓄电池组在线测试转换控制电路驱动控制蓄电池组在线测试切换开关13进行“在线测试”与“在线非测试”工作模式的转换及自动控制,进行被测蓄电池组逐一在线容量放电测试,并自动恢复在线工作状态。如前所述,被测蓄电池组I在线放电测试结束,到充电和等电位恢复在线工作全过程的基础上,同时分布式全在线蓄电池组放电测试设备通过在线监测被测蓄电池组I在线充电恢复容量时,将自动进行下一被测蓄电池组进行在线放电测试。重复上述工作过程(原理同上),自动完成所有在线蓄电池组容量逐一在线放电测试维护工作。The battery packs are discharged online one by one, and the charging returns to the whole process of "online non-testing" working principle: After the distributed full-online battery pack discharge test equipment selects functions and parameters in the system program menu, the MCU unit program will automatically control the battery packs online. The test conversion control circuit drives and controls the on-line test switching switch 13 of the storage battery pack to perform the conversion and automatic control of the working modes of "on-line test" and "on-line non-test", perform online capacity discharge tests of the tested battery packs one by one, and automatically restore the online working state. As mentioned above, after the online discharge test of the battery pack I under test is completed, on the basis of the whole process of charging and equipotential recovery online, at the same time, the distributed full-line battery pack discharge test equipment monitors the online charging recovery of the battery pack I under test online. When the capacity is exceeded, it will automatically carry out the online discharge test for the next battery pack under test. Repeat the above working process (the principle is the same as above), and automatically complete the online discharge test and maintenance work of all online storage battery capacity one by one.

如前所述的放电工作过程中,被测蓄电池组I在线安全供电由安全保护电路3和第二安全保护电路10双重供电安全保护;而在充电过程中,若市电发生中断或整流器(高频开关电源设备)故障,导致其他在线蓄电池组放电至在线低压的现象,由此第二安全保护电路10中的大功率双向电源静态开关管正向导通连接于在线工作电源,以及进行等电位安全连接保护,同时自动关闭DC-DC变换器12的输出,保证被测蓄电池组I充电或放电测试过程中均能实时在线不间断安全供电。In the discharge work process as mentioned above, the online safety power supply of the battery pack 1 under test is protected by the double power supply safety protection of the safety protection circuit 3 and the second safety protection circuit 10; frequency switching power supply equipment) failure, causing other online battery packs to discharge to the online low-voltage phenomenon, so the high-power bidirectional power static switch tube in the second safety protection circuit 10 is positively connected to the online working power supply, and performs equipotential safety connection protection, and automatically close the output of the DC-DC converter 12 at the same time, ensuring that the battery pack 1 under test can be charged or discharged in real-time and uninterrupted safe power supply during the test process.

实施例二的在线放电工作原理:Working principle of online discharge in embodiment 2:

该实施例二包括两种情形,第一种情形应用与实施例一完全相同,其原理请参见实施例一中的描述,第二种则请结合图2和图6所示,由于本实施例二的第二种情形中的DC-DC变换器12、自动限流充电和自恢复等电位连接安全控制保护电路4、安全保护电路3并接的2个正负极接线公共端子(正极D+1端,负极D-1端)与实施例一的相反,使之适用于+24V通信电源后备蓄电池组。因此实施例三的第二种情况的在线放电工作原理与实施例一的区别仅在于电流的方向相反。The second embodiment includes two situations. The application of the first situation is exactly the same as that of the first embodiment. For the principle, please refer to the description in the first embodiment. For the second one, please refer to Fig. 2 and Fig. 6. In the second case, the DC-DC converter 12, automatic current-limiting charging and self-recovery equipotential connection safety control and protection circuit 4, and 2 positive and negative connection common terminals connected in parallel to the safety protection circuit 3 (positive pole D+ 1 terminal, negative pole D-1 terminal) is opposite to that of Embodiment 1, making it suitable for the backup battery pack of +24V communication power supply. Therefore, the difference between the working principle of online discharge in the second case of the third embodiment and the first embodiment is that the direction of the current is opposite.

实施例三的在线放电工作原理:Working principle of online discharge in Embodiment 3:

该实施例三也包括两种情形,结合图9、10所示,再比较于图7和图8,其第一种情形的工作原理与实施例二的区别在于:The third embodiment also includes two situations, as shown in Figs. 9 and 10, and compared with Fig. 7 and Fig. 8, the difference between the working principle of the first case and the second embodiment is:

放电时,实施例二中的经由所述蓄电池组在线测试切换开关13输出的工作电流、分别流向所述DC-DC变换器12而直接到达第一接线端A,以及经由所述串联的恒流放电负载智能控制电路5放电负载电路6的工作电流直接到达第一接线端A,而实施例三中的经由所述蓄电池组在线测试切换开关13输出的工作电流,通过电源正反向极性工作保护电路9后分别流向所述DC-DC变换器12和所述串联的恒流放电负载智能控制电路5放电负载电路6之后再汇入电源正反向极性工作保护电路9后而到达第一接线端A,其余不变。When discharging, the operating current output by the battery pack online test switch 13 in the second embodiment flows respectively to the DC-DC converter 12 and directly reaches the first terminal A, and passes through the series constant current The working current of the discharge load intelligent control circuit 5 and the discharge load circuit 6 directly reaches the first terminal A, while the working current output by the battery pack online test switching switch 13 in the third embodiment works through the forward and reverse polarity of the power supply. After the protection circuit 9 flows respectively to the DC-DC converter 12 and the series connected constant current discharge load intelligent control circuit 5, discharges the load circuit 6 and then flows into the forward and reverse polarity working protection circuit 9 of the power supply to reach the first Terminal A, the rest remain unchanged.

第二种情形的电流方向与第一种情形的电流方向相反,其余均相同。The current direction of the second case is opposite to that of the first case, and the rest are the same.

综上所述,本实用新型分布式全在线蓄电池组放电测试设备实现了无线通信基站电源后备蓄电池组全在线无人值守远程监控管理;彻底解决了长期困扰着通信行业电源维护管理工作者和现场维护人员的问题,能及时掌控现网所有在线电池组容量,提高了应急通信保障能力及资源调度管理水平,简化了维护管理流程,提高了工作效率,节省大量维护成本,提升网络运营安全及综合运行维护管理水平。To sum up, the utility model distributed all-on-line battery pack discharge test equipment realizes the full-online unattended remote monitoring and management of the backup battery pack of the wireless communication base station power supply; it completely solves the problem that has long plagued the power supply maintenance management workers and on-site operators in the communication industry. The problem of maintenance personnel can timely control the capacity of all online battery packs on the existing network, improve the emergency communication support capability and resource scheduling management level, simplify the maintenance management process, improve work efficiency, save a lot of maintenance costs, and improve network operation security and comprehensiveness. Operation and maintenance management level.

Claims (9)

1.一种分布式全在线蓄电池组放电测试设备,其特征在于:包括:1. A distributed all-on-line battery pack discharge test equipment, characterized in that: comprising: 一DC-DC主机工作电源,一控制单元,一蓄电池组在线测试切换开关、第二安全保护电路、一蓄电池组在线测试转换控制电路,相互并接的一安全保护电路、一自动限流充电和等电位连接安全控制电路、一DC-DC变换器,以及相互串接的一恒流放电负载智能控制电路和一放电负载电路;A DC-DC main engine working power supply, a control unit, a battery pack on-line test switch, a second safety protection circuit, a battery pack on-line test conversion control circuit, a safety protection circuit connected in parallel, an automatic current-limiting charging and An equipotential bonding safety control circuit, a DC-DC converter, and a constant current discharge load intelligent control circuit and a discharge load circuit connected in series; 所述控制单元再进一步包括一MCU单元、以及均与该MCU单元连接的一电流/电压数据采集及转换控制电路、蓄电池组单体电压检测设备、数据存储器、远程通信电路、LCD显示和键盘输入;The control unit further includes an MCU unit, and a current/voltage data acquisition and conversion control circuit, battery unit voltage detection equipment, data memory, remote communication circuit, LCD display and keyboard input all connected to the MCU unit ; 所述蓄电池组在线测试切换开关输入与第二安全保护电路的对应的输入并联后,连接于在线的蓄电池组;且该蓄电池组在线测试切换开关其中一输出与第二安全保护电路的输出端连接,另一输出与安全保护电路、自动限流充电和等电位连接安全控制电路、DC-DC变换器并接的一端连接;After the input of the on-line test switch of the battery pack is connected in parallel with the corresponding input of the second safety protection circuit, it is connected to the online battery pack; and one output of the on-line test switch of the battery pack is connected to the output end of the second safety protection circuit , the other output is connected to one end connected in parallel with the safety protection circuit, automatic current-limiting charging and equipotential connection safety control circuit, and DC-DC converter; 所述设备中DC-DC主机工作电源的输出与所述恒流放电负载智能控制电路、所述蓄电池组在线测试转换控制电路以及所述控制单元连接,DC-DC主机工作电源的输入两端之一端与所述相互并联蓄电池组在线测试切换开关和第二安全保护电路的输出端连接,另一端与所述DC-DC变换器、放电负载电路的公共电源一端连接;The output of the DC-DC host power supply in the device is connected to the constant current discharge load intelligent control circuit, the battery pack online test conversion control circuit and the control unit, and the input terminals of the DC-DC host power supply are connected to each other. One end is connected to the on-line test switching switch of the parallel battery pack and the output end of the second safety protection circuit, and the other end is connected to the DC-DC converter and one end of the public power supply of the discharge load circuit; 所述DC-DC变换器分别与所述电流/电压数据采集及转换控制电路及MCU单元连接;The DC-DC converter is respectively connected with the current/voltage data acquisition and conversion control circuit and the MCU unit; 所述MCU单元还分别与所述恒流放电负载智能控制电路、自动限流充电和等电位连接安全控制电路、蓄电池组在线测试切换开关、第二安全保护电路、蓄电池组在线测试转换控制电路连接;The MCU unit is also respectively connected with the constant current discharge load intelligent control circuit, the automatic current limiting charging and equipotential connection safety control circuit, the battery pack online test switching switch, the second safety protection circuit, and the battery pack online test conversion control circuit ; 所述设备中DC-DC主机工作电源的输入连接于在线通信工作电源的两端,提供正常工作电源。The input of the working power supply of the DC-DC host in the device is connected to both ends of the online communication working power supply to provide normal working power supply. 2.如权利要求1所述的一种分布式全在线蓄电池组放电测试设备,其特征在于:还包括一电源正反向极性工作保护电路,该电源正反向极性工作 保护电路的输入与所述蓄电池组在线测试切换开关连接,输出分别与所述恒流放电负载智能控制电路,DC-DC变换器连接。2. A kind of distributed all-on-line storage battery pack discharge test equipment as claimed in claim 1, is characterized in that: also comprise a power forward and reverse polarity work protection circuit, the input of this power supply forward and reverse polarity work protection circuit It is connected with the on-line test switch of the battery pack, and the output is respectively connected with the constant current discharge load intelligent control circuit and the DC-DC converter. 3.如权利要求1所述的一种分布式全在线蓄电池组放电测试设备,其特征在于:所述DC-DC变换器、DC-DC主机工作电源、所述恒流放电负载智能控制电路均具有正反向极性电源工作的特点。3. A kind of distributed all-on-line battery pack discharge testing equipment as claimed in claim 1, characterized in that: said DC-DC converter, DC-DC host power supply, and said constant current discharge load intelligent control circuit are all It has the characteristics of forward and reverse polarity power supply. 4.如权利要求1所述的一种分布式全在线蓄电池组放电测试设备,其特征在于:还包括一AC/DC开关电源,该AC/DC开关电源的输入和输出分别连接所述DC-DC主机工作电源和市电。4. A kind of distributed all-on-line battery pack discharge test equipment as claimed in claim 1, characterized in that: it also includes an AC/DC switching power supply, the input and output of the AC/DC switching power supply are respectively connected to the DC- DC host working power and mains. 5.如权利要求1所述的一种分布式全在线蓄电池组放电测试设备,其特征在于:还包括至少一电流检测电路,所述各电流检测电路在该设备中耦合监测所述被测蓄电池组的充放电工作电源的各个输入端。5. A kind of distributed all-on-line battery pack discharge test equipment as claimed in claim 1, characterized in that: it also includes at least one current detection circuit, and each current detection circuit is coupled in the device to monitor the battery under test Each input terminal of the charge and discharge working power supply of the group. 6.如权利要求5所述的一种分布式全在线蓄电池组放电测试设备,其特征在于:所述电流检测电路为一个传感器。6. A distributed full-on-line battery pack discharge testing device according to claim 5, characterized in that: the current detection circuit is a sensor. 7.如权利要求1所述的一种分布式全在线蓄电池组放电测试设备,其特征在于:所述安全保护电路为一大功率二极管。7. A distributed all-on-line battery pack discharge testing device according to claim 1, characterized in that: the safety protection circuit is a high-power diode. 8.如权利要求1所述的一种分布式全在线蓄电池组放电测试设备,其特征在于:所述第二安全保护电路包括一大功率双向电源静态开关管、一直流接触器以及一用于控制和保护该大功率双向电源静态开关管和直流接触器工作的自动控制保护电路,且所述大功率双向电源静态开关管和直流接触器并联连接。8. A distributed all-on-line battery pack discharge testing device as claimed in claim 1, characterized in that: the second safety protection circuit includes a high-power bidirectional power supply static switch tube, a DC contactor and a An automatic control and protection circuit for controlling and protecting the high-power bidirectional power supply static switch tube and the DC contactor, and the high-power bidirectional power supply static switch tube and the DC contactor are connected in parallel. 9.如权利要求1所述的一种分布式全在线蓄电池组放电测试设备,其特征在于:所述蓄电池组在线测试切换开关具有先接后离功能,且所述第二安全保护电路包括一大功率双向电源静态开关管、用于控制和保护该大功率双向电源静态开关管工作的自动控制保护电路。 9. A distributed all-on-line battery pack discharge testing device as claimed in claim 1, characterized in that: said battery pack on-line test switching switch has the function of connecting first and then leaving, and said second safety protection circuit includes a A high-power bidirectional power supply static switch tube and an automatic control and protection circuit for controlling and protecting the operation of the high-power bidirectional power supply static switch tube. the
CN2010201759613U 2010-04-09 2010-04-09 Distributed full-line battery pack discharge test equipment Expired - Lifetime CN201674257U (en)

Priority Applications (1)

Application Number Priority Date Filing Date Title
CN2010201759613U CN201674257U (en) 2010-04-09 2010-04-09 Distributed full-line battery pack discharge test equipment

Applications Claiming Priority (1)

Application Number Priority Date Filing Date Title
CN2010201759613U CN201674257U (en) 2010-04-09 2010-04-09 Distributed full-line battery pack discharge test equipment

Publications (1)

Publication Number Publication Date
CN201674257U true CN201674257U (en) 2010-12-15

Family

ID=43331665

Family Applications (1)

Application Number Title Priority Date Filing Date
CN2010201759613U Expired - Lifetime CN201674257U (en) 2010-04-09 2010-04-09 Distributed full-line battery pack discharge test equipment

Country Status (1)

Country Link
CN (1) CN201674257U (en)

Cited By (4)

* Cited by examiner, † Cited by third party
Publication number Priority date Publication date Assignee Title
CN101813755A (en) * 2010-04-09 2010-08-25 福州福光电子有限公司 Charge and discharge test equipment for full on-line storage battery pack
CN101860050A (en) * 2010-04-09 2010-10-13 福州福光电子有限公司 Discharge test device for distributed full online storage battery pack
CN103809127A (en) * 2014-03-12 2014-05-21 深圳市思特克电子技术开发有限公司 Remote automatic storage battery management and maintenance system
CN113433471A (en) * 2021-06-25 2021-09-24 科华数据股份有限公司 Constant current discharge device and related method and system

Cited By (7)

* Cited by examiner, † Cited by third party
Publication number Priority date Publication date Assignee Title
CN101813755A (en) * 2010-04-09 2010-08-25 福州福光电子有限公司 Charge and discharge test equipment for full on-line storage battery pack
CN101860050A (en) * 2010-04-09 2010-10-13 福州福光电子有限公司 Discharge test device for distributed full online storage battery pack
CN101860050B (en) * 2010-04-09 2012-07-04 福州福光电子有限公司 Discharge test device for distributed full online storage battery pack
CN101813755B (en) * 2010-04-09 2013-06-19 福州福光电子有限公司 Charge and discharge test equipment for full on-line storage battery pack
CN103809127A (en) * 2014-03-12 2014-05-21 深圳市思特克电子技术开发有限公司 Remote automatic storage battery management and maintenance system
CN113433471A (en) * 2021-06-25 2021-09-24 科华数据股份有限公司 Constant current discharge device and related method and system
CN113433471B (en) * 2021-06-25 2024-01-02 科华数据股份有限公司 Constant-current discharge device and related method and system

Similar Documents

Publication Publication Date Title
CN102882268B (en) Undisturbed uninterruptible power supply device
CN101813755B (en) Charge and discharge test equipment for full on-line storage battery pack
CN102214945B (en) Direct current power system based on paralleling connection of storage batteries
CN101860051B (en) Charge/discharge test device for distributed full online storage battery pack
CN103676817A (en) Communication base station photoelectric complementary power supply system and operation method thereof
CN103078384B (en) A kind of uninterrupted power supply
CN109449944B (en) Bidirectional direct-current power supply control system and method for transformer substation
CN208638048U (en) A kind of the automatic energy saving on-line maintenance equipment and system of electricity substation battery
CN101860052B (en) Discharging test device for full online storage battery
CN201656535U (en) Full on-line accumulator battery charge and discharge test equipment
CN104333107A (en) Direct-current screen power source device utilizing hybrid power sources
CN206790099U (en) A kind of micro-grid system
CN101860050B (en) Discharge test device for distributed full online storage battery pack
CN201674257U (en) Distributed full-line battery pack discharge test equipment
CN111722125A (en) An online energy-saving battery pack capacity testing equipment
CN201674256U (en) Fully online battery pack discharge test equipment
CN108242842A (en) A management device and method for parallel connection of different types of battery packs
CN200950162Y (en) Fully online battery pack discharge test system
CN105552942A (en) Working method of power control system for preventing short circuits or power failure
CN202616809U (en) Battery module, battery system and direct current screen power supply system
CN201639336U (en) Distributed full-line battery charge and discharge test equipment
CN211151595U (en) Remote terminal unit with power-down protection and alarm functions
CN104333941A (en) Wind power and optical power complementation street lamp controller capable of monitoring, and control method thereof
CN204425022U (en) A kind of intelligent communication power-supply system
CN203135566U (en) Ups

Legal Events

Date Code Title Description
C14 Grant of patent or utility model
GR01 Patent grant
AV01 Patent right actively abandoned

Granted publication date: 20101215

Effective date of abandoning: 20120704

AV01 Patent right actively abandoned

Granted publication date: 20101215

Effective date of abandoning: 20120704